| |
 |
|
 |
Вернуться к выбору узлов мотора
ДЕТАЛИРОВКА ДЛЯ МОДЕЛИ: SUZUKI DT25N N
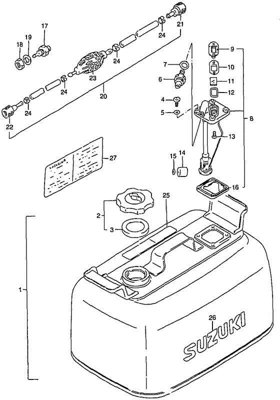
Топливный бак
Год выпуска двигателя: 1992
Регион: General Export No.1 ,Код региона: P01
Цвет: California Gray Metallic
Номер на рисунке | Артикул | Наименование | QTY | Кол-во на складе | Цена |
| 1 | 65800-92823-000 | (Tank set, fuel (24l); 6.3 u.s.gal, 5.2 imp.gal) | | под заказ | 0 руб. |
| 1 | 65800-92824-000 | (актуальный код замены) Запчасть снята с производства - The Spare Part Is Laid Off | | под заказ | 0 руб. |
| 2 | 65510-92D00-000 | Крышка горловины топливного бака, в сборе - Cap Assy, Fuel Tank (Cap assy, separate tank ) (Cap Assy, Fuel Tank) | | под заказ | 0 руб. |
| 3 | 65561-92D00-000 | Прокладка - Gasket (Gasket, tank cap # Gasket, tank cap; ) (Gasket) | | под заказ | 0 руб. |
| 4 | 02142-06167-000 | Винт - Screw (Screw ) (Screw) | | 8 шт | 110 руб. |
| 5 | 09168-06026-000 | Прокладка (6.4x11.5x0.8) - Gasket (64x115x08) (Washer; ) (Gasket (6.4x11.5x0.8)) | | под заказ | 240 руб. |
| 6 | 65740-95500-000 | Разъем топливного коннектора - Plug, Fuel Connector (Connector, fuel ) (Plug, Fuel Connector) | | под заказ | 2720 руб. |
| 6 | 65740-95501-000 | (актуальный код замены) Разъем топливного коннектора - Plug, Fuel Connector | | под заказ | 2720 руб. |
| 7 | 09168-12015-000 | Прокладка (12.2x21x0.8) - Gasket (122x21x08) (Gasket, connector;) (Gasket (12.2x21x0.8)) | | под заказ | 350 руб. |
| 7 | 09168-12015-XC0 | (актуальный код замены) Прокладка (12.2x21x0.8) - Gasket (12.2x21x0.8) | | под заказ | 350 руб. |
| 7 | 09168-12015-XC0 | Прокладка (12.2x21x0.8) - Gasket (122x21x08) (Gasket (12.2x21x0.8)) | | под заказ | 350 руб. |
| 8 | 65850-92D01-000 | Прибор - измеритель уровня топлива - Gauge Assy, Fuel (Gauge assy, fuel ) (Gauge Assy, Fuel) | | под заказ | 0 руб. |
| 9 | 65855-92D10-000 | Крышка прибора - Cover, Gauge (Cover, Gauge) | | под заказ | 0 руб. |
| 10 | 65854-92D20-000 | Прокладка - Gasket (Gasket) | | под заказ | 0 руб. |
| 11 | 65853-92D00-000 | Lens - Lens (Lens) | | под заказ | 0 руб. |
| 12 | 65854-92D30-000 | (Gasket, lens;) | | под заказ | 0 руб. |
| 13 | 03222-04083-000 | Винт - Screw (Screw) | | под заказ | 140 руб. |
| 13 | 03221-0408A-000 | (актуальный код замены) Винт - Screw | | под заказ | 140 руб. |
| 13 | 03221-0408A-000 | Винт - Screw (Screw) | | под заказ | 140 руб. |
| 14 | 65864-92D00-000 | | | под заказ | 0 руб. |
| 15 | 65866-92D00-000 | Push Гайка - Push Nut (Nut, push # Push, nut; ) (Push Nut) | | под заказ | 0 руб. |
| 16 | 65871-92D00-000 | Прокладка, Fuel Gauge - Gasket, Fuel Gauge (Gasket, fuel; ) (Gasket, Fuel Gauge) | | под заказ | 660 руб. |
| 17 | 65720-98520-000 | Разъем топливного коннектора - Plug, Fuel Connector (Connector, fuel;) (Plug, Fuel Connector) | | под заказ | 3170 руб. |
| 17 | 65720-985L1-000 | (актуальный код замены) Разъем топливного коннектора - Plug, Fuel Connector | | 5 шт | 3950 руб. |
| 17 | SK65720-98520 | (не оригинальный аналог) Коннектор топливный Skipper для Suzuki DT2-65, DF9.9-15 "папа", 6 мм | | 0 шт | 836 руб. |
| 17 | SF80210-1 | (не оригинальный аналог) Адаптер топливный SUNFINE тип Suzuki, 7.5мм, 6720-98521 | | под заказ | 1270 руб. |
| 17 | 65720-985L1-000 | Разъем топливного коннектора - Plug, Fuel Connector (Plug, Fuel Connector) | | 5 шт | 3950 руб. |
| 18 | 09140-10032-000 | Гайка - Nut (Nut) | | 10 шт | 160 руб. |
| 19 | 08321-01107-000 | Шайба с блокировкой - Washer, Lock (Lock washer ) (Washer, Lock) | | 9 шт | 140 руб. |
| 20 | 65700-87D17-000 | Топливный шланг (от бака до коннектора) - Hose, Fuel (tank To Conn) (Hose, fuel;) (Hose, Fuel (tank To Conn)) | | под заказ | 6530 руб. |
| 20 | 65700-87DL2-000 | (актуальный код замены) Топливный шланг (от бака до коннектора) - Hose, Fuel (tank To Conn) | | под заказ | 6530 руб. |
| 20 | 65700-87DL0-000 | Топливный шланг (от бака до коннектора) - Hose, Fuel (tank To Conn) (Hose, Fuel (tank To Conn)) | | под заказ | 6530 руб. |
| 20 | 65700-87DL2-000 | (актуальный код замены) Топливный шланг (от бака до коннектора) - Hose, Fuel (tank To Conn) | | под заказ | 6530 руб. |
| 21 | 65750-95500-000 | Разъём топливного шланга - Socket, Fuel Hose (Socket, fuel hose (in) # Connector, fuel; ) (Socket, Fuel Hose) | | под заказ | 3700 руб. |
| 21 | 65750-95501-000 | (актуальный код замены) Разъём топливного шланга - Socket, Fuel Hose | | 2 шт | 3700 руб. |
| 21 | SF80211-4 | (не оригинальный аналог) Коннектор топливный SUNFINE тип Suzuki, Mercury, Evinrude, Tohatsu, 10мм 3GF-70281-0 | | под заказ | 1880 руб. |
| 22 | 65750-98505-000 | Разъём топливного шланга - Socket, Fuel Hose (Socket, fuel hose (out) # Socket; ) (Socket, Fuel Hose) | | 2 шт | 3240 руб. |
| 22 | 65750-98506-000 | (актуальный код замены) Разъём топливного шланга - Socket, Fuel Hose | | под заказ | 3240 руб. |
| 23 | 65770-95540-000 | (Pump, squeeze;) | | под заказ | 0 руб. |
| 23 | 65770-95541-000 | (актуальный код замены) Запчасть снята с производства - The Spare Part Is Laid Off | | под заказ | 0 руб. |
| 24 | 65781-98500-000 | Зажим топливного шланга - Clip, Fuel Hose (Clip, Fuel Hose) | | 9 шт | 350 руб. |
| 25 | 65317-95260-000 | Маркировка, Fuel Колпачокacity (24l) - Mark, Fuel Capacity (24l) (Mark, fuel capacity (24l) ) (Mark, Fuel Capacity (24l)) | | под заказ | 0 руб. |
| 26 | 61441-98500-000 | Маркировка, Ornament - Mark, Ornament (Mark, Ornament) | | под заказ | 0 руб. |
| 27 | 65316-93331-000 | Маркировка, Fuel Caution - Mark, Fuel Caution (Mark, fuel caution ) (Mark, Fuel Caution) | | под заказ | 0 руб. |
Время выполнения запроса 2.7644891738892 сек. |
|