Подобрать оригинальные запчасти на лодочный мотор Suzuki DT25CS/L; DT25ACS/L модель 1993 года - Электрика
вконтакте

Контактный телефон: +7 (981) 121-46-93, +7 (800) 200-90-76 , Email: parts-katalog@yandex.ru, где купить

 
 

  Логин:

Пароль:

Регистрация

www.partskatalog.ru Все каталоги Запчасти Mercury Запчасти Suzuki Запчасти Tohatsu Запчасти Honda Контакты



УВАЖАЕМЫЕ КЛИЕНТЫ!
C 19 ДЕКАБРЯ 2025 ПО 02 МАРТА 2026 ГОДА ОТДЕЛ ЗАПЧАСТЕЙ И СЕРВИС РАБОТАТЬ НЕ БУДУТ
ПРОДАЖА ЛОДОЧНЫХ МОТОРОВ В ШТАТНОМ РЕЖИМЕ
ОБ ИЗМЕНЕНИЯХ В ГРАФИКЕ РАБОТЫ ЧИТАЙТЕ НА САЙТА



назад Раздел:   вперёд

Вернуться к выбору узлов мотора


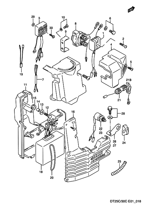
ДЕТАЛИРОВКА ДЛЯ МОДЕЛИ: SUZUKI DT25C P

Электрика


Код модели двигателя: DT25CS/L; DT25ACS/L

Год выпуска двигателя: 1993

Цвет: California Gray Metallic

Номер на
рисунке
АртикулНаименованиеQTYКол-во
на складе
Цена
132800-95D01-000

Выпрямитель в сборе - Rectifier Assy (MODEL:88~90 MODEL:94~00 ) (Rectifier Assy)

под заказ10760 руб.
132800-95D02-000

   (актуальный код замены) Выпрямитель в сборе - Rectifier Assy

1 шт10760 руб.
202142-05253-000

Винт - Screw (Screw)

под заказ170 руб.
202142-0525B-000

   (актуальный код замены) Винт - Screw

под заказ170 руб.
202142-0525B-000

Винт - Screw (Screw, rear ) (Screw)

под заказ170 руб.
332800-95D10-000

Rect & Регулятор в сборе - Rect & Regulator Assy (Rectifier assy # MODEL:91~93 ) (Rect & Regulator Assy)

под заказ13830 руб.
432825-95D00-000

Запчасть снята с производства - The Spare Part Is Laid Off (The Spare Part Is Laid Off)

под заказ0 руб.
509125-05115-000

Винт (5x16) - Screw (5x16) (Screw (5x16) ) (Screw (5x16))

под заказ310 руб.
602162-06127-000

Винт - Screw (Screw)

под заказ150 руб.
736810-95D00-000

Lead, Cdi Unit To Reverse Sw - Lead, Cdi Unit To Reverse Sw (Lead, cdi unit to reverse sw # MODEL:91~00 ) (Lead, Cdi Unit To Reverse Sw)

под заказ0 руб.
831800-94401-000

Реле в сборе, Двигатель электростартера - Relay Assy, Starting Motor (Relay, starter # ELECTRIC STARTER <-1800-94400 ) (Relay Assy, Starting Motor)

2 шт14140 руб.
931805-95501-000

Кронштейн, Двигатель электростартера Реле - Bracket, Starting Motor Relay (Bracket, starter relay # ELECTRIC STARTER ) (Bracket, Starting Motor Relay)

под заказ390 руб.
1002112-35127-000

Винт - Screw (Screw, counting # ELECTRIC STARTER ) (Screw)

под заказ120 руб.
1132950-95D00-000

Запчасть снята с производства - The Spare Part Is Laid Off (The Spare Part Is Laid Off)

под заказ0 руб.
1201550-06207-000

Болт - Bolt (Bolt)

17 шт220 руб.
1309160-06052-000

Шайба (6.5x16x1.2) - Washer (65x16x12) (Washer (6.5x16x1.2) ) (Washer (6.5x16x1.2))

под заказ160 руб.
1409180-06248-000

Проставка (6.1x8x9.5) - Spacer (61x8x95) (<-9180-06187 ) (Spacer (6.1x8x9.5))

под заказ160 руб.
1509320-08001-000

Подушка - Cushion (Cushion ) (Cushion)

под заказ210 руб.
1509320-08527-000

   (актуальный код замены) Подушка - Cushion

под заказ210 руб.
1632951-95D01-000

Крышка держателя электрических частей - Cover, Electric Parts Holder (Cover, Electric Parts Holder)

под заказ0 руб.
1703212-05163-000

Винт - Screw (Screw)

под заказ660 руб.
1713765-48GV0-000

   (актуальный код замены) Винт - Screw

под заказ660 руб.
1703212-0516B-000

Винт - Screw (Screw)

под заказ660 руб.
1713765-48GV0-000

   (актуальный код замены) Винт - Screw

под заказ660 руб.
1832900-95D00-000

Запчасть снята с производства - The Spare Part Is Laid Off (MODEL:88) (The Spare Part Is Laid Off)

под заказ0 руб.
1832900-95D40-000

Запчасть снята с производства - The Spare Part Is Laid Off (DT25C, ~MODEL:98) (The Spare Part Is Laid Off)

под заказ0 руб.
1832900-95D50-000

Запчасть снята с производства - The Spare Part Is Laid Off (DT25C MODEL:99, 00) (The Spare Part Is Laid Off)

под заказ0 руб.
1932940-95D01-000

Запчасть снята с производства - The Spare Part Is Laid Off (<-2940-95D00) (The Spare Part Is Laid Off)

под заказ0 руб.
2009280-50008-000

Уплотнительное кольцо (d: 3.1, Id: 49.4) - O Ring (d:31, Id:494) (O ring (id:49.4, od:3.10) # <-9280-50002 ) (O Ring (d:3.1, Id:49.4))

8 шт220 руб.
2136740-93901-000

Корпус предохранителя - Case Assy, Fuse (Case assy, fuse # ELECTRIC STARTER <-6740-93900 ) (Case Assy, Fuse)

под заказ1720 руб.
2109481-20001-000

Предохранитель (20a) - Fuse (20a) (Fuse (20a))

30 шт180 руб.
2237721-94403-000

Выключатель нейтрали, в сборе - Switch Assy, Neutral (ELECTRIC STARTER MODEL:90~00 <-7721-89E02) (Switch Assy, Neutral)

под заказ3700 руб.
2237721-94406-000

   (актуальный код замены) Выключатель нейтрали, в сборе - Switch Assy, Neutral

2 шт3700 руб.
2237721-94404-000

Выключатель нейтрали, в сборе - Switch Assy, Neutral (Switch Assy, Neutral)

под заказ3700 руб.
2237721-94406-000

   (актуальный код замены) Выключатель нейтрали, в сборе - Switch Assy, Neutral

2 шт3700 руб.
2337721-87D02-000

Выключатель нейтрали, в сборе - Switch Assy, Neutral (<-7721-87D01) (Switch Assy, Neutral)

под заказ0 руб.
2337721-87D04-000

   (актуальный код замены) Запчасть снята с производства - The Spare Part Is Laid Off

под заказ0 руб.
2337721-87D03-000

Выключатель нейтрали, в сборе - Switch Assy, Neutral (Switch Assy, Neutral)

под заказ0 руб.
2337721-87D04-000

   (актуальный код замены) Запчасть снята с производства - The Spare Part Is Laid Off

под заказ0 руб.
2437725-95300-000

Пускатель переключателя нейтрали - Actuator, Neutral Switch (Actuator, neutral sw ) (Actuator, Neutral Switch)

под заказ710 руб.
2538423-95510-000

Трубка провода переключателя (l: 250) - Tube, Switch Lead (l:250) (L:150->0) (Tube, Switch Lead (l:250))

под заказ610 руб.
2533833-91J00-000

   (актуальный код замены) Трубка провода переключателя (l: 250) - Tube, Switch Lead (l:250)

под заказ610 руб.
2533833-91J00-000

Трубка провода переключателя (l: 250) - Tube, Switch Lead (l:250) (Tube, Switch Lead (l:250))

под заказ610 руб.
2637726-95D02-000

Кронштейн переключателя нейтрали - Bracket, Neutral Switch (Bracket, neutral sw # ELECTRIC STARTER <-7726-95D01 ) (Bracket, Neutral Switch)

под заказ770 руб.
2737726-94402-000

Кронштейн переключателя реверса - Bracket, Reverse Switch (Bracket, neutral sw # MODEL:91~00 ) (Bracket, Reverse Switch)

под заказ460 руб.
2801580-06167-000

Болт - Bolt (Bolt)

под заказ210 руб.
2909180-06232-000

Проставка (6.2x12x5) - Spacer (62x12x5) (MODEL:91~93 ) (Spacer (6.2x12x5))

под заказ360 руб.
3002142-05307-000

Винт - Screw (MODEL:91~93 ) (Screw)

под заказ170 руб.


Время выполнения запроса 1.8352110385895 сек.

 
 

данный сайт носит информационный характер и не является публичной офертой

склад запчастей для водомоторной техники