Купить оригинальные запчасти на подвесной лодочный мотор Suzuki модель 1994 года - Water pump
вконтакте

Контактный телефон: +7 (981) 121-46-93, +7 (800) 200-90-76 , Email: parts-katalog@yandex.ru, где купить

 
 

  Логин:

Пароль:

Регистрация

www.partskatalog.ru Все каталоги Запчасти Mercury Запчасти Suzuki Запчасти Tohatsu Запчасти Honda Контакты



УВАЖАЕМЫЕ КЛИЕНТЫ!
C 19 ДЕКАБРЯ 2025 ПО 02 МАРТА 2026 ГОДА ОТДЕЛ ЗАПЧАСТЕЙ И СЕРВИС РАБОТАТЬ НЕ БУДУТ
ПРОДАЖА ЛОДОЧНЫХ МОТОРОВ В ШТАТНОМ РЕЖИМЕ
ОБ ИЗМЕНЕНИЯХ В ГРАФИКЕ РАБОТЫ ЧИТАЙТЕ НА САЙТА



назад Раздел:   вперёд

Вернуться к выбору узлов мотора


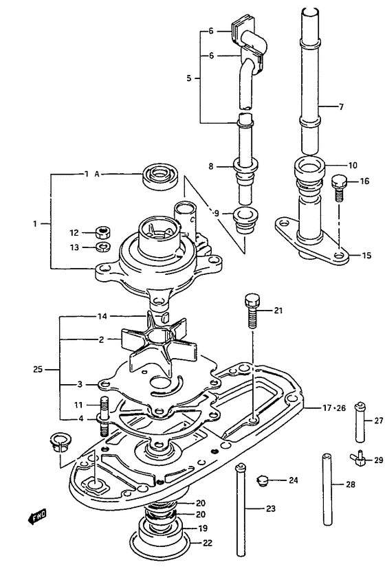
ДЕТАЛИРОВКА ДЛЯ МОДЕЛИ: SUZUKI DT25ACR(K-Y) R

Водяной насос


Год выпуска двигателя: 1994

Номер на
рисунке
АртикулНаименованиеQTYКол-во
на складе
Цена
117410-95D11-000

Корпус водяного насоса - Case, Water Pump (Case, Water Pump)

2 шт15080 руб.
109282-17007-000

Сальник (17x28x6) - Seal, Oil (17x28x6) (Seal, water pump case # Seal (id:17, od:28, b:6); ) (Seal, Oil (17x28x6))

37 шт1470 руб.
1SK09282-17007

   (не оригинальный аналог) Сальник ведущего вала Skipper для Suzuki Модели техники: DT30HP, DF40-50HP

0 шт170 руб.
217461-96400-000

Крыльчатка водяного насоса - Impeller, Water Pump (Impeller, Water Pump)

под заказ5000 руб.
217461-964L0-000

   (актуальный код замены) Крыльчатка водяного насоса - Impeller, Water Pump

21 шт3430 руб.
2SC-WT104

   (не оригинальный аналог) Крыльчатка помпы охлаждения двигателя Suzuki SC-WT104

1 шт1060 руб.
217461-964L0-000

Крыльчатка водяного насоса - Impeller, Water Pump (Impeller, Water Pump)

21 шт3430 руб.
317471-94401-000

Панель в нижней части корпуса помпы - Panel, Pump Case Under (Panel, under; ) (Panel, Pump Case Under)

6 шт1290 руб.
417472-96301-000

Прокладка снизу корпуса водяного насоса - Gasket, Pump Case Under (Gasket, pump case, lower;) (Gasket, Pump Case Under)

под заказ270 руб.
417472-96304-000

   (актуальный код замены) Прокладка снизу корпуса водяного насоса - Gasket, Pump Case Under

26 шт360 руб.
417472-96303-000

Прокладка снизу корпуса водяного насоса - Gasket, Pump Case Under (Gasket, Pump Case Under)

под заказ270 руб.
417472-96304-000

   (актуальный код замены) Прокладка снизу корпуса водяного насоса - Gasket, Pump Case Under

26 шт360 руб.
4SK17472-96303

   (не оригинальный аналог) Прокладка под пластину водяного насоса Skipper для Suzuki DT25-40, DF20-50, DF40A-60A

0 шт129 руб.
517560-95D11-000

Водяная трубка (s) - Tube, Water (s) (Tube, water (s); L:340 ) (Tube, Water (s))

под заказ0 руб.
517560-95D01-000

Водяная трубка (l) - Tube, Water (l) (Tube, water (l/ul) # Tube, water (l/ul); L:462 ) (Tube, Water (l))

под заказ3170 руб.
617563-96301-000

Верхний пыльник водяной трубки №1 - Grommet, Water Tube Upr No1 (Grommet, upper (1) ) (Grommet, Water Tube Upr No.1)

под заказ460 руб.
617563-91L10-000

   (актуальный код замены) Верхний пыльник водяной трубки №1 - Grommet, Water Tube Upr No.1

3 шт460 руб.
717562-96301-000

Водяная трубка (ul) - Tube, Water (ul) (Tube, water # Tube, water (ul); ) (Tube, Water (ul))

под заказ890 руб.
817565-96300-000

Пыльник водяной трубки Middle - Grommet, Water Tube Middle (Grommet, water tube # Grommet, middle (s/l); ) (Grommet, Water Tube Middle)

под заказ360 руб.
817565-91L00-000

   (актуальный код замены) Пыльник водяной трубки Middle - Grommet, Water Tube Middle

11 шт360 руб.
917566-96302-000

Пыльник водяной трубки Lwr - Grommet, Water Tube Lwr (Grommet, water tube lower ) (Grommet, Water Tube Lwr)

под заказ290 руб.
917566-96303-000

   (актуальный код замены) Пыльник водяной трубки Lwr - Grommet, Water Tube Lwr

27 шт360 руб.
1017612-96300-000

Пыльник водяной трубки Glid - Grommet, Water Tube Glid (Grommet, water tube guide # Grommet (ul); ) (Grommet, Water Tube Glid)

1 шт480 руб.
1109108-06068-000

Болт под шпильку - Bolt, Stud (Stud bolt (6x25); ) (Bolt, Stud)

под заказ340 руб.
1109108-06069-000

Болт под шпильку - Bolt, Stud (Bolt, stud # Stud bolt (6x30); Model:96-00 ) (Bolt, Stud)

37 шт320 руб.
1209140-06020-000

Гайка - Nut (Nut)

9 шт150 руб.
1309162-06006-000

Шайба с блокировкой - Washer, Lock (Lock washer ) (Washer, Lock)

под заказ160 руб.
1409420-04006-000

Ключ - Key (Key, impeller ) (Key)

18 шт430 руб.
1517611-96300-000

Направляющая трубки водяного насоса - Guide, Water Tube (Guide, water tube # Guide, water tube (ul); ) (Guide, Water Tube)

под заказ2840 руб.
1609117-06040-000

Болт (6x15) - Bolt (6x15) (Bolt (6x15) (ul);) (Bolt (6x15))

под заказ310 руб.
1609117-06040-XC0

   (актуальный код замены) Болт (6x15) - Bolt (6x15)

30 шт310 руб.
1609117-06040-XC0

Болт (6x15) - Bolt (6x15) (Bolt (6x15))

30 шт310 руб.
1756130-95D01-0ED

Корпус подшипника приводного вала (gray) - Housing, Drive Shaft Brg (gray) (Housing, Drive Shaft Brg (gray))

под заказ0 руб.
1756130-95D20-0ED

   (актуальный код замены) Запчасть снята с производства - The Spare Part Is Laid Off

под заказ0 руб.
1756130-95D20-0ED

Корпус подшипника приводного вала (gray) - Housing, Drive Shaft Brg (gray) (Housing, Drive Shaft Brg (gray))

под заказ0 руб.
1909265-17002-000

Подшипник (17x40x17.25) - Bearing (17x40x1725) (Bearing, drive shaft ) (Bearing (17x40x17.25))

11 шт4860 руб.
19SK09265-17002

   (не оригинальный аналог) Подшипник ведущего вала Skipper для Suzuki DT25-30, DF25-30, DF25A-30A

0 шт2013 руб.
2009282-17006-000

Сальник (17x30x4.5) - Seal, Oil (17x30x45) (Oil seal ) (Seal, Oil (17x30x4.5))

24 шт640 руб.
20SK09282-17006

   (не оригинальный аналог) Сальник ведущего вала Skipper для Suzuki Модели техники: DT30HP, DF25-30HP

0 шт176 руб.
2109117-06031-000

Болт (6x20) - Bolt (6x20) (Bolt (6x20) # Bolt (6x20); ) (Bolt (6x20))

под заказ270 руб.
2209280-50005-000

Уплотнительное кольцо (d: 3.6, Id: 43.2) - O Ring (d:36, Id:432) (O ring (d:3.6 id:43.2) # O ring (id:43.2, od:3.60); ) (O Ring (d:3.6, Id:43.2))

33 шт160 руб.
2317453-96300-000

Колпачок, Water вход - Cap, Water Inlet (Hose, drain; Model:95) (Cap, Water Inlet)

под заказ0 руб.
2356138-96300-000

   (актуальный код замены) Запчасть снята с производства - The Spare Part Is Laid Off

под заказ0 руб.
2356138-96300-000

Колпачок, Water вход - Cap, Water Inlet (Cap, Water Inlet)

под заказ0 руб.
2456138-96300-000

Колпачок, Water вход - Cap, Water Inlet (Cap, water inlet; Model:95 ) (Cap, Water Inlet)

под заказ0 руб.
2517400-96400-000

Ремкомплект водяного насоса - Kit, Water Pump Repair (Opt) (Kit, Water Pump Repair)

под заказ6440 руб.
2517400-96404-000

   (актуальный код замены) Ремкомплект водяного насоса - Kit, Water Pump Repair

3 шт6440 руб.
2517400-96403-000

Ремкомплект водяного насоса - Kit, Water Pump Repair (Kit, Water Pump Repair)

под заказ6440 руб.
2517400-96404-000

   (актуальный код замены) Ремкомплект водяного насоса - Kit, Water Pump Repair

3 шт6440 руб.
25SK17400-96403P

   (не оригинальный аналог) Ремкомплект помпы Performance Skipper для Suzuki DT25-30

0 шт2058 руб.
2656130-95D10-0ED

Запчасть снята с производства - The Spare Part Is Laid Off (Opt) (The Spare Part Is Laid Off)

под заказ0 руб.
2656130-95D30-0ED

   (актуальный код замены) Запчасть снята с производства - The Spare Part Is Laid Off

под заказ0 руб.
2717453-95D00-000

Дренаж ввода воды - Drain, Water Inlet (Drain, water inlet # Opt ) (Drain, Water Inlet)

под заказ600 руб.
2809355-40805-600

Шланг (4x8x600) - Hose (4x8x600) (Opt, l:600->130 ) (Hose (4x8x600))

под заказ730 руб.
2909367-04005-000

Соединение - Union (Union, drain hose # Opt ) (Union)

под заказ310 руб.


Время выполнения запроса 1.5393331050873 сек.

 
 

данный сайт носит информационный характер и не является публичной офертой

склад запчастей для водомоторной техники