Подобрать оригинальные запчасти на подвесной двигатель SUZUKI модель 1994 года - Трансмиссия
вконтакте

Контактный телефон: +7 (981) 121-46-93, +7 (800) 200-90-76 , Email: parts-katalog@yandex.ru, где купить

 
 

  Логин:

Пароль:

Регистрация

www.partskatalog.ru Все каталоги Запчасти Mercury Запчасти Suzuki Запчасти Tohatsu Запчасти Honda Контакты



УВАЖАЕМЫЕ КЛИЕНТЫ!
C 19 ДЕКАБРЯ 2025 ПО 02 МАРТА 2026 ГОДА ОТДЕЛ ЗАПЧАСТЕЙ И СЕРВИС РАБОТАТЬ НЕ БУДУТ
ПРОДАЖА ЛОДОЧНЫХ МОТОРОВ В ШТАТНОМ РЕЖИМЕ
ОБ ИЗМЕНЕНИЯХ В ГРАФИКЕ РАБОТЫ ЧИТАЙТЕ НА САЙТА



назад Раздел:   вперёд

Вернуться к выбору узлов мотора


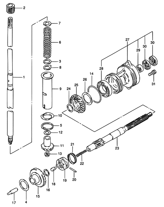
ДЕТАЛИРОВКА ДЛЯ МОДЕЛИ: SUZUKI DT25K R

Трансмиссия


Год выпуска двигателя: 1994

Номер на
рисунке
АртикулНаименованиеQTYКол-во
на складе
Цена
157110-96303-000

Вал привода (l) - Shaft, Drive (l) (<-7110-96302) (Shaft, Drive (l))

3 шт18240 руб.
157110-91L00-000

   (актуальный код замены) Вал привода (l) - Shaft, Drive (l)

1 шт18240 руб.
1SK57110-96303

   (не оригинальный аналог) Вал ведущий Skipper для Suzuki L, Модели техники: DT20HP / 25HP / 30HP

0 шт11097 руб.
157110-91L00-000

Вал привода (l) - Shaft, Drive (l) (Shaft, Drive (l))

1 шт18240 руб.
157110-96313-000

Вал привода (s) - Shaft, Drive (s) (<-7110-96311) (Shaft, Drive (s))

под заказ16230 руб.
157110-91L10-000

   (актуальный код замены) Вал привода (s) - Shaft, Drive (s)

3 шт16230 руб.
157110-91L10-000

Вал привода (s) - Shaft, Drive (s) (Shaft, Drive (s))

3 шт16230 руб.
157110-96323-000

Вал привода (x) - Shaft, Drive (x) (Shaft, drive (ul) # E07, E08, E13, E38, E40, E90 <-7110-96322 ) (Shaft, Drive (x))

под заказ36720 руб.
157110-96332-000

Вал привода (ll) - Shaft, Drive (ll) (E07, E08, E13, E38, E40, E90 <-7110-96331 ) (Shaft, Drive (ll))

под заказ0 руб.
257130-96300-000

Втулка вала передачи - Bush, Drive Shaft (Bush, drive shaft ) (Bush, Drive Shaft)

8 шт870 руб.
308211-20253-000

Шайба - Washer (Washer)

8 шт210 руб.
409160-25032-000

Шайба (25x40x1.1) - Washer (25x40x11) (Shim (25x36x1.1) ) (Washer (25x40x1.1))

под заказ350 руб.
409160-25033-000

Шайба (25x40x1.2) - Washer (25x40x12) (Shim (25x36x1.2) ) (Washer (25x40x1.2))

2 шт350 руб.
409160-25034-000

Шайба (25x40x1.3) - Washer (25x40x13) (Shim (25x36x1.3) ) (Washer (25x40x1.3))

4 шт350 руб.
409160-25035-000

Шайба (25x40x1.4) - Washer (25x40x14) (Shim (25x36x1.4) ) (Washer (25x40x1.4))

под заказ350 руб.
409181-25190-000

Регулировочная шайба (25x36x0.8) - Shim (25x36x08) (Shim (25x36x0.8) ) (Shim (25x36x0.8))

под заказ240 руб.
409181-25248-000

Регулировочная шайба (25x40x0.9) - Shim (25x40x09) (Shim (25x36x0.9) ) (Shim (25x40x0.9))

4 шт240 руб.
409181-25251-000

Регулировочная шайба (25x40x1) - Shim (25x40x1) (Shim (25x36x1.0) ) (Shim (25x40x1))

4 шт240 руб.
409181-25268-000

Регулировочная шайба (25x40x1.5) - Shim (25x40x15) (Shim (25x36x1.5) ) (Shim (25x40x1.5))

под заказ240 руб.
508331-41406-000

Стопорное кольцо - Circlip (Circlip)

17 шт230 руб.
609440-25002-000

Пружина - Spring (Spring)

16 шт750 руб.
709166-17005-000

Шайба - Washer (Washer, thrust ) (Washer)

3 шт570 руб.
809167-20021-000

Шайба с блокировкой - Washer, Lock (Washer (20.5x25.5x2.0) ) (Washer, Lock)

18 шт260 руб.
957133-96302-000

Воротник, Pre Load Пружина - Collar, Pre Load Spring (Collar, pre load spring ) (Collar, Pre Load Spring)

1 шт1180 руб.
1057134-96301-000

Barrier, Трансмиссионное масло - Barrier, Gear Oil (Partition, oil chamber ) (Barrier, Gear Oil)

под заказ460 руб.
1157311-96311-000

Шестерня - Pinion (<-7311-96310) (Pinion)

под заказ9600 руб.
1157311-91L00-000

   (актуальный код замены) Шестерня - Pinion

9 шт6890 руб.
1157311-91L00-000

Шестерня - Pinion (Pinion)

9 шт6890 руб.
1208211-15203-000

Шайба - Washer (Washer (15x20x2.0) ) (Washer)

под заказ260 руб.
1208211-15204-000

Шайба - Washer (Washer (15x20x2.2) ) (Washer)

9 шт220 руб.
1209160-15030-000

Шайба (15x20x1.7) - Washer (15x20x17) (Washer (15x20x1.7) ) (Washer (15x20x1.7))

11 шт190 руб.
1209160-15031-000

Шайба (15x20x1.8) - Washer (15x20x18) (Washer (15x20x1.8) ) (Washer (15x20x1.8))

под заказ190 руб.
1209160-15032-000

Шайба (15x20x1.9) - Washer (15x20x19) (Washer (15x20x1.9) ) (Washer (15x20x1.9))

под заказ190 руб.
1209160-15033-000

Шайба (15x20x2.1) - Washer (15x20x21) (Washer (15x20x2.1) ) (Washer (15x20x2.1))

под заказ190 руб.
1309159-08046-000

Гайка - Nut (Nut, pinion ) (Nut)

32 шт610 руб.
13SC-FT326

   (не оригинальный аналог) Гайка ведущей шестерни Suzuki SC-FT326

под заказ650 руб.
1409280-75002-000

Уплотнительное кольцо (d: 3.5, Id: 68.6) - O Ring (d:35, Id:686) (O Ring (d:3.5, Id:68.6))

54 шт320 руб.
14SK09280-75002

   (не оригинальный аналог) Кольцо уплотнительное обоймы гребного вала Skipper для Suzuki Модели техники: DT30HP, DF20-30HP, DF25A-30A

1 шт85 руб.
1557510-96312-000

под заказнет сведений
1557510-89J00

   (не оригинальный аналог) Шестерня переднего хода Suzuki 57510-89J00

под заказ5750 руб.
1557510-96312

   (не оригинальный аналог) Шестерня переднего хода Suzuki 57510-96312

под заказ7750 руб.
15SC-GA172

   (не оригинальный аналог) Шестерня переднего хода Suzuki SC-GA172

под заказ5210 руб.
1509181-16008-000

Регулировочная шайба (16x24x2) - Shim (16x24x2) (Shim (16x24x2))

10 шт190 руб.
1557510-91L00-000

Шестерня переднего хода - Gear, Forward (Gear, Forward)

под заказ9600 руб.
1557510-94L00-000

   (актуальный код замены) Шестерня переднего хода - Gear, Forward

8 шт11480 руб.
1557510-89J00

   (не оригинальный аналог) Шестерня переднего хода Suzuki 57510-89J00

под заказ5750 руб.
1609181-16184-000

Регулировочная шайба (16x24x1.5) - Shim (16x24x15) (Washer (16x24x1.5) # <-8211-16242 ) (Shim (16x24x1.5))

под заказ230 руб.
1757631-96301-000

Тяга толкателя - Rod, Push (Rod, Push)

9 шт1130 руб.
1809209-08016-000

Штифт - Pin (Pin, push ) (Pin)

20 шт390 руб.
18SK09209-08016

   (не оригинальный аналог) Слайдер переключения передач Skipper для Suzuki DF20-30/DT20-65

0 шт209 руб.
1957621-96310-000

Переключатель собачки сцепления - Shifter, Clutch Dog (<-7621-96300) (Shifter, Clutch Dog)

под заказ4590 руб.
1957621-91L10-000

   (актуальный код замены) Переключатель собачки сцепления - Shifter, Clutch Dog

2 шт4960 руб.
19SK57621-96310

   (не оригинальный аналог) Муфта переключения передач Skipper для Suzuki DT20-DT30, DF25A-DF30A

0 шт2090 руб.
1957621-91L10-000

Переключатель собачки сцепления - Shifter, Clutch Dog (Shifter, Clutch Dog)

2 шт4960 руб.
2009202-05021-000

Штифт (5x34) - Pin (5x34) (Pin, clutch dog shifter ) (Pin (5x34))

21 шт220 руб.
2109440-35004-000

Пружина - Spring (Spring, dog ) (Spring)

2 шт160 руб.
2209440-07041-000

Пружина - Spring (Spring)

5 шт160 руб.
2357610-96310-000

Вал гребного винта - Shaft, Propeller (<-7610-96303) (Shaft, Propeller)

под заказ22080 руб.
2357610-96311-000

   (актуальный код замены) Вал гребного винта - Shaft, Propeller

8 шт22080 руб.
2357610-96311-000

Вал гребного винта - Shaft, Propeller (Shaft, Propeller)

8 шт22080 руб.
23SK57610-96311

   (не оригинальный аналог) Вал гребной Skipper для Suzuki Модели техники: DT25-30, DF25-30, DF25A-30A

0 шт5973 руб.
2408221-20256-000

Регулировочная шайба - Shim (Washer (t:0.8) ) (Shim)

под заказ120 руб.
2408211-20251-000

Шайба - Washer (Washer (t:1.0) ) (Washer)

под заказ160 руб.
2409160-20035-000

Запчасть снята с производства - The Spare Part Is Laid Off (The Spare Part Is Laid Off)

под заказ0 руб.
2409160-20036-000

Запчасть снята с производства - The Spare Part Is Laid Off (The Spare Part Is Laid Off)

под заказ0 руб.
2409160-20037-000

Запчасть снята с производства - The Spare Part Is Laid Off (The Spare Part Is Laid Off)

под заказ0 руб.
2409160-20038-000

Запчасть снята с производства - The Spare Part Is Laid Off (The Spare Part Is Laid Off)

под заказ0 руб.
2409160-20068-000

Шайба (20x25.6x1.6) - Washer (20x256x16) (Washer (20x25.6x1.6))

под заказ250 руб.
2409160-20069-000

Шайба (20x25.6x1.8) - Washer (20x256x18) (Washer (20x25.6x1.8))

13 шт250 руб.
2409160-20070-000

Шайба (20x25.6x2) - Washer (20x256x2) (Washer (20x25.6x2))

10 шт300 руб.
2409160-20071-000

Шайба (20x25.6x2.2) - Washer (20x256x22) (Washer (20x25.6x2.2))

9 шт300 руб.
2409160-20072-000

Шайба (20x25.6x2.4) - Washer (20x256x24) (Washer (20x25.6x2.4))

под заказ300 руб.
2409160-20073-000

Шайба (20x25.6x2.6) - Washer (20x256x26) (Washer (20x25.6x2.6))

3 шт300 руб.
2557521-96312-000

(<-7521-96311)

под заказнет сведений
2557521-89J00

   (не оригинальный аналог) Шестерня заднего хода Suzuki 57521-89J00

под заказ5390 руб.
2509440-07074-000

Пружина - Spring (Spring)

10 шт200 руб.
2557521-91L00-000

Шестерня обратного хода - Gear, Reverse (Gear, Reverse)

под заказ9320 руб.
2557521-94L00-000

   (актуальный код замены) Шестерня обратного хода - Gear, Reverse

6 шт11130 руб.
2557521-89J00

   (не оригинальный аналог) Шестерня заднего хода Suzuki 57521-89J00

под заказ5390 руб.
2608221-30404-000

Регулировочная шайба - Shim (Shim (30x40x0.2) ) (Shim)

под заказ170 руб.
2609181-30158-000

Регулировочная шайба (30x40x0.5) - Shim (30x40x05) (Shim (30x40x0.5) ) (Shim (30x40x0.5))

6 шт230 руб.
2609181-30162-000

Регулировочная шайба (30x40x0.8) - Shim (30x40x08) (Shim (30x40x0.8) ) (Shim (30x40x0.8))

9 шт230 руб.
2756120-96331-0ED

Корпус подшипника вала гребного винта - Housing, Propeller Sft Brg (<-6120-96330-0ED <-6120-96330-02M) (Housing, Propeller Sft Brg)

под заказ0 руб.
2756120-96332-0ED

   (актуальный код замены) Запчасть снята с производства - The Spare Part Is Laid Off

под заказ16000 руб.
2756120-96332-0ED

Корпус подшипника вала гребного винта - Housing, Propeller Sft Brg (Housing, Propeller Sft Brg)

под заказ16000 руб.
2808113-60060-000

Подшипник - Bearing (Bearing, rev gear ) (Bearing)

9 шт2350 руб.
28SK08113-60060

   (не оригинальный аналог) Подшипник шестерни заднего хода Skipper для Suzuki DT25-30, DF25-30, DF25A-30A

0 шт835 руб.
2909263-20047-000

Подшипник (20x26x20) - Bearing (20x26x20) (Bearing ) (Bearing (20x26x20))

9 шт1610 руб.
29SK09263-20047

   (не оригинальный аналог) Подшипник игольчатый гребного вала Skipper для Suzuki DT25-30, DF25-30, DF25A-30A

1 шт857 руб.
3009289-20009-000

Сальник (20x34x6.5) - Seal, Oil (20x34x65) (Seal, Oil (20x34x6.5))

347 шт660 руб.
30SK09289-20009

   (не оригинальный аналог) Сальник гребного вала Skipper для Suzuki Модели техники: DT25-30, DF25-30

0 шт140 руб.
30SC-OL016

   (не оригинальный аналог) Сальник редуктора Suzuki SC-OL016

2 шт230 руб.
3109117-06049-000

Болт (6x25) - Bolt (6x25) (Bolt (6x25) ) (Bolt (6x25))

9 шт310 руб.


Время выполнения запроса 1.5452950000763 сек.

 
 

данный сайт носит информационный характер и не является публичной офертой

склад запчастей для водомоторной техники