Подобрать оригинальные запчасти на лодочный подвесной мотор Suzuki модель 1995 года - Топливный бак
вконтакте

Контактный телефон: +7 (981) 121-46-93, +7 (800) 200-90-76 , Email: parts-katalog@yandex.ru, где купить

 
 

  Логин:

Пароль:

Регистрация

www.partskatalog.ru Все каталоги Запчасти Mercury Запчасти Suzuki Запчасти Tohatsu Запчасти Honda Контакты

назад Раздел:   вперёд

Вернуться к выбору узлов мотора


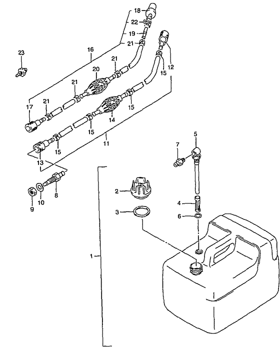
ДЕТАЛИРОВКА ДЛЯ МОДЕЛИ: SUZUKI DT25S S

Топливный бак


Год выпуска двигателя: 1995

Регион: General Export No.1 ,Код региона: P01

Цвет: California Gray Metallic

Номер на
рисунке
АртикулНаименованиеQTYКол-во
на складе
Цена
165000-99100-000

Топливный бак в сборе (12 литров) - Tank Assy, Fuel (12l) (Tank assy, fuel (12l) # Tank assy, fuel (12l); ) (Tank Assy, Fuel (12l))

под заказ15700 руб.
265520-99100-000

Крышка горловины топливного бака, в сборе - Cap Assy, Fuel Tank (Cap assy, fuel tank # Cap assy, fuel tank; ) (Cap Assy, Fuel Tank)

1 шт5480 руб.
365561-95D00-000

Прокладка крышка топливного бака - Gasket, Tank Cap (Gasket, tank cap; ) (Gasket, Tank Cap)

1 шт430 руб.
465831-95D00-000

Выходной фильтр - Filter, Outlet (Filter, outlet # Filter, outlet; ) (Filter, Outlet)

5 шт1270 руб.
565890-99100-000

выход в сборе - Outlet Assy (Outlet assy; ) (Outlet Assy)

под заказ4950 руб.
665892-95D00-000

Уплотнительное кольцо топливного выхода - O Ring, Fuel Outlet (O-ring, fuel outlet ) (O Ring, Fuel Outlet)

под заказ440 руб.
765740-99100-000

Разъем топливного коннектора - Plug, Fuel Connector (Plug, Fuel Connector)

8 шт3530 руб.
7SF80210-3

   (не оригинальный аналог) Адаптер топливный SUNFINE тип Suzuki, Mercury, Tohatsu 65740-99100

под заказ1270 руб.
865720-98520-000

Разъем топливного коннектора - Plug, Fuel Connector (Plug, fuel connector;) (Plug, Fuel Connector)

под заказ3170 руб.
865720-985L1-000

   (актуальный код замены) Разъем топливного коннектора - Plug, Fuel Connector

5 шт3950 руб.
8SK65720-98520

   (не оригинальный аналог) Коннектор топливный Skipper для Suzuki DT2-65, DF9.9-15 "папа", 6 мм

0 шт836 руб.
8SF80210-1

   (не оригинальный аналог) Адаптер топливный SUNFINE тип Suzuki, 7.5мм, 6720-98521

под заказ1270 руб.
865720-985L1-000

Разъем топливного коннектора - Plug, Fuel Connector (Plug, Fuel Connector)

5 шт3950 руб.
909140-12038-000

Гайка - Nut (Dt25k, for gasoline ) (Nut)

9 шт240 руб.
1008321-01127-000

Шайба с блокировкой - Washer, Lock (Washer, Lock)

под заказ150 руб.
1165700-95D00-000

Топливный шланг (gas от бака до коннектора) - Hose, Fuel (gas Tank To Conn) (E13, l:2550, for gasoline) (Hose, Fuel (gas Tank To Conn))

под заказ14980 руб.
1165700-95D08-000

   (актуальный код замены) Топливный шланг (от бака до коннектора) - Hose, Fuel (tank To Conn)

под заказ14980 руб.
1165700-95D04-000

Топливный шланг (gas от бака до коннектора) - Hose, Fuel (gas Tank To Conn) (Hose, Fuel (gas Tank To Conn))

под заказ14980 руб.
1165700-95D08-000

   (актуальный код замены) Топливный шланг (от бака до коннектора) - Hose, Fuel (tank To Conn)

под заказ14980 руб.
1265750-98505-000

Разъём топливного шланга - Socket, Fuel Hose (Socket, fuel hose (out) # Socket, fuel hose (in); ) (Socket, Fuel Hose)

2 шт3240 руб.
1265750-98506-000

   (актуальный код замены) Разъём топливного шланга - Socket, Fuel Hose

под заказ3240 руб.
1365750-95500-000

Разъём топливного шланга - Socket, Fuel Hose (Socket, fuel hose (in) # Socket, fuel hose (out); ) (Socket, Fuel Hose)

под заказ3700 руб.
1365750-95501-000

   (актуальный код замены) Разъём топливного шланга - Socket, Fuel Hose

2 шт3700 руб.
13SF80211-4

   (не оригинальный аналог) Коннектор топливный SUNFINE тип Suzuki, Mercury, Evinrude, Tohatsu, 10мм 3GF-70281-0

под заказ1880 руб.
1465770-93903-000

Запчасть снята с производства - The Spare Part Is Laid Off (The Spare Part Is Laid Off)

под заказ0 руб.
1465770-93904-000

   (актуальный код замены) Запчасть снята с производства - The Spare Part Is Laid Off

под заказ0 руб.
1565781-98500-000

Зажим топливного шланга - Clip, Fuel Hose (Clip, Fuel Hose)

9 шт350 руб.
1665700-94411-000

Топливный шланг (gas от бака до коннектора) - Hose, Fuel (gas Tank To Conn) (E36, l:2590, for gasoline) (Hose, Fuel (gas Tank To Conn))

под заказ12440 руб.
1665700-94440-000

   (актуальный код замены) Топливный шланг (от бака до коннектора) - Hose, Fuel (tank To Conn)

под заказ12440 руб.
1665700-94416-000

Топливный шланг (gas от бака до коннектора) - Hose, Fuel (gas Tank To Conn) (Hose, Fuel (gas Tank To Conn))

под заказ12440 руб.
1665700-94440-000

   (актуальный код замены) Топливный шланг (от бака до коннектора) - Hose, Fuel (tank To Conn)

под заказ12440 руб.
1765750-95500-000

Разъём топливного шланга - Socket, Fuel Hose (Socket, fuel hose (in) # Socket, fuel hose; ) (Socket, Fuel Hose)

под заказ3700 руб.
1765750-95501-000

   (актуальный код замены) Разъём топливного шланга - Socket, Fuel Hose

2 шт3700 руб.
17SF80211-4

   (не оригинальный аналог) Коннектор топливный SUNFINE тип Suzuki, Mercury, Evinrude, Tohatsu, 10мм 3GF-70281-0

под заказ1880 руб.
1865830-95500-000

Фильтр - Filter (Filter assy, fuel hose; ) (Filter)

под заказ1180 руб.
1965842-94400-000

Фильтр топливного шланга - Tube, Fuel Filter (Tube, Fuel Filter)

под заказ600 руб.
1965842-94401-000

   (актуальный код замены) Фильтр топливного шланга - Tube, Fuel Filter

под заказ600 руб.
1965842-94401-000

Фильтр топливного шланга - Tube, Fuel Filter (Tube, Fuel Filter)

под заказ600 руб.
2065770-95504-000

Запчасть снята с производства - The Spare Part Is Laid Off (Pump, squeeze;) (The Spare Part Is Laid Off)

под заказ0 руб.
2065770-95505-000

   (актуальный код замены) Запчасть снята с производства - The Spare Part Is Laid Off

под заказ0 руб.
2165781-98500-000

Зажим топливного шланга - Clip, Fuel Hose (Clip, Fuel Hose)

9 шт350 руб.
2209401-11407-000

Зажим - Clip (Clip)

под заказ150 руб.
2365720-95511-000

Разъем топливного коннектора - Plug, Fuel Connector (Plug, fuel connector; E13, for gasoline) (Plug, Fuel Connector)

под заказ5810 руб.
2365720-955L1-000

   (актуальный код замены) Разъем топливного коннектора (gas) - Plug, Fuel Connector (gas)

под заказ5810 руб.
2365720-95512-000

Разъем топливного коннектора - Plug, Fuel Connector (Plug, Fuel Connector)

под заказ5810 руб.
2365720-955L1-000

   (актуальный код замены) Разъем топливного коннектора (gas) - Plug, Fuel Connector (gas)

под заказ5810 руб.
2365720-94401-000

Разъем топливного коннектора - Plug, Fuel Connector (Plug, fuel connector; E36, for gasoline) (Plug, Fuel Connector)

под заказ2480 руб.
2365720-94403-000

   (актуальный код замены) Разъем топливного коннектора - Plug, Fuel Connector

1 шт2480 руб.
2365720-94403-000

Разъем топливного коннектора - Plug, Fuel Connector (Plug, Fuel Connector)

1 шт2480 руб.


Время выполнения запроса 2.9121639728546 сек.

 
 

данный сайт носит информационный характер и не является публичной офертой

склад запчастей для водомоторной техники