Запчасти на подвесной мотор Сузуки DT25CS/L - Электрика
вконтакте

Контактный телефон: +7 (981) 121-46-93, +7 (800) 200-90-76 , Email: parts-katalog@yandex.ru, где купить

 
 

  Логин:

Пароль:

Регистрация

www.partskatalog.ru Все каталоги Запчасти Mercury Запчасти Suzuki Запчасти Tohatsu Запчасти Honda Контакты



УВАЖАЕМЫЕ КЛИЕНТЫ!
C 19 ДЕКАБРЯ 2025 ПО 02 МАРТА 2026 ГОДА ОТДЕЛ ЗАПЧАСТЕЙ И СЕРВИС РАБОТАТЬ НЕ БУДУТ
ПРОДАЖА ЛОДОЧНЫХ МОТОРОВ В ШТАТНОМ РЕЖИМЕ
ОБ ИЗМЕНЕНИЯХ В ГРАФИКЕ РАБОТЫ ЧИТАЙТЕ НА САЙТА



назад Раздел:   вперёд

Вернуться к выбору узлов мотора


ДЕТАЛИРОВКА ДЛЯ МОДЕЛИ: SUZUKI DT25CT(K-Y) T

Электрика


Код модели двигателя: DT25CS/L

Год выпуска двигателя: 1996

Регион: General Export No.1 ,Код региона: P01

Цвет: California Gray Metallic

Номер на
рисунке
АртикулНаименованиеQTYКол-во
на складе
Цена
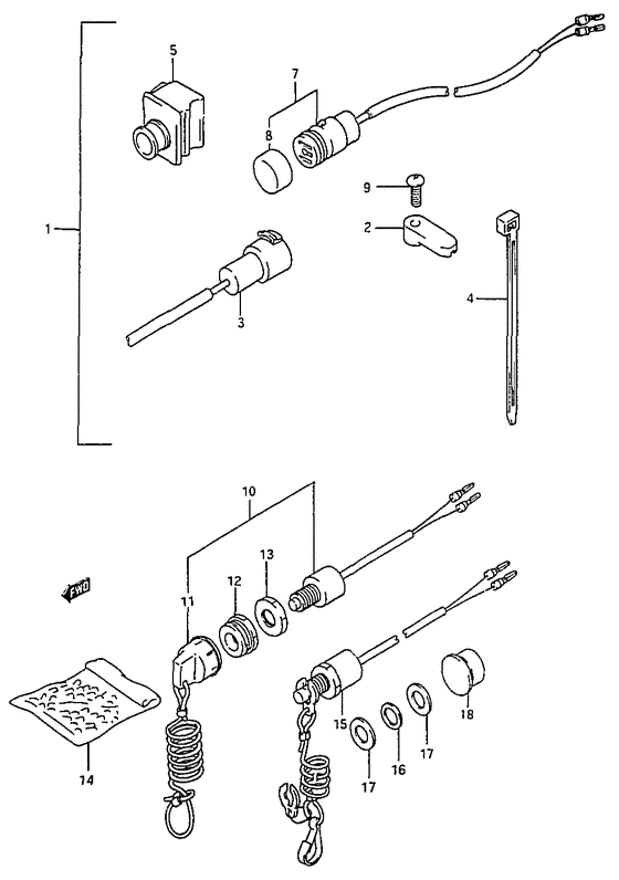
139600-95D11-000

Установочная коробка - Receptacle Set (Concent set ) (Receptacle Set)

под заказ0 руб.
233815-87D00-000

Стопор, Кабели - Stopper, Cable (Stopper, cables # Stopper, receptacle; ) (Stopper, Cable)

под заказ0 руб.
339602-93900-000

Разьем провода нагрузки - Plug Assy, Lamp Cord (Plug, lighting # Plug assy, lamp cord; ) (Plug Assy, Lamp Cord)

под заказ5000 руб.
409407-25402-000

Струбцина (l: 250) - Clamp (l:250) (Clamp, tilt sw # Clamp; ) (Clamp (l:250))

под заказ350 руб.
539603-95D01-000

Пыльник розеткиe - Grommet, Receptaclee (Grommet, receptacle # Std:dt25arc (e34) ) (Grommet, Receptaclee)

под заказ0 руб.
739601-95D00-000

Внешняя розетка - Receptacle (Receptacle assy, lighting # Receptacle assy; Std:dt25arc (e34) ) (Receptacle)

под заказ4660 руб.
739601-95D01-000

   (актуальный код замены) Внешняя розетка - Receptacle

под заказ4660 руб.
836634-93910-000

Колпачок - Cap (Cap, receptacle; Std:dt25arc (e34) ) (Cap)

под заказ340 руб.
902142-06257-000

Винт - Screw (Screw; ) (Screw)

под заказ90 руб.
1037820-94460-000

Аварийный выключатель, в сборе - Switch Assy, Emergency (Switch assy, emergency # -model:92 ) (Switch Assy, Emergency)

под заказ0 руб.
1037820-94461-000

   (актуальный код замены) Запчасть снята с производства - The Spare Part Is Laid Off

под заказ0 руб.
1137823-94400-000

Колпачок & Шнур - Cap & Rope (Cap & rope ) (Cap & Rope)

под заказ1530 руб.
1137823-94401-000

   (актуальный код замены) Колпачок & Шнур - Cap & Rope

1 шт1530 руб.
1237825-89E00-000

Запчасть снята с производства - The Spare Part Is Laid Off (The Spare Part Is Laid Off)

под заказ0 руб.
1337826-89E00-000

Запчасть снята с производства - The Spare Part Is Laid Off (The Spare Part Is Laid Off)

под заказ0 руб.
1436990-87D00-000

Клемма / Гильза Set - Terminal / Sleeve Set (Terminal & sleeve set # Terminal & sleeve set; ) (Terminal / Sleeve Set)

1 шт1720 руб.
1537830-95D00-000

Выключатель аварийной остановки двигателя - Switch Assy, Emergency & Stop (Switch assy, emergency & stop; Model:93-98) (Switch Assy, Emergency & Stop)

под заказ6340 руб.
1537830-95D04-000

   (актуальный код замены) Выключатель аварийной остановки двигателя - Switch Assy, Emergency & Stop

под заказ6340 руб.
1537830-95D03-000

Выключатель аварийной остановки двигателя - Switch Assy, Emergency & Stop (Switch Assy, Emergency & Stop)

2 шт6340 руб.
1537830-95D04-000

   (актуальный код замены) Выключатель аварийной остановки двигателя - Switch Assy, Emergency & Stop

под заказ6340 руб.
1609160-12057-000

Шайба (12.5x18x1.8) - Washer (125x18x18) (Model:93-97) (Washer (12.5x18x1.8))

под заказ190 руб.
1609160-12087-000

   (актуальный код замены) Шайба (12.5x18x1.8) - Washer (12.5x18x1.8)

под заказ190 руб.
1609160-12087-000

Шайба (12.5x18x1.8) - Washer (125x18x18) (Washer (12.5x18x1.8))

под заказ190 руб.
1609160-12087-000

Шайба (12.5x18x1.8) - Washer (125x18x18) (Model:98 ) (Washer (12.5x18x1.8))

под заказ190 руб.
1709160-12067-000

Шайба (12.5x23x1) - Washer (125x23x1) (Washer, emergency sw # Washer; Model:93-98 ) (Washer (12.5x23x1))

8 шт230 руб.
1863213-94400-000

Колпачок, Stop Переключатель - Cap, Stop Switch (Cap, stop sw; ) (Cap, Stop Switch)

под заказ910 руб.


Время выполнения запроса 0.85693502426147 сек.

 
 

данный сайт носит информационный характер и не является публичной офертой

склад запчастей для водомоторной техники