Купить оригинальные запчасти на лодочный подвесной мотор Suzuki - Fuel tank
вконтакте

Контактный телефон: +7 (981) 121-46-93, +7 (800) 200-90-76 , Email: parts-katalog@yandex.ru, где купить

 
 

  Логин:

Пароль:

Регистрация

www.partskatalog.ru Все каталоги Запчасти Mercury Запчасти Suzuki Запчасти Tohatsu Запчасти Honda Контакты



УВАЖАЕМЫЕ КЛИЕНТЫ!
C 19 ДЕКАБРЯ 2025 ПО 02 МАРТА 2026 ГОДА ОТДЕЛ ЗАПЧАСТЕЙ И СЕРВИС РАБОТАТЬ НЕ БУДУТ
ПРОДАЖА ЛОДОЧНЫХ МОТОРОВ В ШТАТНОМ РЕЖИМЕ
ОБ ИЗМЕНЕНИЯХ В ГРАФИКЕ РАБОТЫ ЧИТАЙТЕ НА САЙТА



назад Раздел:   вперёд

Вернуться к выбору узлов мотора


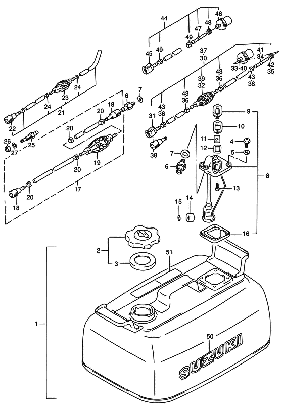
ДЕТАЛИРОВКА ДЛЯ МОДЕЛИ: SUZUKI DT25 T

Топливный бак


Год выпуска двигателя: 1996

Цвет: California Gray Metallic

Номер на
рисунке
АртикулНаименованиеQTYКол-во
на складе
Цена
165800-92813-000

Запчасть снята с производства - The Spare Part Is Laid Off (4 U.S.GAL, 3.3 IMP.GAL <-5800-92812) (The Spare Part Is Laid Off)

под заказ0 руб.
165800-92814-000

   (актуальный код замены) Запчасть снята с производства - The Spare Part Is Laid Off

под заказ0 руб.
265510-92D00-000

Крышка горловины топливного бака, в сборе - Cap Assy, Fuel Tank (Cap assy, separate tank ) (Cap Assy, Fuel Tank)

под заказ0 руб.
365561-92D00-000

Прокладка - Gasket (Gasket, tank cap ) (Gasket)

под заказ0 руб.
402112-16167-000

Винт - Screw (Screw)

под заказ190 руб.
509168-06004-000

Прокладка (6.2x11x1.2) - Gasket (62x11x12) (Washer (6x11.8x1.5) # MODEL:88 ) (Gasket (6.2x11x1.2))

под заказ120 руб.
509168-06026-000

Прокладка (6.4x11.5x0.8) - Gasket (64x115x08) (MODEL:89~92 ) (Gasket (6.4x11.5x0.8))

под заказ240 руб.
665740-95500-000

Разъем топливного коннектора - Plug, Fuel Connector (Connector, fuel # OD:13 ) (Plug, Fuel Connector)

под заказ2720 руб.
665740-95501-000

   (актуальный код замены) Разъем топливного коннектора - Plug, Fuel Connector

под заказ2720 руб.
709168-12001-000

Прокладка (12.5x20x1) - Gasket (125x20x1) (Gasket # MODEL:88 ) (Gasket (12.5x20x1))

под заказ220 руб.
709168-12015-000

Прокладка (12.2x21x0.8) - Gasket (122x21x08) (MODEL:89~92) (Gasket (12.2x21x0.8))

под заказ350 руб.
709168-12015-XC0

   (актуальный код замены) Прокладка (12.2x21x0.8) - Gasket (12.2x21x0.8)

под заказ350 руб.
709168-12015-XC0

Прокладка (12.2x21x0.8) - Gasket (122x21x08) (Gasket (12.2x21x0.8))

под заказ350 руб.
865850-92D51-000

Прибор - измеритель уровня топлива - Gauge Assy, Fuel (<-5850-92D50 ) (Gauge Assy, Fuel)

под заказ7540 руб.
865850-92D52-000

   (актуальный код замены) Прибор - измеритель уровня топлива - Gauge Assy, Fuel

под заказ7540 руб.
965855-92D00-000

Запчасть снята с производства - The Spare Part Is Laid Off (MODEL:88) (The Spare Part Is Laid Off)

под заказ0 руб.
965855-92D10-000

Крышка прибора - Cover, Gauge (MODEL:89~92 ) (Cover, Gauge)

под заказ0 руб.
1065854-92D10-000

Запчасть снята с производства - The Spare Part Is Laid Off (MODEL:88) (The Spare Part Is Laid Off)

под заказ0 руб.
1065854-92D20-000

Прокладка - Gasket (MODEL:89~92 ) (Gasket)

под заказ0 руб.
1165853-92D00-000

Lens - Lens (Lens)

под заказ0 руб.
1265854-92D00-000

Запчасть снята с производства - The Spare Part Is Laid Off (MODEL:88) (The Spare Part Is Laid Off)

под заказ0 руб.
1265854-92D30-000

Запчасть снята с производства - The Spare Part Is Laid Off (MODEL:89~92) (The Spare Part Is Laid Off)

под заказ0 руб.
1303222-04083-000

Винт - Screw (Screw)

под заказ140 руб.
1303221-0408A-000

   (актуальный код замены) Винт - Screw

под заказ140 руб.
1303221-0408A-000

Винт - Screw (Screw)

под заказ140 руб.
1465864-92D00-000

Запчасть снята с производства - The Spare Part Is Laid Off (The Spare Part Is Laid Off)

под заказ0 руб.
1565866-92D00-000

Push Гайка - Push Nut (Nut, push ) (Push Nut)

под заказ0 руб.
1665871-92D00-000

Прокладка, Fuel Gauge - Gasket, Fuel Gauge (Gasket, Fuel Gauge)

под заказ660 руб.
1765700-95516-000

Топливный шланг (от бака до коннектораector) - Hose, Fuel (tank To Connector) (<-5700-95515) (Hose, Fuel (tank To Connector))

под заказ30720 руб.
1765700-955A3-000

   (актуальный код замены) Шланг Comp, Fuel (от бака до коннектора) - Hose Comp, Fuel (tank To Conn)

под заказ30720 руб.
1765700-955A0-000

Топливный шланг (от бака до коннектораector) - Hose, Fuel (tank To Connector) (Hose, Fuel (tank To Connector))

под заказ30720 руб.
1765700-955A3-000

   (актуальный код замены) Шланг Comp, Fuel (от бака до коннектора) - Hose Comp, Fuel (tank To Conn)

под заказ30720 руб.
1865750-95500-000

Разъём топливного шланга - Socket, Fuel Hose (Socket, fuel hose (in) # <-5750-95510 ) (Socket, Fuel Hose)

под заказ3700 руб.
1865750-95501-000

   (актуальный код замены) Разъём топливного шланга - Socket, Fuel Hose

2 шт3700 руб.
18SF80211-4

   (не оригинальный аналог) Коннектор топливный SUNFINE тип Suzuki, Mercury, Evinrude, Tohatsu, 10мм 3GF-70281-0

под заказ1880 руб.
1965770-95504-000

Запчасть снята с производства - The Spare Part Is Laid Off (<-5770-95503) (The Spare Part Is Laid Off)

под заказ0 руб.
1965770-95505-000

   (актуальный код замены) Запчасть снята с производства - The Spare Part Is Laid Off

под заказ0 руб.
2065781-98500-000

Зажим топливного шланга - Clip, Fuel Hose (Clip, Fuel Hose)

9 шт350 руб.
2165700-93914-000

Запчасть снята с производства - The Spare Part Is Laid Off (E36, <-5700-93913) (The Spare Part Is Laid Off)

под заказ0 руб.
2265750-95500-000

Разъём топливного шланга - Socket, Fuel Hose (Socket, fuel hose (in) # E36 ) (Socket, Fuel Hose)

под заказ3700 руб.
2265750-95501-000

   (актуальный код замены) Разъём топливного шланга - Socket, Fuel Hose

2 шт3700 руб.
22SF80211-4

   (не оригинальный аналог) Коннектор топливный SUNFINE тип Suzuki, Mercury, Evinrude, Tohatsu, 10мм 3GF-70281-0

под заказ1880 руб.
2365770-93903-000

Запчасть снята с производства - The Spare Part Is Laid Off (E36, <-5770-93902) (The Spare Part Is Laid Off)

под заказ0 руб.
2365770-93904-000

   (актуальный код замены) Запчасть снята с производства - The Spare Part Is Laid Off

под заказ0 руб.
2465781-98500-000

Зажим топливного шланга - Clip, Fuel Hose (E36 ) (Clip, Fuel Hose)

9 шт350 руб.
2565720-95511-000

Разъем топливного коннектора - Plug, Fuel Connector (OD:13) (Plug, Fuel Connector)

под заказ5810 руб.
2565720-955L1-000

   (актуальный код замены) Разъем топливного коннектора (gas) - Plug, Fuel Connector (gas)

под заказ5810 руб.
2565720-95512-000

Разъем топливного коннектора - Plug, Fuel Connector (Plug, Fuel Connector)

под заказ5810 руб.
2565720-955L1-000

   (актуальный код замены) Разъем топливного коннектора (gas) - Plug, Fuel Connector (gas)

под заказ5810 руб.
2608310-00127-000

Гайка - Nut (Nut)

под заказ190 руб.
2708321-01127-000

Шайба с блокировкой - Washer, Lock (Washer, Lock)

под заказ150 руб.
3065700-87D40-000

Запчасть снята с производства - The Spare Part Is Laid Off (MODEL:91, 92/E13, E40, L:2600) (The Spare Part Is Laid Off)

под заказ0 руб.
3165750-94404-000

Разъём топливного шланга - Socket, Fuel Hose (Connector, fuel # MODEL:91, 92/E13, E40 <-5750-94403 ) (Socket, Fuel Hose)

1 шт2130 руб.
3265770-95504-000

Запчасть снята с производства - The Spare Part Is Laid Off (MODEL:91, 92/E13, E40) (The Spare Part Is Laid Off)

под заказ0 руб.
3265770-95505-000

   (актуальный код замены) Запчасть снята с производства - The Spare Part Is Laid Off

под заказ0 руб.
3365830-95500-000

Фильтр - Filter (MODEL:91, 92/E13, E40 ) (Filter)

под заказ1180 руб.
3465842-94400-000

Фильтр топливного шланга - Tube, Fuel Filter (MODEL:91, 92/E13, E40) (Tube, Fuel Filter)

под заказ600 руб.
3465842-94401-000

   (актуальный код замены) Фильтр топливного шланга - Tube, Fuel Filter

под заказ600 руб.
3465842-94401-000

Фильтр топливного шланга - Tube, Fuel Filter (Tube, Fuel Filter)

под заказ600 руб.
3509401-11407-000

Зажим - Clip (MODEL:91, 92/E13, E40 ) (Clip)

под заказ150 руб.
3665781-98500-000

Зажим топливного шланга - Clip, Fuel Hose (MODEL:91, 92/E13, E40 ) (Clip, Fuel Hose)

9 шт350 руб.
3765700-94411-000

Топливный шланг (gas от бака до коннектора) - Hose, Fuel (gas Tank To Conn) (FOR KEROSENE, MODEL:91, 92 E13, E36, L:3100) (Hose, Fuel (gas Tank To Conn))

под заказ12440 руб.
3765700-94440-000

   (актуальный код замены) Топливный шланг (от бака до коннектора) - Hose, Fuel (tank To Conn)

под заказ12440 руб.
3765700-94416-000

Топливный шланг (gas от бака до коннектора) - Hose, Fuel (gas Tank To Conn) (Hose, Fuel (gas Tank To Conn))

под заказ12440 руб.
3765700-94440-000

   (актуальный код замены) Топливный шланг (от бака до коннектора) - Hose, Fuel (tank To Conn)

под заказ12440 руб.
3865750-95500-000

Разъём топливного шланга - Socket, Fuel Hose (Socket, fuel hose (in) # FOR KEROSENE, MODEL:91, 92 E13, E36, <-5750-95510 ) (Socket, Fuel Hose)

под заказ3700 руб.
3865750-95501-000

   (актуальный код замены) Разъём топливного шланга - Socket, Fuel Hose

2 шт3700 руб.
38SF80211-4

   (не оригинальный аналог) Коннектор топливный SUNFINE тип Suzuki, Mercury, Evinrude, Tohatsu, 10мм 3GF-70281-0

под заказ1880 руб.
3965770-95504-000

Запчасть снята с производства - The Spare Part Is Laid Off (FOR KEROSENE, MODEL:91, 92 E13, E36) (The Spare Part Is Laid Off)

под заказ0 руб.
3965770-95505-000

   (актуальный код замены) Запчасть снята с производства - The Spare Part Is Laid Off

под заказ0 руб.
4065830-95500-000

Фильтр - Filter (FOR KEROSENE, MODEL:91, 92 E13, E36 ) (Filter)

под заказ1180 руб.
4165842-94400-000

Фильтр топливного шланга - Tube, Fuel Filter (FOR KEROSENE, MODEL:91, 92 E13, E36) (Tube, Fuel Filter)

под заказ600 руб.
4165842-94401-000

   (актуальный код замены) Фильтр топливного шланга - Tube, Fuel Filter

под заказ600 руб.
4165842-94401-000

Фильтр топливного шланга - Tube, Fuel Filter (Tube, Fuel Filter)

под заказ600 руб.
4209401-11407-000

Зажим - Clip (FOR KEROSENE, MODEL:91, 92 E13, E36 ) (Clip)

под заказ150 руб.
4365781-98500-000

Зажим топливного шланга - Clip, Fuel Hose (FOR KEROSENE, MODEL:91, 92 E13, E36 ) (Clip, Fuel Hose)

9 шт350 руб.
4465700-94420-000

Топливный шланг (krsn) - Hose, Fuel (krsn) (FOR KEROSENE, MODEL:91, 92 E13, E36, L:3100 ->5700-94430) (Hose, Fuel (krsn))

под заказ9320 руб.
4465700-94433-000

   (актуальный код замены) Топливный шланг (krsn) - Hose, Fuel (krsn)

под заказ9320 руб.
4465700-94433-000

Топливный шланг (krsn) - Hose, Fuel (krsn) (Hose, Fuel (krsn))

под заказ9320 руб.
4565750-94404-000

Разъём топливного шланга - Socket, Fuel Hose (Connector, fuel # FOR KEROSENE, MODEL:91, 92 E13, E36 ) (Socket, Fuel Hose)

1 шт2130 руб.
4665830-95500-000

Фильтр - Filter (FOR KEROSENE, MODEL:91, 92 E13, E36 ) (Filter)

под заказ1180 руб.
4765842-94400-000

Фильтр топливного шланга - Tube, Fuel Filter (FOR KEROSENE, MODEL:91, 92 E13, E36) (Tube, Fuel Filter)

под заказ600 руб.
4765842-94401-000

   (актуальный код замены) Фильтр топливного шланга - Tube, Fuel Filter

под заказ600 руб.
4765842-94401-000

Фильтр топливного шланга - Tube, Fuel Filter (Tube, Fuel Filter)

под заказ600 руб.
4809401-11407-000

Зажим - Clip (FOR KEROSENE, MODEL:91, 92 E13, E36 ) (Clip)

под заказ150 руб.
4965781-98500-000

Зажим топливного шланга - Clip, Fuel Hose (FOR KEROSENE, MODEL:91, 92 E13, E36 ) (Clip, Fuel Hose)

9 шт350 руб.
5061441-98500-000

Маркировка, Ornament - Mark, Ornament (Mark, Ornament)

под заказ0 руб.
5165317-98520-000

Маркировка, Fuel Колпачокacity (15l) - Mark, Fuel Capacity (15l) (Mark, fuel capacity (15l) ) (Mark, Fuel Capacity (15l))

под заказ0 руб.


Время выполнения запроса 1.7541718482971 сек.

 
 

данный сайт носит информационный характер и не является публичной офертой

склад запчастей для водомоторной техники