| |
 |
|
 |
Вернуться к выбору узлов мотора
ДЕТАЛИРОВКА ДЛЯ МОДЕЛИ: SUZUKI DT25KW W
Электрика
Год выпуска двигателя: 1998
Регион: General Export No.1 ,Код региона: P01
Цвет: California Gray Metallic
Номер на рисунке | Артикул | Наименование | QTY | Кол-во на складе | Цена |
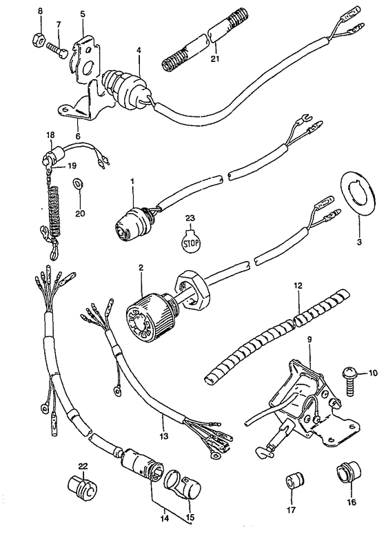
| 1 | 37800-93954-000 | Переключатель в сборе, Stop - Switch Assy, Stop (Switch assy, stop # Switch, stop; dt25k, -model:00, dt20/25 e13, e36, -model:97, dt30 e13, -model:95 ) (Switch Assy, Stop) | | под заказ | 2760 руб. |
| 1 | 37800-93955-000 | (актуальный код замены) Переключатель в сборе, Stop - Switch Assy, Stop | | под заказ | 2760 руб. |
| 2 | 37160-96322-000 | Переключатель в сборе, Start - Switch Assy, Start (Switch, start ) (Switch Assy, Start) | | под заказ | 4080 руб. |
| 4 | 37721-96354-000 | Выключатель нейтрали, в сборе - Switch Assy, Neutral (Switch assy, neutral # Switch, neutral; ) (Switch Assy, Neutral) | | под заказ | 3650 руб. |
| 5 | 37725-95300-000 | Пускатель переключателя нейтрали - Actuator, Neutral Switch (Actuator, neutral sw # Actuator, neutral switch; ) (Actuator, Neutral Switch) | | под заказ | 710 руб. |
| 5 | 37725-94302-000 | Пускатель переключателя нейтрали - Actuator, Neutral Switch (Actuator, neutral sw # Actuator, neutral switch; Model:96-00 ) (Actuator, Neutral Switch) | | 1 шт | 520 руб. |
| 6 | 37726-96302-000 | Кронштейн переключателя нейтрали - Bracket, Neutral Switch (Bracket, neutral switch ) (Bracket, Neutral Switch) | | под заказ | 470 руб. |
| 6 | 37726-96303-000 | (актуальный код замены) Кронштейн переключателя нейтрали - Bracket, Neutral Switch | | 4 шт | 470 руб. |
| 7 | 09100-05104-000 | Болт (5x20) - Bolt (5x20) (Bolt (5x20) # Bolt (5x20); ) (Bolt (5x20)) | | под заказ | 120 руб. |
| 8 | 09140-05005-000 | Гайка - Nut (Nut) | | 10 шт | 270 руб. |
| 9 | 38600-96301-000 | Соленоид заслонки - Solenoid Assy, Choke (Solenoid, choke # Solenoid, choke; Opt, std:dt20r/30r ) (Solenoid Assy, Choke) | | под заказ | 9360 руб. |
| 10 | 02112-35127-000 | Винт - Screw (Screw, counting # Bolt (5x12); ) (Screw) | | под заказ | 120 руб. |
| 12 | 38423-95510-000 | Трубка провода переключателя (l: 250) - Tube, Switch Lead (l:250) (Tube, wiring harness (l:150); L:150->50) (Tube, Switch Lead (l:250)) | | под заказ | 610 руб. |
| 12 | 33833-91J00-000 | (актуальный код замены) Трубка провода переключателя (l: 250) - Tube, Switch Lead (l:250) | | под заказ | 610 руб. |
| 12 | 33833-91J00-000 | Трубка провода переключателя (l: 250) - Tube, Switch Lead (l:250) (Tube, Switch Lead (l:250)) | | под заказ | 610 руб. |
| 13 | 36630-96311-000 | Жгут проводов, WiКольцо Remocon (l: 660) - Harness, Wiring Remocon (l:660) (Wiring harness, remo-con, 1 # Wiring harness, remo-con, 1; Dt20r/30r, ) (Harness, Wiring Remocon (l:660)) | | под заказ | 3460 руб. |
| 13 | 36630-96312-000 | (актуальный код замены) Жгут проводов Comp, Wrg R / con (l: 660) - Harness Comp, Wrg R/con (l:660) | | под заказ | 3460 руб. |
| 14 | 36630-96321-000 | Жгут проводов, WiКольцо Remocon (l: 820) - Harness, Wiring Remocon (l:820) (Wiring harness, remo-con, 2 # Wiring harness, remo-con, 2; Dt20r/30r ) (Harness, Wiring Remocon (l:820)) | | под заказ | 8210 руб. |
| 15 | 36631-94300-000 | Колпачок на дистанционное управление Жгут проводов - Cap, Remote Control Harness (Dt20r/30r ) (Cap, Remote Control Harness) | | под заказ | 390 руб. |
| 16 | 36612-94301-000 | Пыльник, Жгут проводов Коннектор - Grommet, Harness Connector (Grommet, cable no.1 # Grommet, cable no.1; Dt20r/30r, -model:97 ) (Grommet, Harness Connector) | | под заказ | 500 руб. |
| 17 | 36613-94300-000 | Пыльник кабеля (no.2) - Grommet, Cable (no2) (Grommet, cable no.2 # Grommet, cable no.2; Dt20r/30r, -model:97 ) (Grommet, Cable (no.2)) | | под заказ | 430 руб. |
| 18 | 37830-95D00-000 | Выключатель аварийной остановки двигателя - Switch Assy, Emergency & Stop (Switch, emergency & stop; Model:93-00) (Switch Assy, Emergency & Stop) | | под заказ | 6340 руб. |
| 18 | 37830-95D04-000 | (актуальный код замены) Выключатель аварийной остановки двигателя - Switch Assy, Emergency & Stop | | под заказ | 6340 руб. |
| 18 | 37830-95D03-000 | Выключатель аварийной остановки двигателя - Switch Assy, Emergency & Stop (Switch Assy, Emergency & Stop) | | 2 шт | 6340 руб. |
| 18 | 37830-95D04-000 | (актуальный код замены) Выключатель аварийной остановки двигателя - Switch Assy, Emergency & Stop | | под заказ | 6340 руб. |
| 19 | 37823-92E00-000 | Пластина блокировки аварийного выключателя - Plate Assy, Emergency Sw Lock (Plate, lock; Model:93-00) (Plate Assy, Emergency Sw Lock) | | под заказ | 2570 руб. |
| 19 | 37823-92E02-000 | (актуальный код замены) Пластина блокировки аварийного выключателя - Plate Assy, Emergency Sw Lock | | 3 шт | 2770 руб. |
| 19 | 37823-92E01-000 | Пластина блокировки аварийного выключателя - Plate Assy, Emergency Sw Lock (Plate Assy, Emergency Sw Lock) | | под заказ | 2570 руб. |
| 19 | 37823-92E02-000 | (актуальный код замены) Пластина блокировки аварийного выключателя - Plate Assy, Emergency Sw Lock | | 3 шт | 2770 руб. |
| 20 | 09160-12067-000 | Шайба (12.5x23x1) - Washer (125x23x1) (Washer, emergency sw # Washer; Model:93-00 ) (Washer (12.5x23x1)) | | 8 шт | 230 руб. |
| 21 | 33446-98E20-000 | Защита (l: 500) - Protector (l:500) (Tube, high tension cord # Tube (l:500); Model:94-00, l:500->100 ) (Protector (l:500)) | | под заказ | 370 руб. |
| 22 | 36612-93900-000 | Пыльник - Grommet (Grommet, remocon harness # Dt20r/30r, model:98-00 ) (Grommet) | | под заказ | 570 руб. |
| 23 | 37835-95D00-000 | Наклейка СТОП - Label, Stop (Label, Stop) | | под заказ | 130 руб. |
| 23 | 37835-91J00-YAY | (актуальный код замены) Наклейка СТОП - Label, Stop | | под заказ | 130 руб. |
Время выполнения запроса 0.92912077903748 сек. |
|