| |
 |
|
 |
Вернуться к выбору узлов мотора
ДЕТАЛИРОВКА ДЛЯ МОДЕЛИ: SUZUKI DT25CX(K-Y) X
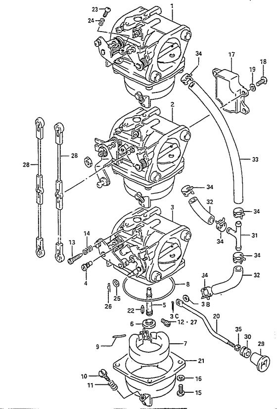
Карбюратор
Код модели двигателя: DT25CS/L
Год выпуска двигателя: 1999
Регион: General Export No.1 ,Код региона: P01
Цвет: California Gray Metallic
Номер на рисунке | Артикул | Наименование | QTY | Кол-во на складе | Цена |
| 1 | 13201-95D30-000 | Запчасть снята с производства - The Spare Part Is Laid Off (Model:88, 89) (The Spare Part Is Laid Off) | | под заказ | 0 руб. |
| 1 | 13201-95D81-000 | Карбюратор в сборе, Top - Carburetor Assy, Top (Carburetor assy, top # Model:90-00, ) (Carburetor Assy, Top) | | под заказ | 0 руб. |
| 2 | 13202-95D30-000 | Запчасть снята с производства - The Spare Part Is Laid Off (Model:88, 89) (The Spare Part Is Laid Off) | | под заказ | 0 руб. |
| 2 | 13202-95D81-000 | Запчасть снята с производства - The Spare Part Is Laid Off (Model:90-00) (The Spare Part Is Laid Off) | | под заказ | 0 руб. |
| 3 | 13203-95D30-000 | Запчасть снята с производства - The Spare Part Is Laid Off (Model:88, 89) (The Spare Part Is Laid Off) | | под заказ | 0 руб. |
| 3 | 13203-95D82-000 | Карбюратор в сборе, 3rd - Carburetor Assy, 3rd (Model:90-99) (Carburetor Assy, 3rd) | | под заказ | 43680 руб. |
| 3 | 13203-95D83-000 | (актуальный код замены) Карбюратор в сборе, 3rd - Carburetor Assy, 3rd | | под заказ | 43680 руб. |
| 3 | 13203-95D83-000 | Карбюратор в сборе, 3rd - Carburetor Assy, 3rd (Carburetor assy, 3rd ) (Carburetor Assy, 3rd) | | под заказ | 43680 руб. |
| 3 | 13203-95D83-000 | Карбюратор в сборе, 3rd - Carburetor Assy, 3rd (Carburetor assy, 3rd # Model:00 ) (Carburetor Assy, 3rd) | | под заказ | 43680 руб. |
| 3 | 13445-14A00-000 | Прокладка - Gasket (Gasket # Model:97-00 ) (Gasket) | | под заказ | 240 руб. |
| 3 | 13591-93100-000 | Штифт - Pin (Model:97-00 ) (Pin) | | под заказ | 0 руб. |
| 4 | 09492-70001-000 | Контрольная форсунка (70) - Jet, Pilot (70) (Jet, pilot (70) # Jet, pilot (70); Model:88, 89 ) (Jet, Pilot (70)) | | 1 шт | 630 руб. |
| 4 | 09492-62001-000 | Контрольная форсунка (62.5) - Jet, Pilot (625) (Jet, pilot (62.5) # Jet, pilot (62.5); Model:90-00 ) (Jet, Pilot (62.5)) | | 1 шт | 0 руб. |
| 5 | 13235-95D20-000 | Главная форсунка - Nozzle, Main (Nozzle, main ) (Nozzle, Main) | | под заказ | 2790 руб. |
| 6 | 13239-95D00-000 | Колпачок, Главная форсунка - Cap, Main Nozzle (Cap, Main Nozzle) | | под заказ | 650 руб. |
| 7 | 13250-95D01-000 | Поплавок - Float (Float) | | 1 шт | 3720 руб. |
| 8 | 13251-95D00-000 | Прокладка поплавковой камеры - Gasket, Float Cahmber (Gasket, float chamber ) (Gasket, Float Cahmber) | | под заказ | 1070 руб. |
| 9 | 13254-98300-000 | Стопор поплавка - Pin, Float (Pin, float # Pin, float; ) (Pin, Float) | | под заказ | 240 руб. |
| 10 | 13616-93900-000 | Регулятор - Adjuster (Adjuster) | | под заказ | 1180 руб. |
| 11 | 13268-96111-000 | Пружина, Дроссель Винт - Spring, Throttle Screw (Spring, throttle screw ) (Spring, Throttle Screw) | | под заказ | 350 руб. |
| 12 | 09491-26016-000 | Главная форсунка (130) - Jet, Main (130) (Jet, main (#130) # Jet, main (130); Model:88, 89, ) (Jet, Main (130)) | | 5 шт | 1220 руб. |
| 12 | 09491-25014-000 | Главная форсунка (125) - Jet, Main (125) (Jet, main 125 # Jet, main (125); Model:90, 91 ) (Jet, Main (125)) | | 2 шт | 1110 руб. |
| 12 | 09491-24026-000 | Главная форсунка (120) - Jet, Main (120) (Jet, main (120); Model:92-00, ) (Jet, Main (120)) | | под заказ | 1460 руб. |
| 13 | 13279-90000-000 | Регулятор - Adjuster (-model:89 ) (Adjuster) | | под заказ | 600 руб. |
| 13 | 13269-98100-000 | Винт контроля воздуха - Screw, Pilot Air (Screw, pilot # Model:90-00 ) (Screw, Pilot Air) | | под заказ | 620 руб. |
| 14 | 13268-96111-000 | Пружина, Дроссель Винт - Spring, Throttle Screw (Spring, throttle screw ) (Spring, Throttle Screw) | | под заказ | 350 руб. |
| 15 | 02112-05127-000 | Винт - Screw (Screw, vacuum sw valve ) (Screw) | | 31 шт | 150 руб. |
| 16 | 08321-01057-000 | Шайба с блокировкой - Washer, Lock (Washer, Lock) | | под заказ | 140 руб. |
| 16 | 08321-0105A-000 | (актуальный код замены) Шайба с блокировкой - Washer, Lock | | под заказ | 140 руб. |
| 16 | 08321-0105A-000 | Шайба с блокировкой - Washer, Lock (Washer, Lock) | | под заказ | 140 руб. |
| 17 | 37810-95D05-000 | Датчик, Клапан дросселя - Sensor, Throttle Valve (Sensor assy, throttle valve # For 2nd carb, ) (Sensor, Throttle Valve) | | под заказ | 0 руб. |
| 18 | 02112-04107-000 | Винт - Screw (Screw) | | под заказ | 120 руб. |
| 19 | 08321-01043-000 | Шайба с блокировкой - Washer, Lock (Washer, Lock) | | под заказ | 140 руб. |
| 19 | 08321-0104A-000 | (актуальный код замены) Шайба с блокировкой - Washer, Lock | | под заказ | 140 руб. |
| 19 | 08321-0104A-000 | Шайба с блокировкой - Washer, Lock (Washer, Lock) | | под заказ | 140 руб. |
| 20 | 13413-95D00-000 | Тяга дросселя - Rod, Choke (Rod, choke; ) (Rod, Choke) | | под заказ | 0 руб. |
| 20 | 13413-95D10-000 | Запчасть снята с производства - The Spare Part Is Laid Off (Rod, choke; Model:97-00) (The Spare Part Is Laid Off) | | под заказ | 0 руб. |
| 21 | 13245-95D00-000 | Поплавок, Chamber - Float, Chamber (Froat chamber # Froat chamber; ) (Float, Chamber) | | под заказ | 0 руб. |
| 22 | 13371-95D00-000 | Игольчатый клапан - Valve, Needle (Model:88-90 ) (Valve, Needle) | | под заказ | 0 руб. |
| 22 | 13370-95D00-000 | Игольчатый клапан, в сборе - Valve Assy, Needle (Valve assy, needle # Model:91-00 ) (Valve Assy, Needle) | | 2 шт | 5960 руб. |
| 23 | 13534-95D00-000 | Винт - Screw (Screw) | | под заказ | 470 руб. |
| 24 | 13268-96111-000 | Пружина, Дроссель Винт - Spring, Throttle Screw (Spring, throttle screw ) (Spring, Throttle Screw) | | под заказ | 350 руб. |
| 25 | 13432-33110-000 | Шайба - Washer (Ring, friction # Washer; ) (Washer) | | под заказ | 380 руб. |
| 26 | 13464-96350-000 | Стопор пружины - Spring Pin (Spring pin; ) (Spring Pin) | | под заказ | 150 руб. |
| 27 | 09491-26016-000 | Главная форсунка (130) - Jet, Main (130) (Jet, main (#130) # Jet, main (130); Opt ) (Jet, Main (130)) | | 5 шт | 1220 руб. |
| 27 | 09491-24026-000 | Главная форсунка (120) - Jet, Main (120) (Jet, main (120); Opt, ) (Jet, Main (120)) | | под заказ | 1460 руб. |
| 27 | 09491-23012-000 | Главная форсунка (115) - Jet, Main (115) (Jet, main (#115) # Jet, main (115); Opt ) (Jet, Main (115)) | | под заказ | 970 руб. |
| 28 | 13510-95D00-000 | Тяга управления дросселем - Rod, Throttle Control (Rod, throttle control ) (Rod, Throttle Control) | | под заказ | 0 руб. |
| 29 | 13631-93501-000 | Рукоятка стартера - Knob, Starter (Knob, starter; ) (Knob, Starter) | | 2 шт | 460 руб. |
| 30 | 09320-04009-000 | Втулка - Bush (Bush) | | под заказ | 160 руб. |
| 30 | 09320-04013-000 | (актуальный код замены) Подушка, Muf Cov - Cushion, Muf Cov | | под заказ | 160 руб. |
| 31 | 09367-06002-000 | Соединитель тройника - Joint, 3 Way (3 way # 3-way; ) (Joint, 3 Way) | | под заказ | 220 руб. |
| 32 | 09352-50903-600 | Шланг (5x9x600) - Hose (5x9x600) (Hose (carb to 3-way); L:600->40 ) (Hose (5x9x600)) | | под заказ | 570 руб. |
| 32 | 09352-50006-600 | (актуальный код замены) Шланг (5x9x600) - Hose (5x9x600) | | 1 шт | 570 руб. |
| 33 | 09352-50903-600 | Шланг (5x9x600) - Hose (5x9x600) (Hose (3-way to carb); L:600->140 ) (Hose (5x9x600)) | | под заказ | 570 руб. |
| 33 | 09352-50006-600 | (актуальный код замены) Шланг (5x9x600) - Hose (5x9x600) | | 1 шт | 570 руб. |
| 34 | 09401-08411-000 | Зажим - Clip (Clip) | | 8 шт | 130 руб. |
| 35 | 09140-04007-000 | Гайка - Nut (Nut) | | под заказ | 170 руб. |
| 36 | 13910-95D00-000 | Ремкомплект карбюратора - Repair Kit, Carburetor (Repair kit, carburetor # Opt, not shown ) (Repair Kit, Carburetor) | | под заказ | 9360 руб. |
Время выполнения запроса 2.6988089084625 сек. |
|