Найти запчасти на мотор Suzuki DT25CS/L - Tiller handle
вконтакте

Контактный телефон: +7 (981) 121-46-93, +7 (800) 200-90-76 , Email: parts-katalog@yandex.ru, где купить

 
 

  Логин:

Пароль:

Регистрация

www.partskatalog.ru Все каталоги Запчасти Mercury Запчасти Suzuki Запчасти Tohatsu Запчасти Honda Контакты



УВАЖАЕМЫЕ КЛИЕНТЫ!
C 19 ДЕКАБРЯ 2025 ПО 02 МАРТА 2026 ГОДА ОТДЕЛ ЗАПЧАСТЕЙ И СЕРВИС РАБОТАТЬ НЕ БУДУТ
ПРОДАЖА ЛОДОЧНЫХ МОТОРОВ В ШТАТНОМ РЕЖИМЕ
ОБ ИЗМЕНЕНИЯХ В ГРАФИКЕ РАБОТЫ ЧИТАЙТЕ НА САЙТА



назад Раздел:   вперёд

Вернуться к выбору узлов мотора


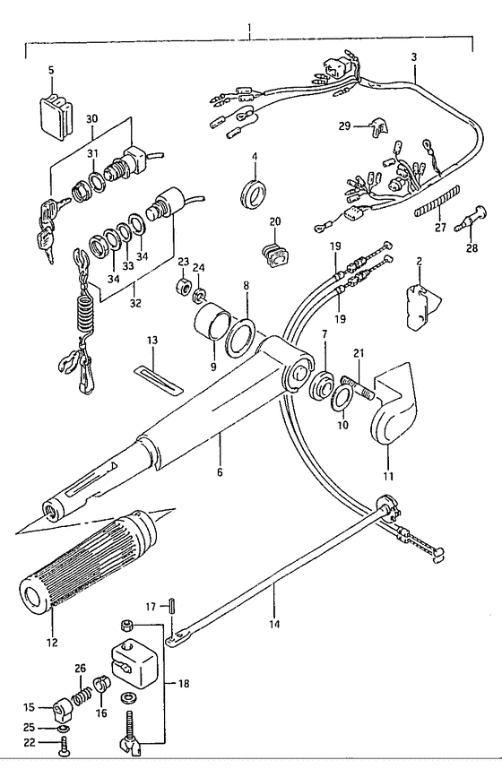
ДЕТАЛИРОВКА ДЛЯ МОДЕЛИ: SUZUKI DT25CY(K-Y) Y

Румпель


Код модели двигателя: DT25CS/L

Год выпуска двигателя: 2000

Регион: General Export No.1 ,Код региона: P01

Цвет: California Gray Metallic

Номер на
рисунке
АртикулНаименованиеQTYКол-во
на складе
Цена
163001-95D41-0ED

Румпель в сборе - Tiller Handle Assy (Tiller handle assy (gray) # Tiller handle assy (gray); ) (Tiller Handle Assy)

под заказ0 руб.
163001-95D70-0ED

Запчасть снята с производства - The Spare Part Is Laid Off (Tiller handle assy (gray); Model:96-00) (The Spare Part Is Laid Off)

под заказ0 руб.
219184-95D01-000

Кронштейн тросика газа - Bracket, Throttle Cable (Bracket, throttle cable ) (Bracket, Throttle Cable)

под заказ0 руб.
336610-95DC0-000

Запчасть снята с производства - The Spare Part Is Laid Off (The Spare Part Is Laid Off)

под заказ0 руб.
443753-94400-000

Пыльник, Кронштейн рулевого управления - Grommet, Steering Bracket (Grommet, steering brkt;) (Grommet, Steering Bracket)

под заказ0 руб.
561124-95D01-000

Пыльник кабеля - Grommet, Cable (Grommet, Cable)

под заказ0 руб.
663111-96321-0ED

Ручка румпеля (gray) - Handle, Tiller (gray) (Handle, tiller (gray);) (Handle, Tiller (gray))

под заказ0 руб.
663111-96322-0ED

   (актуальный код замены) Запчасть снята с производства - The Spare Part Is Laid Off

под заказ0 руб.
663111-96322-0ED

Ручка румпеля (gray) - Handle, Tiller (gray) (Handle, Tiller (gray))

под заказ0 руб.
763114-94300-000

Прокладка крышки румпеля - Spacer, Handle Cover (Spacer, handle cover # Spacer, handle cover; ) (Spacer, Handle Cover)

под заказ680 руб.
763114-95L00-000

   (актуальный код замены) Прокладка крышки румпеля - Spacer, Handle Cover

7 шт800 руб.
863115-96310-000

Прокладка внутри крышки румпеля - Spacer, Handle Cover Inside (Spacer, handle cover inside # Spacer, handle cover inside; ) (Spacer, Handle Cover Inside)

5 шт690 руб.
963116-96301-000

Втулка ручки румпеля - Bush, Tiller Handle (Bush, tiller handle ) (Bush, Tiller Handle)

под заказ560 руб.
1063118-94300-000

Регулировочная шайба (0.3) - Shim (03) (Shim (13.2x31x0.3) # Shim, tiller handle (t:0.3); ) (Shim (0.3))

4 шт370 руб.
1063118-94310-000

Регулировочная шайба (0.5) - Shim (05) (Shim (0.5) # Shim, tiller handle (t:0.5); ) (Shim (0.5))

14 шт570 руб.
1163121-96320-0ED

Запчасть снята с производства - The Spare Part Is Laid Off (Cover, tiller handle (gray);) (The Spare Part Is Laid Off)

под заказ0 руб.
1163121-96400-0ED

Крышка румпеля - Cover, Tiller Handle (Cover, tiller handle (gray); Model:95-00) (Cover, Tiller Handle)

под заказ0 руб.
1163121-96401-0ED

   (актуальный код замены) Запчасть снята с производства - The Spare Part Is Laid Off

под заказ0 руб.
1163121-96401-0ED

Крышка румпеля - Cover, Tiller Handle (Cover, Tiller Handle)

под заказ0 руб.
1263210-93E30-000

Рукоятка румпеля - Grip, Handle (Grip, handle ) (Grip, Handle)

1 шт3390 руб.
1363215-93110-000

Маркировка ручки румпеля - Mark, Handle Grip (Mark, handle grip ) (Mark, Handle Grip)

под заказ320 руб.
1463220-96301-000

Тяга румпеля - Rod, Handle (Rod, Handle)

под заказ2980 руб.
1463220-96302-000

   (актуальный код замены) Тяга румпеля - Rod, Handle

под заказ2980 руб.
1463220-96302-000

Тяга румпеля - Rod, Handle (Rod, Handle)

под заказ2980 руб.
14SK63220-96302

   (не оригинальный аналог) Вал румпеля Skipper для Suzuki DT9,9-DT40

0 шт1247 руб.
1563223-92D00-000

Стопор тяги румпеля - Stopper, Handle Rod (Stopper, handle rod # Stopper, handle rod; ) (Stopper, Handle Rod)

под заказ430 руб.
1663225-93200-000

Втулка тяги румпеля - Bush, Handle Rod (Bush, handle rod # Bush, handle rod; ) (Bush, Handle Rod)

14 шт480 руб.
1763227-93200-000

Штифт, Handle Тяга - Pin, Handle Rod (Pin, handle rod # Pin, handle rod; ) (Pin, Handle Rod)

под заказ220 руб.
1863240-97E00-000

Регулировка румпеля (комплект) Рукоятка - Adjuster Set, Handle Grip (Adjuster Set, Handle Grip)

под заказ2600 руб.
1863240-97E20-000

   (актуальный код замены) Регулировка румпеля (комплект) Рукоятка - Adjuster Set, Handle Grip

под заказ2600 руб.
1863240-97E20-000

Регулировка румпеля (комплект) Рукоятка - Adjuster Set, Handle Grip (Adjuster Set, Handle Grip)

под заказ2600 руб.
1963610-95D02-000

Тросик дросселя, в сборе - Cable Assy, Throttle (Cable, throttle ) (Cable Assy, Throttle)

под заказ0 руб.
2063625-94430-000

Пыльник тросика дросселя - Grommet, Throttle Cable (Grommet, Throttle Cable)

под заказ280 руб.
2063625-96301-000

   (актуальный код замены) Пыльник тросика дросселя - Grommet, Throttle Cable

под заказ280 руб.
2063625-96300-000

Пыльник тросика дросселя - Grommet, Throttle Cable (Grommet, throttle cable ) (Grommet, Throttle Cable)

под заказ280 руб.
2063625-96301-000

   (актуальный код замены) Пыльник тросика дросселя - Grommet, Throttle Cable

под заказ280 руб.
2109108-08219-000

Болт под шпильку - Bolt, Stud (Bolt, Stud)

под заказ650 руб.
2209126-06015-000

Винт (6x23) - Screw (6x23) (Screw (6x23))

6 шт190 руб.
2309140-08016-000

Гайка - Nut (Nut, handle cover;) (Nut)

под заказ190 руб.
2309140-08023-XC0

Гайка - Nut (Nut)

14 шт190 руб.
2409162-08007-000

Шайба с блокировкой - Washer, Lock (Lock washer # Washer, handle cover; ) (Washer, Lock)

под заказ160 руб.
2509163-06001-000

Шайба с блокировкой - Washer, Lock (Washer, handle grip screw; ) (Washer, Lock)

13 шт120 руб.
2609440-12027-000

Пружина - Spring (Spring, handle rod; ) (Spring)

12 шт170 руб.
2738423-95510-000

Трубка провода переключателя (l: 250) - Tube, Switch Lead (l:250) (Tube, sw lead; L:150->100) (Tube, Switch Lead (l:250))

под заказ610 руб.
2733833-91J00-000

   (актуальный код замены) Трубка провода переключателя (l: 250) - Tube, Switch Lead (l:250)

под заказ610 руб.
2733833-91J00-000

Трубка провода переключателя (l: 250) - Tube, Switch Lead (l:250) (Tube, Switch Lead (l:250))

под заказ610 руб.
2836615-96300-000

Клемма - Terminal (Terminal; ) (Terminal)

под заказ120 руб.
2936641-94710-000

Стопор, Кабели - Stopper, Cable (Stopper, cable;) (Stopper, Cable)

под заказ0 руб.
3037110-95D11-000

Выключатель зажигания - Switch Assy, Ignition (Switch, ignition;) (Switch Assy, Ignition)

под заказ0 руб.
3037110-95D22-000

   (актуальный код замены) Запчасть снята с производства - The Spare Part Is Laid Off

под заказ0 руб.
3037110-95D21-000

Выключатель зажигания - Switch Assy, Ignition (Switch Assy, Ignition)

под заказ0 руб.
3037110-95D22-000

   (актуальный код замены) Запчасть снята с производства - The Spare Part Is Laid Off

под заказ0 руб.
3109160-25069-000

Шайба (25x40x1.1) - Washer (25x40x11) (Washer, ignition sw # Washer, ignition sw; ) (Washer (25x40x1.1))

под заказ370 руб.
3237820-92E00-000

Аварийный выключатель, в сборе - Switch Assy, Emergency (Switch, emergency;) (Switch Assy, Emergency)

под заказ4710 руб.
3237820-92E05-000

   (актуальный код замены) Аварийный выключатель, в сборе - Switch Assy, Emergency

1 шт4710 руб.
3237820-92E04-000

Аварийный выключатель, в сборе - Switch Assy, Emergency (Switch Assy, Emergency)

под заказ4710 руб.
3237820-92E05-000

   (актуальный код замены) Аварийный выключатель, в сборе - Switch Assy, Emergency

1 шт4710 руб.
3309160-12087-000

Шайба (12.5x18x1.8) - Washer (125x18x18) (Washer (12.5x18x1.8))

под заказ190 руб.
3409160-12067-000

Шайба (12.5x23x1) - Washer (125x23x1) (Washer, emergency sw # Washer, emergency sw; ) (Washer (12.5x23x1))

8 шт230 руб.


Время выполнения запроса 1.5729701519012 сек.

 
 

данный сайт носит информационный характер и не является публичной офертой

склад запчастей для водомоторной техники