| |
 |
|
 |
Вернуться к выбору узлов мотора
ДЕТАЛИРОВКА ДЛЯ МОДЕЛИ: SUZUKI DT25SK1(E1) K1
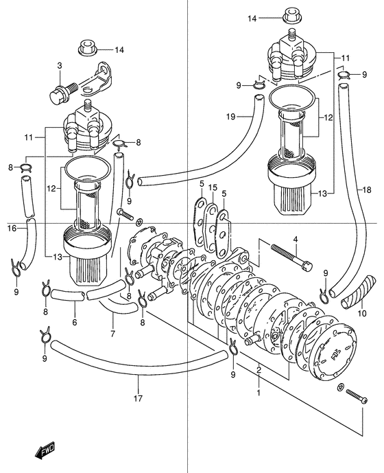
Топливный насос
Год выпуска двигателя: 2001
Регион: General Export No.1 ,Код региона: P01
Цвет: Shadow Black Metallic
Номер на рисунке | Артикул | Наименование | QTY | Кол-во на складе | Цена |
| 1 | 15100-9436V-000 | Топливный насос, в сборе - Pump Assy, Fuel (Pump Assy, Fuel) | | 2 шт | 17520 руб. |
| 1 | 15100-94362-000 | (актуальный код замены) Топливный насос, в сборе - Pump Assy, Fuel | | под заказ | 17520 руб. |
| 2 | 15170-94460-000 | Диафрагма Set, Топливный насос - Diaphragm Set, Fuel Pump (Diaphragm Set, Fuel Pump) | | под заказ | 3170 руб. |
| 2 | 15170-94461-000 | (актуальный код замены) Диафрагма Set, Топливный насос - Diaphragm Set, Fuel Pump | | под заказ | 3170 руб. |
| 3 | 01580-08207-000 | Болт - Bolt (Bolt) | | под заказ | 240 руб. |
| 4 | 01570-06307-000 | Болт - Bolt (Bolt) | | под заказ | 230 руб. |
| 4 | 01570-06257-000 | Болт - Bolt (Model:06~ ) (Bolt) | | под заказ | 190 руб. |
| 5 | 15321-99710-000 | Прокладка топливного насоса (na) - Gasket, Fuel Pump (na) (Gasket, fuel pump ) (Gasket, Fuel Pump (na)) | | 8 шт | 370 руб. |
| 5 | 15321-96300-000 | Прокладка топливного насоса - Gasket, Fuel Pump (Model:06~ ) (Gasket, Fuel Pump) | | 5 шт | 360 руб. |
| 6 | 09352-50903-600 | Шланг (5x9x600) - Hose (5x9x600) (Hose, fuel (5x9x600); Gasoline, l:600->80, pump to carb ) (Hose (5x9x600)) | | под заказ | 570 руб. |
| 6 | 09352-50006-600 | (актуальный код замены) Шланг (5x9x600) - Hose (5x9x600) | | 1 шт | 570 руб. |
| 7 | 09352-50903-600 | Шланг (5x9x600) - Hose (5x9x600) (Hose, fuel (5x9x600); Gasoline, l:600->70, filter to pump ) (Hose (5x9x600)) | | под заказ | 570 руб. |
| 7 | 09352-50006-600 | (актуальный код замены) Шланг (5x9x600) - Hose (5x9x600) | | 1 шт | 570 руб. |
| 8 | 09401-08410-000 | Зажим - Clip (Clip, fuel hose; ) (Clip) | | под заказ | 130 руб. |
| 9 | 09401-10410-000 | Зажим - Clip (Clip # Clip, fuel hose; ) (Clip) | | под заказ | 170 руб. |
| 10 | 16911-92E20-000 | Защита (9x11x540) - Protector (9x11x540) (Protector; ) (Protector (9x11x540)) | | под заказ | 810 руб. |
| 11 | 15410-94400-000 | Топливный фильтр в сборе - Filter Assy, Fuel (Filter Assy, Fuel) | | 3 шт | 2280 руб. |
| 11 | 15410-94401-000 | (актуальный код замены) Топливный фильтр в сборе - Filter Assy, Fuel | | 32 шт | 2280 руб. |
| 12 | 15430-87D10-000 | Element Set - Element Set (Element set; ) (Element Set) | | 4 шт | 1350 руб. |
| 13 | 15413-87D10-000 | Cвыше - Cup (Cup) | | под заказ | 880 руб. |
| 14 | 08316-10087-000 | Гайка - Nut (Nut) | | 14 шт | 170 руб. |
| 15 | 15322-96300-000 | Изолятор, Fuel, Помпа - Insulator, Fuel, Pump (Insulator, Fuel, Pump) | | под заказ | 1800 руб. |
| 16 | 09359-50823-600 | Шланг (5x8.2x600) - Hose (5x82x600) (Hose, fuel (conn to filter) # Hose, fuel (5x8.2x600); Gasoline, l:600->30, conn to filter ) (Hose (5x8.2x600)) | | 1 шт | 810 руб. |
| 16 | 09359-50824-600 | (актуальный код замены) Шланг (5x8.2x600) - Hose (5x8.2x600) | | 2 шт | 810 руб. |
| 17 | 09354-53103-600 | Шланг (5.3x10.5x600) - Hose (53x105x600) (Hose (conn to filter) # Hose, fuel (5.3x10.5x600); Kerosene, l:600->00, pump to carb ) (Hose (5.3x10.5x600)) | | под заказ | 1160 руб. |
| 17 | 09355-53001-600 | (актуальный код замены) Шланг (5.3x10.5x600) - Hose (5.3x10.5x600) | | под заказ | 1160 руб. |
| 18 | 09354-53103-600 | Шланг (5.3x10.5x600) - Hose (53x105x600) (Hose (conn to filter) # Hose, fuel (5.3x10.5x600); Kerosene, l:600->50, filter to pump ) (Hose (5.3x10.5x600)) | | под заказ | 1160 руб. |
| 18 | 09355-53001-600 | (актуальный код замены) Шланг (5.3x10.5x600) - Hose (5.3x10.5x600) | | под заказ | 1160 руб. |
| 19 | 09354-53103-600 | Шланг (5.3x10.5x600) - Hose (53x105x600) (Hose (conn to filter) # Hose, fuel (5.3x10.5x600); Kerosene, l:600->00, conn to filter ) (Hose (5.3x10.5x600)) | | под заказ | 1160 руб. |
| 19 | 09355-53001-600 | (актуальный код замены) Шланг (5.3x10.5x600) - Hose (5.3x10.5x600) | | под заказ | 1160 руб. |
Время выполнения запроса 2.4767270088196 сек. |
|