Номер на рисунке | Артикул | Наименование | QTY | Кол-во на складе | Цена |
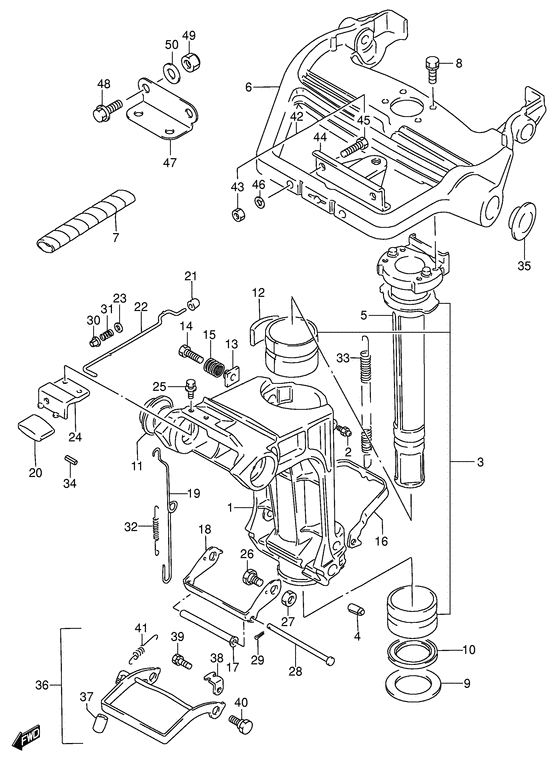
1 | 43111-96351-0ED | Поворотный кронштейн - Bracket, Swivel (Bracket, swivel (gray);) (Bracket, Swivel) | | под заказ | 0 руб. |
1 | 43111-96352-0ED | (актуальный код замены) Запчасть снята с производства - The Spare Part Is Laid Off | | под заказ | 0 руб. |
1 | 43111-96352-0ED | Поворотный кронштейн - Bracket, Swivel (Bracket, Swivel) | | под заказ | 0 руб. |
1 | 43111-96352-0EP | Поворотный кронштейн - Bracket, Swivel (Bracket, swivel (black); Model:02~ ) (Bracket, Swivel) | | под заказ | 51360 руб. |
2 | 22511-99011-000 | Ниппель смазки - Nipple, Grease (Nipple, clutch body; ) (Nipple, Grease) | | 7 шт | 400 руб. |
3 | 43710-96300-000 | Втулка рулевой системы - Bush Set, Steering (Bush Set, Steering) | | под заказ | 3170 руб. |
3 | 43710-91L00-000 | (актуальный код замены) Втулка рулевой системы - Bush Set, Steering | | 2 шт | 3830 руб. |
3 | 43710-91L00-000 | Втулка рулевой системы - Bush Set, Steering (Bush Set, Steering) | | 2 шт | 3830 руб. |
4 | 09205-06013-000 | Стопор пружины (6x16) - Pin, Spring (6x16) (Pin, Spring (6x16)) | | под заказ | 150 руб. |
5 | 43741-96304-0ED | Вал, Рулевая система (gray) - Shaft, Steering (gray) (Shaft, pilot (gray) # Shaft, pilot (gray); ) (Shaft, Steering (gray)) | | под заказ | 0 руб. |
5 | 43741-96304-0EP | Вал, Рулевая система (чёрный) - Shaft, Steering (black) (Shaft, pilot (black); Model:02~ ) (Shaft, Steering (black)) | | под заказ | 16950 руб. |
6 | 43751-96400-0ED | Запчасть снята с производства - The Spare Part Is Laid Off (Bracket, steering (gray);) (The Spare Part Is Laid Off) | | под заказ | 0 руб. |
6 | 43751-96401-0ED | (актуальный код замены) Запчасть снята с производства - The Spare Part Is Laid Off | | под заказ | 0 руб. |
6 | 43751-96401-0ED | Запчасть снята с производства - The Spare Part Is Laid Off (The Spare Part Is Laid Off) | | под заказ | 0 руб. |
6 | 43751-96401-0EP | Кронштейн рулевого управления - Bracket, Steering (Bracket, steering (black); Model:02~ ) (Bracket, Steering) | | под заказ | 34080 руб. |
7 | 43753-96310-000 | Трубка тросика дросселя - Tube, Throttle Cable (Tube, throttle cable ) (Tube, Throttle Cable) | | под заказ | 370 руб. |
8 | 09117-08074-000 | Болт (8x22) - Bolt (8x22) (Bolt (8x22);) (Bolt (8x22)) | | под заказ | 730 руб. |
8 | 09116-08149-000 | (актуальный код замены) Болт (8x22) - Bolt (8x22) | | под заказ | 730 руб. |
8 | 09116-08149-000 | Болт (8x22) - Bolt (8x22) (Bolt (8x22)) | | под заказ | 730 руб. |
9 | 09160-40005-000 | Шайба (40x58x2) - Washer (40x58x2) (Washer (40x58x2) # Washer (40x58x2); ) (Washer (40x58x2)) | | под заказ | 460 руб. |
10 | 09284-40001-000 | Сальник (40x49x4) - Seal, Oil (40x49x4) (Seal, Oil (40x49x4)) | | под заказ | 610 руб. |
11 | 09306-22004-000 | Втулка - Bush (Bush (od:40) # Bush (od:40); ) (Bush) | | 2 шт | 490 руб. |
12 | 43411-96300-000 | Регулировка рулевой системы - Adjuster, Steering (Adjuster, steering ) (Adjuster, Steering) | | 1 шт | 620 руб. |
13 | 43421-96302-000 | Втулка, Регулятор Болт - Bush, Adjuster Bolt (Bush, Adjuster Bolt) | | 1 шт | 970 руб. |
14 | 09119-08044-000 | Болт - Bolt (Bolt (8x23) # Bolt (8x23); ) (Bolt) | | под заказ | 0 руб. |
15 | 09440-12036-000 | Пружина - Spring (Spring) | | под заказ | 230 руб. |
16 | 45231-96302-000 | Рычаг блокировки реверса - Arm, Reverse Lock (Arm, reverse lock ) (Arm, Reverse Lock) | | под заказ | 1400 руб. |
17 | 45246-96302-000 | Проставка, Рычаг блокировки задней передачи - Spacer, Reverse Lock Arm (Spacer ) (Spacer, Reverse Lock Arm) | | под заказ | 380 руб. |
18 | 45241-96303-000 | Тяга рычага блокировки реверса - Link, Reverse Lock Arm (Link, reverse lock arm ) (Link, Reverse Lock Arm) | | под заказ | 1320 руб. |
19 | 45252-96303-000 | Тяга рычага блокировки - Link, Release Lever (Link, release lever ) (Link, Release Lever) | | 4 шт | 650 руб. |
20 | 45255-96302-000 | Ручка освобождающего рычага - Knob, Release Lever (Knob, release lever ) (Knob, Release Lever) | | под заказ | 610 руб. |
21 | 45257-96300-000 | Втулка рычага блокировки (swivel) - Bush, Release Lever (swivel) (Bush, release lever ) (Bush, Release Lever (swivel)) | | под заказ | 150 руб. |
22 | 45260-96300-000 | Освобождающий рычаг - Lever, Release (Lever, Release) | | под заказ | 570 руб. |
23 | 09160-04012-000 | Шайба (4.2x10x1) - Washer (42x10x1) (Washer (4.2x10x1) # Washer (4.2x10x1); ) (Washer (4.2x10x1)) | | под заказ | 120 руб. |
24 | 45311-96302-0ED | Кронштейн, Release Рычаг - Bracket, Release Lever (Bracket, release lever (gray);) (Bracket, Release Lever) | | под заказ | 4520 руб. |
24 | 45311-91L00-0ED | (актуальный код замены) Кронштейн, Release Рычаг - Bracket, Release Lever | | под заказ | 4520 руб. |
24 | 45311-91L00-0ED | Кронштейн, Release Рычаг - Bracket, Release Lever (Bracket, Release Lever) | | под заказ | 4520 руб. |
24 | 45311-96303-0EP | Кронштейн, Release Рычаг - Bracket, Release Lever (Bracket, release lever (black); Model:02~) (Bracket, Release Lever) | | под заказ | 6000 руб. |
24 | 45311-91L00-0EP | (актуальный код замены) Кронштейн, Release Рычаг - Bracket, Release Lever | | под заказ | 6000 руб. |
24 | 45311-91L00-0EP | Кронштейн, Release Рычаг - Bracket, Release Lever (Bracket, Release Lever) | | под заказ | 6000 руб. |
25 | 09116-05010-000 | Болт (5x12) - Bolt (5x12) (Bolt, trim sender cam (5x12) # Bolt (5x12); ) (Bolt (5x12)) | | 7 шт | 220 руб. |
26 | 09111-10034-000 | Болт (10x16.5) - Bolt (10x165) (Bolt (10x16.5);) (Bolt (10x16.5)) | | под заказ | 670 руб. |
26 | 09111-10066-000 | (актуальный код замены) Болт (10x16.5) - Bolt (10x16.5) | | под заказ | 670 руб. |
26 | 09111-10066-000 | Болт (10x16.5) - Bolt (10x165) (Bolt (10x16.5)) | | под заказ | 670 руб. |
27 | 09140-10032-000 | Гайка - Nut (Nut) | | под заказ | 160 руб. |
28 | 09200-05011-000 | Штифт (l: 101) - Pin (l:101) (Pin (l:101)) | | под заказ | 960 руб. |
29 | 09204-01002-000 | Штифт - Pin (Cotter pin ) (Pin) | | 24 шт | 140 руб. |
30 | 09319-04001-000 | Втулка - Bush (Bush) | | под заказ | 160 руб. |
31 | 09440-04021-000 | Пружина - Spring (Spring) | | под заказ | 120 руб. |
32 | 09443-05013-000 | Пружина - Spring (Spring) | | 10 шт | 350 руб. |
33 | 09443-09036-000 | Пружина - Spring (Spring) | | под заказ | 1180 руб. |
34 | 09205-02006-000 | Стопор пружины (2x12) - Pin, Spring (2x12) (Pin, spring ) (Pin, Spring (2x12)) | | 10 шт | 140 руб. |
35 | 09250-33001-000 | Колпачок (od: 40) - Cap (od:40) (Dt30r ) (Cap (od:40)) | | под заказ | 410 руб. |
35 | 09250-33002-000 | (актуальный код замены) Колпачок (od: 40) - Cap (od:40) | | под заказ | 410 руб. |
36 | 45700-96313-000 | Shallow Water Drive - Shallow Water Drive (Shallow drive assy ) (Shallow Water Drive) | | под заказ | 6770 руб. |
37 | 45255-95500-000 | Ручка освобождающего рычага - Knob, Release Lever (Knob, release lever ) (Knob, Release Lever) | | под заказ | 460 руб. |
38 | 45731-96312-000 | Кронштейн, Пружина - Bracket, Spring (Plate; ) (Bracket, Spring) | | под заказ | 530 руб. |
39 | 09117-06038-000 | Болт (6x16) - Bolt (6x16) (Bolt (6x16);) (Bolt (6x16)) | | под заказ | 220 руб. |
39 | 09117-06030-000 | (актуальный код замены) Болт (6x16) - Bolt (6x16) | | под заказ | 220 руб. |
39 | 09117-06030-000 | Болт (6x16) - Bolt (6x16) (Bolt (6x16) ) (Bolt (6x16)) | | под заказ | 220 руб. |
40 | 09111-10045-000 | Болт (10x20.8) - Bolt (10x208) (Bolt (10x20.8); ) (Bolt (10x20.8)) | | под заказ | 630 руб. |
41 | 09443-08031-000 | Пружина - Spring (Spring) | | под заказ | 520 руб. |
42 | 67100-96300-000 | Соединитель рулевой системы Шнур End - Attachment, Steering Rope End (Attachment set # Attachment, steering rope end; Opt ) (Attachment, Steering Rope End) | | под заказ | 15890 руб. |
43 | 09140-08023-XC0 | Гайка - Nut (Opt, ) (Nut) | | 14 шт | 190 руб. |
44 | 43755-96320-000 | Соединитель кронштейна рулевой системы - Attachment, Steering Bracket (Opt, ) (Attachment, Steering Bracket) | | 2 шт | 15510 руб. |
45 | 29101-93J00-000 | Болт - Bolt (Bolt (8x35) # Bolt (8x35); Opt ) (Bolt) | | под заказ | 650 руб. |
45 | 09100-08309-000 | (актуальный код замены) Болт (8x35) - Bolt (8x35) | | под заказ | 650 руб. |
46 | 29162-93J10-000 | Шайба (8.2x21.5x3) - Washer (82x215x3) (Lock washer (8.2x15.4x2.0) # Opt ) (Washer (8.2x21.5x3)) | | 4 шт | 130 руб. |
47 | 67110-99710-000 | Соединитель Set, Strg Шнур End - Attachment Set, Strg Rope End (Opt ) (Attachment Set, Strg Rope End) | | под заказ | 15220 руб. |
48 | 29116-93J10-000 | Болт - Bolt (Bolt (8x35) # Opt ) (Bolt) | | 4 шт | 270 руб. |
49 | 09159-08059-000 | Гайка - Nut (Nut, clutch lever # Opt ) (Nut) | | 13 шт | 390 руб. |
50 | 09160-08082-000 | Шайба (8.5x16x1.2) - Washer (85x16x12) (Opt ) (Washer (8.5x16x1.2)) | | 13 шт | 120 руб. |