Купить запчасти на двигатель SUZUKI - Swivel bracket
вконтакте

Контактный телефон: +7 (981) 121-46-93, +7 (800) 200-90-76 , Email: parts-katalog@yandex.ru, где купить

 
 

  Логин:

Пароль:

Регистрация

www.partskatalog.ru Все каталоги Запчасти Mercury Запчасти Suzuki Запчасти Tohatsu Запчасти Honda Контакты



УВАЖАЕМЫЕ КЛИЕНТЫ!
C 19 ДЕКАБРЯ 2025 ПО 02 МАРТА 2026 ГОДА ОТДЕЛ ЗАПЧАСТЕЙ И СЕРВИС РАБОТАТЬ НЕ БУДУТ
ПРОДАЖА ЛОДОЧНЫХ МОТОРОВ В ШТАТНОМ РЕЖИМЕ
ОБ ИЗМЕНЕНИЯХ В ГРАФИКЕ РАБОТЫ ЧИТАЙТЕ НА САЙТА



назад Раздел:   вперёд

Вернуться к выбору узлов мотора


ДЕТАЛИРОВКА ДЛЯ МОДЕЛИ: SUZUKI DT25KLK7(E1) K7

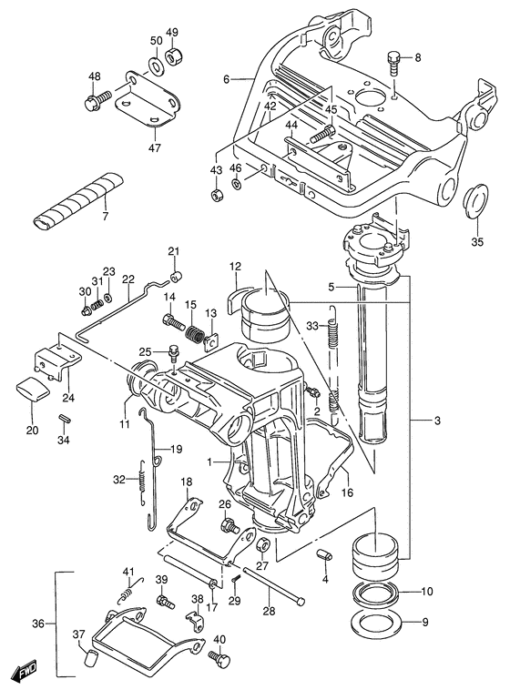
Поворотный кронштейн


Год выпуска двигателя: 2007

Регион: General Export No.1 ,Код региона: P01

Цвет: Shadow Black Metallic

Номер на
рисунке
АртикулНаименованиеQTYКол-во
на складе
Цена
143111-96351-0ED

Поворотный кронштейн - Bracket, Swivel (Bracket, swivel (gray);) (Bracket, Swivel)

под заказ0 руб.
143111-96352-0ED

   (актуальный код замены) Запчасть снята с производства - The Spare Part Is Laid Off

под заказ0 руб.
143111-96352-0ED

Поворотный кронштейн - Bracket, Swivel (Bracket, Swivel)

под заказ0 руб.
143111-96352-0EP

Поворотный кронштейн - Bracket, Swivel (Bracket, swivel (black); Model:02~ ) (Bracket, Swivel)

под заказ51360 руб.
222511-99011-000

Ниппель смазки - Nipple, Grease (Nipple, clutch body; ) (Nipple, Grease)

9 шт400 руб.
343710-96300-000

Втулка рулевой системы - Bush Set, Steering (Bush Set, Steering)

под заказ3170 руб.
343710-91L00-000

   (актуальный код замены) Втулка рулевой системы - Bush Set, Steering

2 шт3830 руб.
343710-91L00-000

Втулка рулевой системы - Bush Set, Steering (Bush Set, Steering)

2 шт3830 руб.
409205-06013-000

Стопор пружины (6x16) - Pin, Spring (6x16) (Pin, Spring (6x16))

под заказ150 руб.
543741-96304-0ED

Вал, Рулевая система (gray) - Shaft, Steering (gray) (Shaft, pilot (gray) # Shaft, pilot (gray); ) (Shaft, Steering (gray))

под заказ0 руб.
543741-96304-0EP

Вал, Рулевая система (чёрный) - Shaft, Steering (black) (Shaft, pilot (black); Model:02~ ) (Shaft, Steering (black))

под заказ16950 руб.
643751-96400-0ED

Запчасть снята с производства - The Spare Part Is Laid Off (Bracket, steering (gray);) (The Spare Part Is Laid Off)

под заказ0 руб.
643751-96401-0ED

   (актуальный код замены) Запчасть снята с производства - The Spare Part Is Laid Off

под заказ0 руб.
643751-96401-0ED

Запчасть снята с производства - The Spare Part Is Laid Off (The Spare Part Is Laid Off)

под заказ0 руб.
643751-96401-0EP

Кронштейн рулевого управления - Bracket, Steering (Bracket, steering (black); Model:02~ ) (Bracket, Steering)

под заказ34080 руб.
743753-96310-000

Трубка тросика дросселя - Tube, Throttle Cable (Tube, throttle cable ) (Tube, Throttle Cable)

под заказ370 руб.
809117-08074-000

Болт (8x22) - Bolt (8x22) (Bolt (8x22);) (Bolt (8x22))

под заказ730 руб.
809116-08149-000

   (актуальный код замены) Болт (8x22) - Bolt (8x22)

под заказ730 руб.
809116-08149-000

Болт (8x22) - Bolt (8x22) (Bolt (8x22))

под заказ730 руб.
909160-40005-000

Шайба (40x58x2) - Washer (40x58x2) (Washer (40x58x2) # Washer (40x58x2); ) (Washer (40x58x2))

под заказ460 руб.
1009284-40001-000

Сальник (40x49x4) - Seal, Oil (40x49x4) (Seal, Oil (40x49x4))

под заказ610 руб.
1109306-22004-000

Втулка - Bush (Bush (od:40) # Bush (od:40); ) (Bush)

2 шт490 руб.
1243411-96300-000

Регулировка рулевой системы - Adjuster, Steering (Adjuster, steering ) (Adjuster, Steering)

1 шт620 руб.
1343421-96302-000

Втулка, Регулятор Болт - Bush, Adjuster Bolt (Bush, Adjuster Bolt)

1 шт970 руб.
1409119-08044-000

Болт - Bolt (Bolt (8x23) # Bolt (8x23); ) (Bolt)

под заказ0 руб.
1509440-12036-000

Пружина - Spring (Spring)

под заказ230 руб.
1645231-96302-000

Рычаг блокировки реверса - Arm, Reverse Lock (Arm, reverse lock ) (Arm, Reverse Lock)

под заказ1400 руб.
1745246-96302-000

Проставка, Рычаг блокировки задней передачи - Spacer, Reverse Lock Arm (Spacer ) (Spacer, Reverse Lock Arm)

под заказ380 руб.
1845241-96303-000

Тяга рычага блокировки реверса - Link, Reverse Lock Arm (Link, reverse lock arm ) (Link, Reverse Lock Arm)

под заказ1320 руб.
1945252-96303-000

Тяга рычага блокировки - Link, Release Lever (Link, release lever ) (Link, Release Lever)

4 шт650 руб.
2045255-96302-000

Ручка освобождающего рычага - Knob, Release Lever (Knob, release lever ) (Knob, Release Lever)

под заказ610 руб.
2145257-96300-000

Втулка рычага блокировки (swivel) - Bush, Release Lever (swivel) (Bush, release lever ) (Bush, Release Lever (swivel))

под заказ150 руб.
2245260-96300-000

Освобождающий рычаг - Lever, Release (Lever, Release)

под заказ570 руб.
2309160-04012-000

Шайба (4.2x10x1) - Washer (42x10x1) (Washer (4.2x10x1) # Washer (4.2x10x1); ) (Washer (4.2x10x1))

под заказ120 руб.
2445311-96302-0ED

Кронштейн, Release Рычаг - Bracket, Release Lever (Bracket, release lever (gray);) (Bracket, Release Lever)

под заказ4520 руб.
2445311-91L00-0ED

   (актуальный код замены) Кронштейн, Release Рычаг - Bracket, Release Lever

под заказ4520 руб.
2445311-91L00-0ED

Кронштейн, Release Рычаг - Bracket, Release Lever (Bracket, Release Lever)

под заказ4520 руб.
2445311-96303-0EP

Кронштейн, Release Рычаг - Bracket, Release Lever (Bracket, release lever (black); Model:02~) (Bracket, Release Lever)

под заказ6000 руб.
2445311-91L00-0EP

   (актуальный код замены) Кронштейн, Release Рычаг - Bracket, Release Lever

под заказ6000 руб.
2445311-91L00-0EP

Кронштейн, Release Рычаг - Bracket, Release Lever (Bracket, Release Lever)

под заказ6000 руб.
2509116-05010-000

Болт (5x12) - Bolt (5x12) (Bolt, trim sender cam (5x12) # Bolt (5x12); ) (Bolt (5x12))

7 шт220 руб.
2609111-10034-000

Болт (10x16.5) - Bolt (10x165) (Bolt (10x16.5);) (Bolt (10x16.5))

под заказ670 руб.
2609111-10066-000

   (актуальный код замены) Болт (10x16.5) - Bolt (10x16.5)

под заказ670 руб.
2609111-10066-000

Болт (10x16.5) - Bolt (10x165) (Bolt (10x16.5))

под заказ670 руб.
2709140-10032-000

Гайка - Nut (Nut)

10 шт160 руб.
2809200-05011-000

Штифт (l: 101) - Pin (l:101) (Pin (l:101))

под заказ960 руб.
2909204-01002-000

Штифт - Pin (Cotter pin ) (Pin)

24 шт140 руб.
3009319-04001-000

Втулка - Bush (Bush)

под заказ160 руб.
3109440-04021-000

Пружина - Spring (Spring)

под заказ120 руб.
3209443-05013-000

Пружина - Spring (Spring)

10 шт350 руб.
3309443-09036-000

Пружина - Spring (Spring)

под заказ1180 руб.
3409205-02006-000

Стопор пружины (2x12) - Pin, Spring (2x12) (Pin, spring ) (Pin, Spring (2x12))

10 шт140 руб.
3509250-33001-000

Колпачок (od: 40) - Cap (od:40) (Dt30r ) (Cap (od:40))

под заказ410 руб.
3509250-33002-000

   (актуальный код замены) Колпачок (od: 40) - Cap (od:40)

под заказ410 руб.
3645700-96313-000

Shallow Water Drive - Shallow Water Drive (Shallow drive assy ) (Shallow Water Drive)

под заказ6770 руб.
3745255-95500-000

Ручка освобождающего рычага - Knob, Release Lever (Knob, release lever ) (Knob, Release Lever)

под заказ460 руб.
3845731-96312-000

Кронштейн, Пружина - Bracket, Spring (Plate; ) (Bracket, Spring)

под заказ530 руб.
3909117-06038-000

Болт (6x16) - Bolt (6x16) (Bolt (6x16);) (Bolt (6x16))

под заказ220 руб.
3909117-06030-000

   (актуальный код замены) Болт (6x16) - Bolt (6x16)

под заказ220 руб.
3909117-06030-000

Болт (6x16) - Bolt (6x16) (Bolt (6x16) ) (Bolt (6x16))

под заказ220 руб.
4009111-10045-000

Болт (10x20.8) - Bolt (10x208) (Bolt (10x20.8); ) (Bolt (10x20.8))

под заказ630 руб.
4109443-08031-000

Пружина - Spring (Spring)

под заказ520 руб.
4267100-96300-000

Соединитель рулевой системы Шнур End - Attachment, Steering Rope End (Attachment set # Attachment, steering rope end; Opt ) (Attachment, Steering Rope End)

под заказ15890 руб.
4309140-08023-XC0

Гайка - Nut (Opt, ) (Nut)

14 шт190 руб.
4443755-96320-000

Соединитель кронштейна рулевой системы - Attachment, Steering Bracket (Opt, ) (Attachment, Steering Bracket)

2 шт15510 руб.
4529101-93J00-000

Болт - Bolt (Bolt (8x35) # Bolt (8x35); Opt ) (Bolt)

под заказ650 руб.
4509100-08309-000

   (актуальный код замены) Болт (8x35) - Bolt (8x35)

под заказ650 руб.
4629162-93J10-000

Шайба (8.2x21.5x3) - Washer (82x215x3) (Lock washer (8.2x15.4x2.0) # Opt ) (Washer (8.2x21.5x3))

4 шт130 руб.
4767110-99710-000

Соединитель Set, Strg Шнур End - Attachment Set, Strg Rope End (Opt ) (Attachment Set, Strg Rope End)

под заказ15220 руб.
4829116-93J10-000

Болт - Bolt (Bolt (8x35) # Opt ) (Bolt)

14 шт270 руб.
4909159-08059-000

Гайка - Nut (Nut, clutch lever # Opt ) (Nut)

13 шт390 руб.
5009160-08082-000

Шайба (8.5x16x1.2) - Washer (85x16x12) (Opt ) (Washer (8.5x16x1.2))

13 шт120 руб.


Время выполнения запроса 3.6530051231384 сек.

 
 

данный сайт носит информационный характер и не является публичной офертой

склад запчастей для водомоторной техники