Купить запчасти на лодочный мотор Suzuki модель 2010 года - Опции: приборы
вконтакте

Контактный телефон: +7 (981) 121-46-93, +7 (800) 200-90-76 , Email: parts-katalog@yandex.ru, где купить

 
 

  Логин:

Пароль:

Регистрация

www.partskatalog.ru Все каталоги Запчасти Mercury Запчасти Suzuki Запчасти Tohatsu Запчасти Honda Контакты

назад Раздел:   вперёд

Вернуться к выбору узлов мотора


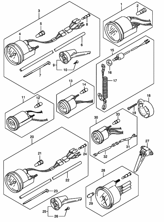
ДЕТАЛИРОВКА ДЛЯ МОДЕЛИ: SUZUKI DT25KL K10

Опции: приборы


Год выпуска двигателя: 2010

Цвет: Shadow Black Metallic

Номер на
рисунке
АртикулНаименованиеQTYКол-во
на складе
Цена
134200-92E02-000

Тахометр в сборе - Tachometer Assy (Tachometer Assy)

под заказ30240 руб.
209471-12179-000

Лампочка (12v3.4w, T10) - Bulb (12v34w, T10) (Bulb (12v3.4w, T10))

под заказ570 руб.
334102-92E10-000

Запчасть снята с производства - The Spare Part Is Laid Off (MAX 80KM/H) (The Spare Part Is Laid Off)

под заказ0 руб.
334102-92E20-000

Спидометр Set (45knot) - Speedometer Set (45knot) (MAX 45KNOTS ) (Speedometer Set (45knot))

под заказ0 руб.
434100-92E10-000

Спидометр (50m / h) - Speedometer (50m/h) (MAX 80KM/H ) (Speedometer (50m/h))

под заказ0 руб.
434100-92E20-000

Запчасть снята с производства - The Spare Part Is Laid Off (MAX 45KNOTS) (The Spare Part Is Laid Off)

под заказ0 руб.
509471-12179-000

Лампочка (12v3.4w, T10) - Bulb (12v34w, T10) (Bulb (12v3.4w, T10))

под заказ570 руб.
634191-92E00-000

Трубка - Tube (Tube)

под заказ3150 руб.
709407-14407-000

Струбцина (l: 145) - Clamp (l:145) (Band ) (Clamp (l:145))

9 шт230 руб.
836615-96300-000

Клемма - Terminal (Terminal)

под заказ120 руб.
934190-95500-000

Датчик спидометра - Sender, Speedometer (Sender, Speedometer)

под заказ8260 руб.
1003112-06303-000

Винт - Screw (Screw)

под заказ240 руб.
1003112-0630B-000

   (актуальный код замены) Винт - Screw

под заказ240 руб.
1003112-0630B-000

Винт - Screw (Screw)

под заказ240 руб.
1134500-92E00-000

Прибор - счётчик мото-часов - Meter Assy, Hour (Meter assy, hour ) (Meter Assy, Hour)

под заказ0 руб.
1134500-93J00-000

Прибор - счётчик мото-часов (чёрный) - Meter Assy, Hour (black) (BLACK, MODEL:05~ ) (Meter Assy, Hour (black))

под заказ21460 руб.
1134500-93J02-000

   (актуальный код замены) Прибор - счётчик мото-часов (чёрный) - Meter Assy, Hour (black)

под заказ21460 руб.
1134500-93J11-000

Прибор - счётчик мото-часов (белый) - Meter Assy, Hour (white) (WHITE, MODEL:05~ ) (Meter Assy, Hour (white))

под заказ21460 руб.
1134500-93J13-000

   (актуальный код замены) Прибор - счётчик мото-часов W - Meter Assy, Hour W

под заказ21460 руб.
1209471-12103-000

Лампочка (12v3w, T6.5) - Bulb (12v3w, T65) (FOR 34500-93J00 34500-93J11 ) (Bulb (12v3w, T6.5))

под заказ280 руб.
1209471-12180-000

Лампочка (12v3.4w, T6.5) - Bulb (12v34w, T65) (Bulb (12v3.4w, T6.5))

под заказ0 руб.
1334600-92E00-000

Прибор - вольтметр - Meter Assy, Voltage (Meter assy, voltage ) (Meter Assy, Voltage)

под заказ0 руб.
1334600-93J00-000

Прибор - вольтметр (чёрный) - Meter Assy, Voltage (black) (BLACK, MODEL:05~ ) (Meter Assy, Voltage (black))

под заказ14980 руб.
1334600-93J02-000

   (актуальный код замены) Прибор - вольтметр (чёрный) - Meter Assy, Voltage (black)

под заказ14980 руб.
1334600-93J11-000

Прибор - вольтметр (белый) - Meter Assy, Voltage (white) (WHITE, MODEL:05~ ) (Meter Assy, Voltage (white))

под заказ14980 руб.
1334600-93J13-000

   (актуальный код замены) Прибор - вольтметр W - Meter Assy, Voltage W

1 шт14980 руб.
1409471-12103-000

Лампочка (12v3w, T6.5) - Bulb (12v3w, T65) (FOR 34600-93J00 34600-93J11 ) (Bulb (12v3w, T6.5))

под заказ280 руб.
1409471-12180-000

Лампочка (12v3.4w, T6.5) - Bulb (12v34w, T65) (Bulb (12v3.4w, T6.5))

под заказ0 руб.
1537820-92E03-000

Аварийный выключатель, в сборе - Switch Assy, Emergency (Switch Assy, Emergency)

под заказ4710 руб.
1537820-92E05-000

   (актуальный код замены) Аварийный выключатель, в сборе - Switch Assy, Emergency

1 шт4710 руб.
1537820-92E04-000

Аварийный выключатель, в сборе - Switch Assy, Emergency (Switch Assy, Emergency)

под заказ4710 руб.
1537820-92E05-000

   (актуальный код замены) Аварийный выключатель, в сборе - Switch Assy, Emergency

1 шт4710 руб.
1637826-92E00-000

Гайка - Nut (Nut)

под заказ740 руб.
1737823-92E01-000

Пластина блокировки аварийного выключателя - Plate Assy, Emergency Sw Lock (Plate Assy, Emergency Sw Lock)

под заказ2570 руб.
1737823-92E02-000

   (актуальный код замены) Пластина блокировки аварийного выключателя - Plate Assy, Emergency Sw Lock

3 шт2770 руб.
1838500-92X50-000

Предупреждающий зуммер - Buzzer Set, Warning (Buzzer Set, Warning)

под заказ10280 руб.
1838500-92X52-000

   (актуальный код замены) Предупреждающий зуммер - Buzzer Set, Warning

под заказ10280 руб.
1902112-05207-000

Винт - Screw (Screw)

под заказ150 руб.
2034100-93J20-000

Спидометр в сборе, 80 км/ч чёрный - Speedometer Assy, 80km/h Black (MAX 80KM/H BLACK MODEL:05~ ) (Speedometer Assy, 80km/h Black)

под заказ24000 руб.
2034100-93J22-000

   (актуальный код замены) Спидометр в сборе, 80 км/ч чёрный - Speedometer Assy, 80km/h Black

под заказ24000 руб.
2034100-93J31-000

Спидометр в сборе, 80 км/ч белый - Speedometer Assy, 80km/h White (MAX 80KM/H WHITE MODEL:05~ ) (Speedometer Assy, 80km/h White)

под заказ24000 руб.
2034100-93J33-000

   (актуальный код замены) Спидометр в сборе, 50mph белый - Speedometer Assy, 50mph White

под заказ24000 руб.
2034100-93J40-000

Спидометр в сборе, мили/ч чёрный - Speedometer Assy, 45knots Black (MAX 45KNOTS BLACK MODEL:05~ ) (Speedometer Assy, 45knots Black)

под заказ24000 руб.
2034100-93J42-000

   (актуальный код замены) Спидометр в сборе, мили/ч чёрный - Speedometer Assy, 45knots Black

под заказ24000 руб.
2034100-93J51-000

Спидометр в сборе, мили/ч белый - Speedometer Assy, 45knots White (MAX 45KNOTS WHITE MODEL:05~ ) (Speedometer Assy, 45knots White)

под заказ24000 руб.
2034100-93J53-000

   (актуальный код замены) Спидометр в сборе, мили/ч белый - Speedometer Assy, 45knots White

под заказ24000 руб.
2109471-12028-000

Лампочка (12v3.4w, T10) - Bulb (12v34w, T10) (Bulb (12v3.4w, T10))

под заказ140 руб.
2234191-92E00-000

Трубка - Tube (Tube)

под заказ3150 руб.
2309407-14407-000

Струбцина (l: 145) - Clamp (l:145) (Band ) (Clamp (l:145))

9 шт230 руб.
2436615-96300-000

Клемма - Terminal (Terminal)

под заказ120 руб.
2534190-95500-000

Датчик спидометра - Sender, Speedometer (MODEL:05~ ) (Sender, Speedometer)

под заказ8260 руб.
2603112-06303-000

Винт - Screw (Screw)

под заказ240 руб.
2603112-0630B-000

   (актуальный код замены) Винт - Screw

под заказ240 руб.
2603112-0630B-000

Винт - Screw (Screw)

под заказ240 руб.
2734190-87D00-000

Датчик спидометра - Sender, Speedometer (Sender, speedometer # MODEL:05~ ) (Sender, Speedometer)

под заказ5810 руб.
2834200-93J20-000

Тахометр в сборе, B - Tachometer Assy, B (BLACK, MODEL:05~ ) (Tachometer Assy, B)

под заказ27600 руб.
2834200-93J22-000

   (актуальный код замены) Тахометр в сборе, чёрный - Tachometer Assy, Black

под заказ27600 руб.
2834200-93J31-000

Тахометр в сборе, W - Tachometer Assy, W (WKITE, MODEL:05~) (Tachometer Assy, W)

под заказ27600 руб.
2834200-93J34-000

   (актуальный код замены) Тахометр в сборе, белый - Tachometer Assy, White

под заказ27600 руб.
2834200-93J32-000

Тахометр в сборе, W - Tachometer Assy, W (Tachometer Assy, W)

под заказ27600 руб.
2834200-93J34-000

   (актуальный код замены) Тахометр в сборе, белый - Tachometer Assy, White

под заказ27600 руб.
2909471-12028-000

Лампочка (12v3.4w, T10) - Bulb (12v34w, T10) (Bulb (12v3.4w, T10))

под заказ140 руб.
3034300-93J00-000

Прибор - измеритель уровня топлива (чёрный) - Gauge Assy, Fuel (black) (BLACK, MODEL:05~ ) (Gauge Assy, Fuel (black))

2 шт30000 руб.
3034300-93J03-000

   (актуальный код замены) Прибор - измеритель уровня топлива - Gauge Assy, Fuel

под заказ24000 руб.
3034300-93J11-000

Прибор - измеритель уровня топлива (белый) - Gauge Assy, Fuel (white) (WHITE, MODEL:05~ ) (Gauge Assy, Fuel (white))

под заказ24000 руб.
3034300-93J14-000

   (актуальный код замены) Прибор - измеритель уровня топлива - Gauge Assy, Fuel

под заказ24000 руб.
3134310-92E00-000

Lead в сборе, Fuel, Gauge - Lead Assy, Fuel, Gauge (Lead Assy, Fuel, Gauge)

под заказ8640 руб.
3234360-92E00-000

Adapter Comp, Fuel Gauge - Adapter Comp, Fuel Gauge (Adapter, fuel gauge ) (Adapter Comp, Fuel Gauge)

под заказ3870 руб.
3309471-12103-000

Лампочка (12v3w, T6.5) - Bulb (12v3w, T65) (Bulb (12v3w, T6.5))

под заказ280 руб.


Время выполнения запроса 1.3003520965576 сек.

 
 

данный сайт носит информационный характер и не является публичной офертой

склад запчастей для водомоторной техники