Найти запчасти на подвесной двигатель Suzuki модель 1985 года - Кронштейн транца - Clamp bracket
вконтакте

Контактный телефон: +7 (981) 121-46-93, +7 (800) 200-90-76 , Email: parts-katalog@yandex.ru, где купить

 
 

  Логин:

Пароль:

Регистрация

www.partskatalog.ru Все каталоги Запчасти Mercury Запчасти Suzuki Запчасти Tohatsu Запчасти Honda Контакты



УВАЖАЕМЫЕ КЛИЕНТЫ!
C 19 ДЕКАБРЯ 2025 ПО 02 МАРТА 2026 ГОДА ОТДЕЛ ЗАПЧАСТЕЙ И СЕРВИС РАБОТАТЬ НЕ БУДУТ
ПРОДАЖА ЛОДОЧНЫХ МОТОРОВ В ШТАТНОМ РЕЖИМЕ
ОБ ИЗМЕНЕНИЯХ В ГРАФИКЕ РАБОТЫ ЧИТАЙТЕ НА САЙТА



назад Раздел:   вперёд

Вернуться к выбору узлов мотора


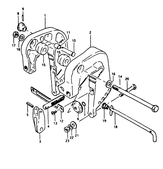
ДЕТАЛИРОВКА ДЛЯ МОДЕЛИ: SUZUKI DT28F F

Кронштейн транца


Год выпуска двигателя: 1985

Регион: Japan

Номер на
рисунке
АртикулНаименованиеQTYКол-во
на складе
Цена
141111-93003-01J

Запчасть снята с производства - The Spare Part Is Laid Off (To 41111-93004-01j) (The Spare Part Is Laid Off)

под заказ0 руб.
141110-93400-01J

   (актуальный код замены) Запчасть снята с производства - The Spare Part Is Laid Off

под заказ0 руб.
141111-93004-01J

Запчасть снята с производства - The Spare Part Is Laid Off (The Spare Part Is Laid Off)

под заказ0 руб.
141110-93400-01J

   (актуальный код замены) Запчасть снята с производства - The Spare Part Is Laid Off

под заказ0 руб.
241121-93002-01J

Запчасть снята с производства - The Spare Part Is Laid Off (To 41121-93003-01j) (The Spare Part Is Laid Off)

под заказ0 руб.
241120-93400-02M

   (актуальный код замены) Запчасть снята с производства - The Spare Part Is Laid Off

под заказ0 руб.
241121-93003-01J

Запчасть снята с производства - The Spare Part Is Laid Off (To 41121-93004-01j) (The Spare Part Is Laid Off)

под заказ0 руб.
241120-93400-02M

   (актуальный код замены) Запчасть снята с производства - The Spare Part Is Laid Off

под заказ0 руб.
341212-93000-01J

Струбцина румпеля (gray) - Handle, Clamp (gray) (Handle, Clamp (gray))

под заказ0 руб.
341212-93001-0ED

   (актуальный код замены) Запчасть снята с производства - The Spare Part Is Laid Off

под заказ0 руб.
341212-93001-0ED

Струбцина румпеля (gray) - Handle, Clamp (gray) (Handle, Clamp (gray))

под заказ0 руб.
441211-93000-000

Запчасть снята с производства - The Spare Part Is Laid Off (The Spare Part Is Laid Off)

под заказ0 руб.
509205-06007-000

Стопор пружины (6x25) - Pin, Spring (6x25) (Pin (6x27) # Pin, clamp handle; ) (Pin, Spring (6x25))

13 шт170 руб.
641213-93000-000

Запчасть снята с производства - The Spare Part Is Laid Off (The Spare Part Is Laid Off)

под заказ0 руб.
641213-93002-000

   (актуальный код замены) Запчасть снята с производства - The Spare Part Is Laid Off

под заказ0 руб.
709380-07001-000

Запчасть снята с производства - The Spare Part Is Laid Off (The Spare Part Is Laid Off)

под заказ0 руб.
841221-93001-000

Ручка, Стопор наклона - Knob, Tilt Stopper (Knob, tilt stopper # Knob, tilt stopper; ) (Knob, Tilt Stopper)

2 шт410 руб.
909205-03015-000

Стопор пружины (3x8) - Pin, Spring (3x8) (Od:3, l:18) (Pin, Spring (3x8))

под заказ130 руб.
909205-03032-000

   (актуальный код замены) Стопор пружины (3x8) - Pin, Spring (3x8)

под заказ130 руб.
909205-03032-000

Стопор пружины (3x8) - Pin, Spring (3x8) (Pin (3x8) ) (Pin, Spring (3x8))

под заказ130 руб.
1009200-12001-000

Штифт - Pin (Pin)

под заказ0 руб.
1009200-12003-000

   (актуальный код замены) Запчасть снята с производства - The Spare Part Is Laid Off

1 шт0 руб.
1009200-12003-000

Штифт - Pin (Pin, tilt stopper ) (Pin)

1 шт0 руб.
1109300-12009-000

Втулка (12x15x20) - Bush (12x15x20) (Bushing, tilt stopper pin # Bushing, tilt stopper pin; ) (Bush (12x15x20))

1 шт840 руб.
1241311-93000-000

Запчасть снята с производства - The Spare Part Is Laid Off (L:120) (The Spare Part Is Laid Off)

под заказ0 руб.
1241311-93001-000

   (актуальный код замены) Запчасть снята с производства - The Spare Part Is Laid Off

под заказ0 руб.
1309126-06001-000

Запчасть снята с производства - The Spare Part Is Laid Off (6x12) (The Spare Part Is Laid Off)

под заказ0 руб.
1409100-10086-000

Запчасть снята с производства - The Spare Part Is Laid Off (Bolt, clamp bracket; 10x175) (The Spare Part Is Laid Off)

под заказ0 руб.
1509306-11002-000

Запчасть снята с производства - The Spare Part Is Laid Off (Bushing, swivel bracket;) (The Spare Part Is Laid Off)

под заказ0 руб.
1609160-10040-000

Шайба (10.5x19x2) - Washer (105x19x2) (10.5x19x2) (Washer (10.5x19x2))

под заказ120 руб.
1609160-10082-000

   (актуальный код замены) Шайба (10.5x19x2) - Washer (10.5x19x2)

19 шт120 руб.
1609160-10082-000

Шайба (10.5x19x2) - Washer (105x19x2) (Washer ) (Washer (10.5x19x2))

19 шт120 руб.
1709159-10016-000

Гайка - Nut (Nut, clamp bracket # To 09140-10015 ) (Nut)

под заказ170 руб.
1709140-10015-000

Гайка - Nut (Nut)

под заказ160 руб.
1709140-10031-000

   (актуальный код замены) Гайка - Nut

10 шт160 руб.
1709140-10031-000

Гайка - Nut (Nut)

10 шт160 руб.
1845420-93000-000

Запчасть снята с производства - The Spare Part Is Laid Off (L:193) (The Spare Part Is Laid Off)

под заказ0 руб.
1909441-17001-000

Пружина - Spring (Spring, tilt lock pin; ) (Spring)

11 шт220 руб.
2009100-08111-000

Болт (8x90) - Bolt (8x90) (8x90) (Bolt (8x90))

под заказ420 руб.
2009100-08311-000

   (актуальный код замены) Болт (8x90) - Bolt (8x90)

8 шт420 руб.
2009100-08311-000

Болт (8x90) - Bolt (8x90) (Bolt (8x90))

8 шт420 руб.
2109160-08014-000

Шайба (8.5x23x1.5) - Washer (85x23x15) (Washer, transom; 8.5x23x1.5) (Washer (8.5x23x1.5))

под заказ210 руб.
2109160-08081-000

   (актуальный код замены) Шайба (8.5x23x1.5) - Washer (8.5x23x1.5)

4 шт210 руб.
2109160-08081-000

Шайба (8.5x23x1.5) - Washer (85x23x15) (Washer, clutch lever ) (Washer (8.5x23x1.5))

4 шт210 руб.
2209162-08003-000

Шайба с блокировкой - Washer, Lock (Washer, Lock)

под заказ160 руб.
2209162-08007-000

   (актуальный код замены) Шайба с блокировкой - Washer, Lock

под заказ160 руб.
2209162-08007-000

Шайба с блокировкой - Washer, Lock (Lock washer ) (Washer, Lock)

под заказ160 руб.
2309140-08003-000

Гайка - Nut (Nut)

под заказ190 руб.
2309140-08016-000

   (актуальный код замены) Гайка - Nut

под заказ190 руб.
2309140-08023-XC0

Гайка - Nut (Nut)

14 шт190 руб.


Время выполнения запроса 2.9213948249817 сек.

 
 

данный сайт носит информационный характер и не является публичной офертой

склад запчастей для водомоторной техники