Купить запчасти на лодочный мотор Suzuki DT30(R)S/L - Поворотный кронштейн - Swivel bracket
вконтакте

Контактный телефон: +7 (981) 121-46-93, +7 (800) 200-90-76 , Email: parts-katalog@yandex.ru, где купить

 
 

  Логин:

Пароль:

Регистрация

www.partskatalog.ru Все каталоги Запчасти Mercury Запчасти Suzuki Запчасти Tohatsu Запчасти Honda Контакты



УВАЖАЕМЫЕ КЛИЕНТЫ!
C 19 ДЕКАБРЯ 2025 ПО 02 МАРТА 2026 ГОДА ОТДЕЛ ЗАПЧАСТЕЙ И СЕРВИС РАБОТАТЬ НЕ БУДУТ
ПРОДАЖА ЛОДОЧНЫХ МОТОРОВ В ШТАТНОМ РЕЖИМЕ
ОБ ИЗМЕНЕНИЯХ В ГРАФИКЕ РАБОТЫ ЧИТАЙТЕ НА САЙТА



назад Раздел:   вперёд

Вернуться к выбору узлов мотора


ДЕТАЛИРОВКА ДЛЯ МОДЕЛИ: SUZUKI DT30/30R FROM 03005-310001~

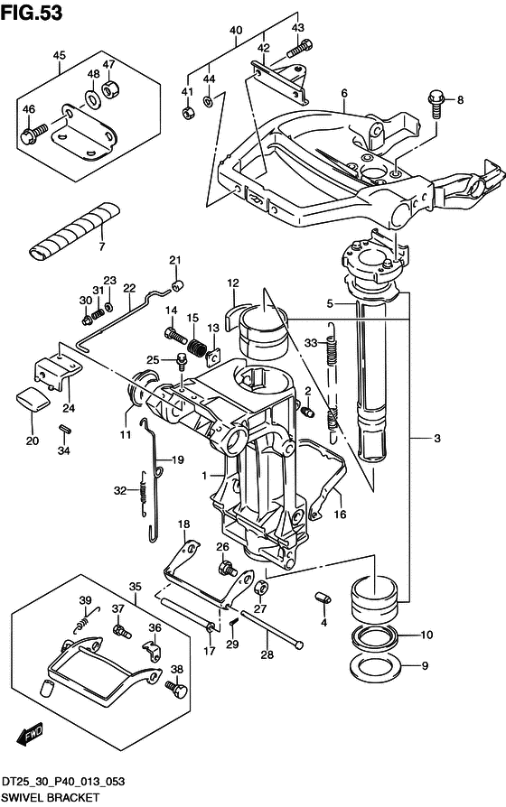
Поворотный кронштейн


Код модели двигателя: DT30(R)S/L

Год выпуска двигателя: 2013

Регион: General Export No.1 ,Код региона: P01

Цвет: Shadow Black Metallic

Номер на
рисунке
АртикулНаименованиеQTYКол-во
на складе
Цена
143111-91L01-0EP

Поворотный кронштейн - Bracket, Swivel (Bracket, Swivel)

под заказ18820 руб.
143111-91L02-0EP

   (актуальный код замены) Поворотный кронштейн - Bracket, Swivel

под заказ18820 руб.
222511-92L00-000

Ниппель смазки - Nipple, Grease (Nipple, Grease)

под заказ340 руб.
222511-99011-000

   (актуальный код замены) Ниппель смазки - Nipple, Grease

9 шт400 руб.
222511-99011-000

Ниппель смазки - Nipple, Grease (Nipple, Grease)

9 шт400 руб.
343710-96300-000

Втулка рулевой системы - Bush Set, Steering (Bush Set, Steering)

под заказ3170 руб.
343710-91L00-000

   (актуальный код замены) Втулка рулевой системы - Bush Set, Steering

2 шт3830 руб.
343710-91L00-000

Втулка рулевой системы - Bush Set, Steering (Bush Set, Steering)

2 шт3830 руб.
409205-06013-000

Стопор пружины (6x16) - Pin, Spring (6x16) (Pin, Spring (6x16))

под заказ150 руб.
543741-91L00-0EP

Вал, Pilot - Shaft, Pilot (Shaft, Pilot)

под заказ14930 руб.
643751-91L00-0EP

Кронштейн рулевого управления - Bracket, Steering (Bracket, Steering)

под заказ18920 руб.
743753-96310-000

Трубка тросика дросселя - Tube, Throttle Cable (Tube, throttle cable ) (Tube, Throttle Cable)

под заказ370 руб.
809116-08149-000

Болт (8x22) - Bolt (8x22) (Bolt (8x22))

под заказ730 руб.
909160-40005-000

Шайба (40x58x2) - Washer (40x58x2) (Washer (40x58x2) ) (Washer (40x58x2))

под заказ460 руб.
1009284-40001-000

Сальник (40x49x4) - Seal, Oil (40x49x4) (Seal, Oil (40x49x4))

под заказ610 руб.
1109306-22004-000

Втулка - Bush (Bush (od:40) ) (Bush)

2 шт490 руб.
1243411-96300-000

Регулировка рулевой системы - Adjuster, Steering (Adjuster, steering ) (Adjuster, Steering)

1 шт620 руб.
1343421-91L00-000

Втулка, Регулятор Болт - Bush, Adjuster Bolt (Bush, Adjuster Bolt)

под заказ1140 руб.
1409119-08104-000

Болт (8x23) - Bolt (8x23) (Bolt (8x23))

под заказ650 руб.
1509440-12036-000

Пружина - Spring (Spring)

под заказ230 руб.
1645231-91L00-000

Рычаг блокировки реверса - Arm, Reverse Lock (Arm, Reverse Lock)

под заказ5520 руб.
1745246-91L00-000

Проставка, Рычаг блокировки задней передачи - Spacer, Reverse Lock Arm (Spacer, Reverse Lock Arm)

под заказ290 руб.
1845241-91L00-000

Тяга рычага блокировки реверса - Link, Reverse Lock Arm (Link, Reverse Lock Arm)

под заказ4900 руб.
1945252-91L00-000

Тяга рычага блокировки - Link, Release Lever (Link, Release Lever)

под заказ790 руб.
2045255-96302-000

Ручка освобождающего рычага - Knob, Release Lever (Knob, release lever ) (Knob, Release Lever)

под заказ610 руб.
2145257-96300-000

Втулка рычага блокировки (swivel) - Bush, Release Lever (swivel) (Bush, release lever ) (Bush, Release Lever (swivel))

под заказ150 руб.
2245260-96300-000

Освобождающий рычаг - Lever, Release (Lever, Release)

под заказ570 руб.
2309160-04012-000

Шайба (4.2x10x1) - Washer (42x10x1) (Washer (4.2x10x1) ) (Washer (4.2x10x1))

под заказ120 руб.
2445311-96303-0EP

Кронштейн, Release Рычаг - Bracket, Release Lever (Bracket, Release Lever)

под заказ6000 руб.
2445311-91L00-0EP

   (актуальный код замены) Кронштейн, Release Рычаг - Bracket, Release Lever

под заказ6000 руб.
2445311-91L00-0EP

Кронштейн, Release Рычаг - Bracket, Release Lever (Bracket, Release Lever)

под заказ6000 руб.
2509116-05010-000

Болт (5x12) - Bolt (5x12) (Bolt, trim sender cam (5x12) ) (Bolt (5x12))

7 шт220 руб.
2609111-10066-000

Болт (10x16.5) - Bolt (10x165) (Bolt (10x16.5))

под заказ670 руб.
2709140-10032-000

Гайка - Nut (Nut)

10 шт160 руб.
2809200-05011-000

Штифт (l: 101) - Pin (l:101) (Pin (l:101))

под заказ960 руб.
2909204-01002-000

Штифт - Pin (Cotter pin ) (Pin)

24 шт140 руб.
3009319-04001-000

Втулка - Bush (Bush)

под заказ160 руб.
3109440-04021-000

Пружина - Spring (Spring)

под заказ120 руб.
3209443-05013-000

Пружина - Spring (Spring)

10 шт350 руб.
3309443-09036-000

Пружина - Spring (Spring)

под заказ1180 руб.
3409205-02006-000

Стопор пружины (2x12) - Pin, Spring (2x12) (Pin, spring ) (Pin, Spring (2x12))

10 шт140 руб.
3545700-91L10-000

Рычаг в сборе, Shallow Water Drive - Arm Assy, Shallow Water Drive (Arm Assy, Shallow Water Drive)

под заказ8210 руб.
3645731-96312-000

Кронштейн, Пружина - Bracket, Spring (Bracket, Spring)

под заказ530 руб.
3709116-06225-000

Болт (6x15) - Bolt (6x15) (Bolt (6x15))

6 шт250 руб.
3809111-10067-000

Болт (10x20.5) - Bolt (10x205) (Bolt (10x20.5))

2 шт430 руб.
3909443-08031-000

Пружина - Spring (Spring)

под заказ520 руб.
4067100-96300-000

Соединитель рулевой системы Шнур End - Attachment, Steering Rope End (Attachment set # OPT ) (Attachment, Steering Rope End)

под заказ15890 руб.
4109140-08023-XC0

Гайка - Nut (OPT ) (Nut)

14 шт190 руб.
4243755-96320-000

Соединитель кронштейна рулевой системы - Attachment, Steering Bracket (OPT ) (Attachment, Steering Bracket)

2 шт15510 руб.
4329101-93J00-000

Болт - Bolt (Bolt (8x35) # OPT ) (Bolt)

под заказ650 руб.
4309100-08309-000

   (актуальный код замены) Болт (8x35) - Bolt (8x35)

под заказ650 руб.
4429162-93J10-000

Шайба (8.2x21.5x3) - Washer (82x215x3) (Lock washer (8.2x15.4x2.0) # OPT ) (Washer (8.2x21.5x3))

4 шт130 руб.
4567110-99710-000

Соединитель Set, Strg Шнур End - Attachment Set, Strg Rope End (OPT ) (Attachment Set, Strg Rope End)

под заказ15220 руб.
4629116-93J10-000

Болт - Bolt (Bolt (8x35) # OPT ) (Bolt)

14 шт270 руб.
4709159-08059-000

Гайка - Nut (Nut, clutch lever # OPT ) (Nut)

13 шт390 руб.
4809160-08082-000

Шайба (8.5x16x1.2) - Washer (85x16x12) (OPT ) (Washer (8.5x16x1.2))

13 шт120 руб.


Время выполнения запроса 2.3365530967712 сек.

 
 

данный сайт носит информационный характер и не является публичной офертой

склад запчастей для водомоторной техники