| |
 |
|
 |
Вернуться к выбору узлов мотора
ДЕТАЛИРОВКА ДЛЯ МОДЕЛИ: SUZUKI DT30L FROM 03004-110001~
Опции : remocon parts
Код модели двигателя: DT30(R)S/L/LL/XL
Год выпуска двигателя: 2011
Регион: General Export No.1 ,Код региона: P01
Цвет: Shadow Black Metallic
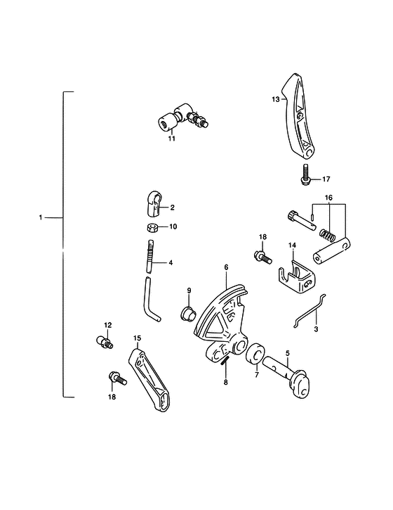
Номер на рисунке | Артикул | Наименование | QTY | Кол-во на складе | Цена |
| 1 | 67130-96360-000 | Комплект для установки дистанционного управления - Parts Set, Remocon (Parts Set, Remocon) | | 2 шт | 17430 руб. |
| 2 | 19131-95502-000 | Коннектор - Connector (Connector, oil pump no.2 ) (Connector) | | 21 шт | 530 руб. |
| 3 | 19654-96300-000 | Тяга (Кулачок сцепления Пластина-nsi Lvr) - Rod (clutch Cam Plate-nsi Lvr) (Rod (clutch Cam Plate-nsi Lvr)) | | под заказ | 450 руб. |
| 4 | 19656-96300-000 | Тяга (limiter-th Рычаг) - Rod (limiter-th Lever) (Rod (limiter-th Lever)) | | под заказ | 460 руб. |
| 5 | 19720-96302-000 | Вал дроселя тросика ДУ - Shaft, Remocon Throttle (Shaft, Remocon Throttle) | | под заказ | 3820 руб. |
| 5 | 19720-91L00-000 | (актуальный код замены) Вал дроселя тросика ДУ - Shaft, Remocon Throttle | | под заказ | 3820 руб. |
| 5 | 19720-91L00-000 | Вал дроселя тросика ДУ - Shaft, Remocon Throttle (Shaft, Remocon Throttle) | | под заказ | 3820 руб. |
| 6 | 19811-96302-000 | Ограничитель дросселя - Limiter, Throttle (Limitter, throttle ) (Limiter, Throttle) | | 2 шт | 2350 руб. |
| 7 | 19859-94300-000 | Проставка, Nsi - Spacer, Nsi (Spacer, nsi ) (Spacer, Nsi) | | под заказ | 220 руб. |
| 8 | 09205-04002-000 | Стопор пружины (4x20) - Pin, Spring (4x20) (Pin, clutch lever ) (Pin, Spring (4x20)) | | 48 шт | 150 руб. |
| 9 | 09306-10001-000 | Втулка - Bush (Bush, clutch lever ) (Bush) | | 10 шт | 360 руб. |
| 10 | 09140-05005-000 | Гайка - Nut (Nut) | | 10 шт | 270 руб. |
| 11 | 67431-93701-000 | Направляющая, Тросик дросселя - Guide, Throttle Cable (Guide, throttle cable ) (Guide, Throttle Cable) | | под заказ | 3770 руб. |
| 12 | 09119-06047-000 | Стержень - Pivot (Pivot, ball ) (Pivot) | | 21 шт | 520 руб. |
| 13 | 21111-96302-0ED | Рычаг сцепления - Lever, Clutch (Lever, Clutch) | | под заказ | 3100 руб. |
| 13 | 21111-96303-0ED | (актуальный код замены) Рычаг сцепления - Lever, Clutch | | 1 шт | 3100 руб. |
| 13 | 21111-96303-0ED | Рычаг сцепления - Lever, Clutch (Lever, Clutch) | | 1 шт | 3100 руб. |
| 14 | 67341-94302-000 | Держатель кабеля дистанционного управления - Holder, Remocon Cable (Holder, remo-con cable ) (Holder, Remocon Cable) | | 6 шт | 1660 руб. |
| 15 | 67414-94301-0ED | Рычаг дистанционного управления дросселем - Lever, Remocon Throttle (Lever, Remocon Throttle) | | под заказ | 5140 руб. |
| 15 | 67414-91L00-0ED | (актуальный код замены) Рычаг дистанционного управления дросселем - Lever, Remocon Throttle | | под заказ | 5140 руб. |
| 15 | 67414-91L00-0ED | Рычаг дистанционного управления дросселем - Lever, Remocon Throttle (Lever, Remocon Throttle) | | под заказ | 5140 руб. |
| 16 | 67440-93701-000 | Направляющая тросика сцепления - Guide, Clutch Cable (Guide, clutch cable ) (Guide, Clutch Cable) | | 7 шт | 2740 руб. |
| 17 | 09103-06093-000 | Болт (6x20) - Bolt (6x20) (Bolt (6x20)) | | под заказ | 130 руб. |
| 18 | 09116-06094-000 | Болт (6x15) - Bolt (6x15) (Bolt (6x15)) | | 20 шт | 270 руб. |
Время выполнения запроса 0.8926260471344 сек. |
|