Запчасти на подвесной двигатель Suzuki DT30(R)S/L/LL/UL - Дистанционное управление - Remote control
вконтакте

Контактный телефон: +7 (981) 121-46-93, +7 (800) 200-90-76 , Email: parts-katalog@yandex.ru, где купить

 
 

  Логин:

Пароль:

Регистрация

www.partskatalog.ru Все каталоги Запчасти Mercury Запчасти Suzuki Запчасти Tohatsu Запчасти Honda Контакты



УВАЖАЕМЫЕ КЛИЕНТЫ!
C 19 ДЕКАБРЯ 2025 ПО 02 МАРТА 2026 ГОДА ОТДЕЛ ЗАПЧАСТЕЙ И СЕРВИС РАБОТАТЬ НЕ БУДУТ
ПРОДАЖА ЛОДОЧНЫХ МОТОРОВ В ШТАТНОМ РЕЖИМЕ
ОБ ИЗМЕНЕНИЯХ В ГРАФИКЕ РАБОТЫ ЧИТАЙТЕ НА САЙТА



назад Раздел:   вперёд

Вернуться к выбору узлов мотора


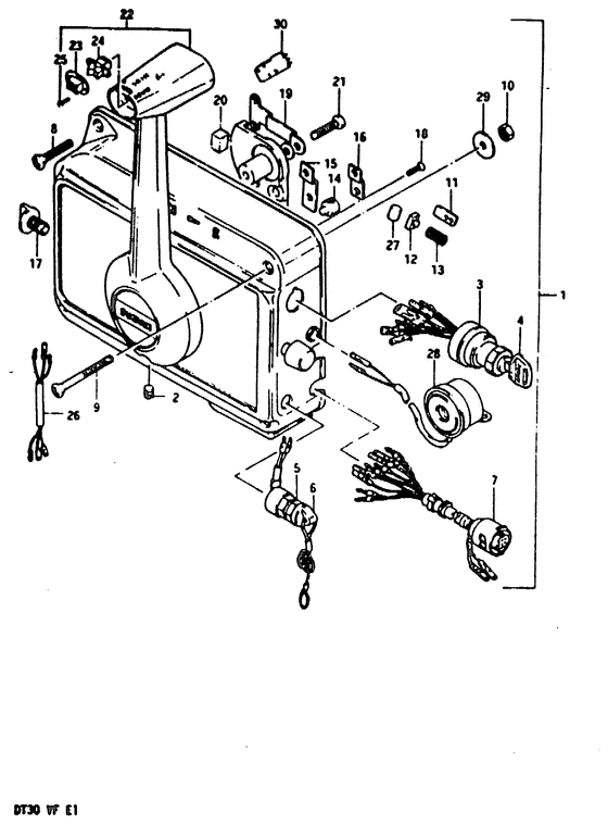
ДЕТАЛИРОВКА ДЛЯ МОДЕЛИ: SUZUKI DT30QD(QD/VE/VF) D

Дистанционное управление


Код модели двигателя: DT30(R)S/L/LL/UL

Год выпуска двигателя: 1983

Регион: General Export No.1 ,Код региона: P01

Номер на
рисунке
АртикулНаименованиеQTYКол-во
на складе
Цена
167200-94521-000

под заказ0 руб.
167200-87D61-000

Дистанционное управление в сборе - Remote Control Assy (Remote Control Assy)

под заказ0 руб.
167200-87D61-000

Дистанционное управление в сборе - Remote Control Assy (Remote Control Assy)

под заказ0 руб.
167200-87D61-000

Дистанционное управление в сборе - Remote Control Assy (Remote Control Assy)

под заказ0 руб.
267249-95500-000

Запчасть снята с производства - The Spare Part Is Laid Off (The Spare Part Is Laid Off)

под заказ0 руб.
337110-94301-000

Выключатель зажигания - Switch Assy, Ignition (Switch Assy, Ignition)

под заказ0 руб.
337110-95551-000

   (актуальный код замены) Запчасть снята с производства - The Spare Part Is Laid Off

под заказ0 руб.
337110-95551-000

Выключатель зажигания - Switch Assy, Ignition (Switch, ignition ) (Switch Assy, Ignition)

под заказ0 руб.
437141-93300-000

Ключ, Spare (8511) - Key, Spare (8511) (Key, spare 8511 # Key, spare (#8511); ) (Key, Spare (8511))

под заказ0 руб.
437141-93310-000

Ключ, Spare (8512) - Key, Spare (8512) (Key, spare 8512 # Key, spare (#8512); ) (Key, Spare (8512))

под заказ0 руб.
437141-93320-000

Ключ, Spare (8513) - Key, Spare (8513) (Key, spare 8513 # Key, spare (#8513); ) (Key, Spare (8513))

под заказ0 руб.
437141-93330-000

Ключ, Spare (8611) - Key, Spare (8611) (Key, spare 8611 # Key, spare (#8611); ) (Key, Spare (8611))

под заказ0 руб.
437141-93340-000

Ключ, Spare (8612) - Key, Spare (8612) (Key, spare 8612 # Key, spare (#8612); ) (Key, Spare (8612))

под заказ0 руб.
437141-93350-000

Ключ, Spare (8613) - Key, Spare (8613) (Key, spare 8613 # Key, spare (#8613); ) (Key, Spare (8613))

под заказ0 руб.
537820-95253-000

Аварийный выключатель, в сборе - Switch Assy, Emergency (Switch Assy, Emergency)

под заказ4710 руб.
537820-92E04-000

   (актуальный код замены) Аварийный выключатель, в сборе - Switch Assy, Emergency

под заказ4710 руб.
537820-92E04-000

Аварийный выключатель, в сборе - Switch Assy, Emergency (Switch Assy, Emergency)

под заказ4710 руб.
537820-92E05-000

   (актуальный код замены) Аварийный выключатель, в сборе - Switch Assy, Emergency

1 шт4710 руб.
637823-95251-000

Колпачок, Emergency Переключатель - Cap, Emergency Switch (Cap ) (Cap, Emergency Switch)

под заказ0 руб.
736620-94520-000

Удлинитель провода дистанционного управления (l: 6360) - Wire Assy, Remocon Ext (l:6360) (Wire Assy, Remocon Ext (l:6360))

под заказ28560 руб.
736620-92E00-000

   (актуальный код замены) Удлинитель провода дистанционного управления (l: 6360) - Wire Assy, Remocon Ext (l:6360)

под заказ28560 руб.
736620-92E00-000

Удлинитель провода дистанционного управления (l: 6360) - Wire Assy, Remocon Ext (l:6360) (Wiring harness 9 wires ) (Wire Assy, Remocon Ext (l:6360))

под заказ28560 руб.
802132-06408-000

Винт - Screw (Screw)

под заказ200 руб.
802122-0640B-000

   (актуальный код замены) Винт - Screw

под заказ200 руб.
802122-0640B-000

Винт - Screw (Screw)

под заказ200 руб.
902132-06758-000

Винт - Screw (Screw)

под заказ0 руб.
1008310-11068-000

Гайка - Nut (Nut)

под заказ140 руб.
1008310-00067-000

   (актуальный код замены) Гайка - Nut

под заказ140 руб.
1008310-00067-000

Гайка - Nut (Nut)

под заказ140 руб.
1167271-95500-000

Запчасть снята с производства - The Spare Part Is Laid Off (The Spare Part Is Laid Off)

под заказ0 руб.
1267254-95500-000

Запчасть снята с производства - The Spare Part Is Laid Off (The Spare Part Is Laid Off)

под заказ0 руб.
1367255-95500-000

Запчасть снята с производства - The Spare Part Is Laid Off (The Spare Part Is Laid Off)

под заказ0 руб.
1467275-95500-000

Запчасть снята с производства - The Spare Part Is Laid Off (Trunnion;) (The Spare Part Is Laid Off)

под заказ0 руб.
1567272-95500-000

Запчасть снята с производства - The Spare Part Is Laid Off (The Spare Part Is Laid Off)

под заказ0 руб.
1667274-95500-000

Запчасть снята с производства - The Spare Part Is Laid Off (Retainer, throttle;) (The Spare Part Is Laid Off)

под заказ0 руб.
1767232-95500-000

Запчасть снята с производства - The Spare Part Is Laid Off (The Spare Part Is Laid Off)

под заказ0 руб.
1802122-04128-000

Винт - Screw (Screw)

под заказ170 руб.
1802122-0412B-000

   (актуальный код замены) Винт - Screw

под заказ170 руб.
1802122-0412B-000

Винт - Screw (Screw)

под заказ170 руб.
1967233-95500-000

Запчасть снята с производства - The Spare Part Is Laid Off (The Spare Part Is Laid Off)

под заказ0 руб.
2067234-95500-000

Запчасть снята с производства - The Spare Part Is Laid Off (The Spare Part Is Laid Off)

под заказ0 руб.
2102112-06358-000

Винт - Screw (Screw)

под заказ130 руб.
2102112-06357-000

   (актуальный код замены) Винт - Screw

под заказ130 руб.
2102112-06357-000

Винт - Screw (Screw)

под заказ130 руб.
2267250-94500-000

Запчасть снята с производства - The Spare Part Is Laid Off (The Spare Part Is Laid Off)

под заказ0 руб.
2337864-95500-000

Колпачок, Переключатель трима - Cap, Trim Switch (Cap, Trim Switch)

под заказ1160 руб.
2337869-95590-000

   (актуальный код замены) Колпачок, Переключатель трима - Cap, Trim Switch

под заказ1160 руб.
2337869-95590-000

Колпачок, Переключатель трима - Cap, Trim Switch (Cap, trim switch ) (Cap, Trim Switch)

под заказ1160 руб.
2437860-95501-000

Запчасть снята с производства - The Spare Part Is Laid Off (Switch, trim;) (The Spare Part Is Laid Off)

под заказ0 руб.
2509139-02003-000

Винт (2x6) - Screw (2x6) (Screw (2x6))

под заказ120 руб.
2637863-95501-000

Запчасть снята с производства - The Spare Part Is Laid Off (The Spare Part Is Laid Off)

под заказ0 руб.
2767253-95500-000

Запчасть снята с производства - The Spare Part Is Laid Off (The Spare Part Is Laid Off)

под заказ0 руб.
2838500-94501-000

Предупреждающий зуммер - Buzzer Set, Warning (Buzzer Set, Warning)

под заказ10280 руб.
2838500-92X52-000

   (актуальный код замены) Предупреждающий зуммер - Buzzer Set, Warning

под заказ10280 руб.
2838500-92X50-000

Предупреждающий зуммер - Buzzer Set, Warning (Buzzer Set, Warning)

под заказ10280 руб.
2838500-92X52-000

   (актуальный код замены) Предупреждающий зуммер - Buzzer Set, Warning

под заказ10280 руб.
2909160-06047-000

Шайба (6.5x20x2) - Washer (65x20x2) (Washer, remocon cable stopper ) (Washer (6.5x20x2))

8 шт150 руб.
3037721-95551-000

Выключатель нейтрали, в сборе - Switch Assy, Neutral (Switch Assy, Neutral)

под заказ3650 руб.
3037721-94601-000

   (актуальный код замены) Выключатель нейтрали, в сборе - Switch Assy, Neutral

1 шт4380 руб.
3037721-94601-000

Выключатель нейтрали, в сборе - Switch Assy, Neutral (Switch Assy, Neutral)

1 шт4380 руб.


Время выполнения запроса 1.5104839801788 сек.

 
 

данный сайт носит информационный характер и не является публичной офертой

склад запчастей для водомоторной техники