Запчасти на подвесной мотор Suzuki DT30(R)S/L/LL/UL - Карбюратор
вконтакте

Контактный телефон: +7 (981) 121-46-93, +7 (800) 200-90-76 , Email: parts-katalog@yandex.ru, где купить

 
 

  Логин:

Пароль:

Регистрация

www.partskatalog.ru Все каталоги Запчасти Mercury Запчасти Suzuki Запчасти Tohatsu Запчасти Honda Контакты



УВАЖАЕМЫЕ КЛИЕНТЫ!
C 19 ДЕКАБРЯ 2025 ПО 02 МАРТА 2026 ГОДА ОТДЕЛ ЗАПЧАСТЕЙ И СЕРВИС РАБОТАТЬ НЕ БУДУТ
ПРОДАЖА ЛОДОЧНЫХ МОТОРОВ В ШТАТНОМ РЕЖИМЕ
ОБ ИЗМЕНЕНИЯХ В ГРАФИКЕ РАБОТЫ ЧИТАЙТЕ НА САЙТА



назад Раздел:   вперёд

Вернуться к выбору узлов мотора


ДЕТАЛИРОВКА ДЛЯ МОДЕЛИ: SUZUKI DT30 QD

Карбюратор


Код модели двигателя: DT30(R)S/L/LL/UL

Год выпуска двигателя: 1983

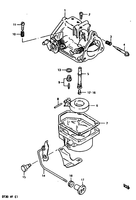
Номер на
рисунке
АртикулНаименованиеQTYКол-во
на складе
Цена
113200-96301-000

Запчасть снята с производства - The Spare Part Is Laid Off (~308066) (The Spare Part Is Laid Off)

под заказ0 руб.
113200-963D0-000

   (актуальный код замены) Запчасть снята с производства - The Spare Part Is Laid Off

под заказ0 руб.
113200-96302-000

Запчасть снята с производства - The Spare Part Is Laid Off (408067~) (The Spare Part Is Laid Off)

под заказ0 руб.
113200-963D0-000

   (актуальный код замены) Запчасть снята с производства - The Spare Part Is Laid Off

под заказ0 руб.
209492-85001-000

Контрольная форсунка (85) - Jet, Pilot (85) (Jet, pilot (#85) ) (Jet, Pilot (85))

под заказ0 руб.
313271-93311-000

Пружина - Spring (Spring, air screw ) (Spring)

1 шт350 руб.
413269-93311-000

Винт контроля воздуха - Screw, Pilot Air (Screw, pilot air ) (Screw, Pilot Air)

под заказ810 руб.
513235-96300-000

Nozzle - Nozzle (Nozzle)

под заказ2160 руб.
513235-94350-000

   (актуальный код замены) Nozzle

под заказ2160 руб.
513235-94350-000

Nozzle - Nozzle (Nozzle)

под заказ2160 руб.
613250-93012-000

Поплавок - Float (Float)

под заказ1950 руб.
713251-93310-000

Прокладка поплавковой камеры - Gasket, Float Cahmber (Gasket, Float Cahmber)

под заказ840 руб.
713251-93320-000

   (актуальный код замены) Прокладка поплавковой камеры - Gasket, Float Cahmber

под заказ840 руб.
713251-93320-000

Прокладка поплавковой камеры - Gasket, Float Cahmber (Gasket, float chamber ) (Gasket, Float Cahmber)

под заказ840 руб.
813254-93010-000

Стопор поплавка - Pin, Float (Pin, Float)

под заказ240 руб.
813254-98300-000

   (актуальный код замены) Стопор поплавка - Pin, Float

под заказ240 руб.
813254-98300-000

Стопор поплавка - Pin, Float (Pin, float ) (Pin, Float)

под заказ240 руб.
913370-28110-000

Игольчатый клапан, в сборе - Valve Assy, Needle (Valve assy, needle ) (Valve Assy, Needle)

4 шт4350 руб.
1013268-96110-000

Пружина, Дроссель Винт - Spring, Throttle Screw (Spring, Throttle Screw)

под заказ350 руб.
1013268-96111-000

   (актуальный код замены) Пружина, Дроссель Винт - Spring, Throttle Screw

под заказ350 руб.
1013268-96111-000

Пружина, Дроссель Винт - Spring, Throttle Screw (Spring, throttle screw ) (Spring, Throttle Screw)

под заказ350 руб.
1113267-96111-000

Запчасть снята с производства - The Spare Part Is Laid Off (The Spare Part Is Laid Off)

под заказ0 руб.
1209491-32006-000

Главная форсунка (160) - Jet, Main (160) (Jet, Main (160))

под заказ1120 руб.
1209491-32012-000

   (актуальный код замены) Главная форсунка (160) - Jet, Main (160)

2 шт1120 руб.
1209491-32012-000

Главная форсунка (160) - Jet, Main (160) (Jet, main (160) ) (Jet, Main (160))

2 шт1120 руб.
1313392-58600-000

Прокладка седла клапана - Gasket, Valve Seat (Gasket, valve seat ) (Gasket, Valve Seat)

1 шт150 руб.
1413681-96300-000

Рычаг, Emergency - Lever, Emergency (Lever, Emergency)

под заказ4350 руб.
1413681-96301-000

   (актуальный код замены) Рычаг, Emergency - Lever, Emergency

под заказ4350 руб.
1413681-96301-000

Рычаг, Emergency - Lever, Emergency (Lever, chocke ) (Lever, Emergency)

под заказ4350 руб.
1513682-96300-000

Болт - Bolt (Bolt)

11 шт850 руб.
1609491-31003-000

Контрольная форсунка (155) - Jet, Pilot (155) (OPT) (Jet, Pilot (155))

под заказ0 руб.
1609491-31014-000

   (актуальный код замены) Запчасть снята с производства - The Spare Part Is Laid Off

под заказ0 руб.
1609491-31014-000

Контрольная форсунка (155) - Jet, Pilot (155) (Jet, Pilot (155))

под заказ0 руб.
1609491-32006-000

Главная форсунка (160) - Jet, Main (160) (OPT) (Jet, Main (160))

под заказ1120 руб.
1609491-32012-000

   (актуальный код замены) Главная форсунка (160) - Jet, Main (160)

2 шт1120 руб.
1609491-32012-000

Главная форсунка (160) - Jet, Main (160) (Jet, main (160) ) (Jet, Main (160))

2 шт1120 руб.
1609491-33004-000

Главная форсунка (165) - Jet, Main (165) (Jet, main (#165) # OPT ) (Jet, Main (165))

под заказ880 руб.
1609491-34004-000

Запчасть снята с производства - The Spare Part Is Laid Off (OPT) (The Spare Part Is Laid Off)

под заказ0 руб.
1609491-34008-000

   (актуальный код замены) Запчасть снята с производства - The Spare Part Is Laid Off

под заказ0 руб.
1713631-93500-000

Рукоятка стартера - Knob, Starter (Knob, Starter)

под заказ460 руб.
1713631-93501-000

   (актуальный код замены) Рукоятка стартера - Knob, Starter

2 шт460 руб.
1713631-93501-000

Рукоятка стартера - Knob, Starter (Knob, Starter)

2 шт460 руб.
1809305-04005-000

Втулка - Bush (Bush)

под заказ160 руб.
1809320-04013-000

   (актуальный код замены) Подушка, Muf Cov - Cushion, Muf Cov

под заказ160 руб.
1809320-04009-000

Втулка - Bush (Bush)

под заказ160 руб.
1809320-04013-000

   (актуальный код замены) Подушка, Muf Cov - Cushion, Muf Cov

под заказ160 руб.


Время выполнения запроса 2.4652400016785 сек.

 
 

данный сайт носит информационный характер и не является публичной офертой

склад запчастей для водомоторной техники