Купить комплектующие на лодочный мотор SUZUKI DT30(R)S/L/LL/UL модель 1983 года - Магнето
вконтакте

Контактный телефон: +7 (981) 121-46-93, +7 (800) 200-90-76 , Email: parts-katalog@yandex.ru, где купить

 
 

  Логин:

Пароль:

Регистрация

www.partskatalog.ru Все каталоги Запчасти Mercury Запчасти Suzuki Запчасти Tohatsu Запчасти Honda Контакты



УВАЖАЕМЫЕ КЛИЕНТЫ!
C 19 ДЕКАБРЯ 2025 ПО 02 МАРТА 2026 ГОДА ОТДЕЛ ЗАПЧАСТЕЙ И СЕРВИС РАБОТАТЬ НЕ БУДУТ
ПРОДАЖА ЛОДОЧНЫХ МОТОРОВ В ШТАТНОМ РЕЖИМЕ
ОБ ИЗМЕНЕНИЯХ В ГРАФИКЕ РАБОТЫ ЧИТАЙТЕ НА САЙТА



назад Раздел:   вперёд

Вернуться к выбору узлов мотора


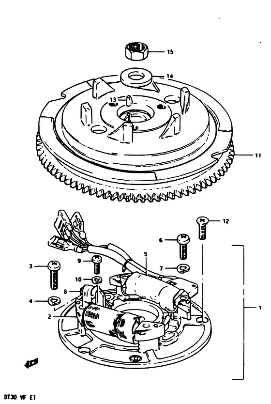
ДЕТАЛИРОВКА ДЛЯ МОДЕЛИ: SUZUKI DT30 QD

Магнето


Код модели двигателя: DT30(R)S/L/LL/UL

Год выпуска двигателя: 1983

Номер на
рисунке
АртикулНаименованиеQTYКол-во
на складе
Цена
132101-96300-000

Запчасть снята с производства - The Spare Part Is Laid Off (MODEL QD/VE) (The Spare Part Is Laid Off)

под заказ0 руб.
132101-96301-000

   (актуальный код замены) Запчасть снята с производства - The Spare Part Is Laid Off

под заказ0 руб.
132101-96340-000

Запчасть снята с производства - The Spare Part Is Laid Off (MODEL VF) (The Spare Part Is Laid Off)

под заказ0 руб.
132101-96343-000

   (актуальный код замены) Запчасть снята с производства - The Spare Part Is Laid Off

под заказ0 руб.
232120-96300-000

Запчасть снята с производства - The Spare Part Is Laid Off (The Spare Part Is Laid Off)

под заказ0 руб.
302112-05257-000

Винт - Screw (Screw)

под заказ120 руб.
408321-21057-000

Шайба с блокировкой - Washer, Lock (Washer, Lock)

под заказ140 руб.
408321-0105A-000

   (актуальный код замены) Шайба с блокировкой - Washer, Lock

под заказ140 руб.
408321-0105A-000

Шайба с блокировкой - Washer, Lock (Washer, Lock)

под заказ140 руб.
532140-96300-000

Первичная катушка зажигания - Coil, Ignition Primary (Coil, Ignition Primary)

под заказ14160 руб.
532140-96302-000

   (актуальный код замены) Первичная катушка зажигания - Coil, Ignition Primary

под заказ14160 руб.
532140-96302-000

Первичная катушка зажигания - Coil, Ignition Primary (Coil, ignition ) (Coil, Ignition Primary)

под заказ14160 руб.
602112-05208-000

Винт - Screw (Screw)

под заказ150 руб.
602112-05207-000

   (актуальный код замены) Винт - Screw

под заказ150 руб.
602112-05207-000

Винт - Screw (Screw)

под заказ150 руб.
708321-21058-000

Шайба с блокировкой - Washer, Lock (Washer, Lock)

под заказ140 руб.
708321-0105A-000

   (актуальный код замены) Шайба с блокировкой - Washer, Lock

под заказ140 руб.
708321-0105A-000

Шайба с блокировкой - Washer, Lock (Washer, Lock)

под заказ140 руб.
832150-96300-000

Катушка импульсов зажигания - Coil, Ignition Timing (MODEL QD/VE) (Coil, Ignition Timing)

под заказ9700 руб.
832150-96303-000

   (актуальный код замены) Катушка импульсов зажигания - Coil, Ignition Timing

1 шт11700 руб.
832150-96303-000

Катушка импульсов зажигания - Coil, Ignition Timing (Coil, ignition timing ) (Coil, Ignition Timing)

1 шт11700 руб.
832150-96310-000

Катушка импульсов зажигания - Coil, Ignition Timing (MODEL VF) (Coil, Ignition Timing)

под заказ10710 руб.
832150-96313-000

   (актуальный код замены) Катушка импульсов зажигания - Coil, Ignition Timing

под заказ10710 руб.
832150-96313-000

Катушка импульсов зажигания - Coil, Ignition Timing (Coil, ignition timing ) (Coil, Ignition Timing)

под заказ10710 руб.
902112-04128-000

Винт - Screw (Screw)

под заказ100 руб.
902112-0412A-000

   (актуальный код замены) Винт - Screw

под заказ100 руб.
902112-0412A-000

Винт - Screw (Screw)

под заказ100 руб.
1008321-21047-000

Шайба с блокировкой - Washer, Lock (Washer, Lock)

под заказ140 руб.
1008321-0104A-000

   (актуальный код замены) Шайба с блокировкой - Washer, Lock

под заказ140 руб.
1008321-0104A-000

Шайба с блокировкой - Washer, Lock (Washer, Lock)

под заказ140 руб.
1132102-96310-000

Запчасть снята с производства - The Spare Part Is Laid Off (MODEL QD/VE) (The Spare Part Is Laid Off)

под заказ0 руб.
1132102-96380-000

Запчасть снята с производства - The Spare Part Is Laid Off (MODEL VF) (The Spare Part Is Laid Off)

под заказ0 руб.
1132102-96381-000

   (актуальный код замены) Запчасть снята с производства - The Spare Part Is Laid Off

под заказ0 руб.
1202122-05128-000

Винт (5x12) - Screw (5x12) (Screw (5x12))

под заказ160 руб.
1209126-05003-000

   (актуальный код замены) Винт (5x12) - Screw (5x12)

под заказ160 руб.
1209126-05003-000

Винт (5x12) - Screw (5x12) (Screw (5x12))

под заказ160 руб.
1308341-31049-000

Ключ - Key (Key)

под заказ260 руб.
1309420-04008-000

   (актуальный код замены) Ключ - Key

18 шт370 руб.
1309420-04008-000

Ключ - Key (Key)

18 шт370 руб.
1409160-18011-000

Шайба (18.5x35x4) - Washer (185x35x4) (Washer (18.5x35x4))

под заказ440 руб.
1508310-22188-000

Гайка - Nut (Nut)

под заказ200 руб.
1508310-0018A-000

   (актуальный код замены) Гайка - Nut

под заказ200 руб.
1508310-0018A-000

Гайка - Nut (Nut)

под заказ200 руб.


Время выполнения запроса 1.0060830116272 сек.

 
 

данный сайт носит информационный характер и не является публичной офертой

склад запчастей для водомоторной техники