| |
 |
|
 |
Вернуться к выбору узлов мотора
ДЕТАЛИРОВКА ДЛЯ МОДЕЛИ: SUZUKI DT30 QD
Опции : Электрика
Код модели двигателя: DT30(R)S/L/LL/UL
Год выпуска двигателя: 1983
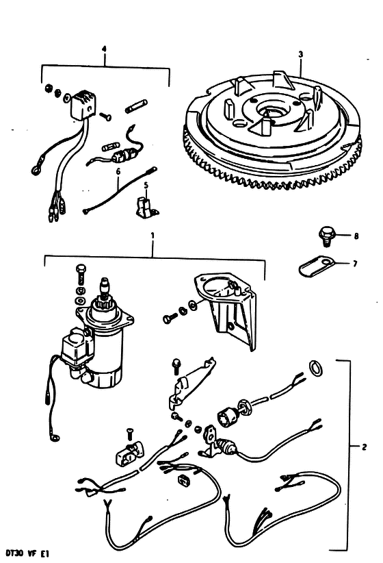
Номер на рисунке | Артикул | Наименование | QTY | Кол-во на складе | Цена |
| 1 | 31101-96300-000 | Двигатель электростартера, в сборе - Motor Set, Starter (Motor Set, Starter) | | под заказ | 83520 руб. |
| 1 | 31101-96320-000 | (актуальный код замены) Motor Set, Starting | | под заказ | 83520 руб. |
| 1 | 31101-96320-0ED | Двигатель электростартера, в сборе - Motor Set, Starter (Motor Set, Starter) | | под заказ | 0 руб. |
| 2 | 33800-96301-000 | Кабель стартера и выключатель, установочный комплект - Set, Starting Cable & Switch (Set, Starting Cable & Switch) | | под заказ | 17910 руб. |
| 2 | 33800-96305-000 | (актуальный код замены) Кабель стартера и выключатель, установочный комплект - Set, Starting Cable & Switch | | под заказ | 17910 руб. |
| 2 | 33800-96305-000 | Кабель стартера и выключатель, установочный комплект - Set, Starting Cable & Switch (Set, Starting Cable & Switch) | | под заказ | 17910 руб. |
| 2 | 33800-96305-000 | Кабель стартера и выключатель, установочный комплект - Set, Starting Cable & Switch (Set, Starting Cable & Switch) | | под заказ | 17910 руб. |
| 3 | 32102-96310-000 | Запчасть снята с производства - The Spare Part Is Laid Off (The Spare Part Is Laid Off) | | под заказ | 0 руб. |
| 4 | 32801-96300-000 | Выпрямитель, установочный комплект - Rectifier Set (Rectifier Set) | | под заказ | 10800 руб. |
| 4 | 32801-96306-000 | (актуальный код замены) Выпрямитель, установочный комплект - Rectifier Set | | под заказ | 10800 руб. |
| 4 | 32801-96304-000 | Выпрямитель, установочный комплект - Rectifier Set (Rectifier set ) (Rectifier Set) | | 1 шт | 10800 руб. |
| 4 | 32801-96306-000 | (актуальный код замены) Выпрямитель, установочный комплект - Rectifier Set | | под заказ | 10800 руб. |
| 5 | 36791-95200-000 | Держатель, Предохранитель Case - Holder, Fuse Case (Holder, fuse ) (Holder, Fuse Case) | | под заказ | 340 руб. |
| 6 | 36898-93300-000 | Запчасть снята с производства - The Spare Part Is Laid Off (The Spare Part Is Laid Off) | | под заказ | 0 руб. |
| 7 | 37132-93700-000 | Коннектор, Провод - Connector, Wire (Connector, lead wire ) (Connector, Wire) | | под заказ | 220 руб. |
| 8 | 33815-94500-000 | Защита, Кабели - Protector, Cable (Protector, Cable) | | под заказ | 280 руб. |
| 8 | 33815-94501-000 | (актуальный код замены) Защита, Кабели - Protector, Cable | | под заказ | 280 руб. |
| 8 | 33815-94501-000 | Защита, Кабели - Protector, Cable (Protector, Cable) | | под заказ | 280 руб. |
| 9 | 09103-06049-000 | Болт (6x12) - Bolt (6x12) (Bolt (6x12)) | | 9 шт | 180 руб. |
Время выполнения запроса 1.7905831336975 сек. |
|