Найти запчасти на подвесной лодочный двигатель SUZUKI DT30(R)S/L/LL/UL модель 1984 года - Ignition
вконтакте

Контактный телефон: +7 (981) 121-46-93, +7 (800) 200-90-76 , Email: parts-katalog@yandex.ru, где купить

 
 

  Логин:

Пароль:

Регистрация

www.partskatalog.ru Все каталоги Запчасти Mercury Запчасти Suzuki Запчасти Tohatsu Запчасти Honda Контакты



УВАЖАЕМЫЕ КЛИЕНТЫ!
C 19 ДЕКАБРЯ 2025 ПО 02 МАРТА 2026 ГОДА ОТДЕЛ ЗАПЧАСТЕЙ И СЕРВИС РАБОТАТЬ НЕ БУДУТ
ПРОДАЖА ЛОДОЧНЫХ МОТОРОВ В ШТАТНОМ РЕЖИМЕ
ОБ ИЗМЕНЕНИЯХ В ГРАФИКЕ РАБОТЫ ЧИТАЙТЕ НА САЙТА



назад Раздел:   вперёд

Вернуться к выбору узлов мотора


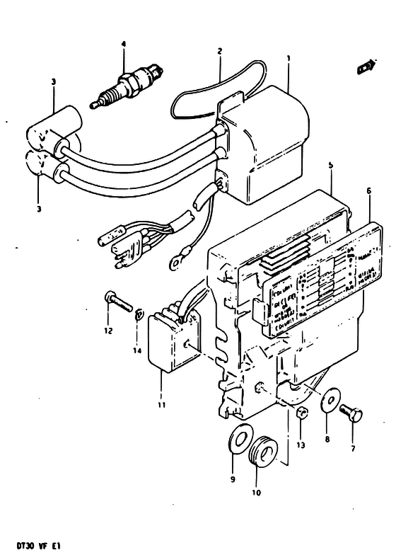
ДЕТАЛИРОВКА ДЛЯ МОДЕЛИ: SUZUKI DT30 VE/DT30R VE

Ignition


Код модели двигателя: DT30(R)S/L/LL/UL

Год выпуска двигателя: 1984

Номер на
рисунке
АртикулНаименованиеQTYКол-во
на складе
Цена
132900-96300-000

Запчасть снята с производства - The Spare Part Is Laid Off (The Spare Part Is Laid Off)

под заказ0 руб.
209280-62001-000

Уплотнительное кольцо (d: 3.5, Id: 61) - O Ring (d:35, Id:61) (O Ring (d:3.5, Id:61))

под заказ340 руб.
209280-61004-000

   (актуальный код замены) Уплотнительное кольцо (d: 3.5, Id: 61) - O Ring (d:3.5, Id:61)

под заказ340 руб.
209280-61002-000

Уплотнительное кольцо (d: 3.5, Id: 61) - O Ring (d:35, Id:61) (O ring ) (O Ring (d:3.5, Id:61))

под заказ340 руб.
209280-61004-000

   (актуальный код замены) Уплотнительное кольцо (d: 3.5, Id: 61) - O Ring (d:3.5, Id:61)

под заказ340 руб.
333510-95510-000

Колпачок свечи зажигания - Cap, Spark Plug (Cap, Spark Plug)

под заказ1800 руб.
333510-95520-000

   (актуальный код замены) Колпачок свечи зажигания - Cap, Spark Plug

1 шт2100 руб.
333510-95520-000

Колпачок свечи зажигания - Cap, Spark Plug (Cap, spark plug ) (Cap, Spark Plug)

1 шт2100 руб.
409482-00277-000

Свеча зажигания - Plug, Spark (Spark plug, br7hs ) (Plug, Spark)

под заказ0 руб.
532890-96301-000

Запчасть снята с производства - The Spare Part Is Laid Off (The Spare Part Is Laid Off)

под заказ0 руб.
636650-96300-000

Крышка, Junction Box - Cover, Junction Box (Cover, junction box ) (Cover, Junction Box)

под заказ0 руб.
701107-06128-000

Болт - Bolt (Bolt)

под заказ150 руб.
701500-06127-000

   (актуальный код замены) Болт - Bolt

под заказ150 руб.
701500-06127-000

Болт - Bolt (Bolt)

под заказ150 руб.
809160-06054-000

Шайба (6.5x22x1.6) - Washer (65x22x16) (Washer (6.5x22x1.6) ) (Washer (6.5x22x1.6))

под заказ120 руб.
909160-12020-000

Шайба (12.5x26x1.6) - Washer (125x26x16) (Washer (12.5x26x1.6))

под заказ150 руб.
909160-12089-000

   (актуальный код замены) Шайба (12.5x26x1.6) - Washer (12.5x26x1.6)

под заказ150 руб.
909160-12089-000

Шайба (12.5x26x1.6) - Washer (125x26x16) (Washer (12.5x26x1.6) ) (Washer (12.5x26x1.6))

под заказ150 руб.
1009320-12011-000

Подушка - Cushion (Cushion ) (Cushion)

под заказ150 руб.
1009320-12090-000

   (актуальный код замены) Подушка (11.8x25x7.5) - Cushion (11.8x25x7.5)

под заказ150 руб.
1132800-95720-000

Выпрямитель в сборе - Rectifier Assy (ELECTRIC STARTER) (Rectifier Assy)

под заказ10760 руб.
1132800-95D02-000

   (актуальный код замены) Выпрямитель в сборе - Rectifier Assy

1 шт10760 руб.
1132800-95D01-000

Выпрямитель в сборе - Rectifier Assy (Rectifier Assy)

под заказ10760 руб.
1132800-95D02-000

   (актуальный код замены) Выпрямитель в сборе - Rectifier Assy

1 шт10760 руб.
1202112-05257-000

Винт - Screw (ELECTRIC STARTER ) (Screw)

под заказ120 руб.
1308310-11058-000

Гайка - Nut (ELECTRIC STARTER) (Nut)

под заказ140 руб.
1308310-00057-000

   (актуальный код замены) Гайка - Nut

под заказ140 руб.
1308310-00057-000

Гайка - Nut (Nut)

под заказ140 руб.
1408321-21057-000

Шайба с блокировкой - Washer, Lock (ELECTRIC STARTER) (Washer, Lock)

под заказ140 руб.
1408321-0105A-000

   (актуальный код замены) Шайба с блокировкой - Washer, Lock

под заказ140 руб.
1408321-0105A-000

Шайба с блокировкой - Washer, Lock (Washer, Lock)

под заказ140 руб.


Время выполнения запроса 1.2784779071808 сек.

 
 

данный сайт носит информационный характер и не является публичной офертой

склад запчастей для водомоторной техники