Запчасти на подвесной двигатель Suzuki модель 1985 года - Handle
вконтакте

Контактный телефон: +7 (981) 121-46-93, +7 (800) 200-90-76 , Email: parts-katalog@yandex.ru, где купить

 
 

  Логин:

Пароль:

Регистрация

www.partskatalog.ru Все каталоги Запчасти Mercury Запчасти Suzuki Запчасти Tohatsu Запчасти Honda Контакты



УВАЖАЕМЫЕ КЛИЕНТЫ!
C 19 ДЕКАБРЯ 2025 ПО 02 МАРТА 2026 ГОДА ОТДЕЛ ЗАПЧАСТЕЙ И СЕРВИС РАБОТАТЬ НЕ БУДУТ
ПРОДАЖА ЛОДОЧНЫХ МОТОРОВ В ШТАТНОМ РЕЖИМЕ
ОБ ИЗМЕНЕНИЯХ В ГРАФИКЕ РАБОТЫ ЧИТАЙТЕ НА САЙТА



назад Раздел:   вперёд

Вернуться к выбору узлов мотора


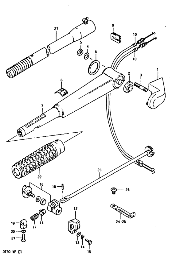
ДЕТАЛИРОВКА ДЛЯ МОДЕЛИ: SUZUKI DT30RVF(QD/VE/VF) F

Handle


Год выпуска двигателя: 1985

Номер на
рисунке
АртикулНаименованиеQTYКол-во
на складе
Цена
163121-96302-02M

Крышка румпеля - Cover, Tiller Handle (Cover, Tiller Handle)

под заказ0 руб.
163121-96302-0ED

   (актуальный код замены) Запчасть снята с производства - The Spare Part Is Laid Off

под заказ0 руб.
163121-96302-0ED

Крышка румпеля - Cover, Tiller Handle (Cover, tiller handle (gray) ) (Cover, Tiller Handle)

под заказ0 руб.
263114-94300-000

Прокладка крышки румпеля - Spacer, Handle Cover (Spacer, handle cover # Spacer, handle cover; ) (Spacer, Handle Cover)

под заказ680 руб.
263114-95L00-000

   (актуальный код замены) Прокладка крышки румпеля - Spacer, Handle Cover

7 шт800 руб.
309108-08147-000

Болт под шпильку - Bolt, Stud (Stud bolt # Stud bolt; ) (Bolt, Stud)

под заказ3840 руб.
409162-08007-000

Шайба с блокировкой - Washer, Lock (Lock washer ) (Washer, Lock)

под заказ160 руб.
509140-08016-000

Гайка - Nut (Nut)

под заказ190 руб.
509140-08023-XC0

Гайка - Nut (Nut)

14 шт190 руб.
763111-96301-02M

(~411014, to 63111-96310-02m)

под заказнет сведений
763111-96332-0ED

Ручка румпеля (gray) - Handle, Tiller (gray) (Handle, Tiller (gray))

под заказ0 руб.
763240-96300-000

Регулировка румпеля (комплект) Рукоятка - Adjuster Set, Handle Grip (Adjuster, handle grip ) (Adjuster Set, Handle Grip)

3 шт2490 руб.
763111-96310-02M

Ручка румпеля (gray) - Handle, Tiller (gray) (411015~) (Handle, Tiller (gray))

под заказ0 руб.
763111-96332-0ED

   (актуальный код замены) Запчасть снята с производства - The Spare Part Is Laid Off

под заказ0 руб.
763111-96332-0ED

Ручка румпеля (gray) - Handle, Tiller (gray) (Handle, Tiller (gray))

под заказ0 руб.
863115-96301-000

Прокладка внутри крышки румпеля - Spacer, Handle Cover Inside (Spacer, Handle Cover Inside)

под заказ690 руб.
863115-96310-000

   (актуальный код замены) Прокладка внутри крышки румпеля - Spacer, Handle Cover Inside

5 шт690 руб.
863115-96310-000

Прокладка внутри крышки румпеля - Spacer, Handle Cover Inside (Spacer, handle cover inside ) (Spacer, Handle Cover Inside)

5 шт690 руб.
963625-96300-000

Пыльник тросика дросселя - Grommet, Throttle Cable (Grommet, throttle cable ) (Grommet, Throttle Cable)

под заказ280 руб.
963625-96301-000

   (актуальный код замены) Пыльник тросика дросселя - Grommet, Throttle Cable

под заказ280 руб.
1063610-96301-000

Тросик дросселя, в сборе - Cable Assy, Throttle (Cable Assy, Throttle)

под заказ1860 руб.
1063610-96302-000

   (актуальный код замены) Тросик дросселя, в сборе - Cable Assy, Throttle

под заказ1860 руб.
1063610-96302-000

Тросик дросселя, в сборе - Cable Assy, Throttle (Cable, throttle (l:490) ) (Cable Assy, Throttle)

под заказ1860 руб.
1163225-93200-000

Втулка тяги румпеля - Bush, Handle Rod (Bush, handle rod # Bush, handle rod; ) (Bush, Handle Rod)

14 шт480 руб.
1263241-94300-000

Запчасть снята с производства - The Spare Part Is Laid Off (Adjuster, handle grip; ~411014) (The Spare Part Is Laid Off)

под заказ0 руб.
1309160-06015-000

Шайба (6.5x13x1.0) - Washer (65x13x10) (~411014) (Washer (6.5x13x1.0))

под заказ120 руб.
1309160-06082-000

   (актуальный код замены) Шайба (6.5x13x1.0) - Washer (6.5x13x1.0)

7 шт150 руб.
1309160-06082-000

Шайба (6.5x13x1.0) - Washer (65x13x10) (Washer (6.5x13x1.0))

7 шт150 руб.
1409162-06001-000

Шайба с блокировкой - Washer, Lock (~411014) (Washer, Lock)

под заказ160 руб.
1409162-06006-000

   (актуальный код замены) Шайба с блокировкой - Washer, Lock

под заказ160 руб.
1409162-06006-000

Шайба с блокировкой - Washer, Lock (Lock washer ) (Washer, Lock)

под заказ160 руб.
1509100-06122-000

Болт (6x20) - Bolt (6x20) (Bolt (6*20); ~411014 ) (Bolt (6x20))

под заказ0 руб.
1663240-96300-000

Регулировка румпеля (комплект) Рукоятка - Adjuster Set, Handle Grip (Adjuster, handle grip # Adjuster set, handle grip; 411015~ ) (Adjuster Set, Handle Grip)

3 шт2490 руб.
1709440-12027-000

Пружина - Spring (Spring)

12 шт170 руб.
1863227-93200-000

Штифт, Handle Тяга - Pin, Handle Rod (Pin, handle rod # Pin, handle rod; L:14 ) (Pin, Handle Rod)

под заказ220 руб.
1963223-93201-000

Стопор тяги румпеля - Stopper, Handle Rod (Stopper, Handle Rod)

под заказ430 руб.
1963223-92D00-000

   (актуальный код замены) Стопор тяги румпеля - Stopper, Handle Rod

под заказ430 руб.
1963223-92D00-000

Стопор тяги румпеля - Stopper, Handle Rod (Stopper, handle rod ) (Stopper, Handle Rod)

под заказ430 руб.
2009163-06001-000

Шайба с блокировкой - Washer, Lock (Washer, Lock)

13 шт120 руб.
2109126-06006-000

Винт (6x20) - Screw (6x20) (Screw (6x20))

под заказ150 руб.
2263210-93901-000

Рукоятка румпеля - Grip, Handle (Grip, Handle)

под заказ3390 руб.
2263210-93E30-000

   (актуальный код замены) Рукоятка румпеля - Grip, Handle

1 шт3390 руб.
2263210-93E30-000

Рукоятка румпеля - Grip, Handle (Grip, handle ) (Grip, Handle)

1 шт3390 руб.
2363220-96300-000

Тяга румпеля - Rod, Handle (Rod, Handle)

под заказ2980 руб.
2363220-96302-000

   (актуальный код замены) Тяга румпеля - Rod, Handle

под заказ2980 руб.
2363220-96302-000

Тяга румпеля - Rod, Handle (Rod, Handle)

под заказ2980 руб.
23SK63220-96302

   (не оригинальный аналог) Вал румпеля Skipper для Suzuki DT9,9-DT40

0 шт1247 руб.
2763300-93900-000

Запчасть снята с производства - The Spare Part Is Laid Off (Opt) (The Spare Part Is Laid Off)

под заказ0 руб.


Время выполнения запроса 6.3393559455872 сек.

 
 

данный сайт носит информационный характер и не является публичной офертой

склад запчастей для водомоторной техники