| |
 |
|
 |
Вернуться к выбору узлов мотора
ДЕТАЛИРОВКА ДЛЯ МОДЕЛИ: SUZUKI DT30VF(QD/VE/VF) F
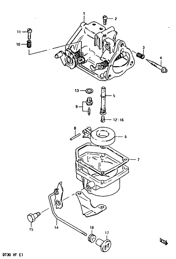
Карбюратор
Код модели двигателя: DT30(R)S/L/LL/UL
Год выпуска двигателя: 1985
Регион: General Export No.1 ,Код региона: P01
Номер на рисунке | Артикул | Наименование | QTY | Кол-во на складе | Цена |
| 1 | 13200-96301-000 | Запчасть снята с производства - The Spare Part Is Laid Off (~308066) (The Spare Part Is Laid Off) | | под заказ | 0 руб. |
| 1 | 13200-963D0-000 | (актуальный код замены) Запчасть снята с производства - The Spare Part Is Laid Off | | под заказ | 0 руб. |
| 1 | 13200-96302-000 | Запчасть снята с производства - The Spare Part Is Laid Off (408067~) (The Spare Part Is Laid Off) | | под заказ | 0 руб. |
| 1 | 13200-963D0-000 | (актуальный код замены) Запчасть снята с производства - The Spare Part Is Laid Off | | под заказ | 0 руб. |
| 2 | 09492-85001-000 | Контрольная форсунка (85) - Jet, Pilot (85) (Jet, pilot (#85) # Jet, air (85); ) (Jet, Pilot (85)) | | под заказ | 0 руб. |
| 3 | 13271-93311-000 | Пружина - Spring (Spring, air screw # Spring, air screw; ) (Spring) | | 1 шт | 350 руб. |
| 4 | 13269-93311-000 | Винт контроля воздуха - Screw, Pilot Air (Screw, pilot air # Screw, pilot air; ) (Screw, Pilot Air) | | под заказ | 810 руб. |
| 5 | 13235-96300-000 | Nozzle - Nozzle (Nozzle) | | под заказ | 2160 руб. |
| 5 | 13235-94350-000 | (актуальный код замены) Nozzle | | под заказ | 2160 руб. |
| 5 | 13235-94350-000 | Nozzle - Nozzle (Nozzle) | | под заказ | 2160 руб. |
| 6 | 13250-93012-000 | Поплавок - Float (Float) | | под заказ | 1950 руб. |
| 7 | 13251-93310-000 | Прокладка поплавковой камеры - Gasket, Float Cahmber (Gasket, Float Cahmber) | | под заказ | 840 руб. |
| 7 | 13251-93320-000 | (актуальный код замены) Прокладка поплавковой камеры - Gasket, Float Cahmber | | под заказ | 840 руб. |
| 7 | 13251-93320-000 | Прокладка поплавковой камеры - Gasket, Float Cahmber (Gasket, float chamber ) (Gasket, Float Cahmber) | | под заказ | 840 руб. |
| 8 | 13254-93010-000 | Стопор поплавка - Pin, Float (Pin, Float) | | под заказ | 240 руб. |
| 8 | 13254-98300-000 | (актуальный код замены) Стопор поплавка - Pin, Float | | под заказ | 240 руб. |
| 8 | 13254-98300-000 | Стопор поплавка - Pin, Float (Pin, float ) (Pin, Float) | | под заказ | 240 руб. |
| 9 | 13370-28110-000 | Игольчатый клапан, в сборе - Valve Assy, Needle (Valve assy, needle # Valve assy, needle; ) (Valve Assy, Needle) | | 4 шт | 4350 руб. |
| 10 | 13268-96110-000 | Пружина, Дроссель Винт - Spring, Throttle Screw (Spring, throttle stop;) (Spring, Throttle Screw) | | под заказ | 350 руб. |
| 10 | 13268-96111-000 | (актуальный код замены) Пружина, Дроссель Винт - Spring, Throttle Screw | | под заказ | 350 руб. |
| 10 | 13268-96111-000 | Пружина, Дроссель Винт - Spring, Throttle Screw (Spring, throttle screw ) (Spring, Throttle Screw) | | под заказ | 350 руб. |
| 11 | 13267-96111-000 | Запчасть снята с производства - The Spare Part Is Laid Off (The Spare Part Is Laid Off) | | под заказ | 0 руб. |
| 12 | 09491-32006-000 | Главная форсунка (160) - Jet, Main (160) (Jet, main (160);) (Jet, Main (160)) | | под заказ | 1120 руб. |
| 12 | 09491-32012-000 | (актуальный код замены) Главная форсунка (160) - Jet, Main (160) | | 2 шт | 1120 руб. |
| 12 | 09491-32012-000 | Главная форсунка (160) - Jet, Main (160) (Jet, main (160) ) (Jet, Main (160)) | | 2 шт | 1120 руб. |
| 13 | 13392-58600-000 | Прокладка седла клапана - Gasket, Valve Seat (Gasket, valve seat # Gasket, valve seat; ) (Gasket, Valve Seat) | | 1 шт | 150 руб. |
| 14 | 13681-96300-000 | Рычаг, Emergency - Lever, Emergency (Lever, Emergency) | | под заказ | 4350 руб. |
| 14 | 13681-96301-000 | (актуальный код замены) Рычаг, Emergency - Lever, Emergency | | под заказ | 4350 руб. |
| 14 | 13681-96301-000 | Рычаг, Emergency - Lever, Emergency (Lever, chocke ) (Lever, Emergency) | | под заказ | 4350 руб. |
| 15 | 13682-96300-000 | Болт - Bolt (Bolt) | | 11 шт | 850 руб. |
| 16 | 09491-34004-000 | Запчасть снята с производства - The Spare Part Is Laid Off (Opt) (The Spare Part Is Laid Off) | | под заказ | 0 руб. |
| 16 | 09491-34008-000 | (актуальный код замены) Запчасть снята с производства - The Spare Part Is Laid Off | | под заказ | 0 руб. |
| 16 | 09491-33004-000 | Главная форсунка (165) - Jet, Main (165) (Jet, main (#165) # Jet, main (165); Opt ) (Jet, Main (165)) | | под заказ | 880 руб. |
| 16 | 09491-32006-000 | Главная форсунка (160) - Jet, Main (160) (Jet, main (160); Opt) (Jet, Main (160)) | | под заказ | 1120 руб. |
| 16 | 09491-32012-000 | (актуальный код замены) Главная форсунка (160) - Jet, Main (160) | | 2 шт | 1120 руб. |
| 16 | 09491-32012-000 | Главная форсунка (160) - Jet, Main (160) (Jet, main (160) ) (Jet, Main (160)) | | 2 шт | 1120 руб. |
| 16 | 09491-31003-000 | Контрольная форсунка (155) - Jet, Pilot (155) (Jet, main (155); Opt) (Jet, Pilot (155)) | | под заказ | 0 руб. |
| 16 | 09491-31014-000 | (актуальный код замены) Запчасть снята с производства - The Spare Part Is Laid Off | | под заказ | 0 руб. |
| 16 | 09491-31014-000 | Контрольная форсунка (155) - Jet, Pilot (155) (Jet, Pilot (155)) | | под заказ | 0 руб. |
| 17 | 13631-93500-000 | Рукоятка стартера - Knob, Starter (Knob, Starter) | | под заказ | 460 руб. |
| 17 | 13631-93501-000 | (актуальный код замены) Рукоятка стартера - Knob, Starter | | 2 шт | 460 руб. |
| 17 | 13631-93501-000 | Рукоятка стартера - Knob, Starter (Knob, Starter) | | 2 шт | 460 руб. |
| 18 | 09305-04005-000 | Втулка - Bush (Bush) | | под заказ | 160 руб. |
| 18 | 09320-04013-000 | (актуальный код замены) Подушка, Muf Cov - Cushion, Muf Cov | | под заказ | 160 руб. |
| 18 | 09320-04009-000 | Втулка - Bush (Bush) | | под заказ | 160 руб. |
| 18 | 09320-04013-000 | (актуальный код замены) Подушка, Muf Cov - Cushion, Muf Cov | | под заказ | 160 руб. |
Время выполнения запроса 2.3857908248901 сек. |
|