Подобрать оригинальные запчасти на лодочный мотор Suzuki DT30(R)S/L/LL/UL - Ignition
вконтакте

Контактный телефон: +7 (981) 121-46-93, +7 (800) 200-90-76 , Email: parts-katalog@yandex.ru, где купить

 
 

  Логин:

Пароль:

Регистрация

www.partskatalog.ru Все каталоги Запчасти Mercury Запчасти Suzuki Запчасти Tohatsu Запчасти Honda Контакты



УВАЖАЕМЫЕ КЛИЕНТЫ!
C 19 ДЕКАБРЯ 2025 ПО 02 МАРТА 2026 ГОДА ОТДЕЛ ЗАПЧАСТЕЙ И СЕРВИС РАБОТАТЬ НЕ БУДУТ
ПРОДАЖА ЛОДОЧНЫХ МОТОРОВ В ШТАТНОМ РЕЖИМЕ
ОБ ИЗМЕНЕНИЯХ В ГРАФИКЕ РАБОТЫ ЧИТАЙТЕ НА САЙТА



назад Раздел:   вперёд

Вернуться к выбору узлов мотора


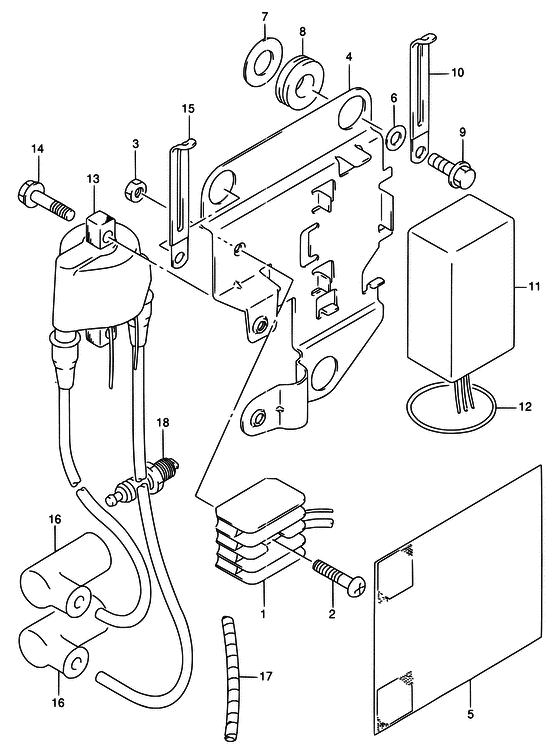
ДЕТАЛИРОВКА ДЛЯ МОДЕЛИ: SUZUKI DT30 VG

Ignition


Код модели двигателя: DT30(R)S/L/LL/UL

Год выпуска двигателя: 1986

Номер на
рисунке
АртикулНаименованиеQTYКол-во
на складе
Цена
132800-95D01-000

Выпрямитель в сборе - Rectifier Assy (ELECTRIC STARTER ) (Rectifier Assy)

под заказ10760 руб.
132800-95D02-000

   (актуальный код замены) Выпрямитель в сборе - Rectifier Assy

1 шт10760 руб.
202142-05257-000

Винт - Screw (Screw)

под заказ110 руб.
308310-00057-000

Гайка - Nut (Nut)

под заказ140 руб.
432890-96310-000

Держатель электрических частей - Holder, Electric Parts (Holder, Electric Parts)

под заказ2840 руб.
432890-91L00-000

   (актуальный код замены) Держатель электрических частей - Holder, Electric Parts

под заказ2840 руб.
432890-91L00-000

Держатель электрических частей - Holder, Electric Parts (Holder, Electric Parts)

под заказ2840 руб.
532916-88411-000

Крышка коннектора - Cover, Connector (Holder, connector ) (Cover, Connector)

под заказ1010 руб.
532916-88412-000

   (актуальный код замены) Крышка коннектора - Cover, Connector

под заказ1010 руб.
609160-06054-000

Шайба (6.5x22x1.6) - Washer (65x22x16) (Washer (6.5x22x1.6) # 12.5X26X1.6 ) (Washer (6.5x22x1.6))

под заказ120 руб.
709160-12056-000

Шайба (12.5x26x1.6) - Washer (125x26x16) (MODEL:95 12.5X26X1.6) (Washer (12.5x26x1.6))

под заказ150 руб.
709160-12089-000

   (актуальный код замены) Шайба (12.5x26x1.6) - Washer (12.5x26x1.6)

под заказ150 руб.
709160-12089-000

Шайба (12.5x26x1.6) - Washer (125x26x16) (Washer (12.5x26x1.6) ) (Washer (12.5x26x1.6))

под заказ150 руб.
709160-12089-000

Шайба (12.5x26x1.6) - Washer (125x26x16) (Washer (12.5x26x1.6) # MODEL:97~00 ) (Washer (12.5x26x1.6))

под заказ150 руб.
709160-12090-000

Шайба (12.5x26x1.6) - Washer (125x26x16) (MODEL:96 12.5X27X1.6) (Washer (12.5x26x1.6))

под заказ150 руб.
709160-12089-000

   (актуальный код замены) Шайба (12.5x26x1.6) - Washer (12.5x26x1.6)

под заказ150 руб.
709160-12089-000

Шайба (12.5x26x1.6) - Washer (125x26x16) (Washer (12.5x26x1.6) ) (Washer (12.5x26x1.6))

под заказ150 руб.
809320-12011-000

Подушка - Cushion (Cushion ) (Cushion)

под заказ150 руб.
809320-12090-000

   (актуальный код замены) Подушка (11.8x25x7.5) - Cushion (11.8x25x7.5)

под заказ150 руб.
901550-06127-000

Болт - Bolt (Bolt, rect ) (Bolt)

10 шт180 руб.
1009404-06432-000

Струбцина (l: 65) - Clamp (l:65) (Clamp (l:80) ) (Clamp (l:65))

8 шт170 руб.
1009404-06039-000

   (актуальный код замены) Струбцина (l: 65) - Clamp (l:65)

под заказ170 руб.
1132900-96320-000

Запчасть снята с производства - The Spare Part Is Laid Off (DT25K, MODEL:95) (The Spare Part Is Laid Off)

под заказ0 руб.
1132900-96361-000

Модуль C.D.I. - Unit, Cdi (DT25K, MODEL:96~00 <-2900-96360 ) (Unit, Cdi)

3 шт37200 руб.
1132900-96371-000

Модуль C.D.I. - Unit, Cdi (DT20/25/30 <-2900-96350 <-2900-96370 ) (Unit, Cdi)

под заказ37200 руб.
1209280-76005-000

Уплотнительное кольцо (d: 3.5, Id: 76) - O Ring (d:35, Id:76) (Band (d:3.5 id:76) ) (O Ring (d:3.5, Id:76))

под заказ300 руб.
1333410-96300-000

Катушка зажигания в сборе - Coil Assy, Ignition (Coil Assy, Ignition)

3 шт15490 руб.
1333410-96310-000

Катушка зажигания в сборе - Coil Assy, Ignition (DT25K:751420~) (Coil Assy, Ignition)

под заказ13490 руб.
1333410-96311-000

   (актуальный код замены) Катушка зажигания в сборе - Coil Assy, Ignition

под заказ13490 руб.
1333410-96311-000

Катушка зажигания в сборе - Coil Assy, Ignition (Coil Assy, Ignition)

под заказ13490 руб.
1402162-06167-000

Болт - Bolt (Bolt)

под заказ180 руб.
1401550-06167-000

   (актуальный код замены) Болт - Bolt

9 шт210 руб.
1401550-06167-000

Болт - Bolt (Bolt)

9 шт210 руб.
1509404-06432-000

Струбцина (l: 65) - Clamp (l:65) (Clamp (l:80) ) (Clamp (l:65))

8 шт170 руб.
1509404-06039-000

   (актуальный код замены) Струбцина (l: 65) - Clamp (l:65)

под заказ170 руб.
1633510-95520-000

Колпачок свечи зажигания - Cap, Spark Plug (Cap, spark plug # ~MODEL:95 ) (Cap, Spark Plug)

1 шт2100 руб.
1633510-98601-000

Колпачок свечи зажигания - Cap, Spark Plug (MODEL:96~00 ) (Cap, Spark Plug)

под заказ2860 руб.
1738423-95510-000

Трубка провода переключателя (l: 250) - Tube, Switch Lead (l:250) (L:150->0) (Tube, Switch Lead (l:250))

под заказ610 руб.
1733833-91J00-000

   (актуальный код замены) Трубка провода переключателя (l: 250) - Tube, Switch Lead (l:250)

под заказ610 руб.
1733833-91J00-000

Трубка провода переключателя (l: 250) - Tube, Switch Lead (l:250) (Tube, Switch Lead (l:250))

под заказ610 руб.
1809482-00532-000

Свеча зажигания (b7hs-10) - Plug, Spark (b7hs-10) (DT25K:E13, E36 DT25/30:E40 <-9482-00269 ) (Plug, Spark (b7hs-10))

под заказ540 руб.
1809482-00533-000

Свеча зажигания (br7hs-10) - Plug, Spark (br7hs-10) (Spark plug, br7hs # DT20/25/30 E01, E11 <-9482-00277 ) (Plug, Spark (br7hs-10))

22 шт900 руб.


Время выполнения запроса 0.90795302391052 сек.

 
 

данный сайт носит информационный характер и не является публичной офертой

склад запчастей для водомоторной техники