Подобрать оригинальные запчасти на лодочный мотор Suzuki DT30(R)S/L/LL/UL модель 1988 года - Кронштейн транца / Clamp bracket
вконтакте

Контактный телефон: +7 (981) 121-46-93, +7 (800) 200-90-76 , Email: parts-katalog@yandex.ru, где купить

 
 

  Логин:

Пароль:

Регистрация

www.partskatalog.ru Все каталоги Запчасти Mercury Запчасти Suzuki Запчасти Tohatsu Запчасти Honda Контакты



УВАЖАЕМЫЕ КЛИЕНТЫ!
C 19 ДЕКАБРЯ 2025 ПО 02 МАРТА 2026 ГОДА ОТДЕЛ ЗАПЧАСТЕЙ И СЕРВИС РАБОТАТЬ НЕ БУДУТ
ПРОДАЖА ЛОДОЧНЫХ МОТОРОВ В ШТАТНОМ РЕЖИМЕ
ОБ ИЗМЕНЕНИЯХ В ГРАФИКЕ РАБОТЫ ЧИТАЙТЕ НА САЙТА



назад Раздел:   вперёд

Вернуться к выбору узлов мотора


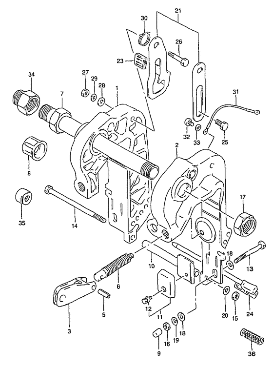
ДЕТАЛИРОВКА ДЛЯ МОДЕЛИ: SUZUKI DT30VJ J

Кронштейн транца


Код модели двигателя: DT30(R)S/L/LL/UL

Год выпуска двигателя: 1988

Регион: General Export No.1 ,Код региона: P01

Номер на
рисунке
АртикулНаименованиеQTYКол-во
на складе
Цена
141110-95D20-0ED

Кронштейн правого зажима - Bracket, Clamp Stbd (Bracket, clamp stbd (gray);) (Bracket, Clamp Stbd)

под заказ0 руб.
141111-95D90-0ED

   (актуальный код замены) Запчасть снята с производства - The Spare Part Is Laid Off

под заказ0 руб.
141111-95D90-0ED

Кронштейн правого зажима - Bracket, Clamp Stbd (Bracket, Clamp Stbd)

под заказ0 руб.
241120-95D30-0ED

Кронштейн левого зажима - Bracket, Clamp Port (Bracket, clamp port (gray);) (Bracket, Clamp Port)

под заказ0 руб.
241121-95D12-0ED

   (актуальный код замены) Запчасть снята с производства - The Spare Part Is Laid Off

под заказ0 руб.
241121-95D12-0ED

Кронштейн левого зажима - Bracket, Clamp Port (Bracket, Clamp Port)

под заказ0 руб.
341212-93000-0ED

Струбцина румпеля (gray) - Handle, Clamp (gray) (Handle, clamp (gray);) (Handle, Clamp (gray))

под заказ0 руб.
341212-93001-0ED

   (актуальный код замены) Запчасть снята с производства - The Spare Part Is Laid Off

под заказ0 руб.
341212-93001-0ED

Струбцина румпеля (gray) - Handle, Clamp (gray) (Handle, Clamp (gray))

под заказ0 руб.
441213-98100-000

Пластина струбцины - Plate, Clamp (Plate, clamp;) (Plate, Clamp)

под заказ390 руб.
441213-94J01-000

   (актуальный код замены) Пластина струбцины - Plate, Clamp

под заказ420 руб.
441213-94J01-000

Пластина струбцины - Plate, Clamp (Plate, Clamp)

под заказ420 руб.
509205-06007-000

Стопор пружины (6x25) - Pin, Spring (6x25) (Pin (6x27) # Pin, clamp handle; ) (Pin, Spring (6x25))

13 шт170 руб.
641211-93900-000

Винт зажима - Screw, Clamp (Screw, clamp, l:68 # Opt ) (Screw, Clamp)

под заказ1720 руб.
641211-93920-000

Винт зажима - Screw, Clamp (Screw, clamp, l:90 # Opt ) (Screw, Clamp)

под заказ1720 руб.
741130-96350-000

Труба кронштейна транца - Shaft, Clamp Bracket (Shaft, clamp brkt;) (Shaft, Clamp Bracket)

под заказ17620 руб.
741130-91L01-000

   (актуальный код замены) Вал Comp, Кронштейн транца - Shaft Comp, Clamp Bracket

под заказ17620 руб.
741130-91L00-000

Труба кронштейна транца - Shaft, Clamp Bracket (Shaft, Clamp Bracket)

под заказ17620 руб.
741130-91L01-000

   (актуальный код замены) Вал Comp, Кронштейн транца - Shaft Comp, Clamp Bracket

под заказ17620 руб.
741130-96360-000

Труба кронштейна транца - Shaft, Clamp Bracket (Model:00) (Shaft, Clamp Bracket)

под заказ17620 руб.
741130-91L01-000

   (актуальный код замены) Вал Comp, Кронштейн транца - Shaft Comp, Clamp Bracket

под заказ17620 руб.
841151-94500-000

Колпачок кронштейна транца Вал - Cap, Clamp Bracket Shaft (Cap, clamp brkt shaft; ) (Cap, Clamp Bracket Shaft)

под заказ280 руб.
941153-96300-000

Колпачок транцевого болта - Cap, Transom Bolt (Cap, transom bolt; ) (Cap, Transom Bolt)

под заказ370 руб.
1041310-96310-000

Тяга, Кронштейн транца Lwr - Rod, Clamp Bracket Lwr (Rod, clamp brkt lower # Rod, clamp brkt lower; ) (Rod, Clamp Bracket Lwr)

1 шт2520 руб.
1155320-95310-000

Защитный цинковый анод - Zinc Set, Protection (Zinc set, protection;) (Zinc Set, Protection)

под заказ1320 руб.
1155320-95311-000

   (актуальный код замены) Защитный цинковый анод - Zinc Set, Protection

16 шт1320 руб.
1155320-95311-000

Защитный цинковый анод - Zinc Set, Protection (Zinc Set, Protection)

16 шт1320 руб.
1209116-06094-000

Болт (6x15) - Bolt (6x15) (Bolt (6x15); ) (Bolt (6x15))

20 шт270 руб.
1309100-08239-000

Болт (8x90) - Bolt (8x90) (Bolt (8x90))

под заказ420 руб.
1309100-08311-000

   (актуальный код замены) Болт (8x90) - Bolt (8x90)

8 шт420 руб.
1309100-08311-000

Болт (8x90) - Bolt (8x90) (Bolt (8x90))

8 шт420 руб.
1409100-08295-000

Болт (8x165) - Bolt (8x165) (Bolt (8x165))

под заказ2160 руб.
1409100-08313-000

   (актуальный код замены) Болт (8x165) - Bolt (8x165)

под заказ2160 руб.
1409100-08313-000

Болт (8x165) - Bolt (8x165) (Bolt (8x165))

под заказ2160 руб.
1509140-08016-000

Гайка - Nut (Nut)

под заказ190 руб.
1509140-08023-XC0

Гайка - Nut (Nut)

14 шт190 руб.
1609140-08016-000

Гайка - Nut (Nut)

под заказ190 руб.
1609140-08023-XC0

Гайка - Nut (Nut)

14 шт190 руб.
1709159-22003-000

Гайка - Nut (Nut)

под заказ1950 руб.
1709159-22006-000

   (актуальный код замены) Гайка - Nut

8 шт1950 руб.
1709159-22006-000

Гайка - Nut (Nut)

8 шт1950 руб.
1809160-08081-000

Шайба (8.5x23x1.5) - Washer (85x23x15) (Washer, clutch lever ) (Washer (8.5x23x1.5))

4 шт210 руб.
1909162-08007-000

Шайба с блокировкой - Washer, Lock (Lock washer # Washer, lock; ) (Washer, Lock)

под заказ160 руб.
2009162-08007-000

Шайба с блокировкой - Washer, Lock (Lock washer # Washer, lock; ) (Washer, Lock)

под заказ160 руб.
2141200-95D00-000

Рычаг наклона - Arm Assy, Tilt (Arm Assy, Tilt)

под заказ3170 руб.
2141200-91L00-000

   (актуальный код замены) Рычаг наклона - Arm Assy, Tilt

1 шт3170 руб.
2141200-91L00-000

Рычаг наклона - Arm Assy, Tilt (Arm Assy, Tilt)

1 шт3170 руб.
2341225-94400-000

Резинка блокировки наклона Рычаг - Rubber, Tilt Lock Arm (Rubber, tilt lock lever # Rubber, tilt lock arm; ) (Rubber, Tilt Lock Arm)

под заказ340 руб.
2445420-95D03-000

Штифт блокировки наклона - Pin, Tilt Lock (Pin, Tilt Lock)

под заказ3720 руб.
2445420-95D04-000

   (актуальный код замены) Штифт блокировки наклона - Pin, Tilt Lock

1 шт3720 руб.
2445420-95D04-000

Штифт блокировки наклона - Pin, Tilt Lock (Pin, Tilt Lock)

1 шт3720 руб.
2509111-10032-000

Болт (10x20.5) - Bolt (10x205) (Bolt (10x20.5))

под заказ400 руб.
2509111-10067-000

   (актуальный код замены) Болт (10x20.5) - Bolt (10x20.5)

2 шт430 руб.
2509111-10067-000

Болт (10x20.5) - Bolt (10x205) (Bolt (10x20.5))

2 шт430 руб.
2609111-10055-000

Болт (10x48.5) - Bolt (10x485) (Bolt (10x48.5))

под заказ1440 руб.
2609111-10068-000

   (актуальный код замены) Болт (10x48.5) - Bolt (10x48.5)

под заказ1440 руб.
2609111-10068-000

Болт (10x48.5) - Bolt (10x485) (Bolt (10x48.5))

под заказ1440 руб.
2709140-10031-000

Гайка - Nut (Nut)

10 шт160 руб.
2809160-10082-000

Шайба (10.5x19x2) - Washer (105x19x2) (Washer ) (Washer (10.5x19x2))

19 шт120 руб.
2909162-10005-000

Шайба с блокировкой - Washer, Lock (Lock washer # Washer; ) (Washer, Lock)

под заказ130 руб.
3009448-29015-000

Пружина - Spring (Spring)

9 шт390 руб.
3136894-95201-000

Lead (l: 165) - Lead (l:165) (Lead (l:165))

под заказ1170 руб.
3209125-05050-000

Винт (5x8) - Screw (5x8) (Screw (5x8))

под заказ150 руб.
3309161-05114-000

Шайба (5.2x11x1) - Washer (52x11x1) (Washer (5.2x11.0x1.0) # Washer; ) (Washer (5.2x11x1))

под заказ290 руб.
3441141-94300-000

Соединитель рулевой системы Регулятор - Attachment, Steering Adjuster (Attachment, steering cable; Opt) (Attachment, Steering Adjuster)

под заказ6920 руб.
3441141-94301-000

   (актуальный код замены) Соединитель рулевой системы Регулятор - Attachment, Steering Adjuster

под заказ6920 руб.
3441141-94301-000

Соединитель рулевой системы Регулятор - Attachment, Steering Adjuster (Attachment, Steering Adjuster)

под заказ6920 руб.
3541161-94400-000

Сальник рулевого кабеля - Seal, Steering Cable (Seal, steering cable # Opt ) (Seal, Steering Cable)

16 шт1530 руб.
3609440-14016-000

Пружина - Spring (Spring, tilt stopper pin # Spring, tilt stopper pin; Opt ) (Spring)

под заказ0 руб.


Время выполнения запроса 1.2492110729218 сек.

 
 

данный сайт носит информационный характер и не является публичной офертой

склад запчастей для водомоторной техники