| |
 |
|
 |
Вернуться к выбору узлов мотора
ДЕТАЛИРОВКА ДЛЯ МОДЕЛИ: SUZUKI DT30VJ J
Электрика
Код модели двигателя: DT30(R)S/L/LL/UL
Год выпуска двигателя: 1988
Регион: General Export No.1 ,Код региона: P01
Номер на рисунке | Артикул | Наименование | QTY | Кол-во на складе | Цена |
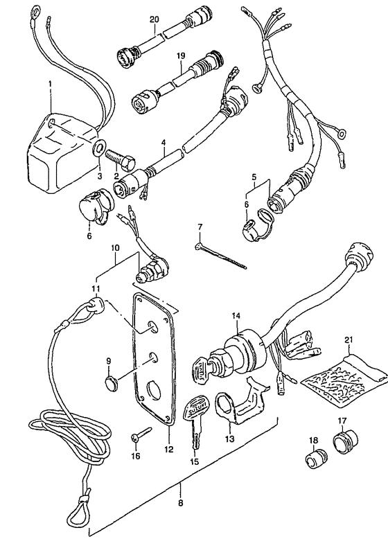
| 1 | 32500-95722-000 | Регулятор напряжения - Regulator Assy, Voltage (Regulator assy, voltage # Regulator, voltage; ) (Regulator Assy, Voltage) | | под заказ | 110400 руб. |
| 2 | 01500-06127-000 | Болт - Bolt (Bolt) | | под заказ | 150 руб. |
| 3 | 08322-01067-000 | Шайба - Washer (Washer) | | 10 шт | 160 руб. |
| 4 | 36620-87D20-000 | Удлинитель кабеля дистанционного управления (l: 5000) - Wire, Remocon Extension (l:5000) (Wiring harness, extension # Wiring harness, remo-con; L:5000 ) (Wire, Remocon Extension (l:5000)) | | под заказ | 17480 руб. |
| 4 | 36620-95302-000 | Удлинитель кабеля дистанционного управления (l: 2000) - Wire, Remocon Extension (l:2000) (Wiring harness, extension # Wiring harness, remo-con; L:2000 ) (Wire, Remocon Extension (l:2000)) | | под заказ | 12630 руб. |
| 4 | 36620-95D00-000 | Жгут проводов, WiКольцо Ext - Harness, Wiring Ext (Wiring harness 9 wires # Wiring harness, remo-con; ) (Harness, Wiring Ext) | | под заказ | 23620 руб. |
| 5 | 36630-96321-000 | Жгут проводов, WiКольцо Remocon (l: 820) - Harness, Wiring Remocon (l:820) (Wiring harness, remo-con, 2 ) (Harness, Wiring Remocon (l:820)) | | под заказ | 8210 руб. |
| 5 | 36630-96311-000 | Жгут проводов, WiКольцо Remocon (l: 660) - Harness, Wiring Remocon (l:660) (Wiring harness, remo-con, 1 ) (Harness, Wiring Remocon (l:660)) | | под заказ | 3460 руб. |
| 5 | 36630-96312-000 | (актуальный код замены) Жгут проводов Comp, Wrg R / con (l: 660) - Harness Comp, Wrg R/con (l:660) | | под заказ | 3460 руб. |
| 6 | 36631-94300-000 | Колпачок на дистанционное управление Жгут проводов - Cap, Remote Control Harness (Cap, remo-con harness; ) (Cap, Remote Control Harness) | | под заказ | 390 руб. |
| 7 | 09407-25402-000 | Струбцина (l: 250) - Clamp (l:250) (Clamp, tilt sw # Clamp, connector grommet; ) (Clamp (l:250)) | | под заказ | 350 руб. |
| 8 | 37100-95210-000 | | | под заказ | нет сведений |
| 8 | 37100-99E00-000 | Панель выключателя зажигания, в сборе - Panel Assy, Ignition Switch (Ignition switch set ) (Panel Assy, Ignition Switch) | | под заказ | 10610 руб. |
| 8 | 37100-99E01-000 | (актуальный код замены) Панель выключателя зажигания, в сборе - Panel Assy, Ignition Switch | | под заказ | 10610 руб. |
| 8 | 37803-99E04-000 | Панель аварийного выключателя двигателяitch - Panel Assy, Emergency Switch (Panel Assy, Emergency Switch) | | под заказ | 7400 руб. |
| 8 | 37803-99E06-000 | (актуальный код замены) Панель аварийного выключателя двигателяitch - Panel Assy, Emergency Switch | | под заказ | 7400 руб. |
| 9 | 09250-12006-000 | Колпачок (od: 20) - Cap (od:20) (Cap, panel; ) (Cap (od:20)) | | под заказ | 160 руб. |
| 9 | 09250-12016-000 | (актуальный код замены) Колпачок (od: 20) - Cap (od:20) | | под заказ | 160 руб. |
| 10 | 37820-95353-000 | Аварийный выключатель, в сборе - Switch Assy, Emergency (Switch Assy, Emergency) | | под заказ | 4710 руб. |
| 10 | 37820-92E05-000 | (актуальный код замены) Аварийный выключатель, в сборе - Switch Assy, Emergency | | 1 шт | 4710 руб. |
| 10 | 37820-92E04-000 | Аварийный выключатель, в сборе - Switch Assy, Emergency (Switch Assy, Emergency) | | под заказ | 4710 руб. |
| 10 | 37820-92E05-000 | (актуальный код замены) Аварийный выключатель, в сборе - Switch Assy, Emergency | | 1 шт | 4710 руб. |
| 11 | 37823-95251-000 | Колпачок, Emergency Переключатель - Cap, Emergency Switch (Cap ) (Cap, Emergency Switch) | | под заказ | 0 руб. |
| 12 | 37139-95251-000 | Запчасть снята с производства - The Spare Part Is Laid Off (The Spare Part Is Laid Off) | | под заказ | 0 руб. |
| 13 | 37150-93350-000 | Запчасть снята с производства - The Spare Part Is Laid Off (The Spare Part Is Laid Off) | | под заказ | 0 руб. |
| 14 | 37110-95210-000 | Запчасть снята с производства - The Spare Part Is Laid Off (The Spare Part Is Laid Off) | | под заказ | 0 руб. |
| 15 | 37141-93300-000 | Ключ, Spare (8511) - Key, Spare (8511) (Key, spare 8511 ) (Key, Spare (8511)) | | под заказ | 0 руб. |
| 15 | 37141-93310-000 | Ключ, Spare (8512) - Key, Spare (8512) (Key, spare 8512 ) (Key, Spare (8512)) | | под заказ | 0 руб. |
| 15 | 37141-93320-000 | Ключ, Spare (8513) - Key, Spare (8513) (Key, spare 8513 # Key, 8513; ) (Key, Spare (8513)) | | под заказ | 0 руб. |
| 15 | 37141-93330-000 | Ключ, Spare (8611) - Key, Spare (8611) (Key, spare 8611 ) (Key, Spare (8611)) | | под заказ | 0 руб. |
| 15 | 37141-93340-000 | Ключ, Spare (8612) - Key, Spare (8612) (Key, spare 8612 ) (Key, Spare (8612)) | | под заказ | 0 руб. |
| 15 | 37141-93350-000 | Ключ, Spare (8613) - Key, Spare (8613) (Key, spare 8613 ) (Key, Spare (8613)) | | под заказ | 0 руб. |
| 16 | 03112-04123-000 | Винт - Screw (Screw) | | под заказ | 130 руб. |
| 16 | 03111-0412A-000 | (актуальный код замены) Винт - Screw | | под заказ | 130 руб. |
| 16 | 03111-0412A-000 | Винт - Screw (Screw) | | под заказ | 130 руб. |
| 17 | 36612-94301-000 | Пыльник, Жгут проводов Коннектор - Grommet, Harness Connector (Grommet, cable no.1 # Grommet, 1; ) (Grommet, Harness Connector) | | под заказ | 500 руб. |
| 18 | 36613-94300-000 | Пыльник кабеля (no.2) - Grommet, Cable (no2) (Grommet, cable no.2 ) (Grommet, Cable (no.2)) | | под заказ | 430 руб. |
| 19 | 36641-94701-000 | Adapter (n.o) - Adapter (no) (Adapter (o.n) # Adapter (old->new); ) (Adapter (n.o)) | | под заказ | 0 руб. |
| 20 | 36642-94703-000 | Adapter (n.o) - Adapter (no) (Adapter (n.o) # Adapter (new->old); ) (Adapter (n.o)) | | под заказ | 0 руб. |
| 21 | 36990-87D00-000 | Клемма / Гильза Set - Terminal / Sleeve Set (Terminal & sleeve set # Terminal & sleeve set; ) (Terminal / Sleeve Set) | | 1 шт | 1720 руб. |
Время выполнения запроса 4.2969989776611 сек. |
|