Найти запчасти на лодочный мотор Сузуки DT30(R)S/L/LL/UL - Топливный бак
вконтакте

Контактный телефон: +7 (981) 121-46-93, +7 (800) 200-90-76 , Email: parts-katalog@yandex.ru, где купить

 
 

  Логин:

Пароль:

Регистрация

www.partskatalog.ru Все каталоги Запчасти Mercury Запчасти Suzuki Запчасти Tohatsu Запчасти Honda Контакты



УВАЖАЕМЫЕ КЛИЕНТЫ!
C 19 ДЕКАБРЯ 2025 ПО 02 МАРТА 2026 ГОДА ОТДЕЛ ЗАПЧАСТЕЙ И СЕРВИС РАБОТАТЬ НЕ БУДУТ
ПРОДАЖА ЛОДОЧНЫХ МОТОРОВ В ШТАТНОМ РЕЖИМЕ
ОБ ИЗМЕНЕНИЯХ В ГРАФИКЕ РАБОТЫ ЧИТАЙТЕ НА САЙТА



назад Раздел:   вперёд

Вернуться к выбору узлов мотора


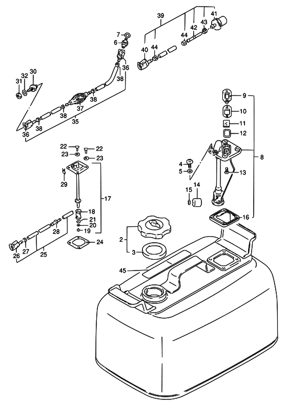
ДЕТАЛИРОВКА ДЛЯ МОДЕЛИ: SUZUKI DT30 L

Топливный бак


Код модели двигателя: DT30(R)S/L/LL/UL

Год выпуска двигателя: 1990

Цвет: California Gray Metallic

Номер на
рисунке
АртикулНаименованиеQTYКол-во
на складе
Цена
165800-92823-000

Запчасть снята с производства - The Spare Part Is Laid Off (6.3 U.S.GAL, 5.2 IMP.GAL) (The Spare Part Is Laid Off)

под заказ0 руб.
165800-92824-000

   (актуальный код замены) Запчасть снята с производства - The Spare Part Is Laid Off

под заказ0 руб.
265510-92D00-000

Крышка горловины топливного бака, в сборе - Cap Assy, Fuel Tank (Cap assy, separate tank ) (Cap Assy, Fuel Tank)

под заказ0 руб.
365561-92D00-000

Прокладка - Gasket (Gasket, tank cap ) (Gasket)

под заказ0 руб.
409125-06063-000

Винт (6x10) - Screw (6x10) (Screw (6x10))

6 шт190 руб.
509168-06004-000

Прокладка (6.2x11x1.2) - Gasket (62x11x12) (Washer (6x11.8x1.5) # MODEL:88 ) (Gasket (6.2x11x1.2))

под заказ120 руб.
509168-06026-000

Прокладка (6.4x11.5x0.8) - Gasket (64x115x08) (MODEL:89~92 ) (Gasket (6.4x11.5x0.8))

под заказ240 руб.
665720-94411-000

Топливный коннектор - Connector, Fuel (OD:13 <-5720-94410 ) (Connector, Fuel)

под заказ0 руб.
709168-12001-000

Прокладка (12.5x20x1) - Gasket (125x20x1) (Gasket # MODEL:88 ) (Gasket (12.5x20x1))

под заказ220 руб.
709168-12015-000

Прокладка (12.2x21x0.8) - Gasket (122x21x08) (MODEL 89~92) (Gasket (12.2x21x0.8))

под заказ350 руб.
709168-12015-XC0

   (актуальный код замены) Прокладка (12.2x21x0.8) - Gasket (12.2x21x0.8)

под заказ350 руб.
709168-12015-XC0

Прокладка (12.2x21x0.8) - Gasket (122x21x08) (Gasket (12.2x21x0.8))

под заказ350 руб.
865850-92D01-000

Прибор - измеритель уровня топлива - Gauge Assy, Fuel (Gauge assy, fuel # <-5850-92D00 ) (Gauge Assy, Fuel)

под заказ0 руб.
965855-92D00-000

Запчасть снята с производства - The Spare Part Is Laid Off (MODEL:88) (The Spare Part Is Laid Off)

под заказ0 руб.
965855-92D10-000

Крышка прибора - Cover, Gauge (MODEL:89~92 ) (Cover, Gauge)

под заказ0 руб.
1065854-92D10-000

Запчасть снята с производства - The Spare Part Is Laid Off (MODEL:88) (The Spare Part Is Laid Off)

под заказ0 руб.
1065854-92D20-000

Прокладка - Gasket (MODEL:89~92 ) (Gasket)

под заказ0 руб.
1165853-92D00-000

Lens - Lens (Lens)

под заказ0 руб.
1265854-92D00-000

Запчасть снята с производства - The Spare Part Is Laid Off (MODEL:88) (The Spare Part Is Laid Off)

под заказ0 руб.
1265854-92D30-000

Запчасть снята с производства - The Spare Part Is Laid Off (MODEL:89~92) (The Spare Part Is Laid Off)

под заказ0 руб.
1303222-04083-000

Винт - Screw (Screw)

под заказ140 руб.
1303221-0408A-000

   (актуальный код замены) Винт - Screw

под заказ140 руб.
1303221-0408A-000

Винт - Screw (Screw)

под заказ140 руб.
1465864-92D00-000

Запчасть снята с производства - The Spare Part Is Laid Off (The Spare Part Is Laid Off)

под заказ0 руб.
1565866-92D00-000

Push Гайка - Push Nut (Nut, push ) (Push Nut)

под заказ0 руб.
1665871-92D00-000

Прокладка, Fuel Gauge - Gasket, Fuel Gauge (Gasket, Fuel Gauge)

под заказ660 руб.
1765880-95200-000

Запчасть снята с производства - The Spare Part Is Laid Off (The Spare Part Is Laid Off)

под заказ0 руб.
1865830-93301-000

Запчасть снята с производства - The Spare Part Is Laid Off (The Spare Part Is Laid Off)

под заказ0 руб.
1909125-05050-000

Винт (5x8) - Screw (5x8) (Screw (5x8))

под заказ150 руб.
2008321-01057-000

Шайба с блокировкой - Washer, Lock (Washer, Lock)

под заказ140 руб.
2008321-0105A-000

   (актуальный код замены) Шайба с блокировкой - Washer, Lock

под заказ140 руб.
2008321-0105A-000

Шайба с блокировкой - Washer, Lock (Washer, Lock)

под заказ140 руб.
2108322-01057-000

Шайба - Washer (Washer, front hook holder ) (Washer)

под заказ140 руб.
2209125-06063-000

Винт (6x10) - Screw (6x10) (<-2112-06102 ) (Screw (6x10))

6 шт190 руб.
2309168-06004-000

Прокладка (6.2x11x1.2) - Gasket (62x11x12) (Washer (6x11.8x1.5) ) (Gasket (6.2x11x1.2))

под заказ120 руб.
2465871-93010-000

Прокладка, Fuel Gauge - Gasket, Fuel Gauge (Gasket, fuel gauge ) (Gasket, Fuel Gauge)

под заказ240 руб.
2565700-93950-000

Запчасть снята с производства - The Spare Part Is Laid Off (FOR KRSN, E13) (The Spare Part Is Laid Off)

под заказ0 руб.
2665750-94404-000

Разъём топливного шланга - Socket, Fuel Hose (Connector, fuel ) (Socket, Fuel Hose)

1 шт2130 руб.
2765781-98500-000

Зажим топливного шланга - Clip, Fuel Hose (Clip, Fuel Hose)

9 шт350 руб.
2865779-93900-000

Соединенине топливного шланга - Union, Fuel Hose (Union, Fuel Hose)

под заказ680 руб.
2909401-11403-000

Зажим - Clip (Clip # <-9401-11402 ) (Clip)

под заказ190 руб.
3065720-94401-000

Разъем топливного коннектора - Plug, Fuel Connector (OD:13, <-5720-94400) (Plug, Fuel Connector)

под заказ2480 руб.
3065720-94403-000

   (актуальный код замены) Разъем топливного коннектора - Plug, Fuel Connector

1 шт2480 руб.
3065720-94403-000

Разъем топливного коннектора - Plug, Fuel Connector (Plug, Fuel Connector)

1 шт2480 руб.
3108310-00107-000

Гайка - Nut (Nut)

под заказ170 руб.
3208321-01107-000

Шайба с блокировкой - Washer, Lock (Lock washer ) (Washer, Lock)

9 шт140 руб.
3565700-87D16-000

Топливный шланг (от бака до коннектораector) - Hose, Fuel (tank To Connector) (<-5700-87D15, L:2578) (Hose, Fuel (tank To Connector))

под заказ12820 руб.
3565700-87D95-000

   (актуальный код замены) Топливный шланг (от бака до коннектора) - Hose, Fuel (tank To Conn)

под заказ12820 руб.
3565700-87D92-000

Топливный шланг (от бака до коннектораector) - Hose, Fuel (tank To Connector) (Hose, Fuel (tank To Connector))

под заказ12820 руб.
3565700-87D95-000

   (актуальный код замены) Топливный шланг (от бака до коннектора) - Hose, Fuel (tank To Conn)

под заказ12820 руб.
3665750-94404-000

Разъём топливного шланга - Socket, Fuel Hose (Connector, fuel # OD:13 ) (Socket, Fuel Hose)

1 шт2130 руб.
3765770-95504-000

Запчасть снята с производства - The Spare Part Is Laid Off (<-5770-95503) (The Spare Part Is Laid Off)

под заказ0 руб.
3765770-95505-000

   (актуальный код замены) Запчасть снята с производства - The Spare Part Is Laid Off

под заказ0 руб.
3865781-98500-000

Зажим топливного шланга - Clip, Fuel Hose (Clip, Fuel Hose)

9 шт350 руб.
3965700-94420-000

Топливный шланг (krsn) - Hose, Fuel (krsn) (FOR KRSN, MODEL:91, 92/E13, E36 L:3100 ->5700-94430) (Hose, Fuel (krsn))

под заказ9320 руб.
3965700-94433-000

   (актуальный код замены) Топливный шланг (krsn) - Hose, Fuel (krsn)

под заказ9320 руб.
3965700-94433-000

Топливный шланг (krsn) - Hose, Fuel (krsn) (Hose, Fuel (krsn))

под заказ9320 руб.
4065750-94404-000

Разъём топливного шланга - Socket, Fuel Hose (Connector, fuel # FOR KRSN, MODEL:91, 92/E13, E36 ) (Socket, Fuel Hose)

1 шт2130 руб.
4165830-95500-000

Фильтр - Filter (FOR KRSN, MODEL:91, 92/E13, E36 ) (Filter)

под заказ1180 руб.
4265842-94400-000

Фильтр топливного шланга - Tube, Fuel Filter (FOR KRSN, MODEL:91, 92/E13, E36) (Tube, Fuel Filter)

под заказ600 руб.
4265842-94401-000

   (актуальный код замены) Фильтр топливного шланга - Tube, Fuel Filter

под заказ600 руб.
4265842-94401-000

Фильтр топливного шланга - Tube, Fuel Filter (Tube, Fuel Filter)

под заказ600 руб.
4309401-11407-000

Зажим - Clip (FOR KRSN, MODEL:91, 92/E13, E36 ) (Clip)

под заказ150 руб.
4465781-98500-000

Зажим топливного шланга - Clip, Fuel Hose (FOR KRSN, MODEL:91, 92/E13, E36 ) (Clip, Fuel Hose)

9 шт350 руб.
4565317-95230-000

Запчасть снята с производства - The Spare Part Is Laid Off (The Spare Part Is Laid Off)

под заказ0 руб.


Время выполнения запроса 2.0785620212555 сек.

 
 

данный сайт носит информационный характер и не является публичной офертой

склад запчастей для водомоторной техники