Подобрать оригинальные запчасти на лодочный мотор Suzuki DT30(R)S/L/LL/UL модель 1991 года - Поворотный кронштейн - Swivel bracket
вконтакте

Контактный телефон: +7 (981) 121-46-93, +7 (800) 200-90-76 , Email: parts-katalog@yandex.ru, где купить

 
 

  Логин:

Пароль:

Регистрация

www.partskatalog.ru Все каталоги Запчасти Mercury Запчасти Suzuki Запчасти Tohatsu Запчасти Honda Контакты



УВАЖАЕМЫЕ КЛИЕНТЫ!
C 19 ДЕКАБРЯ 2025 ПО 02 МАРТА 2026 ГОДА ОТДЕЛ ЗАПЧАСТЕЙ И СЕРВИС РАБОТАТЬ НЕ БУДУТ
ПРОДАЖА ЛОДОЧНЫХ МОТОРОВ В ШТАТНОМ РЕЖИМЕ
ОБ ИЗМЕНЕНИЯХ В ГРАФИКЕ РАБОТЫ ЧИТАЙТЕ НА САЙТА



назад Раздел:   вперёд

Вернуться к выбору узлов мотора


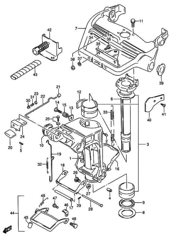
ДЕТАЛИРОВКА ДЛЯ МОДЕЛИ: SUZUKI DT30 M

Поворотный кронштейн


Код модели двигателя: DT30(R)S/L/LL/UL

Год выпуска двигателя: 1991

Цвет: California Gray Metallic

Номер на
рисунке
АртикулНаименованиеQTYКол-во
на складе
Цена
143111-96335-02M

(->3111-96351-0ED USED WITH 41130-96350 41310-96310, 45420-95D03 09100-08295)

под заказ0 руб.
141130-91L00-000

Труба кронштейна транца - Shaft, Clamp Bracket (Shaft, Clamp Bracket)

под заказ17620 руб.
141130-91L01-000

   (актуальный код замены) Вал Comp, Кронштейн транца - Shaft Comp, Clamp Bracket

под заказ17620 руб.
141310-96310-000

Тяга, Кронштейн транца Lwr - Rod, Clamp Bracket Lwr (Rod, clamp brkt lower ) (Rod, Clamp Bracket Lwr)

1 шт2520 руб.
143111-96352-0ED

Поворотный кронштейн - Bracket, Swivel (Bracket, Swivel)

под заказ0 руб.
145420-95D04-000

Штифт блокировки наклона - Pin, Tilt Lock (Pin, Tilt Lock)

1 шт3720 руб.
109100-08313-000

Болт (8x165) - Bolt (8x165) (Bolt (8x165))

под заказ2160 руб.
109100-08313-000

Болт (8x165) - Bolt (8x165) (Bolt (8x165))

под заказ2160 руб.
109100-08313-000

Болт (8x165) - Bolt (8x165) (Bolt (8x165))

под заказ2160 руб.
143111-96350-0ED

(->3111-96351-0ED USED WITH 41130-96350 41310-96310, 45420-95D03 09100-08295)

под заказнет сведений
141310-96310-000

Тяга, Кронштейн транца Lwr - Rod, Clamp Bracket Lwr (Rod, clamp brkt lower ) (Rod, Clamp Bracket Lwr)

1 шт2520 руб.
143111-96352-0ED

Поворотный кронштейн - Bracket, Swivel (Bracket, Swivel)

под заказ0 руб.
145420-95D04-000

Штифт блокировки наклона - Pin, Tilt Lock (Pin, Tilt Lock)

1 шт3720 руб.
109100-08313-000

Болт (8x165) - Bolt (8x165) (Bolt (8x165))

под заказ2160 руб.
109100-08313-000

Болт (8x165) - Bolt (8x165) (Bolt (8x165))

под заказ2160 руб.
109100-08313-000

Болт (8x165) - Bolt (8x165) (Bolt (8x165))

под заказ2160 руб.
143111-96351-0ED

Поворотный кронштейн - Bracket, Swivel (MODEL:95~00) (Bracket, Swivel)

под заказ0 руб.
143111-96352-0ED

   (актуальный код замены) Запчасть снята с производства - The Spare Part Is Laid Off

под заказ0 руб.
143111-96352-0ED

Поворотный кронштейн - Bracket, Swivel (Bracket, Swivel)

под заказ0 руб.
222511-99010-000

Ниппель смазки - Nipple, Grease (<-2511-99003) (Nipple, Grease)

под заказ340 руб.
222511-99011-000

   (актуальный код замены) Ниппель смазки - Nipple, Grease

9 шт400 руб.
222511-99011-000

Ниппель смазки - Nipple, Grease (Nipple, Grease)

9 шт400 руб.
343710-96300-000

Втулка рулевой системы - Bush Set, Steering (Bush Set, Steering)

под заказ3170 руб.
343710-91L00-000

   (актуальный код замены) Втулка рулевой системы - Bush Set, Steering

2 шт3830 руб.
343710-91L00-000

Втулка рулевой системы - Bush Set, Steering (Bush Set, Steering)

2 шт3830 руб.
409205-06013-000

Стопор пружины (6x16) - Pin, Spring (6x16) (Pin, Spring (6x16))

под заказ150 руб.
509205-02006-000

Стопор пружины (2x12) - Pin, Spring (2x12) (Pin, spring ) (Pin, Spring (2x12))

10 шт140 руб.
643741-96302-01T

(->3741-96304-0ED USED WITH 43712-96310 09284-40001)

под заказнет сведений
609284-40001-000

Сальник (40x49x4) - Seal, Oil (40x49x4) (Seal, Oil (40x49x4))

под заказ610 руб.
643741-96304-0ED

Вал, Рулевая система (gray) - Shaft, Steering (gray) (Shaft, pilot (gray) ) (Shaft, Steering (gray))

под заказ0 руб.
643741-96302-02M

(->3741-96304-0ED USED WITH 43712-96310 09284-40001)

под заказнет сведений
609284-40001-000

Сальник (40x49x4) - Seal, Oil (40x49x4) (Seal, Oil (40x49x4))

под заказ610 руб.
643741-96304-0ED

Вал, Рулевая система (gray) - Shaft, Steering (gray) (Shaft, pilot (gray) ) (Shaft, Steering (gray))

под заказ0 руб.
643741-96304-0ED

Вал, Рулевая система (gray) - Shaft, Steering (gray) (Shaft, pilot (gray) # <-3741-96303-0ED ) (Shaft, Steering (gray))

под заказ0 руб.
743751-96323-01T

(->3751-96351-0ED USED WITH 43753-96310 63116-96301)

под заказнет сведений
743751-96401-0ED

Запчасть снята с производства - The Spare Part Is Laid Off (The Spare Part Is Laid Off)

под заказ0 руб.
743753-96310-000

Трубка тросика дросселя - Tube, Throttle Cable (Tube, throttle cable ) (Tube, Throttle Cable)

под заказ370 руб.
763116-96301-000

Втулка ручки румпеля - Bush, Tiller Handle (Bush, tiller handle ) (Bush, Tiller Handle)

под заказ560 руб.
763121-96401-0ED

Крышка румпеля - Cover, Tiller Handle (Cover, Tiller Handle)

под заказ0 руб.
743751-96323-02M

(->3751-96351-0ED USED WITH 43753-96310 63116-96301)

под заказнет сведений
743751-96401-0ED

Запчасть снята с производства - The Spare Part Is Laid Off (The Spare Part Is Laid Off)

под заказ0 руб.
743753-96310-000

Трубка тросика дросселя - Tube, Throttle Cable (Tube, throttle cable ) (Tube, Throttle Cable)

под заказ370 руб.
763116-96301-000

Втулка ручки румпеля - Bush, Tiller Handle (Bush, tiller handle ) (Bush, Tiller Handle)

под заказ560 руб.
763121-96401-0ED

Крышка румпеля - Cover, Tiller Handle (Cover, Tiller Handle)

под заказ0 руб.
743751-96323-0ED

(->3751-96351-0ED USED WITH 43753-96310 63116-96301)

под заказнет сведений
743751-96401-0ED

Запчасть снята с производства - The Spare Part Is Laid Off (The Spare Part Is Laid Off)

под заказ0 руб.
743753-96310-000

Трубка тросика дросселя - Tube, Throttle Cable (Tube, throttle cable ) (Tube, Throttle Cable)

под заказ370 руб.
763116-96301-000

Втулка ручки румпеля - Bush, Tiller Handle (Bush, tiller handle ) (Bush, Tiller Handle)

под заказ560 руб.
763121-96401-0ED

Крышка румпеля - Cover, Tiller Handle (Cover, Tiller Handle)

под заказ0 руб.
743751-96351-0ED

(MODEL:93, 94 ->3751-96400-0ED USED WITH 63121-96400-0ED)

под заказнет сведений
743751-96401-0ED

Запчасть снята с производства - The Spare Part Is Laid Off (The Spare Part Is Laid Off)

под заказ0 руб.
763121-96401-0ED

Крышка румпеля - Cover, Tiller Handle (Cover, Tiller Handle)

под заказ0 руб.
743751-96400-0ED

Запчасть снята с производства - The Spare Part Is Laid Off (MODEL:95~00) (The Spare Part Is Laid Off)

под заказ0 руб.
743751-96401-0ED

   (актуальный код замены) Запчасть снята с производства - The Spare Part Is Laid Off

под заказ0 руб.
743751-96401-0ED

Запчасть снята с производства - The Spare Part Is Laid Off (The Spare Part Is Laid Off)

под заказ0 руб.
809160-40005-000

Шайба (40x58x2) - Washer (40x58x2) (Washer (40x58x2) ) (Washer (40x58x2))

под заказ460 руб.
909284-40001-000

Сальник (40x49x4) - Seal, Oil (40x49x4) (Seal, Oil (40x49x4))

под заказ610 руб.
1009306-22004-000

Втулка - Bush (Bush (od:40) ) (Bush)

2 шт490 руб.
1009306-10010-000

Запчасть снята с производства - The Spare Part Is Laid Off (E13, E36, E40, ~MODEL:92) (The Spare Part Is Laid Off)

под заказ0 руб.
1109117-08074-000

Болт (8x22) - Bolt (8x22) (Bolt (8x22))

под заказ730 руб.
1109116-08149-000

   (актуальный код замены) Болт (8x22) - Bolt (8x22)

под заказ730 руб.
1109116-08149-000

Болт (8x22) - Bolt (8x22) (Bolt (8x22))

под заказ730 руб.
1243411-96300-000

Регулировка рулевой системы - Adjuster, Steering (Adjuster, steering ) (Adjuster, Steering)

1 шт620 руб.
1343421-96302-000

Втулка, Регулятор Болт - Bush, Adjuster Bolt (<-3421-96301 ) (Bush, Adjuster Bolt)

1 шт970 руб.
1409119-08044-000

Болт - Bolt (Bolt (8x23) ) (Bolt)

под заказ0 руб.
1509440-12036-000

Пружина - Spring (MODEL:92~00 ) (Spring)

под заказ230 руб.
1509440-13045-000

Запчасть снята с производства - The Spare Part Is Laid Off (MODEL:86~91) (The Spare Part Is Laid Off)

под заказ0 руб.
1645231-96302-000

Рычаг блокировки реверса - Arm, Reverse Lock (Arm, reverse lock ) (Arm, Reverse Lock)

под заказ1400 руб.
1745246-96302-000

Проставка, Рычаг блокировки задней передачи - Spacer, Reverse Lock Arm (Spacer ) (Spacer, Reverse Lock Arm)

под заказ380 руб.
1845241-96303-000

Тяга рычага блокировки реверса - Link, Reverse Lock Arm (Link, reverse lock arm ) (Link, Reverse Lock Arm)

под заказ1320 руб.
1945252-96303-000

Тяга рычага блокировки - Link, Release Lever (Link, release lever # <-5252-96302 ) (Link, Release Lever)

4 шт650 руб.
2045255-96302-000

Ручка освобождающего рычага - Knob, Release Lever (Knob, release lever # <-5255-96300 ) (Knob, Release Lever)

под заказ610 руб.
2145257-96300-000

Втулка рычага блокировки (swivel) - Bush, Release Lever (swivel) (Bush, release lever ) (Bush, Release Lever (swivel))

под заказ150 руб.
2245260-96300-000

Освобождающий рычаг - Lever, Release (Lever, Release)

под заказ570 руб.
2309160-04012-000

Шайба (4.2x10x1) - Washer (42x10x1) (Washer (4.2x10x1) ) (Washer (4.2x10x1))

под заказ120 руб.
2445311-96302-0ED

Кронштейн, Release Рычаг - Bracket, Release Lever (<-5311-96302-02M <-5311-96302-01T) (Bracket, Release Lever)

под заказ4520 руб.
2445311-91L00-0ED

   (актуальный код замены) Кронштейн, Release Рычаг - Bracket, Release Lever

под заказ4520 руб.
2445311-91L00-0ED

Кронштейн, Release Рычаг - Bracket, Release Lever (Bracket, Release Lever)

под заказ4520 руб.
2509116-05010-000

Болт (5x12) - Bolt (5x12) (Bolt, trim sender cam (5x12) ) (Bolt (5x12))

7 шт220 руб.
2609111-10034-000

Болт (10x16.5) - Bolt (10x165) (Bolt (10x16.5))

под заказ670 руб.
2609111-10066-000

   (актуальный код замены) Болт (10x16.5) - Bolt (10x16.5)

под заказ670 руб.
2609111-10066-000

Болт (10x16.5) - Bolt (10x165) (Bolt (10x16.5))

под заказ670 руб.
2709140-10032-000

Гайка - Nut (Nut)

10 шт160 руб.
2809200-05011-000

Штифт (l: 101) - Pin (l:101) (Pin (l:101))

под заказ960 руб.
2909204-01002-000

Штифт - Pin (Cotter pin ) (Pin)

24 шт140 руб.
3009319-04001-000

Втулка - Bush (Bush)

под заказ160 руб.
3109440-04021-000

Пружина - Spring (Spring)

под заказ120 руб.
3209443-05013-000

Пружина - Spring (Spring)

10 шт350 руб.
3309443-09036-000

Пружина - Spring (Spring)

под заказ1180 руб.
3467100-96300-000

Соединитель рулевой системы Шнур End - Attachment, Steering Rope End (Attachment set # E01:OPT, E17:STD ) (Attachment, Steering Rope End)

под заказ15890 руб.
3543755-96310-000

Соединитель кронштейна рулевой системы - Attachment, Steering Bracket (E01:OPT, E17:STD <-3755-96301) (Attachment, Steering Bracket)

под заказ15510 руб.
3543755-96320-000

   (актуальный код замены) Соединитель кронштейна рулевой системы - Attachment, Steering Bracket

2 шт15510 руб.
3543755-96320-000

Соединитель кронштейна рулевой системы - Attachment, Steering Bracket (Attachment, Steering Bracket)

2 шт15510 руб.
3609100-08224-000

Болт (8x35) - Bolt (8x35) (E01:OPT, E17:STD) (Bolt (8x35))

под заказ470 руб.
3609100-08224-XC0

   (актуальный код замены) Болт (8x35) - Bolt (8x35)

40 шт470 руб.
3609100-08224-XC0

Болт (8x35) - Bolt (8x35) (Bolt (8x35))

40 шт470 руб.
3709162-08007-000

Шайба с блокировкой - Washer, Lock (Lock washer # E01:OPT, E17:STD ) (Washer, Lock)

под заказ160 руб.
3809140-08016-000

Гайка - Nut (E01:OPT, E17:STD) (Nut)

под заказ190 руб.
3809140-08023-XC0

Гайка - Nut (Nut)

14 шт190 руб.
3909250-33001-000

Колпачок (od: 40) - Cap (od:40) (DT20R/30R ) (Cap (od:40))

под заказ410 руб.
3909250-33002-000

   (актуальный код замены) Колпачок (od: 40) - Cap (od:40)

под заказ410 руб.
3943116-96300-000

Крышка поворотного кронштейна - Cap, Swivel Bracket (E13, E36, E40 ~MODEL:93 ) (Cap, Swivel Bracket)

под заказ0 руб.
4043754-94301-0ED

Запчасть снята с производства - The Spare Part Is Laid Off (<-3754-94301-02M <-3754-94301-01T) (The Spare Part Is Laid Off)

под заказ0 руб.
4103142-05103-000

Винт - Screw (RE01, RE02, RE17) (Screw)

под заказ200 руб.
4103142-0510B-000

   (актуальный код замены) Винт - Screw

под заказ200 руб.
4103142-0510B-000

Винт - Screw (Screw)

под заказ200 руб.
4267100-99700-000

Соединитель Set, Strg Шнур End - Attachment Set, Strg Rope End (STD E01, E11 OPT E13, E36, E40) (Attachment Set, Strg Rope End)

под заказ15220 руб.
4267110-99710-000

   (актуальный код замены) Соединитель Set, Strg Шнур End - Attachment Set, Strg Rope End

под заказ15220 руб.
4267110-99710-000

Соединитель Set, Strg Шнур End - Attachment Set, Strg Rope End (Attachment Set, Strg Rope End)

под заказ15220 руб.
4343753-96310-000

Трубка тросика дросселя - Tube, Throttle Cable (Tube, throttle cable # MODEL:93~00 ) (Tube, Throttle Cable)

под заказ370 руб.
4445700-96313-000

Shallow Water Drive - Shallow Water Drive (Shallow drive assy # OPT ) (Shallow Water Drive)

под заказ6770 руб.
4545255-95500-000

Ручка освобождающего рычага - Knob, Release Lever (Knob, release lever # OPT ) (Knob, Release Lever)

под заказ460 руб.
4645731-96310-000

Кронштейн, Пружина - Bracket, Spring (OPT) (Bracket, Spring)

под заказ530 руб.
4645731-96312-000

   (актуальный код замены) Кронштейн, Пружина - Bracket, Spring

под заказ530 руб.
4645731-96312-000

Кронштейн, Пружина - Bracket, Spring (Bracket, Spring)

под заказ530 руб.
4709117-06038-000

Болт (6x16) - Bolt (6x16) (OPT) (Bolt (6x16))

под заказ220 руб.
4709117-06030-000

   (актуальный код замены) Болт (6x16) - Bolt (6x16)

под заказ220 руб.
4709117-06030-000

Болт (6x16) - Bolt (6x16) (Bolt (6x16) ) (Bolt (6x16))

под заказ220 руб.
4809111-10032-000

Болт (10x20.5) - Bolt (10x205) (OPT, MODEL:88) (Bolt (10x20.5))

под заказ400 руб.
4809111-10067-000

   (актуальный код замены) Болт (10x20.5) - Bolt (10x20.5)

2 шт430 руб.
4809111-10067-000

Болт (10x20.5) - Bolt (10x205) (Bolt (10x20.5))

2 шт430 руб.
4809111-10045-000

Болт (10x20.8) - Bolt (10x208) (OPT, MODEL:89~00 ) (Bolt (10x20.8))

под заказ630 руб.
4909443-08031-000

Пружина - Spring (OPT ) (Spring)

под заказ520 руб.


Время выполнения запроса 4.3660318851471 сек.

 
 

данный сайт носит информационный характер и не является публичной офертой

склад запчастей для водомоторной техники