Купить оригинальные запчасти на подвесной двигатель SUZUKI DT30C(R)S/L модель 1993 года - Топливный насос
вконтакте

Контактный телефон: +7 (981) 121-46-93, +7 (800) 200-90-76 , Email: parts-katalog@yandex.ru, где купить

 
 

  Логин:

Пароль:

Регистрация

www.partskatalog.ru Все каталоги Запчасти Mercury Запчасти Suzuki Запчасти Tohatsu Запчасти Honda Контакты



УВАЖАЕМЫЕ КЛИЕНТЫ!
C 19 ДЕКАБРЯ 2025 ПО 02 МАРТА 2026 ГОДА ОТДЕЛ ЗАПЧАСТЕЙ И СЕРВИС РАБОТАТЬ НЕ БУДУТ
ПРОДАЖА ЛОДОЧНЫХ МОТОРОВ В ШТАТНОМ РЕЖИМЕ
ОБ ИЗМЕНЕНИЯХ В ГРАФИКЕ РАБОТЫ ЧИТАЙТЕ НА САЙТА



назад Раздел:   вперёд

Вернуться к выбору узлов мотора


ДЕТАЛИРОВКА ДЛЯ МОДЕЛИ: SUZUKI DT30CP(K-Y) P

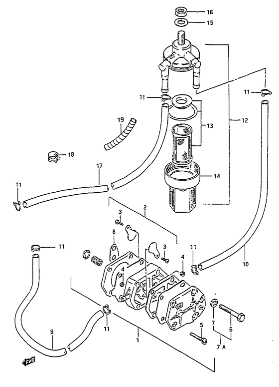
Топливный насос


Код модели двигателя: DT30C(R)S/L

Год выпуска двигателя: 1993

Регион: General Export No.1 ,Код региона: P01

Цвет: California Gray Metallic

Номер на
рисунке
АртикулНаименованиеQTYКол-во
на складе
Цена
115100-94303-000

Топливный насос, в сборе - Pump Assy, Fuel (Pump Assy, Fuel)

под заказ10370 руб.
115100-94312-000

   (актуальный код замены) Топливный насос, в сборе - Pump Assy, Fuel

3 шт12370 руб.
115100-94311-000

Топливный насос, в сборе - Pump Assy, Fuel (Pump Assy, Fuel)

4 шт12370 руб.
115100-94312-000

   (актуальный код замены) Топливный насос, в сборе - Pump Assy, Fuel

3 шт12370 руб.
215170-94311-000

Диафрагма Set - Diaphragm Set (Diaphragm set ) (Diaphragm Set)

3 шт3320 руб.
215170-94312-000

   (актуальный код замены) Диафрагма Set - Diaphragm Set

под заказ3320 руб.
315183-94301-000

Винт - Screw (Screw)

под заказ170 руб.
415186-94300-000

Гайка - Nut (Nut)

под заказ160 руб.
515851-94300-000

Винт - Screw (Screw ) (Screw)

под заказ260 руб.
601500-06403-000

Болт - Bolt (Bolt)

под заказ190 руб.
601500-0640B-000

   (актуальный код замены) Болт - Bolt

под заказ190 руб.
601500-0640B-000

Болт - Bolt (Bolt)

под заказ190 руб.
708321-01067-000

Шайба с блокировкой - Washer, Lock (Washer, Lock)

под заказ140 руб.
701570-06407-000

Болт - Bolt (Model:94 ) (Bolt)

под заказ230 руб.
815321-99710-000

Прокладка топливного насоса (na) - Gasket, Fuel Pump (na) (Gasket, fuel pump # Gasket, fuel pump; ) (Gasket, Fuel Pump (na))

8 шт370 руб.
909352-50903-600

Шланг (5x9x600) - Hose (5x9x600) (Hose (pump to carb); L:600->130 ) (Hose (5x9x600))

под заказ570 руб.
909352-50006-600

   (актуальный код замены) Шланг (5x9x600) - Hose (5x9x600)

1 шт570 руб.
1009352-50903-600

Шланг (5x9x600) - Hose (5x9x600) (Hose (filter to pump); L:600->120 ) (Hose (5x9x600))

под заказ570 руб.
1009352-50006-600

   (актуальный код замены) Шланг (5x9x600) - Hose (5x9x600)

1 шт570 руб.
1109401-08410-000

Зажим - Clip (Model:88-90 ) (Clip)

под заказ130 руб.
1215410-93400-000

Топливный фильтр в сборе - Filter Assy, Fuel (Filter Assy, Fuel)

под заказ2280 руб.
1215410-94401-000

   (актуальный код замены) Топливный фильтр в сборе - Filter Assy, Fuel

32 шт2280 руб.
1215410-94400-000

Топливный фильтр в сборе - Filter Assy, Fuel (Filter Assy, Fuel)

3 шт2280 руб.
1215410-94401-000

   (актуальный код замены) Топливный фильтр в сборе - Filter Assy, Fuel

32 шт2280 руб.
1215410-93411-000

Топливный фильтр в сборе - Filter Assy, Fuel (02507-461841- (dt25c), 02506-461056- (dt25ac), 03003-461516- (dt30c)) (Filter Assy, Fuel)

под заказ2280 руб.
1215410-94401-000

   (актуальный код замены) Топливный фильтр в сборе - Filter Assy, Fuel

32 шт2280 руб.
1315430-93410-000

Фильтр Set - Filter Set (Strainer set # Strainer set; For 15410-93400 ) (Filter Set)

под заказ1360 руб.
1315430-93412-000

   (актуальный код замены) Фильтр Set - Filter Set

под заказ1360 руб.
1315430-93411-000

Фильтр Set - Filter Set (Strainer set # Strainer set; For 15410-93411 ) (Filter Set)

под заказ1230 руб.
1415413-93400-000

Cвыше - Cup (Cup ) (Cup)

под заказ0 руб.
1508322-01087-000

Шайба - Washer (Lock washer # Washer; ) (Washer)

под заказ140 руб.
1608310-00087-000

Гайка - Nut (Nut)

под заказ140 руб.
1709352-50903-600

Шланг (5x9x600) - Hose (5x9x600) (Hose (connector to filter); L:600->250 ) (Hose (5x9x600))

под заказ570 руб.
1709352-50006-600

   (актуальный код замены) Шланг (5x9x600) - Hose (5x9x600)

1 шт570 руб.
1809401-08411-000

Зажим - Clip (Model:91-94 ) (Clip)

8 шт130 руб.
1916911-92E20-000

Защита (9x11x540) - Protector (9x11x540) (Protector; L:450->65 ) (Protector (9x11x540))

под заказ810 руб.


Время выполнения запроса 1.1257619857788 сек.

 
 

данный сайт носит информационный характер и не является публичной офертой

склад запчастей для водомоторной техники