Купить оригинальные запчасти на лодочный мотор SUZUKI DT30(R)S/L/LL/UL - Топливный насос
вконтакте

Контактный телефон: +7 (981) 121-46-93, +7 (800) 200-90-76 , Email: parts-katalog@yandex.ru, где купить

 
 

  Логин:

Пароль:

Регистрация

www.partskatalog.ru Все каталоги Запчасти Mercury Запчасти Suzuki Запчасти Tohatsu Запчасти Honda Контакты



УВАЖАЕМЫЕ КЛИЕНТЫ!
C 19 ДЕКАБРЯ 2025 ПО 02 МАРТА 2026 ГОДА ОТДЕЛ ЗАПЧАСТЕЙ И СЕРВИС РАБОТАТЬ НЕ БУДУТ
ПРОДАЖА ЛОДОЧНЫХ МОТОРОВ В ШТАТНОМ РЕЖИМЕ
ОБ ИЗМЕНЕНИЯХ В ГРАФИКЕ РАБОТЫ ЧИТАЙТЕ НА САЙТА



назад Раздел:   вперёд

Вернуться к выбору узлов мотора


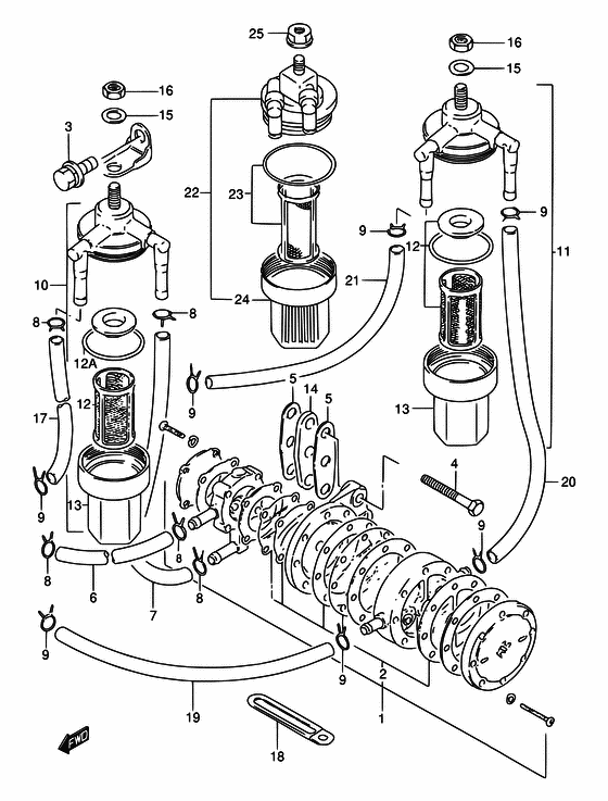
ДЕТАЛИРОВКА ДЛЯ МОДЕЛИ: SUZUKI DT30 T

Топливный насос


Код модели двигателя: DT30(R)S/L/LL/UL

Год выпуска двигателя: 1996

Цвет: California Gray Metallic

Номер на
рисунке
АртикулНаименованиеQTYКол-во
на складе
Цена
115100-94360-000

Топливный насос, в сборе - Pump Assy, Fuel (<-5100-94350) (Pump Assy, Fuel)

под заказ17520 руб.
115100-94362-000

   (актуальный код замены) Топливный насос, в сборе - Pump Assy, Fuel

под заказ17520 руб.
115100-9436V-000

Топливный насос, в сборе - Pump Assy, Fuel (Pump Assy, Fuel)

2 шт17520 руб.
115100-94362-000

   (актуальный код замены) Топливный насос, в сборе - Pump Assy, Fuel

под заказ17520 руб.
215170-94460-000

Диафрагма Set, Топливный насос - Diaphragm Set, Fuel Pump (<-5170-94350 ) (Diaphragm Set, Fuel Pump)

под заказ3170 руб.
215170-94461-000

   (актуальный код замены) Диафрагма Set, Топливный насос - Diaphragm Set, Fuel Pump

под заказ3170 руб.
301580-08207-000

Болт - Bolt (Bolt)

под заказ240 руб.
401570-06307-000

Болт - Bolt (Bolt)

под заказ230 руб.
515321-99710-000

Прокладка топливного насоса (na) - Gasket, Fuel Pump (na) (Gasket, fuel pump # <-5321-99700 ) (Gasket, Fuel Pump (na))

8 шт370 руб.
609352-50903-600

Шланг (5x9x600) - Hose (5x9x600) (GASOLINE, L:600->80 PUMP TO CARB ) (Hose (5x9x600))

под заказ570 руб.
609352-50006-600

   (актуальный код замены) Шланг (5x9x600) - Hose (5x9x600)

1 шт570 руб.
709352-50903-600

Шланг (5x9x600) - Hose (5x9x600) (GASOLINE, L:600->70 FILTER TO PUMP ) (Hose (5x9x600))

под заказ570 руб.
709352-50006-600

   (актуальный код замены) Шланг (5x9x600) - Hose (5x9x600)

1 шт570 руб.
809401-08410-000

Зажим - Clip (Clip)

под заказ130 руб.
909401-10410-000

Зажим - Clip (Clip ) (Clip)

под заказ170 руб.
1015410-93400-000

Топливный фильтр в сборе - Filter Assy, Fuel (GASOLINE ->5410-94400) (Filter Assy, Fuel)

под заказ2280 руб.
1015410-94401-000

   (актуальный код замены) Топливный фильтр в сборе - Filter Assy, Fuel

32 шт2280 руб.
1015410-94400-000

Топливный фильтр в сборе - Filter Assy, Fuel (Filter Assy, Fuel)

3 шт2280 руб.
1015410-94401-000

   (актуальный код замены) Топливный фильтр в сборе - Filter Assy, Fuel

32 шт2280 руб.
1115410-93411-000

Топливный фильтр в сборе - Filter Assy, Fuel (KEROSENE ->5410-94400) (Filter Assy, Fuel)

под заказ2280 руб.
1115410-94401-000

   (актуальный код замены) Топливный фильтр в сборе - Filter Assy, Fuel

32 шт2280 руб.
1115410-94400-000

Топливный фильтр в сборе - Filter Assy, Fuel (Filter Assy, Fuel)

3 шт2280 руб.
1115410-94401-000

   (актуальный код замены) Топливный фильтр в сборе - Filter Assy, Fuel

32 шт2280 руб.
1215430-93410-000

Фильтр Set - Filter Set (Strainer set # FOR 15410-93400, 15410-93410 ) (Filter Set)

под заказ1360 руб.
1215430-93412-000

   (актуальный код замены) Фильтр Set - Filter Set

под заказ1360 руб.
1215430-93411-000

Фильтр Set - Filter Set (Strainer set # FOR 15410-93401, 15410-93411 ) (Filter Set)

под заказ1230 руб.
1215415-93400-000

Уплотнительное кольцо - O Ring (O ring ) (O Ring)

под заказ290 руб.
1315413-93400-000

Cвыше - Cup (Cup ) (Cup)

под заказ0 руб.
1415322-96300-000

Изолятор, Fuel, Помпа - Insulator, Fuel, Pump (Insulator, Fuel, Pump)

под заказ1800 руб.
1508322-01087-000

Шайба - Washer (Lock washer # ~MODEL:95 ) (Washer)

под заказ140 руб.
1608310-00087-000

Гайка - Nut (~MODEL:95 ) (Nut)

под заказ140 руб.
1709359-50823-600

Шланг (5x8.2x600) - Hose (5x82x600) (Hose, fuel (conn to filter) # GASOLINE, L:600->30 CONN TO FILTER ) (Hose (5x8.2x600))

1 шт810 руб.
1709359-50824-600

   (актуальный код замены) Шланг (5x8.2x600) - Hose (5x8.2x600)

2 шт810 руб.
1809404-06432-000

Струбцина (l: 65) - Clamp (l:65) (Clamp (l:80) ) (Clamp (l:65))

8 шт170 руб.
1809404-06039-000

   (актуальный код замены) Струбцина (l: 65) - Clamp (l:65)

под заказ170 руб.
1909354-53103-600

Шланг (5.3x10.5x600) - Hose (53x105x600) (Hose (conn to filter) # KEROSENE, L:600->00 PUMP TO CARB ) (Hose (5.3x10.5x600))

под заказ1160 руб.
1909355-53001-600

   (актуальный код замены) Шланг (5.3x10.5x600) - Hose (5.3x10.5x600)

под заказ1160 руб.
2009354-53103-600

Шланг (5.3x10.5x600) - Hose (53x105x600) (Hose (conn to filter) # KEROSENE, L:600->50 FILTER TO PUMP ) (Hose (5.3x10.5x600))

под заказ1160 руб.
2009355-53001-600

   (актуальный код замены) Шланг (5.3x10.5x600) - Hose (5.3x10.5x600)

под заказ1160 руб.
2109354-53103-600

Шланг (5.3x10.5x600) - Hose (53x105x600) (Hose (conn to filter) # KEROSENE, L:600->00 CONN TO FILTER ) (Hose (5.3x10.5x600))

под заказ1160 руб.
2109355-53001-600

   (актуальный код замены) Шланг (5.3x10.5x600) - Hose (5.3x10.5x600)

под заказ1160 руб.
2215410-94400-000

Топливный фильтр в сборе - Filter Assy, Fuel (MODEL:96~00 ) (Filter Assy, Fuel)

3 шт2280 руб.
2215410-94401-000

   (актуальный код замены) Топливный фильтр в сборе - Filter Assy, Fuel

32 шт2280 руб.
2315430-87D10-000

Element Set - Element Set (MODEL:96~00 ) (Element Set)

4 шт1350 руб.
2415413-87D10-000

Cвыше - Cup (MODEL:96~00 ) (Cup)

под заказ880 руб.
2508316-10087-000

Гайка - Nut (MODEL:96~00 ) (Nut)

14 шт170 руб.


Время выполнения запроса 1.231192111969 сек.

 
 

данный сайт носит информационный характер и не является публичной офертой

склад запчастей для водомоторной техники