Купить запчасти на подвесной мотор Suzuki DT30(R)S/L/LL/UL модель 1999 года - Кронштейн транца
вконтакте

Контактный телефон: +7 (981) 121-46-93, +7 (800) 200-90-76 , Email: parts-katalog@yandex.ru, где купить

 
 

  Логин:

Пароль:

Регистрация

www.partskatalog.ru Все каталоги Запчасти Mercury Запчасти Suzuki Запчасти Tohatsu Запчасти Honda Контакты

назад Раздел:   вперёд

Вернуться к выбору узлов мотора


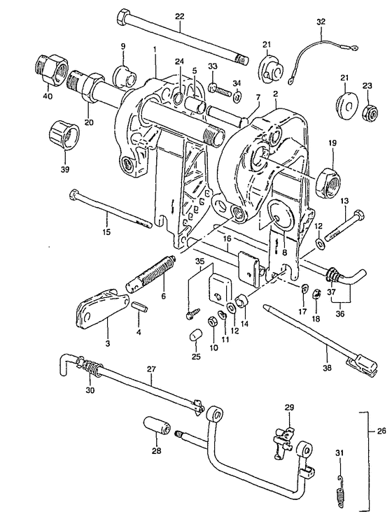
ДЕТАЛИРОВКА ДЛЯ МОДЕЛИ: SUZUKI DT30X X

Кронштейн транца


Код модели двигателя: DT30(R)S/L/LL/UL

Год выпуска двигателя: 1999

Регион: General Export No.1 ,Код региона: P01

Цвет: California Gray Metallic

Номер на
рисунке
АртикулНаименованиеQTYКол-во
на складе
Цена
141110-96310-02M

под заказнет сведений
141111-95D90-0ED

Кронштейн правого зажима - Bracket, Clamp Stbd (Bracket, Clamp Stbd)

под заказ0 руб.
145420-95D04-000

Штифт блокировки наклона - Pin, Tilt Lock (Pin, Tilt Lock)

1 шт3720 руб.
141110-96310-0ED

(Model:89-92)

под заказнет сведений
141111-95D90-0ED

Кронштейн правого зажима - Bracket, Clamp Stbd (Bracket, Clamp Stbd)

под заказ0 руб.
145420-95D04-000

Штифт блокировки наклона - Pin, Tilt Lock (Pin, Tilt Lock)

1 шт3720 руб.
141110-95D20-0ED

Кронштейн правого зажима - Bracket, Clamp Stbd (Bracket, clamp, stbd; Model:93, 94) (Bracket, Clamp Stbd)

под заказ0 руб.
141111-95D90-0ED

   (актуальный код замены) Запчасть снята с производства - The Spare Part Is Laid Off

под заказ0 руб.
141111-95D90-0ED

Кронштейн правого зажима - Bracket, Clamp Stbd (Bracket, Clamp Stbd)

под заказ0 руб.
241120-96371-02M

(Model:86-88)

под заказнет сведений
241121-95D12-0ED

Кронштейн левого зажима - Bracket, Clamp Port (Bracket, Clamp Port)

под заказ0 руб.
245420-95D04-000

Штифт блокировки наклона - Pin, Tilt Lock (Pin, Tilt Lock)

1 шт3720 руб.
241120-96371-0ED

(Model:89-92)

под заказнет сведений
241121-95D12-0ED

Кронштейн левого зажима - Bracket, Clamp Port (Bracket, Clamp Port)

под заказ0 руб.
245420-95D04-000

Штифт блокировки наклона - Pin, Tilt Lock (Pin, Tilt Lock)

1 шт3720 руб.
241120-95D30-0ED

Кронштейн левого зажима - Bracket, Clamp Port (Bracket, clamp, port; Model:93, 94) (Bracket, Clamp Port)

под заказ0 руб.
241121-95D12-0ED

   (актуальный код замены) Запчасть снята с производства - The Spare Part Is Laid Off

под заказ0 руб.
241121-95D12-0ED

Кронштейн левого зажима - Bracket, Clamp Port (Bracket, Clamp Port)

под заказ0 руб.
341212-93000-0ED

Струбцина румпеля (gray) - Handle, Clamp (gray) (Handle, Clamp (gray))

под заказ0 руб.
341212-93001-0ED

   (актуальный код замены) Запчасть снята с производства - The Spare Part Is Laid Off

под заказ0 руб.
341212-93001-0ED

Струбцина румпеля (gray) - Handle, Clamp (gray) (Handle, Clamp (gray))

под заказ0 руб.
409205-06007-000

Стопор пружины (6x25) - Pin, Spring (6x25) (Pin (6x27) # Spring pin (6x25); ) (Pin, Spring (6x25))

13 шт170 руб.
509303-14002-000

Втулка - Bush (Bush)

под заказ0 руб.
641211-93920-000

Винт зажима - Screw, Clamp (Screw, clamp, l:90 # Screw, clamp (l:90); ) (Screw, Clamp)

под заказ1720 руб.
641211-93900-000

Винт зажима - Screw, Clamp (Screw, clamp, l:68 # Opt ) (Screw, Clamp)

под заказ1720 руб.
741222-96311-000

Рычаг, Стопор наклона - Arm, Tilt Stopper (Pin, tilt stopper ) (Arm, Tilt Stopper)

под заказ2740 руб.
841213-98100-000

Пластина струбцины - Plate, Clamp (Plate, clamp;) (Plate, Clamp)

под заказ390 руб.
841213-94J01-000

   (актуальный код замены) Пластина струбцины - Plate, Clamp

под заказ420 руб.
841213-94J01-000

Пластина струбцины - Plate, Clamp (Plate, Clamp)

под заказ420 руб.
941221-96301-000

Ручка, Стопор наклона Штифт - Knob, Tilt Stopper Pin (Knob, tilt stopper ) (Knob, Tilt Stopper Pin)

2 шт540 руб.
1009140-08016-000

Гайка - Nut (Nut)

под заказ190 руб.
1009140-08023-XC0

Гайка - Nut (Nut)

14 шт190 руб.
1109162-08007-000

Шайба с блокировкой - Washer, Lock (Lock washer ) (Washer, Lock)

под заказ160 руб.
1209160-08081-000

Шайба (8.5x23x1.5) - Washer (85x23x15) (Washer, clutch lever # Washer (8.5x23x1.5); ) (Washer (8.5x23x1.5))

4 шт210 руб.
1309100-08239-000

Болт (8x90) - Bolt (8x90) (Bolt (8x90);) (Bolt (8x90))

под заказ420 руб.
1309100-08311-000

   (актуальный код замены) Болт (8x90) - Bolt (8x90)

8 шт420 руб.
1309100-08311-000

Болт (8x90) - Bolt (8x90) (Bolt (8x90))

8 шт420 руб.
1409180-09016-000

Проставка (9.2x13.8x9.5) - Spacer (92x138x95) (Spacer (9.2x13.8x9.5) # Spacer (9.2x13.8x9.5); ) (Spacer (9.2x13.8x9.5))

под заказ0 руб.
1509100-08196-000

Запчасть снята с производства - The Spare Part Is Laid Off (Bolt (8x152);) (The Spare Part Is Laid Off)

под заказ0 руб.
1641310-96301-000

Запчасть снята с производства - The Spare Part Is Laid Off (The Spare Part Is Laid Off)

под заказ0 руб.
1709162-08007-000

Шайба с блокировкой - Washer, Lock (Lock washer ) (Washer, Lock)

под заказ160 руб.
1809140-08016-000

Гайка - Nut (Nut)

под заказ190 руб.
1809140-08023-XC0

Гайка - Nut (Nut)

14 шт190 руб.
1909159-22003-000

Гайка - Nut (Nut)

под заказ1950 руб.
1909159-22006-000

   (актуальный код замены) Гайка - Nut

8 шт1950 руб.
1909159-22006-000

Гайка - Nut (Nut)

8 шт1950 руб.
2041130-96350-000

Труба кронштейна транца - Shaft, Clamp Bracket (Shaft, Clamp Bracket)

под заказ17620 руб.
2041130-91L01-000

   (актуальный код замены) Вал Comp, Кронштейн транца - Shaft Comp, Clamp Bracket

под заказ17620 руб.
2041130-91L00-000

Труба кронштейна транца - Shaft, Clamp Bracket (Shaft, Clamp Bracket)

под заказ17620 руб.
2041130-91L01-000

   (актуальный код замены) Вал Comp, Кронштейн транца - Shaft Comp, Clamp Bracket

под заказ17620 руб.
2141311-96300-0ED

Запчасть снята с производства - The Spare Part Is Laid Off (The Spare Part Is Laid Off)

под заказ0 руб.
2209100-10178-000

Запчасть снята с производства - The Spare Part Is Laid Off (Bolt (10x210);) (The Spare Part Is Laid Off)

под заказ0 руб.
2309159-10050-000

Гайка - Nut (Nut)

8 шт250 руб.
2409380-12005-000

Пружинное кольцо - Ring, Snap (Snap ring; ) (Ring, Snap)

под заказ0 руб.
2541153-96300-000

Колпачок транцевого болта - Cap, Transom Bolt (Cap, Transom Bolt)

под заказ370 руб.
2645700-96301-000

Запчасть снята с производства - The Spare Part Is Laid Off (Model:86, 87) (The Spare Part Is Laid Off)

под заказ0 руб.
2745720-96301-000

Вал, Shallow Water Drive - Shaft, Shallow Water Drive (Model:86, 87 ) (Shaft, Shallow Water Drive)

под заказ0 руб.
2845725-94400-000

Запчасть снята с производства - The Spare Part Is Laid Off (Model:86, 87) (The Spare Part Is Laid Off)

под заказ0 руб.
2945730-96301-000

Запчасть снята с производства - The Spare Part Is Laid Off (Model:86, 87) (The Spare Part Is Laid Off)

под заказ0 руб.
3009441-17001-000

Пружина - Spring (Model:86, 87 ) (Spring)

11 шт220 руб.
3109443-08045-000

Пружина - Spring (Model:86, 87 ) (Spring)

под заказ0 руб.
3236894-95201-000

Lead (l: 165) - Lead (l:165) (Lead (l:165); ) (Lead (l:165))

под заказ1170 руб.
3309125-05050-000

Винт (5x8) - Screw (5x8) (Screw (5x8))

под заказ150 руб.
3409161-05114-000

Шайба (5.2x11x1) - Washer (52x11x1) (Washer (5.2x11.0x1.0) # Washer; ) (Washer (5.2x11x1))

под заказ290 руб.
3555320-95310-000

Защитный цинковый анод - Zinc Set, Protection (Zinc, protection;) (Zinc Set, Protection)

под заказ1320 руб.
3555320-95311-000

   (актуальный код замены) Защитный цинковый анод - Zinc Set, Protection

16 шт1320 руб.
3555320-95311-000

Защитный цинковый анод - Zinc Set, Protection (Zinc Set, Protection)

16 шт1320 руб.
3645420-96310-000

Штифт блокировки наклона - Pin, Tilt Lock (Model:88-92) (Pin, Tilt Lock)

под заказ0 руб.
3645420-9631V-000

   (актуальный код замены) Запчасть снята с производства - The Spare Part Is Laid Off

под заказ0 руб.
3645420-9631V-000

Штифт блокировки наклона - Pin, Tilt Lock (Pin, Tilt Lock)

под заказ0 руб.
3709441-17001-000

Пружина - Spring (Spring, tilt lock pin; Model:88-92 ) (Spring)

11 шт220 руб.
3845420-95D03-000

Штифт блокировки наклона - Pin, Tilt Lock (Pin, Tilt Lock)

под заказ3720 руб.
3845420-95D04-000

   (актуальный код замены) Штифт блокировки наклона - Pin, Tilt Lock

1 шт3720 руб.
3845420-95D04-000

Штифт блокировки наклона - Pin, Tilt Lock (Pin, Tilt Lock)

1 шт3720 руб.
3941151-94500-000

Колпачок кронштейна транца Вал - Cap, Clamp Bracket Shaft (Cap, clamp bracket shaft; ) (Cap, Clamp Bracket Shaft)

под заказ280 руб.
4041141-94300-000

Соединитель рулевой системы Регулятор - Attachment, Steering Adjuster (Attachment, steering cable; Opt) (Attachment, Steering Adjuster)

под заказ6920 руб.
4041141-94301-000

   (актуальный код замены) Соединитель рулевой системы Регулятор - Attachment, Steering Adjuster

под заказ6920 руб.
4041141-94301-000

Соединитель рулевой системы Регулятор - Attachment, Steering Adjuster (Attachment, Steering Adjuster)

под заказ6920 руб.
4109440-14016-000

Пружина - Spring (Spring, tilt stopper pin # Spring, tilt stopper pin; Opt ) (Spring)

под заказ0 руб.


Время выполнения запроса 3.763512134552 сек.

 
 

данный сайт носит информационный характер и не является публичной офертой

склад запчастей для водомоторной техники