| |
 |
|
 |
Вернуться к выбору узлов мотора
ДЕТАЛИРОВКА ДЛЯ МОДЕЛИ: SUZUKI DT30L K6
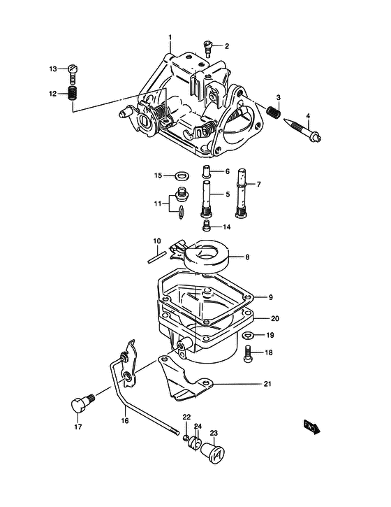
Карбюратор
Код модели двигателя: DT30(R)S/L/LL/XL
Год выпуска двигателя: 2006
Регион: General Export No.1 ,Код региона: P01
Цвет: Shadow Black Metallic
Номер на рисунке | Артикул | Наименование | QTY | Кол-во на складе | Цена |
| 1 | 13200-964A1-000 | Карбюратор в сборе - Carburetor Assy (DT30 ) (Carburetor Assy) | | под заказ | 57120 руб. |
| 1 | 13200-964B0-000 | Карбюратор в сборе (na) - Carburetor Assy (na) (DT25 ) (Carburetor Assy (na)) | | под заказ | 0 руб. |
| 1 | 13200-964H0-000 | Запчасть снята с производства - The Spare Part Is Laid Off (DT25 E13, E40) (The Spare Part Is Laid Off) | | под заказ | 0 руб. |
| 1 | 13200-964J0-000 | Карбюратор в сборе - Carburetor Assy (DT30 E13, E40 ) (Carburetor Assy) | | 1 шт | 42960 руб. |
| 2 | 09492-67004-000 | Контрольная форсунка (67.5) - Jet, Pilot (675) (DT25 ) (Jet, Pilot (67.5)) | | 2 шт | 1140 руб. |
| 2 | 09492-70001-000 | Контрольная форсунка (70) - Jet, Pilot (70) (Jet, pilot (70) # DT30 ) (Jet, Pilot (70)) | | 1 шт | 630 руб. |
| 3 | 13271-93311-000 | Пружина - Spring (Spring, air screw ) (Spring) | | 1 шт | 350 руб. |
| 4 | 13269-93311-000 | Винт контроля воздуха - Screw, Pilot Air (Screw, pilot air ) (Screw, Pilot Air) | | под заказ | 810 руб. |
| 5 | 13236-96300-000 | Nozzle, нижний - Nozzle, Lower (Nozzle, Lower) | | под заказ | 2790 руб. |
| 6 | 13237-94400-000 | Nozzle - Nozzle (Nozzle) | | 1 шт | 450 руб. |
| 7 | 13235-94350-000 | Nozzle - Nozzle (DT25/30 E13, E40 ) (Nozzle) | | под заказ | 2160 руб. |
| 8 | 13250-93012-000 | Поплавок - Float (Float) | | под заказ | 1950 руб. |
| 9 | 13251-93320-000 | Прокладка поплавковой камеры - Gasket, Float Cahmber (Gasket, float chamber ) (Gasket, Float Cahmber) | | под заказ | 840 руб. |
| 10 | 13254-98300-000 | Стопор поплавка - Pin, Float (Pin, float ) (Pin, Float) | | под заказ | 240 руб. |
| 11 | 13370-28110-000 | Игольчатый клапан, в сборе - Valve Assy, Needle (Valve assy, needle ) (Valve Assy, Needle) | | 4 шт | 4350 руб. |
| 12 | 13268-96111-000 | Пружина, Дроссель Винт - Spring, Throttle Screw (Spring, throttle screw ) (Spring, Throttle Screw) | | под заказ | 350 руб. |
| 13 | 13534-96300-000 | Винт стопора - Screw, Stop (Screw, throttle stop ) (Screw, Stop) | | под заказ | 390 руб. |
| 14 | 09491-28012-000 | Главная форсунка (142.5) - Jet, Main (1425) (Jet, main (142.5) # DT25 ) (Jet, Main (142.5)) | | 1 шт | 810 руб. |
| 14 | 09491-32012-000 | Главная форсунка (160) - Jet, Main (160) (Jet, main (160) # DT30 <-09491-32013 ) (Jet, Main (160)) | | 2 шт | 1120 руб. |
| 15 | 13392-58600-000 | Прокладка седла клапана - Gasket, Valve Seat (Gasket, valve seat ) (Gasket, Valve Seat) | | 1 шт | 150 руб. |
| 16 | 13681-96301-000 | Рычаг, Emergency - Lever, Emergency (Lever, chocke ) (Lever, Emergency) | | под заказ | 4350 руб. |
| 17 | 13682-96300-000 | Болт - Bolt (Bolt) | | 11 шт | 850 руб. |
| 18 | 02112-05207-000 | Винт - Screw (Screw) | | под заказ | 150 руб. |
| 19 | 08321-01057-000 | Шайба с блокировкой - Washer, Lock (Washer, Lock) | | под заказ | 140 руб. |
| 19 | 08321-0105A-000 | (актуальный код замены) Шайба с блокировкой - Washer, Lock | | под заказ | 140 руб. |
| 19 | 08321-0105A-000 | Шайба с блокировкой - Washer, Lock (Washer, Lock) | | под заказ | 140 руб. |
| 20 | 13240-94620-000 | Chamber в сборе, Поплавок (#4) - Chamber Assy, Float (#4) (Chamber assy, float ) (Chamber Assy, Float (#4)) | | под заказ | 6000 руб. |
| 21 | 13694-96300-000 | Пластина, Пружина - Plate, Spring (Plate, Spring) | | под заказ | 810 руб. |
| 22 | 09140-04007-000 | Гайка - Nut (Nut) | | под заказ | 170 руб. |
| 23 | 13631-93501-000 | Рукоятка стартера - Knob, Starter (Knob, Starter) | | 2 шт | 460 руб. |
| 24 | 09320-04009-000 | Втулка - Bush (Bush) | | под заказ | 160 руб. |
| 24 | 09320-04013-000 | (актуальный код замены) Подушка, Muf Cov - Cushion, Muf Cov | | под заказ | 160 руб. |
Время выполнения запроса 0.73669600486755 сек. |
|