Купить комплектующие на подвесной лодочный мотор SUZUKI DT30(R)S/L/LL/XL модель 2007 года - Управление дросселем
вконтакте

Контактный телефон: +7 (981) 121-46-93, +7 (800) 200-90-76 , Email: parts-katalog@yandex.ru, где купить

 
 

  Логин:

Пароль:

Регистрация

www.partskatalog.ru Все каталоги Запчасти Mercury Запчасти Suzuki Запчасти Tohatsu Запчасти Honda Контакты



УВАЖАЕМЫЕ КЛИЕНТЫ!
C 19 ДЕКАБРЯ 2025 ПО 02 МАРТА 2026 ГОДА ОТДЕЛ ЗАПЧАСТЕЙ И СЕРВИС РАБОТАТЬ НЕ БУДУТ
ПРОДАЖА ЛОДОЧНЫХ МОТОРОВ В ШТАТНОМ РЕЖИМЕ
ОБ ИЗМЕНЕНИЯХ В ГРАФИКЕ РАБОТЫ ЧИТАЙТЕ НА САЙТА



назад Раздел:   вперёд

Вернуться к выбору узлов мотора


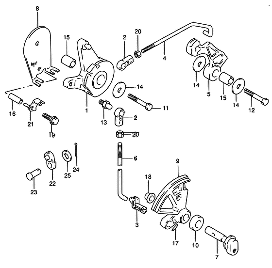
ДЕТАЛИРОВКА ДЛЯ МОДЕЛИ: SUZUKI DT30L K7

Управление дросселем


Код модели двигателя: DT30(R)S/L/LL/XL

Год выпуска двигателя: 2007

Регион: General Export No.1 ,Код региона: P01

Цвет: Shadow Black Metallic

Номер на
рисунке
АртикулНаименованиеQTYКол-во
на складе
Цена
119121-96301-000

Рычаг управления дросселем - Lever, Throttle Control (Lever, Throttle Control)

под заказ1040 руб.
119121-91L00-000

   (актуальный код замены) Рычаг управления дросселем - Lever, Throttle Control

под заказ1040 руб.
119121-91L00-000

Рычаг управления дросселем - Lever, Throttle Control (Lever, Throttle Control)

под заказ1040 руб.
219131-95502-000

Коннектор - Connector (Connector, oil pump no.2 ) (Connector)

21 шт530 руб.
319131-96300-000

Фиксатор, Тяга Коннектор - Retainer, Rod Connector (Retainer, rod connector ) (Retainer, Rod Connector)

под заказ460 руб.
419135-96301-000

Тяга - Rod (Rod)

под заказ960 руб.
519141-96301-000

Кулачок дросселя - Cam, Throttle (Cam, Throttle)

под заказ720 руб.
619656-96300-000

Тяга (limiter-th Рычаг) - Rod (limiter-th Lever) (Rod (limiter-th Lever))

под заказ460 руб.
719720-96302-000

Вал дроселя тросика ДУ - Shaft, Remocon Throttle (Shaft, Remocon Throttle)

под заказ3820 руб.
719720-91L00-000

   (актуальный код замены) Вал дроселя тросика ДУ - Shaft, Remocon Throttle

под заказ3820 руб.
719720-91L00-000

Вал дроселя тросика ДУ - Shaft, Remocon Throttle (Shaft, Remocon Throttle)

под заказ3820 руб.
819761-96300-000

Станина тросика газа - Stay, Throttle Cable (Stay, Throttle Cable)

под заказ2910 руб.
819761-91L00-000

   (актуальный код замены) Станина тросика газа - Stay, Throttle Cable

под заказ2910 руб.
819761-91L00-000

Станина тросика газа - Stay, Throttle Cable (Stay, Throttle Cable)

под заказ2910 руб.
819761-91L00-000

Станина тросика газа - Stay, Throttle Cable (Stay, Throttle Cable)

под заказ2910 руб.
819761-96301-000

Станина тросика газа - Stay, Throttle Cable (MODEL:08~) (Stay, Throttle Cable)

под заказ2910 руб.
819761-91L00-000

   (актуальный код замены) Станина тросика газа - Stay, Throttle Cable

под заказ2910 руб.
819761-91L00-000

Станина тросика газа - Stay, Throttle Cable (Stay, Throttle Cable)

под заказ2910 руб.
919811-96302-000

Ограничитель дросселя - Limiter, Throttle (Limitter, throttle ) (Limiter, Throttle)

2 шт2350 руб.
1019859-94300-000

Проставка, Nsi - Spacer, Nsi (Spacer, nsi ) (Spacer, Nsi)

под заказ220 руб.
1109100-06121-000

Болт (6x30) - Bolt (6x30) (Bolt (6x30))

под заказ210 руб.
1109116-06232-000

   (актуальный код замены) Болт (6x30) - Bolt (6x30)

6 шт270 руб.
1109116-06232-000

Болт (6x30) - Bolt (6x30) (Bolt (6x30))

6 шт270 руб.
1209100-06121-000

Болт (6x30) - Bolt (6x30) (Bolt (6x30))

под заказ210 руб.
1209116-06232-000

   (актуальный код замены) Болт (6x30) - Bolt (6x30)

6 шт270 руб.
1209116-06232-000

Болт (6x30) - Bolt (6x30) (Bolt (6x30))

6 шт270 руб.
1309119-05010-000

Стержень - Pivot (Pivot, throttle lever ) (Pivot)

под заказ500 руб.
1409160-06084-000

Шайба (6.5x18x1.6) - Washer (65x18x16) (Washer (6.5x18x1.6))

7 шт130 руб.
1509180-06105-000

Проставка (6.1x10x14) - Spacer (61x10x14) (Spacer (6.1x10x14) ) (Spacer (6.1x10x14))

под заказ440 руб.
1609180-06186-000

Проставка (6.2x12.6x21) - Spacer (62x126x21) (Spacer, throttle lever no.2 # TH CABLE STAY ) (Spacer (6.2x12.6x21))

4 шт610 руб.
1709205-04002-000

Стопор пружины (4x20) - Pin, Spring (4x20) (Pin, clutch lever ) (Pin, Spring (4x20))

48 шт150 руб.
1809306-10001-000

Втулка - Bush (Bush, clutch lever ) (Bush)

10 шт360 руб.
1901550-06357-000

Болт - Bolt (Bolt, throttle lever no.2 ) (Bolt)

9 шт210 руб.
2009140-05005-000

Гайка - Nut (Nut)

10 шт270 руб.
2118642-96300-000

Держатель, Interlock Кабели - Holder, Interlock Cable (Holder, Interlock Cable)

под заказ720 руб.
2118642-96301-000

Держатель, Interlock Кабели - Holder, Interlock Cable (MODEL:06~ ) (Holder, Interlock Cable)

под заказ540 руб.
2218652-96300-000

Коннектор, Interlock Кабели - Connector, Interlock Cable (Connector, Interlock Cable)

под заказ480 руб.
2309200-05006-000

Штифт (l: 12) - Pin (l:12) (Pin (l:12))

под заказ330 руб.
2409204-01002-000

Штифт - Pin (Cotter pin ) (Pin)

24 шт140 руб.
2509160-05029-000

Шайба (5.5x12x0.8) - Washer (55x12x08) (Washer (5.5x12x0.8))

14 шт130 руб.


Время выполнения запроса 1.2623569965363 сек.

 
 

данный сайт носит информационный характер и не является публичной офертой

склад запчастей для водомоторной техники