Купить оригинальные запчасти на лодочный подвесной мотор SUZUKI DT30(R)S/L/LL/XL модель 2009 года - Топливный насос
вконтакте

Контактный телефон: +7 (981) 121-46-93, +7 (800) 200-90-76 , Email: parts-katalog@yandex.ru, где купить

 
 

  Логин:

Пароль:

Регистрация

www.partskatalog.ru Все каталоги Запчасти Mercury Запчасти Suzuki Запчасти Tohatsu Запчасти Honda Контакты



УВАЖАЕМЫЕ КЛИЕНТЫ!
C 19 ДЕКАБРЯ 2025 ПО 02 МАРТА 2026 ГОДА ОТДЕЛ ЗАПЧАСТЕЙ И СЕРВИС РАБОТАТЬ НЕ БУДУТ
ПРОДАЖА ЛОДОЧНЫХ МОТОРОВ В ШТАТНОМ РЕЖИМЕ
ОБ ИЗМЕНЕНИЯХ В ГРАФИКЕ РАБОТЫ ЧИТАЙТЕ НА САЙТА



назад Раздел:   вперёд

Вернуться к выбору узлов мотора


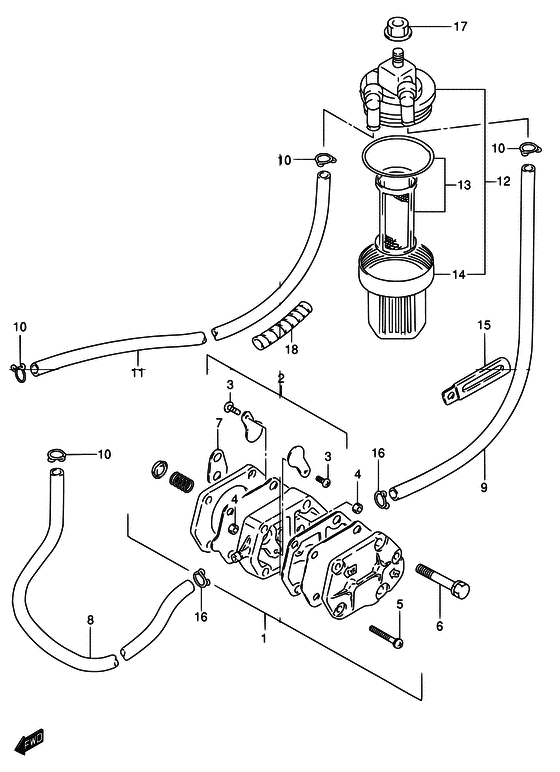
ДЕТАЛИРОВКА ДЛЯ МОДЕЛИ: SUZUKI DT30L K9

Топливный насос


Код модели двигателя: DT30(R)S/L/LL/XL

Год выпуска двигателя: 2009

Регион: General Export No.1 ,Код региона: P01

Цвет: Shadow Black Metallic

Номер на
рисунке
АртикулНаименованиеQTYКол-во
на складе
Цена
115100-94311-000

Топливный насос, в сборе - Pump Assy, Fuel (Pump Assy, Fuel)

4 шт12370 руб.
115100-94312-000

   (актуальный код замены) Топливный насос, в сборе - Pump Assy, Fuel

3 шт12370 руб.
215170-94320-000

Диафрагма Set - Diaphragm Set (Diaphragm Set)

под заказ2400 руб.
215170-94321-000

   (актуальный код замены) Диафрагма Set - Diaphragm Set

10 шт2800 руб.
2SK15170-94320

   (не оригинальный аналог) Диафрагма топливного насоса в сборе Skipper для Suzuki DT20-65

0 шт782 руб.
2SC-GS450

   (не оригинальный аналог) Ремкомплект топливного насоса Suzuki SC-GS450

под заказ1280 руб.
315183-94301-000

Винт - Screw (Screw)

под заказ170 руб.
415186-94300-000

Гайка - Nut (Nut)

под заказ160 руб.
515851-94300-000

Винт - Screw (Screw ) (Screw)

под заказ260 руб.
601570-06407-000

Болт - Bolt (Bolt)

под заказ230 руб.
715321-99710-000

Прокладка топливного насоса (na) - Gasket, Fuel Pump (na) (Gasket, fuel pump ) (Gasket, Fuel Pump (na))

8 шт370 руб.
809352-50903-600

Шланг (5x9x600) - Hose (5x9x600) (L:600->195 ) (Hose (5x9x600))

под заказ570 руб.
809352-50006-600

   (актуальный код замены) Шланг (5x9x600) - Hose (5x9x600)

1 шт570 руб.
909352-50903-600

Шланг (5x9x600) - Hose (5x9x600) (L:600->195 ) (Hose (5x9x600))

под заказ570 руб.
909352-50006-600

   (актуальный код замены) Шланг (5x9x600) - Hose (5x9x600)

1 шт570 руб.
1009401-08410-000

Зажим - Clip (Clip)

под заказ130 руб.
1109352-50903-600

Шланг (5x9x600) - Hose (5x9x600) (L:600->320 ) (Hose (5x9x600))

под заказ570 руб.
1109352-50006-600

   (актуальный код замены) Шланг (5x9x600) - Hose (5x9x600)

1 шт570 руб.
1215410-94400-000

Топливный фильтр в сборе - Filter Assy, Fuel (Filter Assy, Fuel)

3 шт2280 руб.
1215410-94401-000

   (актуальный код замены) Топливный фильтр в сборе - Filter Assy, Fuel

32 шт2280 руб.
1315430-87D10-000

Element Set - Element Set (Element Set)

4 шт1350 руб.
1415413-87D10-000

Cвыше - Cup (Cup)

под заказ880 руб.
1529404-93J10-000

Струбцина - Clamp (<-09404-06432 ) (Clamp)

под заказ190 руб.
1529404-93J11-000

   (актуальный код замены) Струбцина - Clamp

под заказ190 руб.
1615331-94300-000

Зажим - Clip (Clip)

под заказ240 руб.
1708316-10087-000

Гайка - Nut (Nut)

14 шт170 руб.
1816911-92E20-000

Защита (9x11x540) - Protector (9x11x540) (L:540->40 ) (Protector (9x11x540))

под заказ810 руб.


Время выполнения запроса 0.8350830078125 сек.

 
 

данный сайт носит информационный характер и не является публичной офертой

склад запчастей для водомоторной техники