Подобрать запчасти на подвесной двигатель Suzuki DT30(R)S/L/LL/XL - Топливный насос - Fuel pump
вконтакте

Контактный телефон: +7 (981) 121-46-93, +7 (800) 200-90-76 , Email: parts-katalog@yandex.ru, где купить

 
 

  Логин:

Пароль:

Регистрация

www.partskatalog.ru Все каталоги Запчасти Mercury Запчасти Suzuki Запчасти Tohatsu Запчасти Honda Контакты

назад Раздел:   вперёд

Вернуться к выбору узлов мотора


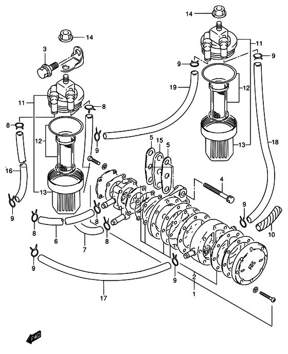
ДЕТАЛИРОВКА ДЛЯ МОДЕЛИ: SUZUKI DT30L K10

Топливный насос


Код модели двигателя: DT30(R)S/L/LL/XL

Год выпуска двигателя: 2010

Регион: General Export No.1 ,Код региона: P01

Цвет: Shadow Black Metallic

Номер на
рисунке
АртикулНаименованиеQTYКол-во
на складе
Цена
115100-9436V-000

Топливный насос, в сборе - Pump Assy, Fuel (Pump Assy, Fuel)

2 шт17520 руб.
115100-94362-000

   (актуальный код замены) Топливный насос, в сборе - Pump Assy, Fuel

под заказ17520 руб.
215170-94460-000

Диафрагма Set, Топливный насос - Diaphragm Set, Fuel Pump (Diaphragm Set, Fuel Pump)

под заказ3170 руб.
215170-94461-000

   (актуальный код замены) Диафрагма Set, Топливный насос - Diaphragm Set, Fuel Pump

под заказ3170 руб.
301580-08207-000

Болт - Bolt (Bolt)

под заказ240 руб.
401570-06257-000

Болт - Bolt (MODEL:06~ ) (Bolt)

под заказ190 руб.
401570-06307-000

Болт - Bolt (Bolt)

под заказ230 руб.
515321-96300-000

Прокладка топливного насоса - Gasket, Fuel Pump (MODEL:06~ ) (Gasket, Fuel Pump)

5 шт360 руб.
515321-99710-000

Прокладка топливного насоса (na) - Gasket, Fuel Pump (na) (Gasket, fuel pump ) (Gasket, Fuel Pump (na))

8 шт370 руб.
609352-50903-600

Шланг (5x9x600) - Hose (5x9x600) (GASOLINE, L:600->180 PUMP TO CARB ) (Hose (5x9x600))

под заказ570 руб.
609352-50006-600

   (актуальный код замены) Шланг (5x9x600) - Hose (5x9x600)

1 шт570 руб.
709352-50903-600

Шланг (5x9x600) - Hose (5x9x600) (GASOLINE, L:600->170 FILTER TO PUMP ) (Hose (5x9x600))

под заказ570 руб.
709352-50006-600

   (актуальный код замены) Шланг (5x9x600) - Hose (5x9x600)

1 шт570 руб.
809401-08410-000

Зажим - Clip (Clip)

под заказ130 руб.
909401-10410-000

Зажим - Clip (Clip ) (Clip)

под заказ170 руб.
1016911-92E20-000

Защита (9x11x540) - Protector (9x11x540) (Protector (9x11x540))

под заказ810 руб.
1115410-94400-000

Топливный фильтр в сборе - Filter Assy, Fuel (Filter Assy, Fuel)

3 шт2280 руб.
1115410-94401-000

   (актуальный код замены) Топливный фильтр в сборе - Filter Assy, Fuel

32 шт2280 руб.
1215430-87D10-000

Element Set - Element Set (Element Set)

4 шт1350 руб.
1315413-87D10-000

Cвыше - Cup (Cup)

под заказ880 руб.
1408316-10087-000

Гайка - Nut (Nut)

14 шт170 руб.
1515322-96300-000

Изолятор, Fuel, Помпа - Insulator, Fuel, Pump (Insulator, Fuel, Pump)

под заказ1800 руб.
1609359-50823-600

Шланг (5x8.2x600) - Hose (5x82x600) (Hose, fuel (conn to filter) # GASOLINE, L:600->230 CONN TO FILTER ) (Hose (5x8.2x600))

1 шт810 руб.
1609359-50824-600

   (актуальный код замены) Шланг (5x8.2x600) - Hose (5x8.2x600)

2 шт810 руб.
1709354-53103-600

Шланг (5.3x10.5x600) - Hose (53x105x600) (Hose (conn to filter) # KEROSENE, L:600->300 PUMP TO CARB ) (Hose (5.3x10.5x600))

под заказ1160 руб.
1709355-53001-600

   (актуальный код замены) Шланг (5.3x10.5x600) - Hose (5.3x10.5x600)

под заказ1160 руб.
1809354-53103-600

Шланг (5.3x10.5x600) - Hose (53x105x600) (Hose (conn to filter) # KEROSENE, L:600->150 FILTER TO PUMP ) (Hose (5.3x10.5x600))

под заказ1160 руб.
1809355-53001-600

   (актуальный код замены) Шланг (5.3x10.5x600) - Hose (5.3x10.5x600)

под заказ1160 руб.
1909354-53103-600

Шланг (5.3x10.5x600) - Hose (53x105x600) (Hose (conn to filter) # KEROSENE, L:600->300 CONN TO FILTER ) (Hose (5.3x10.5x600))

под заказ1160 руб.
1909355-53001-600

   (актуальный код замены) Шланг (5.3x10.5x600) - Hose (5.3x10.5x600)

под заказ1160 руб.


Время выполнения запроса 1.4758470058441 сек.

 
 

данный сайт носит информационный характер и не является публичной офертой

склад запчастей для водомоторной техники