Подобрать запчасти на подвесной двигатель SUZUKI модель 1986 года - Carburetor
вконтакте

Контактный телефон: +7 (981) 121-46-93, +7 (800) 200-90-76 , Email: parts-katalog@yandex.ru, где купить

 
 

  Логин:

Пароль:

Регистрация

www.partskatalog.ru Все каталоги Запчасти Mercury Запчасти Suzuki Запчасти Tohatsu Запчасти Honda Контакты



УВАЖАЕМЫЕ КЛИЕНТЫ!
C 19 ДЕКАБРЯ 2025 ПО 02 МАРТА 2026 ГОДА ОТДЕЛ ЗАПЧАСТЕЙ И СЕРВИС РАБОТАТЬ НЕ БУДУТ
ПРОДАЖА ЛОДОЧНЫХ МОТОРОВ В ШТАТНОМ РЕЖИМЕ
ОБ ИЗМЕНЕНИЯХ В ГРАФИКЕ РАБОТЫ ЧИТАЙТЕ НА САЙТА



назад Раздел:   вперёд

Вернуться к выбору узлов мотора


ДЕТАЛИРОВКА ДЛЯ МОДЕЛИ: SUZUKI DT35G(G/J/VZ) G

Карбюратор


Год выпуска двигателя: 1986

Регион: Japan

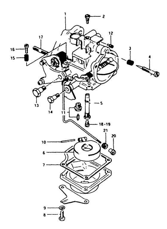
Номер на
рисунке
АртикулНаименованиеQTYКол-во
на складе
Цена
113200-94310-000

Карбюратор в сборе - Carburetor Assy (J (e9, e13), vz (e13, e40)->, as 2->as 2 1/8) (Carburetor Assy)

под заказ0 руб.
113200-94380-000

   (актуальный код замены) Запчасть снята с производства - The Spare Part Is Laid Off

под заказ0 руб.
113200-94380-000

Карбюратор в сборе - Carburetor Assy (Carburetor Assy)

под заказ0 руб.
209492-80003-000

Контрольная форсунка (80) - Jet, Pilot (80) (Jet, Pilot (80))

под заказ1260 руб.
209492-80005-000

   (актуальный код замены) Контрольная форсунка (80) - Jet, Pilot (80)

под заказ1260 руб.
209492-80005-000

Контрольная форсунка (80) - Jet, Pilot (80) (Jet, pilot (80) ) (Jet, Pilot (80))

под заказ1260 руб.
313271-93311-000

Пружина - Spring (Spring, air screw # Spring, air screw; ) (Spring)

1 шт350 руб.
413269-95210-000

Винт контроля воздуха - Screw, Pilot Air (Adjustor # Screw, pilot air; ) (Screw, Pilot Air)

под заказ810 руб.
513235-95210-000

Nozzle - Nozzle (Nozzle, main # Nozzle; ) (Nozzle)

под заказ3240 руб.
613250-93012-000

Поплавок - Float (Float)

под заказ1950 руб.
713251-95210-000

Прокладка поплавковой камеры - Gasket, Float Cahmber (Gasket, Float Cahmber)

под заказ840 руб.
713251-95220-000

   (актуальный код замены) Прокладка поплавковой камеры - Gasket, Float Cahmber

под заказ840 руб.
713251-95220-000

Прокладка поплавковой камеры - Gasket, Float Cahmber (Gasket, Float Cahmber)

под заказ840 руб.
813611-95211-000

Запчасть снята с производства - The Spare Part Is Laid Off (The Spare Part Is Laid Off)

под заказ0 руб.
813611-95212-000

   (актуальный код замены) Запчасть снята с производства - The Spare Part Is Laid Off

под заказ0 руб.
909162-05002-000

Шайба с блокировкой - Washer, Lock (Lock washer # Lock washer; ) (Washer, Lock)

под заказ130 руб.
1013254-93010-000

Стопор поплавка - Pin, Float (Pin, Float)

под заказ240 руб.
1013254-98300-000

   (актуальный код замены) Стопор поплавка - Pin, Float

под заказ240 руб.
1013254-98300-000

Стопор поплавка - Pin, Float (Pin, float ) (Pin, Float)

под заказ240 руб.
1113370-28110-000

Игольчатый клапан, в сборе - Valve Assy, Needle (Valve assy, needle # Valve assy, needle; ) (Valve Assy, Needle)

4 шт4350 руб.
1209493-24007-000

Воздушная форсунка (1.2) - Jet, Air (12) (Jet, air (1.2) ) (Jet, Air (1.2))

под заказ1150 руб.
1313612-94300-000

Запчасть снята с производства - The Spare Part Is Laid Off (The Spare Part Is Laid Off)

под заказ0 руб.
1413613-94300-000

Болт - Bolt (Bolt ) (Bolt)

под заказ760 руб.
1513268-96110-000

Пружина, Дроссель Винт - Spring, Throttle Screw (Spring, stop screw;) (Spring, Throttle Screw)

под заказ350 руб.
1513268-96111-000

   (актуальный код замены) Пружина, Дроссель Винт - Spring, Throttle Screw

под заказ350 руб.
1513268-96111-000

Пружина, Дроссель Винт - Spring, Throttle Screw (Spring, throttle screw ) (Spring, Throttle Screw)

под заказ350 руб.
1613267-95211-000

Винт - Screw (Screw)

под заказ320 руб.
1613267-93900-000

   (актуальный код замены) Винт - Screw

под заказ320 руб.
1613267-93900-000

Винт - Screw (Screw, throttle ) (Screw)

под заказ320 руб.
1701411-08208-000

Болт под шпильку - Bolt, Stud (Bolt, Stud)

под заказ170 руб.
1701411-0820B-000

   (актуальный код замены) Болт под шпильку - Bolt, Stud

под заказ170 руб.
1701411-0820B-000

Болт под шпильку - Bolt, Stud (Bolt, Stud)

под заказ170 руб.
1809491-40007-000

Запчасть снята с производства - The Spare Part Is Laid Off (Jet, main (200);) (The Spare Part Is Laid Off)

под заказ0 руб.
1909491-38007-000

Главная форсунка (190) - Jet, Main (190) (Jet, main (190) # Jet, main (190); Opt ) (Jet, Main (190))

под заказ730 руб.
1909491-42003-000

Запчасть снята с производства - The Spare Part Is Laid Off (Jet, main (210); Opt) (The Spare Part Is Laid Off)

под заказ0 руб.
1909491-38008-000

Главная форсунка (195) - Jet, Main (195) (Jet, main (195) # Jet, main (195); Opt ) (Jet, Main (195))

под заказ730 руб.
2013631-93500-000

Рукоятка стартера - Knob, Starter (Knob, Starter)

под заказ460 руб.
2013631-93501-000

   (актуальный код замены) Рукоятка стартера - Knob, Starter

2 шт460 руб.
2013631-93501-000

Рукоятка стартера - Knob, Starter (Knob, Starter)

2 шт460 руб.
2109305-04005-000

Втулка - Bush (Bush)

под заказ160 руб.
2109320-04013-000

   (актуальный код замены) Подушка, Muf Cov - Cushion, Muf Cov

под заказ160 руб.
2109320-04009-000

Втулка - Bush (Bush)

под заказ160 руб.
2109320-04013-000

   (актуальный код замены) Подушка, Muf Cov - Cushion, Muf Cov

под заказ160 руб.


Время выполнения запроса 1.7400689125061 сек.

 
 

данный сайт носит информационный характер и не является публичной офертой

склад запчастей для водомоторной техники