Подобрать оригинальные запчасти на лодочный мотор SUZUKI модель 1988 года - Дистанционное управление - Remote control
вконтакте

Контактный телефон: +7 (981) 121-46-93, +7 (800) 200-90-76 , Email: parts-katalog@yandex.ru, где купить

 
 

  Логин:

Пароль:

Регистрация

www.partskatalog.ru Все каталоги Запчасти Mercury Запчасти Suzuki Запчасти Tohatsu Запчасти Honda Контакты

назад Раздел:   вперёд

Вернуться к выбору узлов мотора


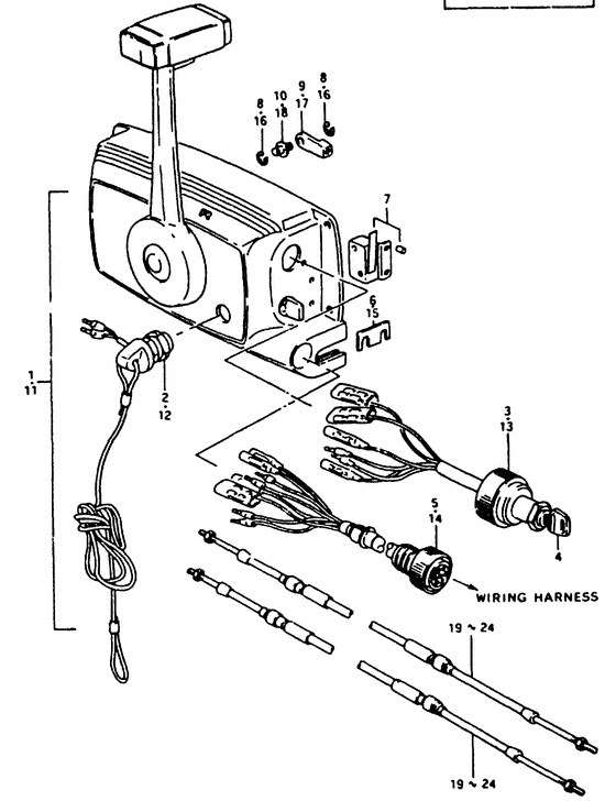
ДЕТАЛИРОВКА ДЛЯ МОДЕЛИ: SUZUKI DT35J(G/J/VZ) J

Дистанционное управление


Год выпуска двигателя: 1988

Регион: Japan

Номер на
рисунке
АртикулНаименованиеQTYКол-во
на складе
Цена
1237820-95201-000

Аварийный выключатель, в сборе - Switch Assy, Emergency (Model j, vz, (manual starter:opt)) (Switch Assy, Emergency)

под заказ4710 руб.
1237820-92E05-000

   (актуальный код замены) Аварийный выключатель, в сборе - Switch Assy, Emergency

1 шт4710 руб.
1237820-92E04-000

Аварийный выключатель, в сборе - Switch Assy, Emergency (Switch Assy, Emergency)

под заказ4710 руб.
1237820-92E05-000

   (актуальный код замены) Аварийный выключатель, в сборе - Switch Assy, Emergency

1 шт4710 руб.
1436630-95302-000

Запчасть снята с производства - The Spare Part Is Laid Off (Model j, vz, (manual starter:opt)) (The Spare Part Is Laid Off)

под заказ0 руб.
1567272-95300-000

Запчасть снята с производства - The Spare Part Is Laid Off (Model j, vz, (manual starter:opt)) (The Spare Part Is Laid Off)

под заказ0 руб.
1667268-95300-000

Запчасть снята с производства - The Spare Part Is Laid Off (Model j, vz, (manual starter:opt)) (The Spare Part Is Laid Off)

под заказ0 руб.
1767271-95300-000

Iend, Управляющие кабели - Iend, Control Cable (Eyeend, control cable # Eyeend, control cable; Model j, vz, (manual starter:opt) ) (Iend, Control Cable)

под заказ0 руб.
1867274-95300-000

Запчасть снята с производства - The Spare Part Is Laid Off (Pin, eyeend; Model j, vz, (manual starter:opt)) (The Spare Part Is Laid Off)

под заказ0 руб.
1967320-95750-000

Тросик дистанционного управления (10f: 3.1m) - Cable Assy, Remocon (10f:31m) (Opt) (Cable Assy, Remocon (10f:3.1m))

под заказ6340 руб.
1967320-93J10-000

   (актуальный код замены) Тросик дистанционного управления (10f: 3.1m) - Cable Assy, Remocon (10f:3.1m)

под заказ6340 руб.
1967320-93J10-000

Тросик дистанционного управления (10f: 3.1m) - Cable Assy, Remocon (10f:31m) (Cable Assy, Remocon (10f:3.1m))

под заказ6340 руб.
2067320-95740-000

Тросик дистанционного управления (10f: 3.1m) - Cable Assy, Remocon (10f:31m) (Opt) (Cable Assy, Remocon (10f:3.1m))

под заказ6340 руб.
2067320-93J10-000

   (актуальный код замены) Тросик дистанционного управления (10f: 3.1m) - Cable Assy, Remocon (10f:3.1m)

под заказ6340 руб.
2067320-93J10-000

Тросик дистанционного управления (10f: 3.1m) - Cable Assy, Remocon (10f:31m) (Cable Assy, Remocon (10f:3.1m))

под заказ6340 руб.
2167320-95730-000

Тросик дистанционного управления (12f: 3.7m) - Cable Assy, Remocon (12f:37m) (Opt) (Cable Assy, Remocon (12f:3.7m))

под заказ6920 руб.
2167320-93J20-000

   (актуальный код замены) Тросик дистанционного управления (12f: 3.7m) - Cable Assy, Remocon (12f:3.7m)

под заказ6920 руб.
2167320-93J20-000

Тросик дистанционного управления (12f: 3.7m) - Cable Assy, Remocon (12f:37m) (Cable Assy, Remocon (12f:3.7m))

под заказ6920 руб.
2267320-95720-000

Тросик дистанционного управления (14f: 4.2m) - Cable Assy, Remocon (14f:42m) (Opt) (Cable Assy, Remocon (14f:4.2m))

под заказ7490 руб.
2267320-93J30-000

   (актуальный код замены) Тросик дистанционного управления (14f: 4.2m) - Cable Assy, Remocon (14f:4.2m)

3 шт7490 руб.
2267320-93J30-000

Тросик дистанционного управления (14f: 4.2m) - Cable Assy, Remocon (14f:42m) (Cable Assy, Remocon (14f:4.2m))

3 шт7490 руб.
2367320-95710-000

Тросик дистанционного управления (16f: 4.8m) - Cable Assy, Remocon (16f:48m) (Opt) (Cable Assy, Remocon (16f:4.8m))

под заказ8020 руб.
2367320-93J40-000

   (актуальный код замены) Тросик дистанционного управления (16f: 4.8m) - Cable Assy, Remocon (16f:4.8m)

под заказ8020 руб.
2367320-93J40-000

Тросик дистанционного управления (16f: 4.8m) - Cable Assy, Remocon (16f:48m) (Cable Assy, Remocon (16f:4.8m))

под заказ8020 руб.
2467320-95200-000

Тросик дистанционного управления (18f: 5.4m) - Cable Assy, Remocon (18f:54m) (Opt) (Cable Assy, Remocon (18f:5.4m))

под заказ8600 руб.
2467320-93J50-000

   (актуальный код замены) Тросик дистанционного управления (18f: 5.4m) - Cable Assy, Remocon (18f:5.4m)

под заказ8600 руб.
2467320-93J50-000

Тросик дистанционного управления (18f: 5.4m) - Cable Assy, Remocon (18f:54m) (Cable Assy, Remocon (18f:5.4m))

под заказ8600 руб.


Время выполнения запроса 6.3473839759827 сек.

 
 

данный сайт носит информационный характер и не является публичной офертой

склад запчастей для водомоторной техники