Подобрать оригинальные запчасти на двигатель SUZUKI - Поворотный кронштейн - Swivel bracket
вконтакте

Контактный телефон: +7 (981) 121-46-93, +7 (800) 200-90-76 , Email: parts-katalog@yandex.ru, где купить

 
 

  Логин:

Пароль:

Регистрация

www.partskatalog.ru Все каталоги Запчасти Mercury Запчасти Suzuki Запчасти Tohatsu Запчасти Honda Контакты



УВАЖАЕМЫЕ КЛИЕНТЫ!
C 19 ДЕКАБРЯ 2025 ПО 02 МАРТА 2026 ГОДА ОТДЕЛ ЗАПЧАСТЕЙ И СЕРВИС РАБОТАТЬ НЕ БУДУТ
ПРОДАЖА ЛОДОЧНЫХ МОТОРОВ В ШТАТНОМ РЕЖИМЕ
ОБ ИЗМЕНЕНИЯХ В ГРАФИКЕ РАБОТЫ ЧИТАЙТЕ НА САЙТА



назад Раздел:   вперёд

Вернуться к выбору узлов мотора


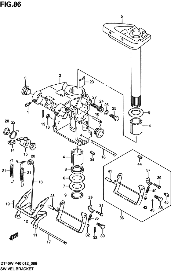
ДЕТАЛИРОВКА ДЛЯ МОДЕЛИ: SUZUKI DT40W/DT40WR FROM 04005-210001~

Поворотный кронштейн


Номер на
рисунке
АртикулНаименованиеQTYКол-во
на складе
Цена
122511-99011-000

Ниппель смазки - Nipple, Grease (Nipple, Grease)

9 шт400 руб.
243111-92L00-0EP

Поворотный кронштейн - Bracket, Swivel (Bracket, Swivel)

под заказ65760 руб.
243111-92L10-0EP

   (актуальный код замены) Поворотный кронштейн - Bracket, Swivel

под заказ65760 руб.
343211-87JL0-000

Втулка поворотного кронштейна - Bush, Swivel Bracket (Bush, Swivel Bracket)

8 шт1770 руб.
3SK43211-87JL0

   (не оригинальный аналог) Втулка поворотного механизма Skipper для Suzuki DT9,9-15/ DF9,9-DF30a

0 шт148 руб.
443711-97E00-000

Втулка рулевой системы - Bush, Steering (Bush, Steering)

под заказ870 руб.
443711-97E11-000

   (актуальный код замены) Втулка рулевой системы - Bush, Steering

18 шт930 руб.
4SK43711-97E00

   (не оригинальный аналог) Втулка поворотного механизма Skipper для Suzuki DT40-200/DF40-300

0 шт254 руб.
443711-97E01-000

Втулка рулевой системы - Bush, Steering (Bush, Steering)

под заказ870 руб.
443711-97E11-000

   (актуальный код замены) Втулка рулевой системы - Bush, Steering

18 шт930 руб.
543750-92L10-0EP

Кронштейн рулевого управления (чёрный) - Bracket, Steering (black) (Bracket, Steering (black))

под заказ31680 руб.
543750-92L20-0EP

   (актуальный код замены) Кронштейн рулевого управления (чёрный) - Bracket, Steering (black)

под заказ31680 руб.
543750-92L20-0EP

Кронштейн рулевого управления (чёрный) - Bracket, Steering (black) (Bracket, Steering (black))

под заказ31680 руб.
609160-39001-000

Шайба (39.5x64x1) - Washer (395x64x1) (Washer (39.5x64x1.0) ) (Washer (39.5x64x1))

8 шт320 руб.
709181-39001-000

Регулировочная шайба (39.5x64x0.3) - Shim (395x64x03) (Shim (39.5x64x0.3) ) (Shim (39.5x64x0.3))

8 шт480 руб.
809282-39001-000

Сальник (39x51x5) - Seal, Oil (39x51x5) (Seal, oil ) (Seal, Oil (39x51x5))

22 шт690 руб.
909380-38003-000

Стопорное кольцо - Circlip (Circlip)

5 шт600 руб.
1041225-94502-000

Стопор пружины блокировки наклона - Pin, Tilt Lock Spring (Pin, Tilt Lock Spring)

под заказ570 руб.
1145231-92L00-000

Рычаг блокировки реверса - Arm, Reverse Lock (Arm, Reverse Lock)

под заказ2040 руб.
1245241-94400-000

Тяга рычага блокировки реверса - Link, Reverse Lock Arm (Link, Reverse Lock Arm)

под заказ4230 руб.
1245241-92L00-000

   (актуальный код замены) Тяга рычага блокировки реверса - Link, Reverse Lock Arm

под заказ4230 руб.
1245241-92L00-000

Тяга рычага блокировки реверса - Link, Reverse Lock Arm (Link, Reverse Lock Arm)

под заказ4230 руб.
1345250-94400-000

Освобождающая тяга - Link, Release (Link, release ) (Link, Release)

под заказ1490 руб.
1345250-92L00-000

   (актуальный код замены) Освобождающая тяга - Link, Release

под заказ1490 руб.
1445255-93001-000

Резинка рычага блокировки - Rubber, Release Lever (Rubber, Release Lever)

под заказ390 руб.
1545261-94400-000

Освобождающий рычаг - Lever, Release (Lever, Release)

под заказ960 руб.
1545261-92L00-000

   (актуальный код замены) Освобождающий рычаг - Lever, Release

под заказ960 руб.
1545261-92L00-000

Освобождающий рычаг - Lever, Release (Lever, Release)

под заказ960 руб.
1609160-08091-000

Шайба (8.5x14x1.0) - Washer (85x14x10) (Washer (8.5x14x1.0) ) (Washer (8.5x14x1.0))

7 шт130 руб.
1709200-05015-000

Штифт (l: 117) - Pin (l:117) (Pin (l:117))

под заказ960 руб.
1809200-08043-000

Штифт (8x11) - Pin (8x11) (Pin (8x11))

под заказ760 руб.
1909204-01002-000

Штифт - Pin (Cotter pin ) (Pin)

24 шт140 руб.
2009306-22006-000

Втулка (22.6x27x8) - Bush (226x27x8) (Bush (22.6x27x8))

4 шт300 руб.
2059315-94J00-000

   (актуальный код замены) Втулка рычага блокировки - Bush, Release Lever

4 шт300 руб.
2109443-15031-000

Пружина - Spring (Spring)

под заказ1180 руб.
2209448-29018-000

Пружина - Spring (Spring)

под заказ240 руб.
2343411-97E00-000

Регулировка рулевой системы - Adjuster, Steering (Adjuster, steering ) (Adjuster, Steering)

под заказ840 руб.
2443412-93900-000

Крышка регулировки рулевой системыer - Cover, Steering Adjuster (Cover, steering adjust ) (Cover, Steering Adjuster)

под заказ340 руб.
2443412-93901-000

   (актуальный код замены) Крышка регулировки рулевой системыer - Cover, Steering Adjuster

под заказ340 руб.
2529101-93J00-000

Болт - Bolt (Bolt (8x35) ) (Bolt)

под заказ650 руб.
2509100-08309-000

   (актуальный код замены) Болт (8x35) - Bolt (8x35)

под заказ650 руб.
2609160-08091-000

Шайба (8.5x14x1.0) - Washer (85x14x10) (Washer (8.5x14x1.0) ) (Washer (8.5x14x1.0))

7 шт130 руб.
2729440-93J00-000

Пружина регулятора рулевой системы - Spring, Steering Adjuster (Spring, Steering Adjuster)

под заказ190 руб.
2845255-95500-000

Ручка освобождающего рычага - Knob, Release Lever (Knob, release lever ) (Knob, Release Lever)

под заказ460 руб.
2945713-92L00-000

Стопор, Shallow Water Drive - Stopper, Shallow Water Drive (Stopper, Shallow Water Drive)

под заказ420 руб.
3009111-10032-000

Болт (10x20.5) - Bolt (10x205) (Bolt (10x20.5))

под заказ400 руб.
3009111-10067-000

   (актуальный код замены) Болт (10x20.5) - Bolt (10x20.5)

2 шт430 руб.
3009111-10067-000

Болт (10x20.5) - Bolt (10x205) (Bolt (10x20.5))

2 шт430 руб.
3109117-06030-000

Болт (6x16) - Bolt (6x16) (Bolt (6x16) ) (Bolt (6x16))

под заказ220 руб.
3209160-05029-000

Шайба (5.5x12x0.8) - Washer (55x12x08) (Washer (5.5x12x0.8))

14 шт130 руб.
3309204-01002-000

Штифт - Pin (Cotter pin ) (Pin)

24 шт140 руб.
3409205-08002-000

Стопор пружины (8x16) - Pin, Spring (8x16) (Pin, Spring (8x16))

под заказ370 руб.
3509443-12039-000

Пружина - Spring (Spring)

под заказ410 руб.
3645700-92L00-000

Рычаг в сборе, Shallow Water Drive - Arm Assy, Shallow Water Drive (OPT ) (Arm Assy, Shallow Water Drive)

под заказ9220 руб.
3745713-92L00-000

Стопор, Shallow Water Drive - Stopper, Shallow Water Drive (OPT ) (Stopper, Shallow Water Drive)

под заказ420 руб.
3809111-10045-000

Болт (10x20.8) - Bolt (10x208) (OPT ) (Bolt (10x20.8))

под заказ630 руб.
3909117-06030-000

Болт (6x16) - Bolt (6x16) (Bolt (6x16) # OPT ) (Bolt (6x16))

под заказ220 руб.
4009443-12039-000

Пружина - Spring (OPT ) (Spring)

под заказ410 руб.
4145255-95500-000

Ручка освобождающего рычага - Knob, Release Lever (Knob, release lever # OPT ) (Knob, Release Lever)

под заказ460 руб.
4209160-05029-000

Шайба (5.5x12x0.8) - Washer (55x12x08) (OPT ) (Washer (5.5x12x0.8))

14 шт130 руб.
4309204-01002-000

Штифт - Pin (Cotter pin # OPT ) (Pin)

24 шт140 руб.
4409205-08002-000

Стопор пружины (8x16) - Pin, Spring (8x16) (OPT ) (Pin, Spring (8x16))

под заказ370 руб.
4545331-94610-000

Штифт, Shallow Рычаг привода Stop - Pin, Shallow Drive Arm Stop (Pin, shallow drive water # OPT ) (Pin, Shallow Drive Arm Stop)

под заказ1260 руб.


Время выполнения запроса 1.4598569869995 сек.

 
 

данный сайт носит информационный характер и не является публичной офертой

склад запчастей для водомоторной техники