| |
 |
|
 |
Вернуться к выбору узлов мотора
ДЕТАЛИРОВКА ДЛЯ МОДЕЛИ: SUZUKI DT40WK FROM 04005K-410001~
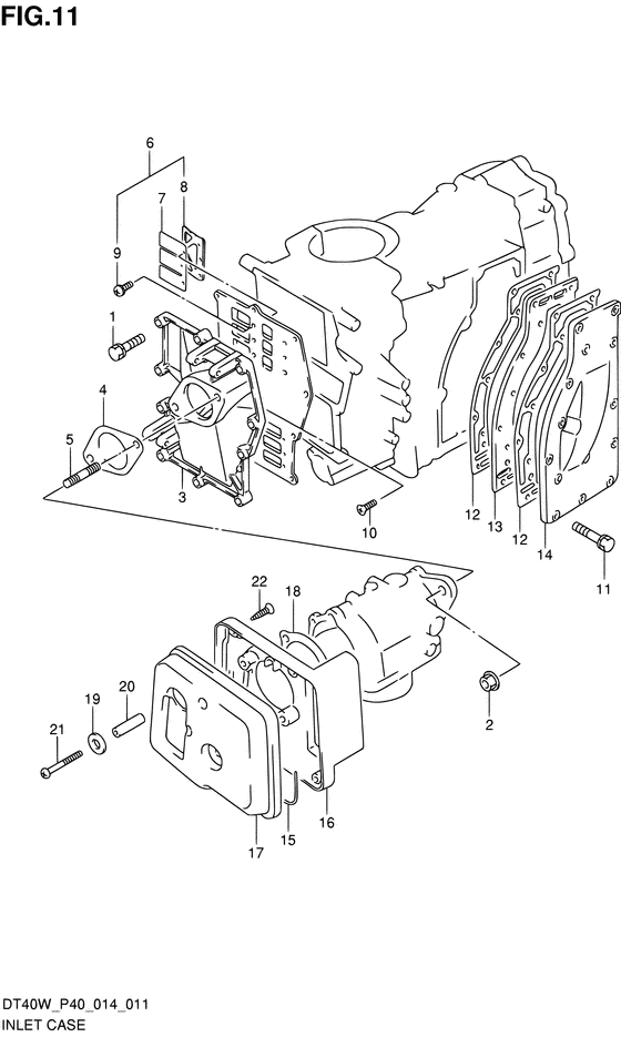
вход case
Номер на рисунке | Артикул | Наименование | QTY | Кол-во на складе | Цена |
| 1 | 01550-06307-000 | Болт - Bolt (Bolt) | | 8 шт | 250 руб. |
| 2 | 08316-10087-000 | Гайка - Nut (Nut) | | 14 шт | 170 руб. |
| 3 | 13111-92L00-000 | Case, вход - Case, Inlet (Case, Inlet) | | под заказ | 5190 руб. |
| 4 | 13125-95210-000 | Прокладка карбюратора - Gasket, Carburetor (Gasket, carburetor ) (Gasket, Carburetor) | | 7 шт | 480 руб. |
| 5 | 01411-0820A-000 | Болт под шпильку - Bolt, Stud (Bolt, Stud) | | под заказ | 130 руб. |
| 6 | 13150-92L00-000 | Язычковый клапан, в сборе - Valve Assy, Reed (Valve Assy, Reed) | | под заказ | 8450 руб. |
| 7 | 13153-92L00-000 | Язычковый клапан - Valve, Reed (Valve, Reed) | | под заказ | 570 руб. |
| 8 | 13152-92L00-000 | Стопор язычкового клапана - Stopper, Reed Valve (Stopper, Reed Valve) | | под заказ | 270 руб. |
| 9 | 02112-3306A-000 | Винт - Screw (Screw) | | под заказ | 140 руб. |
| 10 | 02122-06167-000 | Винт - Screw (Screw) | | под заказ | 120 руб. |
| 11 | 01550-06307-000 | Болт - Bolt (Bolt) | | 8 шт | 250 руб. |
| 12 | 14151-92L00-000 | Прокладка кожуха выхлопной трубы - Gasket, Exhaust Cover (Gasket, Exhaust Cover) | | 1 шт | 2220 руб. |
| 12 | 14151-94412-000 | (актуальный код замены) Прокладка кожуха выхлопной трубы - Gasket, Exhaust Cover | | 6 шт | 2220 руб. |
| 12 | 14151-94412-000 | Прокладка кожуха выхлопной трубы - Gasket, Exhaust Cover (Gasket, Exhaust Cover) | | 6 шт | 2220 руб. |
| 13 | 14131-92L10-000 | Пластина, Выхлоп - Plate, Exhaust (Plate, Exhaust) | | под заказ | 4180 руб. |
| 14 | 14141-92L10-000 | Выхлопная крышка - Cover, Exhaust (Cover, Exhaust) | | под заказ | 5960 руб. |
| 15 | 09280-63001-000 | Уплотнительное кольцо (d: 1.9, Id: 63.1) - O Ring (d:19, Id:631) (O ring (d:1.9 id:63.1) ) (O Ring (d:1.9, Id:63.1)) | | под заказ | 220 руб. |
| 15 | 09280-63005-000 | (актуальный код замены) Уплотнительное кольцо - O Ring | | под заказ | 220 руб. |
| 16 | 13811-92L00-000 | Корпус глушителя - Case, Silencer (Case, Silencer) | | под заказ | 4370 руб. |
| 16 | 13811-92L10-000 | (актуальный код замены) Корпус глушителя - Case, Silencer | | под заказ | 4370 руб. |
| 17 | 13812-92L00-000 | Крышка, Глушитель - Cover, Silencer (Cover, Silencer) | | под заказ | 4490 руб. |
| 18 | 13855-95210-000 | Прокладка, Глушитель - Gasket, Silencer (Gasket, Silencer) | | под заказ | 390 руб. |
| 19 | 09160-06066-000 | Шайба (6.5x20x1.6) - Washer (65x20x16) (Washer, throttle lever (6.5x20x1.6) ) (Washer (6.5x20x1.6)) | | под заказ | 150 руб. |
| 20 | 09180-06254-000 | Проставка (6.1x8x34) - Spacer (61x8x34) (Spacer (6.1x8x34)) | | под заказ | 240 руб. |
| 21 | 09125-06089-000 | Винт (6x45) - Screw (6x45) (Screw (6x45) ) (Screw (6x45)) | | под заказ | 250 руб. |
| 22 | 03222-0520B-000 | Винт - Screw (Screw) | | под заказ | 190 руб. |
Время выполнения запроса 0.87017393112183 сек. |
|