|
 |
Раздел:
|
 |
Вернуться к выбору узлов мотора
ДЕТАЛИРОВКА ДЛЯ МОДЕЛИ: SUZUKI DT40WK FROM 04005K-410001~
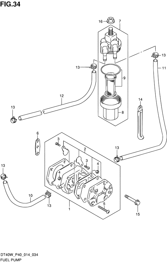
Топливный насос
Номер на рисунке | Артикул | Наименование | QTY | Кол-во на складе | Цена |
1 | 15100-94311-000 | Топливный насос, в сборе - Pump Assy, Fuel (Pump Assy, Fuel) | | 4 шт | 12370 руб. |
1 | 15100-94312-000 | (актуальный код замены) Топливный насос, в сборе - Pump Assy, Fuel | | 3 шт | 12370 руб. |
2 | 15170-94320-000 | Диафрагма Set - Diaphragm Set (Diaphragm Set) | | под заказ | 2400 руб. |
2 | 15170-94321-000 | (актуальный код замены) Диафрагма Set - Diaphragm Set | | 10 шт | 2800 руб. |
2 | SC-GS450 | (не оригинальный аналог) Ремкомплект топливного насоса Suzuki SC-GS450 | | под заказ | 1280 руб. |
3 | 15183-94301-000 | Винт - Screw (Screw) | | под заказ | 170 руб. |
4 | 15186-94300-000 | Гайка - Nut (Nut) | | под заказ | 160 руб. |
5 | 15851-94300-000 | Винт - Screw (Screw ) (Screw) | | под заказ | 260 руб. |
6 | 15321-99710-000 | Прокладка топливного насоса (na) - Gasket, Fuel Pump (na) (Gasket, fuel pump ) (Gasket, Fuel Pump (na)) | | 8 шт | 370 руб. |
7 | 15410-94400-000 | Топливный фильтр в сборе - Filter Assy, Fuel (Filter Assy, Fuel) | | 3 шт | 2280 руб. |
7 | 15410-94401-000 | (актуальный код замены) Топливный фильтр в сборе - Filter Assy, Fuel | | 33 шт | 2280 руб. |
8 | 15413-87D10-000 | Cвыше - Cup (Cup) | | под заказ | 880 руб. |
9 | 15430-87D10-000 | Element Set - Element Set (Element Set) | | 4 шт | 1350 руб. |
10 | 15211-91J00-110 | Топливный шланг (от насоса к карбюратору) - Hose, Fuel (pump To Carb) (Hose, Fuel (pump To Carb)) | | под заказ | 220 руб. |
11 | 15211-91J00-135 | Топливный шланг (Фильтр To Помпа) - Hose, Fuel (filter To Pump) (Hose, Fuel (filter To Pump)) | | под заказ | 230 руб. |
12 | 15211-91J00-400 | Топливный шланг (Коннектор To Фильтр) - Hose, Fuel (connector To Filter) (Hose, Fuel (connector To Filter)) | | под заказ | 500 руб. |
13 | 09401-08413-000 | Зажим - Clip (Clip) | | под заказ | 190 руб. |
14 | 29404-93J10-000 | Струбцина - Clamp (Clamp) | | под заказ | 190 руб. |
14 | 29404-93J11-000 | (актуальный код замены) Струбцина - Clamp | | под заказ | 190 руб. |
15 | 01547-06407-000 | Болт - Bolt (Bolt) | | под заказ | 180 руб. |
16 | 08316-10087-000 | Гайка - Nut (Nut) | | 14 шт | 170 руб. |
Время выполнения запроса 1.9338641166687 сек. |
|