| |
 |
|
 |
Вернуться к выбору узлов мотора
ДЕТАЛИРОВКА ДЛЯ МОДЕЛИ: SUZUKI DT40W/DT40WR FROM 04005-410001~
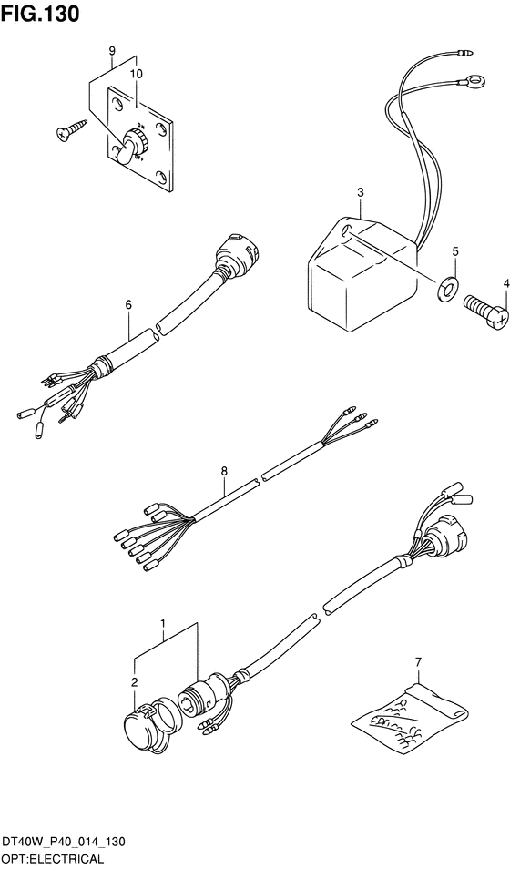
Опции: электрика
Код модели двигателя: DT40W(R)S/L/LL/L2/XL;DT40KW(R)S/L/LL/L2/XL
Год выпуска двигателя: 2014
Цвет: Shadow Black Metallic
Номер на рисунке | Артикул | Наименование | QTY | Кол-во на складе | Цена |
| 1 | 36620-95302-000 | Удлинитель кабеля дистанционного управления (l: 2000) - Wire, Remocon Extension (l:2000) (Wiring harness, extension # L:2000 ) (Wire, Remocon Extension (l:2000)) | | под заказ | 12630 руб. |
| 1 | 36620-87D20-000 | Удлинитель кабеля дистанционного управления (l: 5000) - Wire, Remocon Extension (l:5000) (Wiring harness, extension # L:5000 ) (Wire, Remocon Extension (l:5000)) | | под заказ | 17480 руб. |
| 2 | 36631-94300-000 | Колпачок на дистанционное управление Жгут проводов - Cap, Remote Control Harness (Cap, Remote Control Harness) | | под заказ | 390 руб. |
| 3 | 32500-95722-000 | Регулятор напряжения - Regulator Assy, Voltage (Regulator assy, voltage ) (Regulator Assy, Voltage) | | под заказ | 110400 руб. |
| 4 | 02162-06127-000 | Винт - Screw (Screw) | | под заказ | 150 руб. |
| 5 | 08321-01067-000 | Шайба с блокировкой - Washer, Lock (Washer, Lock) | | под заказ | 140 руб. |
| 6 | 36620-92E00-000 | Удлинитель провода дистанционного управления (l: 6360) - Wire Assy, Remocon Ext (l:6360) (Wiring harness 9 wires ) (Wire Assy, Remocon Ext (l:6360)) | | под заказ | 28560 руб. |
| 7 | 36990-87D00-000 | Клемма / Гильза Set - Terminal / Sleeve Set (Terminal & sleeve set ) (Terminal / Sleeve Set) | | 1 шт | 1720 руб. |
| 8 | 36630-92E00-000 | Провод приборов - Wire Assy, Instrument (Wire assy, instrument ) (Wire Assy, Instrument) | | под заказ | 6000 руб. |
| 9 | 37210-93J00-000 | Панель выключателя освещения, в сбореitch - Panel Assy, Lighting Switch (Panel Assy, Lighting Switch) | | под заказ | 9750 руб. |
| 10 | 37212-93J00-000 | Панель выключателя освещения - Panel, Lighting Sw (Panel, Lighting Sw) | | под заказ | 4080 руб. |
Время выполнения запроса 0.85863399505615 сек. |
|