Комплектующие на подвесной лодочный двигатель Suzuki DT40(R)S/L/LL/L2/UL; модель 1980 года - Топливный бак
вконтакте

Контактный телефон: +7 (981) 121-46-93, +7 (800) 200-90-76 , Email: parts-katalog@yandex.ru, где купить

 
 

  Логин:

Пароль:

Регистрация

www.partskatalog.ru Все каталоги Запчасти Mercury Запчасти Suzuki Запчасти Tohatsu Запчасти Honda Контакты

назад Раздел:   вперёд

Вернуться к выбору узлов мотора


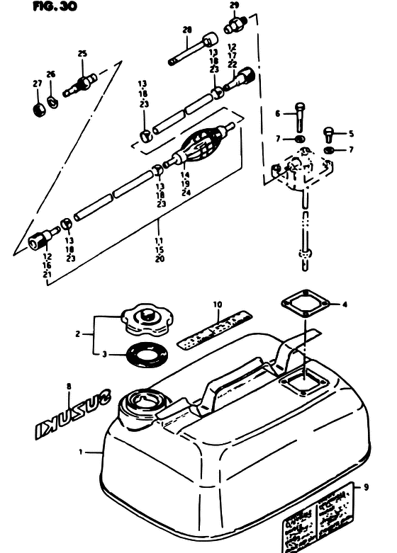
ДЕТАЛИРОВКА ДЛЯ МОДЕЛИ: SUZUKI DT40 G

Топливный бак


Код модели двигателя: DT40(R)S/L/LL/L2/UL;

Год выпуска двигателя: 1980

Номер на
рисунке
АртикулНаименованиеQTYКол-во
на складе
Цена
265510-98503-000

Крышка горловины топливного бака, в сборе - Cap Assy, Fuel Tank (MODEL G) (Cap Assy, Fuel Tank)

под заказ0 руб.
265510-92D00-000

   (актуальный код замены) Запчасть снята с производства - The Spare Part Is Laid Off

под заказ0 руб.
265510-92D00-000

Крышка горловины топливного бака, в сборе - Cap Assy, Fuel Tank (Cap assy, separate tank ) (Cap Assy, Fuel Tank)

под заказ0 руб.
265510-98504-000

Крышка горловины топливного бака, в сборе - Cap Assy, Fuel Tank (FROM 65510-98503) (Cap Assy, Fuel Tank)

под заказ0 руб.
265510-92D00-000

   (актуальный код замены) Запчасть снята с производства - The Spare Part Is Laid Off

под заказ0 руб.
265510-92D00-000

Крышка горловины топливного бака, в сборе - Cap Assy, Fuel Tank (Cap assy, separate tank ) (Cap Assy, Fuel Tank)

под заказ0 руб.
265510-98505-000

Крышка горловины топливного бака, в сборе - Cap Assy, Fuel Tank (Cap Assy, Fuel Tank)

под заказ0 руб.
265510-92D00-000

   (актуальный код замены) Запчасть снята с производства - The Spare Part Is Laid Off

под заказ0 руб.
265510-92D00-000

Крышка горловины топливного бака, в сборе - Cap Assy, Fuel Tank (Cap assy, separate tank ) (Cap Assy, Fuel Tank)

под заказ0 руб.
365561-98502-000

Запчасть снята с производства - The Spare Part Is Laid Off (The Spare Part Is Laid Off)

под заказ0 руб.
465871-93001-000

Прокладка, Fuel Gauge - Gasket, Fuel Gauge (Gasket, Fuel Gauge)

под заказ240 руб.
465871-93010-000

   (актуальный код замены) Прокладка, Fuel Gauge - Gasket, Fuel Gauge

под заказ240 руб.
465871-93010-000

Прокладка, Fuel Gauge - Gasket, Fuel Gauge (Gasket, fuel gauge ) (Gasket, Fuel Gauge)

под заказ240 руб.
501107-06168-000

Болт - Bolt (Bolt)

под заказ150 руб.
501500-06167-000

   (актуальный код замены) Болт - Bolt

под заказ150 руб.
501500-06167-000

Болт - Bolt (Bolt, fuel cooler ) (Bolt)

под заказ150 руб.
601107-06408-000

Болт - Bolt (Bolt)

под заказ190 руб.
601500-0640B-000

   (актуальный код замены) Болт - Bolt

под заказ190 руб.
601500-0640B-000

Болт - Bolt (Bolt)

под заказ190 руб.
708322-21068-000

Шайба - Washer (Washer)

под заказ140 руб.
708322-01067-000

   (актуальный код замены) Шайба - Washer

10 шт160 руб.
708322-01067-000

Шайба - Washer (Washer)

10 шт160 руб.
861441-98500-000

Маркировка, Ornament - Mark, Ornament (Mark, Ornament)

под заказ0 руб.
965316-93303-000

Запчасть снята с производства - The Spare Part Is Laid Off (The Spare Part Is Laid Off)

под заказ0 руб.
965316-93320-000

   (актуальный код замены) Запчасть снята с производства - The Spare Part Is Laid Off

под заказ0 руб.
1065317-95200-000

Запчасть снята с производства - The Spare Part Is Laid Off (The Spare Part Is Laid Off)

под заказ0 руб.
1065317-95220-000

   (актуальный код замены) Запчасть снята с производства - The Spare Part Is Laid Off

под заказ0 руб.
1165700-95202-000

Топливный шланг (от бака до коннектораector) - Hose, Fuel (tank To Connector) (MODEL G) (Hose, Fuel (tank To Connector))

под заказ23090 руб.
1165700-95D18-000

   (актуальный код замены) Шланг Comp, Fuel (от бака до коннектора) - Hose Comp, Fuel (tank To Conn)

под заказ23090 руб.
1165700-95D15-000

Топливный шланг (от бака до коннектораector) - Hose, Fuel (tank To Connector) (Hose, Fuel (tank To Connector))

под заказ23090 руб.
1165700-95D18-000

   (актуальный код замены) Шланг Comp, Fuel (от бака до коннектора) - Hose Comp, Fuel (tank To Conn)

под заказ23090 руб.
1265750-98990-000

Разъём топливного шланга - Socket, Fuel Hose (MODEL G) (Socket, Fuel Hose)

под заказ3240 руб.
1265750-98506-000

   (актуальный код замены) Разъём топливного шланга - Socket, Fuel Hose

под заказ3240 руб.
1265750-98505-000

Разъём топливного шланга - Socket, Fuel Hose (Socket, fuel hose (out) ) (Socket, Fuel Hose)

2 шт3240 руб.
1265750-98506-000

   (актуальный код замены) Разъём топливного шланга - Socket, Fuel Hose

под заказ3240 руб.
1309401-13402-000

Зажим топливного шланга - Clip, Fuel Hose (FROM 65750-98502, MODEL G) (Clip, Fuel Hose)

под заказ290 руб.
1365781-98500-000

   (актуальный код замены) Зажим топливного шланга - Clip, Fuel Hose

9 шт350 руб.
1365781-98500-000

Зажим топливного шланга - Clip, Fuel Hose (Clip, Fuel Hose)

9 шт350 руб.
1465770-99701-000

Запчасть снята с производства - The Spare Part Is Laid Off (MODEL G) (The Spare Part Is Laid Off)

под заказ0 руб.
1465770-99704-000

   (актуальный код замены) Запчасть снята с производства - The Spare Part Is Laid Off

под заказ0 руб.
1565700-95204-000

Топливный шланг (от бака до коннектора) - Hose, Fuel (tank To Conn) (MODEL J) (Hose, Fuel (tank To Conn))

под заказ6530 руб.
1565700-87DL2-000

   (актуальный код замены) Топливный шланг (от бака до коннектора) - Hose, Fuel (tank To Conn)

под заказ6530 руб.
1565700-87DL0-000

Топливный шланг (от бака до коннектора) - Hose, Fuel (tank To Conn) (Hose, Fuel (tank To Conn))

под заказ6530 руб.
1565700-87DL2-000

   (актуальный код замены) Топливный шланг (от бака до коннектора) - Hose, Fuel (tank To Conn)

под заказ6530 руб.
1665750-98505-000

Разъём топливного шланга - Socket, Fuel Hose (Socket, fuel hose (out) # MODEL J ) (Socket, Fuel Hose)

2 шт3240 руб.
1665750-98506-000

   (актуальный код замены) Разъём топливного шланга - Socket, Fuel Hose

под заказ3240 руб.
1765750-93000-000

Разъём топливного шланга - Socket, Fuel Hose (Socket, fuel hose # MODEL J ) (Socket, Fuel Hose)

под заказ0 руб.
1765750-93001-000

   (актуальный код замены) Запчасть снята с производства - The Spare Part Is Laid Off

под заказ0 руб.
1809401-13402-000

Зажим топливного шланга - Clip, Fuel Hose (MODEL J) (Clip, Fuel Hose)

под заказ290 руб.
1865781-98500-000

   (актуальный код замены) Зажим топливного шланга - Clip, Fuel Hose

9 шт350 руб.
1865781-98500-000

Зажим топливного шланга - Clip, Fuel Hose (Clip, Fuel Hose)

9 шт350 руб.
1965770-99702-000

Запчасть снята с производства - The Spare Part Is Laid Off (MODEL J) (The Spare Part Is Laid Off)

под заказ0 руб.
1965770-99704-000

   (актуальный код замены) Запчасть снята с производства - The Spare Part Is Laid Off

под заказ0 руб.
2065700-95205-000

Топливный шланг (от бака до коннектора) - Hose, Fuel (tank To Conn) (FROM 65700-95204, MODEL VZ) (Hose, Fuel (tank To Conn))

под заказ6530 руб.
2065700-87DL2-000

   (актуальный код замены) Топливный шланг (от бака до коннектора) - Hose, Fuel (tank To Conn)

под заказ6530 руб.
2065700-87DL0-000

Топливный шланг (от бака до коннектора) - Hose, Fuel (tank To Conn) (Hose, Fuel (tank To Conn))

под заказ6530 руб.
2065700-87DL2-000

   (актуальный код замены) Топливный шланг (от бака до коннектора) - Hose, Fuel (tank To Conn)

под заказ6530 руб.
2165750-98505-000

Разъём топливного шланга - Socket, Fuel Hose (Socket, fuel hose (out) # MODEL VZ ) (Socket, Fuel Hose)

2 шт3240 руб.
2165750-98506-000

   (актуальный код замены) Разъём топливного шланга - Socket, Fuel Hose

под заказ3240 руб.
2265750-93000-000

Разъём топливного шланга - Socket, Fuel Hose (Socket, fuel hose # MODEL VZ ) (Socket, Fuel Hose)

под заказ0 руб.
2265750-93001-000

   (актуальный код замены) Запчасть снята с производства - The Spare Part Is Laid Off

под заказ0 руб.
2365781-98500-000

Зажим топливного шланга - Clip, Fuel Hose (MODEL VZ ) (Clip, Fuel Hose)

9 шт350 руб.
2465770-99702-000

Запчасть снята с производства - The Spare Part Is Laid Off (MODEL VZ) (The Spare Part Is Laid Off)

под заказ0 руб.
2465770-99704-000

   (актуальный код замены) Запчасть снята с производства - The Spare Part Is Laid Off

под заказ0 руб.
2565720-98502-000

Разъем топливного коннектора - Plug, Fuel Connector (MODEL G, TO 65720-98520) (Plug, Fuel Connector)

под заказ3170 руб.
2565720-985L1-000

   (актуальный код замены) Разъем топливного коннектора - Plug, Fuel Connector

5 шт3950 руб.
25SF80210-1

   (не оригинальный аналог) Адаптер топливный SUNFINE тип Suzuki, 7.5мм, 6720-98521

под заказ1270 руб.
2565720-985L1-000

Разъем топливного коннектора - Plug, Fuel Connector (Plug, Fuel Connector)

5 шт3950 руб.
2565720-98520-000

Разъем топливного коннектора - Plug, Fuel Connector (MODEL J, VZ) (Plug, Fuel Connector)

под заказ3170 руб.
2565720-985L1-000

   (актуальный код замены) Разъем топливного коннектора - Plug, Fuel Connector

5 шт3950 руб.
25SK65720-98520

   (не оригинальный аналог) Коннектор топливный Skipper для Suzuki DT2-65, DF9.9-15 "папа", 6 мм

0 шт836 руб.
2565720-985L1-000

Разъем топливного коннектора - Plug, Fuel Connector (Plug, Fuel Connector)

5 шт3950 руб.
2608321-21108-000

Шайба с блокировкой - Washer, Lock (Washer, Lock)

под заказ140 руб.
2608321-01107-000

   (актуальный код замены) Шайба с блокировкой - Washer, Lock

9 шт140 руб.
2608321-01107-000

Шайба с блокировкой - Washer, Lock (Lock washer ) (Washer, Lock)

9 шт140 руб.
2708310-22108-000

Гайка - Nut (Nut)

под заказ170 руб.
2708310-00107-000

   (актуальный код замены) Гайка - Nut

под заказ170 руб.
2708310-00107-000

Гайка - Nut (Nut)

под заказ170 руб.
2865700-95270-000

Запчасть снята с производства - The Spare Part Is Laid Off (OPT) (The Spare Part Is Laid Off)

под заказ0 руб.
2865700-95272-000

   (актуальный код замены) Запчасть снята с производства - The Spare Part Is Laid Off

под заказ0 руб.
2865700-95271-000

Запчасть снята с производства - The Spare Part Is Laid Off (The Spare Part Is Laid Off)

под заказ0 руб.
2865700-95272-000

   (актуальный код замены) Запчасть снята с производства - The Spare Part Is Laid Off

под заказ0 руб.
2965720-98590-000

Разъем топливного коннектора - Plug, Fuel Connector (Plug, fuel connector # OPT ) (Plug, Fuel Connector)

10 шт0 руб.
2965720-98591-000

   (актуальный код замены) Запчасть снята с производства - The Spare Part Is Laid Off

под заказ0 руб.


Время выполнения запроса 2.0117180347443 сек.

 
 

данный сайт носит информационный характер и не является публичной офертой

склад запчастей для водомоторной техники