Подобрать оригинальные запчасти на подвесной двигатель Сузуки DT40(R)S/L/LL/L2/UL; модель 1980 года - Optional:electrical
вконтакте

Контактный телефон: +7 (981) 121-46-93, +7 (800) 200-90-76 , Email: parts-katalog@yandex.ru, где купить

 
 

  Логин:

Пароль:

Регистрация

www.partskatalog.ru Все каталоги Запчасти Mercury Запчасти Suzuki Запчасти Tohatsu Запчасти Honda Контакты



УВАЖАЕМЫЕ КЛИЕНТЫ!
C 19 ДЕКАБРЯ 2025 ПО 02 МАРТА 2026 ГОДА ОТДЕЛ ЗАПЧАСТЕЙ И СЕРВИС РАБОТАТЬ НЕ БУДУТ
ПРОДАЖА ЛОДОЧНЫХ МОТОРОВ В ШТАТНОМ РЕЖИМЕ
ОБ ИЗМЕНЕНИЯХ В ГРАФИКЕ РАБОТЫ ЧИТАЙТЕ НА САЙТА



назад Раздел:   вперёд

Вернуться к выбору узлов мотора


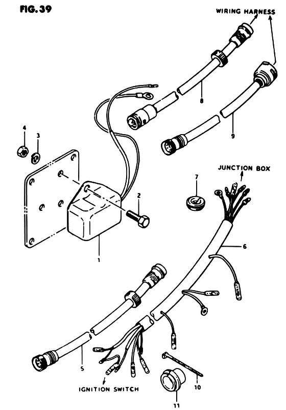
ДЕТАЛИРОВКА ДЛЯ МОДЕЛИ: SUZUKI DT40 G

Опции: Электрика


Код модели двигателя: DT40(R)S/L/LL/L2/UL;

Год выпуска двигателя: 1980

Номер на
рисунке
АртикулНаименованиеQTYКол-во
на складе
Цена
132500-95721-000

Регулятор напряжения - Regulator Assy, Voltage (Regulator Assy, Voltage)

под заказ110400 руб.
132500-95722-000

   (актуальный код замены) Регулятор напряжения - Regulator Assy, Voltage

под заказ110400 руб.
132500-95722-000

Регулятор напряжения - Regulator Assy, Voltage (Regulator assy, voltage ) (Regulator Assy, Voltage)

под заказ110400 руб.
201107-06208-000

Болт - Bolt (Bolt)

под заказ150 руб.
201500-06207-000

   (актуальный код замены) Болт - Bolt

под заказ150 руб.
201500-06207-000

Болт - Bolt (Bolt)

под заказ150 руб.
308321-21068-000

Шайба с блокировкой - Washer, Lock (Washer, Lock)

под заказ140 руб.
308321-01067-000

   (актуальный код замены) Шайба с блокировкой - Washer, Lock

под заказ140 руб.
308321-01067-000

Шайба с блокировкой - Washer, Lock (Washer, Lock)

под заказ140 руб.
408310-11068-000

Гайка - Nut (Nut)

под заказ140 руб.
408310-00067-000

   (актуальный код замены) Гайка - Nut

под заказ140 руб.
408310-00067-000

Гайка - Nut (Nut)

под заказ140 руб.
536620-95250-000

Запчасть снята с производства - The Spare Part Is Laid Off (MODEL G) (The Spare Part Is Laid Off)

под заказ0 руб.
636620-94701-000

Запчасть снята с производства - The Spare Part Is Laid Off (L:5700, MODEL G) (The Spare Part Is Laid Off)

под заказ0 руб.
636620-94330-000

   (актуальный код замены) Запчасть снята с производства - The Spare Part Is Laid Off

под заказ0 руб.
636620-94330-000

Запчасть снята с производства - The Spare Part Is Laid Off (The Spare Part Is Laid Off)

под заказ0 руб.
736656-94300-000

Запчасть снята с производства - The Spare Part Is Laid Off (TO 36656-94310, MODEL G) (The Spare Part Is Laid Off)

под заказ0 руб.
736656-94310-000

   (актуальный код замены) Запчасть снята с производства - The Spare Part Is Laid Off

под заказ0 руб.
736656-94310-000

Запчасть снята с производства - The Spare Part Is Laid Off (The Spare Part Is Laid Off)

под заказ0 руб.
836641-94700-000

Запчасть снята с производства - The Spare Part Is Laid Off (FOR TSK TYPE REMOCON) (The Spare Part Is Laid Off)

под заказ0 руб.
936642-94700-000

Adapter (n.o) - Adapter (no) (MODEL VZ) (Adapter (n.o))

под заказ0 руб.
936642-94703-000

   (актуальный код замены) Запчасть снята с производства - The Spare Part Is Laid Off

под заказ0 руб.
936642-94703-000

Adapter (n.o) - Adapter (no) (Adapter (n.o) ) (Adapter (n.o))

под заказ0 руб.
1036632-95501-000

Струбцина (l: 250) - Clamp (l:250) (Clamp (l:250))

под заказ190 руб.
1009407-20405-000

   (актуальный код замены) Струбцина (l: 202) - Clamp (l:202)

под заказ190 руб.
1009407-25402-000

Струбцина (l: 250) - Clamp (l:250) (Clamp, tilt sw ) (Clamp (l:250))

под заказ350 руб.
1009407-25402-000

Струбцина (l: 250) - Clamp (l:250) (Clamp, tilt sw ) (Clamp (l:250))

под заказ350 руб.
1009407-25402-000

Струбцина (l: 250) - Clamp (l:250) (Clamp, tilt sw ) (Clamp (l:250))

под заказ350 руб.
1136639-94300-000

Запчасть снята с производства - The Spare Part Is Laid Off (The Spare Part Is Laid Off)

под заказ0 руб.


Время выполнения запроса 1.9724380970001 сек.

 
 

данный сайт носит информационный характер и не является публичной офертой

склад запчастей для водомоторной техники