Подобрать оригинальные запчасти на лодочный мотор Сузуки DT40(R)S/L/LL/L2/UL; модель 1982 года - Стартер / Starter
вконтакте

Контактный телефон: +7 (981) 121-46-93, +7 (800) 200-90-76 , Email: parts-katalog@yandex.ru, где купить

 
 

  Логин:

Пароль:

Регистрация

www.partskatalog.ru Все каталоги Запчасти Mercury Запчасти Suzuki Запчасти Tohatsu Запчасти Honda Контакты



УВАЖАЕМЫЕ КЛИЕНТЫ!
C 19 ДЕКАБРЯ 2025 ПО 02 МАРТА 2026 ГОДА ОТДЕЛ ЗАПЧАСТЕЙ И СЕРВИС РАБОТАТЬ НЕ БУДУТ
ПРОДАЖА ЛОДОЧНЫХ МОТОРОВ В ШТАТНОМ РЕЖИМЕ
ОБ ИЗМЕНЕНИЯХ В ГРАФИКЕ РАБОТЫ ЧИТАЙТЕ НА САЙТА



назад Раздел:   вперёд

Вернуться к выбору узлов мотора


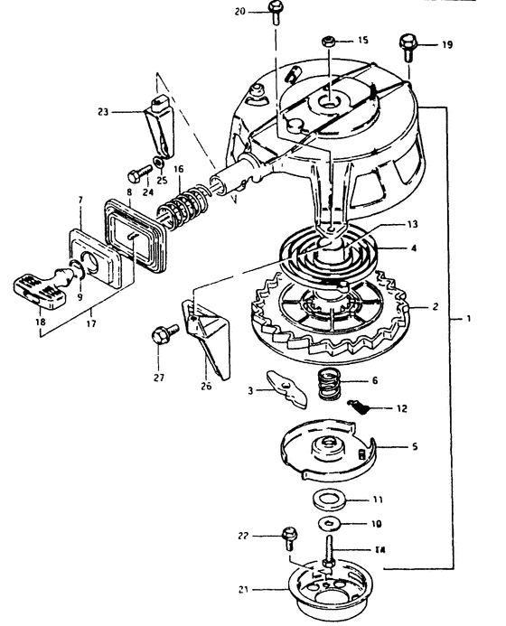
ДЕТАЛИРОВКА ДЛЯ МОДЕЛИ: SUZUKI DT40VZ(G/J/VZ) Z

Стартер


Код модели двигателя: DT40(R)S/L/LL/L2/UL;

Год выпуска двигателя: 1982

Номер на
рисунке
АртикулНаименованиеQTYКол-во
на складе
Цена
118100-94313-000

Запчасть снята с производства - The Spare Part Is Laid Off (From 18100-94312) (The Spare Part Is Laid Off)

под заказ0 руб.
118100-94318-000

   (актуальный код замены) Запчасть снята с производства - The Spare Part Is Laid Off

под заказ0 руб.
218120-94300-000

Запчасть снята с производства - The Spare Part Is Laid Off (The Spare Part Is Laid Off)

под заказ0 руб.
318131-94302-000

Запчасть снята с производства - The Spare Part Is Laid Off (The Spare Part Is Laid Off)

под заказ0 руб.
318130-94300-000

   (актуальный код замены) Запчасть снята с производства - The Spare Part Is Laid Off

под заказ0 руб.
418153-95200-000

Фрикционная пружина - Spring, Friction (Spring, friction ) (Spring, Friction)

под заказ0 руб.
518151-94300-000

Запчасть снята с производства - The Spare Part Is Laid Off (The Spare Part Is Laid Off)

под заказ0 руб.
618142-93000-000

Запчасть снята с производства - The Spare Part Is Laid Off (The Spare Part Is Laid Off)

под заказ0 руб.
718191-95201-000

Пластина - Plate (Plate)

под заказ1580 руб.
718191-95202-000

   (актуальный код замены) Пластина - Plate

под заказ1580 руб.
718191-95202-000

Пластина - Plate (Plate)

под заказ1580 руб.
818192-95201-000

Rubber, Стартер Направляющая пластина - Rubber, Starter Guide Plate (Rubber, Starter Guide Plate)

под заказ0 руб.
818192-95204-000

   (актуальный код замены) Запчасть снята с производства - The Spare Part Is Laid Off

под заказ0 руб.
818192-95204-000

Rubber, Стартер Направляющая пластина - Rubber, Starter Guide Plate (Rubber, difence ) (Rubber, Starter Guide Plate)

под заказ0 руб.
918195-95200-000

Кольцо - Ring (Ring ) (Ring)

под заказ0 руб.
1018335-94300-000

Запчасть снята с производства - The Spare Part Is Laid Off (The Spare Part Is Laid Off)

под заказ0 руб.
1118162-94300-000

Запчасть снята с производства - The Spare Part Is Laid Off (The Spare Part Is Laid Off)

под заказ0 руб.
1218155-94300-000

Запчасть снята с производства - The Spare Part Is Laid Off (The Spare Part Is Laid Off)

под заказ0 руб.
1318124-94300-000

Запчасть снята с производства - The Spare Part Is Laid Off (The Spare Part Is Laid Off)

под заказ0 руб.
1418332-94300-000

Запчасть снята с производства - The Spare Part Is Laid Off (The Spare Part Is Laid Off)

под заказ0 руб.
1508310-11068-000

Гайка - Nut (Nut)

под заказ140 руб.
1508310-00067-000

   (актуальный код замены) Гайка - Nut

под заказ140 руб.
1508310-00067-000

Гайка - Nut (Nut)

под заказ140 руб.
1618196-93000-000

Запчасть снята с производства - The Spare Part Is Laid Off (Spring, guide plate;) (The Spare Part Is Laid Off)

под заказ0 руб.
1718200-95202-000

под заказ0 руб.
1718210-93002-000

Рукоятка в сборе - Grip Assy (Grip Assy)

1 шт1150 руб.
1818210-93001-000

Рукоятка в сборе - Grip Assy (Grip Assy)

под заказ1150 руб.
1818210-93002-000

   (актуальный код замены) Рукоятка в сборе - Grip Assy

1 шт1150 руб.
1818210-93002-000

Рукоятка в сборе - Grip Assy (Grip Assy)

1 шт1150 руб.
1901517-08258-000

Болт - Bolt (Bolt)

под заказ210 руб.
1901550-08257-000

   (актуальный код замены) Болт - Bolt

под заказ300 руб.
1901550-08257-000

Болт - Bolt (Bolt)

под заказ300 руб.
2001517-06258-000

Болт - Bolt (Bolt)

под заказ180 руб.
2001550-06257-000

   (актуальный код замены) Болт - Bolt

под заказ180 руб.
2001550-06257-000

Болт - Bolt (Bolt)

под заказ180 руб.
2118411-94301-000

Запчасть снята с производства - The Spare Part Is Laid Off (The Spare Part Is Laid Off)

под заказ0 руб.
2118411-94302-000

   (актуальный код замены) Запчасть снята с производства - The Spare Part Is Laid Off

под заказ0 руб.
2201517-08168-000

Болт - Bolt (Bolt)

под заказ210 руб.
2201550-08167-000

   (актуальный код замены) Болт - Bolt

8 шт210 руб.
2201550-08167-000

Болт - Bolt (Bolt (8x16) ) (Bolt)

8 шт210 руб.
2318711-94301-01J

Запчасть снята с производства - The Spare Part Is Laid Off (The Spare Part Is Laid Off)

под заказ0 руб.
2318711-94301-0ED

   (актуальный код замены) Запчасть снята с производства - The Spare Part Is Laid Off

под заказ0 руб.
2401907-06208-000

Болт - Bolt (Bolt)

под заказ150 руб.
2401500-06207-000

   (актуальный код замены) Болт - Bolt

под заказ150 руб.
2401500-06207-000

Болт - Bolt (Bolt)

под заказ150 руб.
2508322-21068-000

Шайба - Washer (Washer)

под заказ140 руб.
2508322-01067-000

   (актуальный код замены) Шайба - Washer

10 шт160 руб.
2508322-01067-000

Шайба - Washer (Washer)

10 шт160 руб.
2618721-94301-01J

Запчасть снята с производства - The Spare Part Is Laid Off (Manual starter) (The Spare Part Is Laid Off)

под заказ0 руб.
2618721-94301-0ED

   (актуальный код замены) Запчасть снята с производства - The Spare Part Is Laid Off

под заказ0 руб.
2701517-08258-000

Болт - Bolt (Bolt)

под заказ210 руб.
2701550-08257-000

   (актуальный код замены) Болт - Bolt

под заказ300 руб.
2701550-08257-000

Болт - Bolt (Bolt)

под заказ300 руб.


Время выполнения запроса 2.2604269981384 сек.

 
 

данный сайт носит информационный характер и не является публичной офертой

склад запчастей для водомоторной техники