Подобрать запчасти на мотор Suzuki DT40(R)S/L/LL/L2/UL; модель 1982 года - Дистанционное управление - Remote control
вконтакте

Контактный телефон: +7 (981) 121-46-93, +7 (800) 200-90-76 , Email: parts-katalog@yandex.ru, где купить

 
 

  Логин:

Пароль:

Регистрация

www.partskatalog.ru Все каталоги Запчасти Mercury Запчасти Suzuki Запчасти Tohatsu Запчасти Honda Контакты



УВАЖАЕМЫЕ КЛИЕНТЫ!
C 19 ДЕКАБРЯ 2025 ПО 02 МАРТА 2026 ГОДА ОТДЕЛ ЗАПЧАСТЕЙ И СЕРВИС РАБОТАТЬ НЕ БУДУТ
ПРОДАЖА ЛОДОЧНЫХ МОТОРОВ В ШТАТНОМ РЕЖИМЕ
ОБ ИЗМЕНЕНИЯХ В ГРАФИКЕ РАБОТЫ ЧИТАЙТЕ НА САЙТА



назад Раздел:   вперёд

Вернуться к выбору узлов мотора


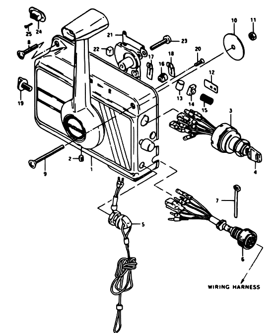
ДЕТАЛИРОВКА ДЛЯ МОДЕЛИ: SUZUKI DT40 VZ

Дистанционное управление


Код модели двигателя: DT40(R)S/L/LL/L2/UL;

Год выпуска двигателя: 1982

Номер на
рисунке
АртикулНаименованиеQTYКол-во
на складе
Цена
167200-95323-01T

Запчасть снята с производства - The Spare Part Is Laid Off (OPT) (The Spare Part Is Laid Off)

под заказ0 руб.
267249-95500-000

Запчасть снята с производства - The Spare Part Is Laid Off (OPT) (The Spare Part Is Laid Off)

под заказ0 руб.
337110-94300-000

Выключатель зажигания - Switch Assy, Ignition (OPT) (Switch Assy, Ignition)

под заказ0 руб.
337110-95551-000

   (актуальный код замены) Запчасть снята с производства - The Spare Part Is Laid Off

под заказ0 руб.
337110-95551-000

Выключатель зажигания - Switch Assy, Ignition (Switch, ignition ) (Switch Assy, Ignition)

под заказ0 руб.
437141-93300-000

Ключ, Spare (8511) - Key, Spare (8511) (Key, spare 8511 # OPT ) (Key, Spare (8511))

под заказ0 руб.
437141-93310-000

Ключ, Spare (8512) - Key, Spare (8512) (Key, spare 8512 # OPT ) (Key, Spare (8512))

под заказ0 руб.
437141-93320-000

Ключ, Spare (8513) - Key, Spare (8513) (Key, spare 8513 # OPT ) (Key, Spare (8513))

под заказ0 руб.
437141-93330-000

Ключ, Spare (8611) - Key, Spare (8611) (Key, spare 8611 # OPT ) (Key, Spare (8611))

под заказ0 руб.
437141-93340-000

Ключ, Spare (8612) - Key, Spare (8612) (Key, spare 8612 # OPT ) (Key, Spare (8612))

под заказ0 руб.
437141-93350-000

Ключ, Spare (8613) - Key, Spare (8613) (Key, spare 8613 # OPT ) (Key, Spare (8613))

под заказ0 руб.
537820-95253-000

Аварийный выключатель, в сборе - Switch Assy, Emergency (OPT) (Switch Assy, Emergency)

под заказ4710 руб.
537820-92E04-000

   (актуальный код замены) Аварийный выключатель, в сборе - Switch Assy, Emergency

под заказ4710 руб.
537820-92E04-000

Аварийный выключатель, в сборе - Switch Assy, Emergency (Switch Assy, Emergency)

под заказ4710 руб.
537820-92E05-000

   (актуальный код замены) Аварийный выключатель, в сборе - Switch Assy, Emergency

1 шт4710 руб.
636620-94500-000

Жгут проводов, WiКольцо Ext - Harness, Wiring Ext (OPT) (Harness, Wiring Ext)

под заказ23620 руб.
636620-95D00-000

   (актуальный код замены) Жгут проводов, WiКольцо Ext - Harness, Wiring Ext

под заказ23620 руб.
636620-95D00-000

Жгут проводов, WiКольцо Ext - Harness, Wiring Ext (Wiring harness 9 wires ) (Harness, Wiring Ext)

под заказ23620 руб.
736632-95501-000

Струбцина (l: 250) - Clamp (l:250) (OPT) (Clamp (l:250))

под заказ190 руб.
709407-20405-000

   (актуальный код замены) Струбцина (l: 202) - Clamp (l:202)

под заказ190 руб.
709407-25402-000

Струбцина (l: 250) - Clamp (l:250) (Clamp, tilt sw ) (Clamp (l:250))

под заказ350 руб.
709407-25402-000

Струбцина (l: 250) - Clamp (l:250) (Clamp, tilt sw ) (Clamp (l:250))

под заказ350 руб.
709407-25402-000

Струбцина (l: 250) - Clamp (l:250) (Clamp, tilt sw ) (Clamp (l:250))

под заказ350 руб.
802132-06408-000

Винт - Screw (OPT) (Screw)

под заказ200 руб.
802122-0640B-000

   (актуальный код замены) Винт - Screw

под заказ200 руб.
802122-0640B-000

Винт - Screw (Screw)

под заказ200 руб.
902132-06758-000

Винт - Screw (OPT ) (Screw)

под заказ0 руб.
1009160-06047-000

Шайба (6.5x20x2) - Washer (65x20x2) (Washer, remocon cable stopper # OPT ) (Washer (6.5x20x2))

8 шт150 руб.
1108310-11068-000

Гайка - Nut (OPT) (Nut)

под заказ140 руб.
1108310-00067-000

   (актуальный код замены) Гайка - Nut

под заказ140 руб.
1108310-00067-000

Гайка - Nut (Nut)

под заказ140 руб.
1267271-95500-000

Запчасть снята с производства - The Spare Part Is Laid Off (OPT) (The Spare Part Is Laid Off)

под заказ0 руб.
1367253-95500-000

Запчасть снята с производства - The Spare Part Is Laid Off (OPT) (The Spare Part Is Laid Off)

под заказ0 руб.
1467254-95500-000

Запчасть снята с производства - The Spare Part Is Laid Off (OPT) (The Spare Part Is Laid Off)

под заказ0 руб.
1567255-95500-000

Запчасть снята с производства - The Spare Part Is Laid Off (OPT) (The Spare Part Is Laid Off)

под заказ0 руб.
1667275-95500-000

Запчасть снята с производства - The Spare Part Is Laid Off (OPT) (The Spare Part Is Laid Off)

под заказ0 руб.
1767272-95500-000

Запчасть снята с производства - The Spare Part Is Laid Off (OPT) (The Spare Part Is Laid Off)

под заказ0 руб.
1867274-95500-000

Запчасть снята с производства - The Spare Part Is Laid Off (OPT) (The Spare Part Is Laid Off)

под заказ0 руб.
1967232-95500-000

Запчасть снята с производства - The Spare Part Is Laid Off (OPT) (The Spare Part Is Laid Off)

под заказ0 руб.
2002122-04128-000

Винт - Screw (OPT) (Screw)

под заказ170 руб.
2002122-0412B-000

   (актуальный код замены) Винт - Screw

под заказ170 руб.
2002122-0412B-000

Винт - Screw (Screw)

под заказ170 руб.
2167233-95500-000

Запчасть снята с производства - The Spare Part Is Laid Off (OPT) (The Spare Part Is Laid Off)

под заказ0 руб.
2267234-95500-000

Запчасть снята с производства - The Spare Part Is Laid Off (OPT) (The Spare Part Is Laid Off)

под заказ0 руб.
2302112-06358-000

Винт - Screw (OPT) (Screw)

под заказ130 руб.
2302112-06357-000

   (актуальный код замены) Винт - Screw

под заказ130 руб.
2302112-06357-000

Винт - Screw (Screw)

под заказ130 руб.
2437864-95500-000

Колпачок, Переключатель трима - Cap, Trim Switch (OPT) (Cap, Trim Switch)

под заказ1160 руб.
2437869-95590-000

   (актуальный код замены) Колпачок, Переключатель трима - Cap, Trim Switch

под заказ1160 руб.
2437869-95590-000

Колпачок, Переключатель трима - Cap, Trim Switch (Cap, trim switch ) (Cap, Trim Switch)

под заказ1160 руб.
2509139-02003-000

Винт (2x6) - Screw (2x6) (OPT ) (Screw (2x6))

под заказ120 руб.


Время выполнения запроса 2.1750121116638 сек.

 
 

данный сайт носит информационный характер и не является публичной офертой

склад запчастей для водомоторной техники