Купить комплектующие на подвесной двигатель Suzuki DT40CS/L/L2 модель 1984 года - Carburetor
вконтакте

Контактный телефон: +7 (981) 121-46-93, +7 (800) 200-90-76 , Email: parts-katalog@yandex.ru, где купить

 
 

  Логин:

Пароль:

Регистрация

www.partskatalog.ru Все каталоги Запчасти Mercury Запчасти Suzuki Запчасти Tohatsu Запчасти Honda Контакты



УВАЖАЕМЫЕ КЛИЕНТЫ!
C 19 ДЕКАБРЯ 2025 ПО 02 МАРТА 2026 ГОДА ОТДЕЛ ЗАПЧАСТЕЙ И СЕРВИС РАБОТАТЬ НЕ БУДУТ
ПРОДАЖА ЛОДОЧНЫХ МОТОРОВ В ШТАТНОМ РЕЖИМЕ
ОБ ИЗМЕНЕНИЯХ В ГРАФИКЕ РАБОТЫ ЧИТАЙТЕ НА САЙТА



назад Раздел:   вперёд

Вернуться к выбору узлов мотора


ДЕТАЛИРОВКА ДЛЯ МОДЕЛИ: SUZUKI DT40RCVE(VE/VF) E

Карбюратор


Код модели двигателя: DT40CS/L/L2

Год выпуска двигателя: 1984

Регион: General Export No.1 ,Код региона: P01

Номер на
рисунке
АртикулНаименованиеQTYКол-во
на складе
Цена
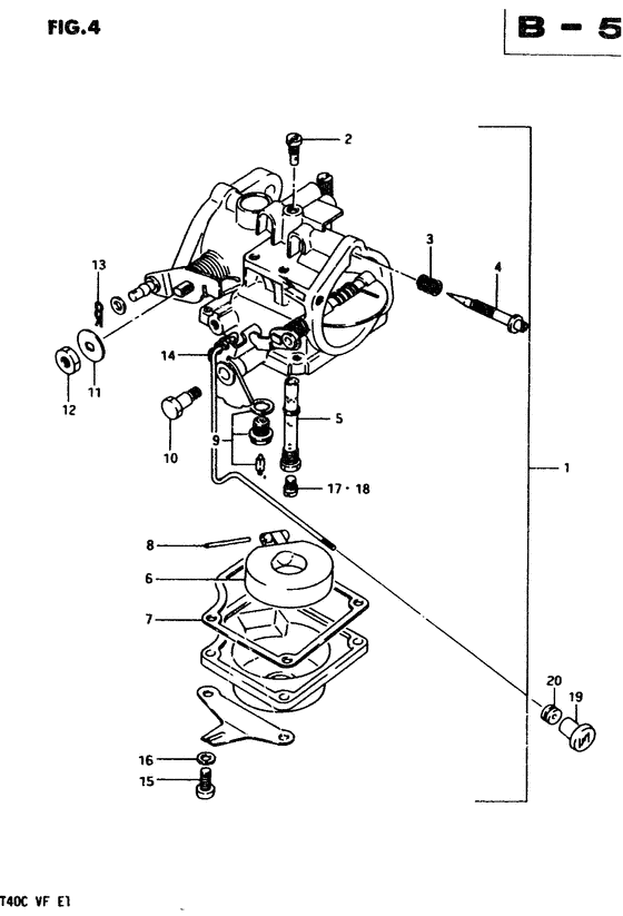
113200-94400-000

Карбюратор в сборе - Carburetor Assy (Carburetor Assy)

под заказ178560 руб.
113200-944F0-000

   (актуальный код замены) Карбюратор в сборе - Carburetor Assy

под заказ178560 руб.
113200-944F0-000

Карбюратор в сборе - Carburetor Assy (Carburetor Assy)

под заказ178560 руб.
209492-70001-000

Контрольная форсунка (70) - Jet, Pilot (70) (Jet, pilot (70) # Jet, pilot (72.5); ) (Jet, Pilot (70))

1 шт630 руб.
313271-93311-000

Пружина - Spring (Spring, air screw # Spring, air screw; ) (Spring)

1 шт350 руб.
413269-95210-000

Винт контроля воздуха - Screw, Pilot Air (Adjustor # Screw, pilot air; ) (Screw, Pilot Air)

под заказ810 руб.
513235-94400-000

Главная форсунка - Nozzle, Main (Nozzle ) (Nozzle, Main)

под заказ2160 руб.
613250-93012-000

Поплавок - Float (Float)

под заказ1950 руб.
713251-95210-000

Прокладка поплавковой камеры - Gasket, Float Cahmber (Gasket, Float Cahmber)

под заказ840 руб.
713251-95220-000

   (актуальный код замены) Прокладка поплавковой камеры - Gasket, Float Cahmber

под заказ840 руб.
713251-95220-000

Прокладка поплавковой камеры - Gasket, Float Cahmber (Gasket, Float Cahmber)

под заказ840 руб.
813254-93010-000

Стопор поплавка - Pin, Float (Pin, Float)

под заказ240 руб.
813254-98300-000

   (актуальный код замены) Стопор поплавка - Pin, Float

под заказ240 руб.
813254-98300-000

Стопор поплавка - Pin, Float (Pin, float ) (Pin, Float)

под заказ240 руб.
913370-28110-000

Игольчатый клапан, в сборе - Valve Assy, Needle (Valve assy, needle # Valve assy, needle; ) (Valve Assy, Needle)

4 шт4350 руб.
1013613-94300-000

Болт - Bolt (Bolt ) (Bolt)

под заказ760 руб.
1113606-93310-000

Запчасть снята с производства - The Spare Part Is Laid Off (The Spare Part Is Laid Off)

под заказ0 руб.
1213607-93310-000

Запчасть снята с производства - The Spare Part Is Laid Off (The Spare Part Is Laid Off)

под заказ0 руб.
1313609-98300-000

Стопор пружины - Spring Pin (Spring Pin)

под заказ150 руб.
1313464-96350-000

   (актуальный код замены) Стопор пружины - Spring Pin

под заказ150 руб.
1313464-96350-000

Стопор пружины - Spring Pin (Spring Pin)

под заказ150 руб.
1413580-94300-000

Запчасть снята с производства - The Spare Part Is Laid Off (The Spare Part Is Laid Off)

под заказ0 руб.
1502112-05168-000

Винт - Screw (Screw)

под заказ150 руб.
1502112-05167-000

   (актуальный код замены) Винт - Screw

под заказ150 руб.
1502112-05167-000

Винт - Screw (Screw)

под заказ150 руб.
1608321-21058-000

Шайба с блокировкой - Washer, Lock (Washer, Lock)

под заказ140 руб.
1608321-0105A-000

   (актуальный код замены) Шайба с блокировкой - Washer, Lock

под заказ140 руб.
1608321-0105A-000

Шайба с блокировкой - Washer, Lock (Washer, Lock)

под заказ140 руб.
1709491-36005-000

Главная форсунка (180) - Jet, Main (180) (Jet, main (180) # Jet, main (180); ) (Jet, Main (180))

под заказ970 руб.
1809491-37004-000

Главная форсунка (185) - Jet, Main (185) (Jet, main (185) # Jet, main (185); Opt ) (Jet, Main (185))

под заказ900 руб.
1809491-35004-000

Главная форсунка (175) - Jet, Main (175) (Jet, main (175); Opt) (Jet, Main (175))

под заказ0 руб.
1809491-35008-000

   (актуальный код замены) Запчасть снята с производства - The Spare Part Is Laid Off

под заказ0 руб.
1809491-35008-000

Главная форсунка (175) - Jet, Main (175) (Jet, Main (175))

под заказ0 руб.
1809491-34004-000

Запчасть снята с производства - The Spare Part Is Laid Off (Opt) (The Spare Part Is Laid Off)

под заказ0 руб.
1809491-34008-000

   (актуальный код замены) Запчасть снята с производства - The Spare Part Is Laid Off

под заказ0 руб.
1913631-93500-000

Рукоятка стартера - Knob, Starter (Knob, Starter)

под заказ460 руб.
1913631-93501-000

   (актуальный код замены) Рукоятка стартера - Knob, Starter

2 шт460 руб.
1913631-93501-000

Рукоятка стартера - Knob, Starter (Knob, Starter)

2 шт460 руб.
2009305-04005-000

Втулка - Bush (Bush)

под заказ160 руб.
2009320-04013-000

   (актуальный код замены) Подушка, Muf Cov - Cushion, Muf Cov

под заказ160 руб.
2009320-04009-000

Втулка - Bush (Bush)

под заказ160 руб.
2009320-04013-000

   (актуальный код замены) Подушка, Muf Cov - Cushion, Muf Cov

под заказ160 руб.


Время выполнения запроса 1.6538999080658 сек.

 
 

данный сайт носит информационный характер и не является публичной офертой

склад запчастей для водомоторной техники