Запчасти на двигатель SUZUKI DT40CS/L/L2 - Water pump
вконтакте

Контактный телефон: +7 (981) 121-46-93, +7 (800) 200-90-76 , Email: parts-katalog@yandex.ru, где купить

 
 

  Логин:

Пароль:

Регистрация

www.partskatalog.ru Все каталоги Запчасти Mercury Запчасти Suzuki Запчасти Tohatsu Запчасти Honda Контакты



УВАЖАЕМЫЕ КЛИЕНТЫ!
C 19 ДЕКАБРЯ 2025 ПО 02 МАРТА 2026 ГОДА ОТДЕЛ ЗАПЧАСТЕЙ И СЕРВИС РАБОТАТЬ НЕ БУДУТ
ПРОДАЖА ЛОДОЧНЫХ МОТОРОВ В ШТАТНОМ РЕЖИМЕ
ОБ ИЗМЕНЕНИЯХ В ГРАФИКЕ РАБОТЫ ЧИТАЙТЕ НА САЙТА



назад Раздел:   вперёд

Вернуться к выбору узлов мотора


ДЕТАЛИРОВКА ДЛЯ МОДЕЛИ: SUZUKI DT40RCVE(VE/VF) E

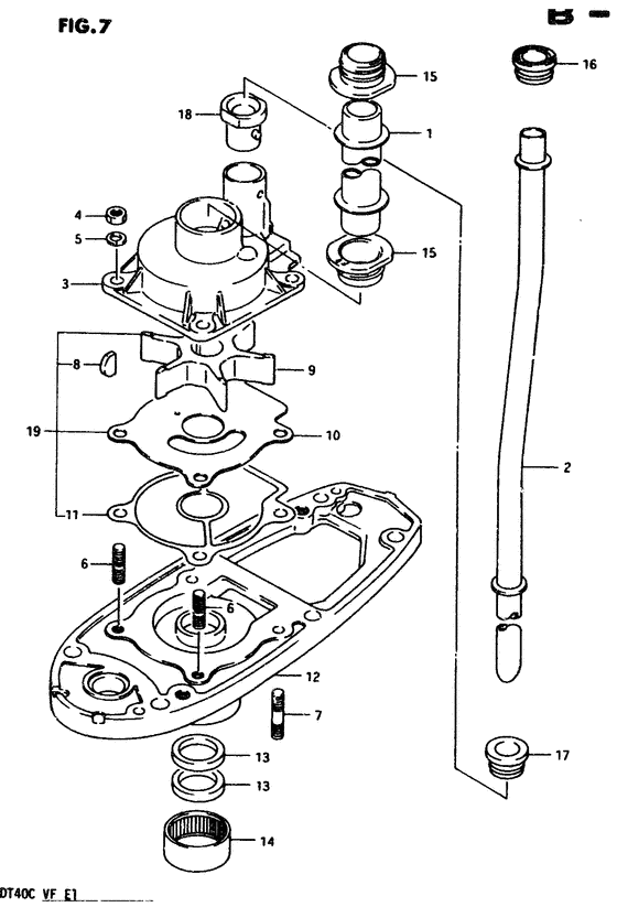
Водяной насос


Код модели двигателя: DT40CS/L/L2

Год выпуска двигателя: 1984

Регион: General Export No.1 ,Код региона: P01

Номер на
рисунке
АртикулНаименованиеQTYКол-во
на складе
Цена
117431-94410-000

Трубка сальника водяного насоса (s) - Tube, Water Pump Seal (s) (Tube, Water Pump Seal (s))

под заказ650 руб.
117431-92L10-000

   (актуальный код замены) Трубка сальника водяного насоса (s) - Tube, Water Pump Seal (s)

под заказ650 руб.
117431-92L10-000

Трубка сальника водяного насоса (s) - Tube, Water Pump Seal (s) (Tube, Water Pump Seal (s))

под заказ650 руб.
117431-94440-000

Трубка сальника водяного насоса (l) - Tube, Water Pump Seal (l) (Tube, Water Pump Seal (l))

под заказ1350 руб.
117431-92L20-000

   (актуальный код замены) Трубка сальника водяного насоса (l) - Tube, Water Pump Seal (l)

под заказ1350 руб.
117431-92L20-000

Трубка сальника водяного насоса (l) - Tube, Water Pump Seal (l) (Tube, Water Pump Seal (l))

под заказ1350 руб.
117431-94400-000

Трубка сальника водяного насоса (l2) - Tube, Water Pump Seal (l2) (Tube, Water Pump Seal (l2))

под заказ1630 руб.
117431-92L00-000

   (актуальный код замены) Трубка сальника водяного насоса (l2) - Tube, Water Pump Seal (l2)

под заказ1630 руб.
117431-92L00-000

Трубка сальника водяного насоса (l2) - Tube, Water Pump Seal (l2) (Tube, Water Pump Seal (l2))

под заказ1630 руб.
217561-94410-000

Водяная трубка (s) - Tube, Water (s) (Tube, Water (s))

под заказ2200 руб.
217561-92L50-000

   (актуальный код замены) Водяная трубка (s) - Tube, Water (s)

под заказ2200 руб.
217561-92L50-000

Водяная трубка (s) - Tube, Water (s) (Tube, Water (s))

под заказ2200 руб.
217561-92L50-000

Водяная трубка (s) - Tube, Water (s) (Tube, Water (s))

под заказ2200 руб.
217561-94440-000

Водяная трубка (l) - Tube, Water (l) (Tube, Water (l))

под заказ2570 руб.
217561-92L60-000

   (актуальный код замены) Водяная трубка (l) - Tube, Water (l)

под заказ2570 руб.
217561-92L60-000

Водяная трубка (l) - Tube, Water (l) (Tube, Water (l))

под заказ2570 руб.
217561-94400-000

Водяная трубка (l2) - Tube, Water (l2) (Tube, Water (l2))

под заказ2570 руб.
217561-92L70-000

   (актуальный код замены) Водяная трубка (l2) - Tube, Water (l2)

под заказ2570 руб.
217561-92L70-000

Водяная трубка (l2) - Tube, Water (l2) (Tube, Water (l2))

под заказ2570 руб.
317411-94400-000

Корпус водяного насоса - Case, Water Pump (Case, Water Pump)

под заказ11520 руб.
317411-94421-000

   (актуальный код замены) Корпус водяного насоса - Case, Water Pump

5 шт12520 руб.
317411-94421

   (не оригинальный аналог) Корпус помпы охлаждения Suzuki 17411-94421

под заказ5760 руб.
317411-94421-000

Корпус водяного насоса - Case, Water Pump (Case, Water Pump)

5 шт12520 руб.
3SK17411-94421

   (не оригинальный аналог) Корпус помпы охлаждения Skipper для Suzuki DT20-40, DF25-50

0 шт3142 руб.
409140-06004-000

Гайка - Nut (Nut)

под заказ150 руб.
409140-06020-000

   (актуальный код замены) Гайка - Nut

9 шт150 руб.
409140-06020-000

Гайка - Nut (Nut)

9 шт150 руб.
509162-06001-000

Шайба с блокировкой - Washer, Lock (Washer, Lock)

под заказ160 руб.
509162-06006-000

   (актуальный код замены) Шайба с блокировкой - Washer, Lock

под заказ160 руб.
509162-06006-000

Шайба с блокировкой - Washer, Lock (Lock washer ) (Washer, Lock)

под заказ160 руб.
609108-06060-000

Болт под шпильку - Bolt, Stud (Stud bolt # Stud bolt; ) (Bolt, Stud)

3 шт230 руб.
709108-06069-000

Болт под шпильку - Bolt, Stud (Bolt, stud # Stud bolt; ) (Bolt, Stud)

37 шт320 руб.
809420-04006-000

Ключ - Key (Key, impeller ) (Key)

18 шт430 руб.
917461-96301-000

Крыльчатка водяного насоса - Impeller, Water Pump (Impeller, Water Pump)

под заказ3170 руб.
917461-96312-000

   (актуальный код замены) Крыльчатка водяного насоса - Impeller, Water Pump

25 шт3490 руб.
9SK17461-96301P

   (не оригинальный аналог) Крыльчатка Skipper для Suzuki DT40, DF20-50, DF40-60A Performance

0 шт598 руб.
9SK17461-96301

   (не оригинальный аналог) Крыльчатка Skipper для Suzuki DT40, DF20-50, DF40-60A Standard

0 шт630 руб.
9SC-WT104

   (не оригинальный аналог) Крыльчатка помпы охлаждения двигателя Suzuki SC-WT104

1 шт1060 руб.
917461-96312-000

Крыльчатка водяного насоса - Impeller, Water Pump (Impeller, Water Pump)

25 шт3490 руб.
1017471-94400-000

Панель в нижней части корпуса помпы - Panel, Pump Case Under (Panel, Pump Case Under)

под заказ1200 руб.
1017471-94401-000

   (актуальный код замены) Панель в нижней части корпуса помпы - Panel, Pump Case Under

6 шт1290 руб.
1017471-94401-000

Панель в нижней части корпуса помпы - Panel, Pump Case Under (Panel, Pump Case Under)

6 шт1290 руб.
1117472-96301-000

Прокладка снизу корпуса водяного насоса - Gasket, Pump Case Under (Gasket, Pump Case Under)

под заказ270 руб.
1117472-96304-000

   (актуальный код замены) Прокладка снизу корпуса водяного насоса - Gasket, Pump Case Under

26 шт360 руб.
1117472-96303-000

Прокладка снизу корпуса водяного насоса - Gasket, Pump Case Under (Gasket, Pump Case Under)

под заказ270 руб.
1117472-96304-000

   (актуальный код замены) Прокладка снизу корпуса водяного насоса - Gasket, Pump Case Under

26 шт360 руб.
11SK17472-96303

   (не оригинальный аналог) Прокладка под пластину водяного насоса Skipper для Suzuki DT25-40, DF20-50, DF40A-60A

0 шт129 руб.
1256130-94400-02M

Корпус подшипника приводного вала - Housing, Drive Shaft Brg (Housing, Drive Shaft Brg)

под заказ0 руб.
1256130-94430-0ED

   (актуальный код замены) Запчасть снята с производства - The Spare Part Is Laid Off

под заказ0 руб.
1256130-94430-0ED

Корпус подшипника приводного вала - Housing, Drive Shaft Brg (Housing, Drive Shaft Brg)

под заказ0 руб.
1309282-17005-000

Сальник (17x32x6) - Seal, Oil (17x32x6) (Seal, Oil (17x32x6))

302 шт690 руб.
13SK09282-17005

   (не оригинальный аналог) Сальник ведущего вала Skipper для Suzuki Модели техники: DT40, DF40-50, DF40A-60A

0 шт124 руб.
13SC-OL098

   (не оригинальный аналог) Сальник редуктора Suzuki SC-OL098

2 шт240 руб.
1409263-25025-000

Подшипник (25x33x15) - Bearing (25x33x15) (Bearing, driveshaft # Bearing (25x33x15); ) (Bearing (25x33x15))

24 шт3080 руб.
14SK09263-25025

   (не оригинальный аналог) Подшипник игольчатый помпы охлаждения Skipper для Suzuki DT40-85, DF40-50

0 шт1125 руб.
14HMK2515NTN

   (подбор по маркировке) Подшипник NTN HMK 2515(25*33*15 мм)

под заказ0
1517432-96300-000

Пыльник сальника трубки водяного насоса - Grommet, Water Pump Seal Tube (Grommet, seal tube # Grommet, water pump seal tube; ) (Grommet, Water Pump Seal Tube)

под заказ280 руб.
1517432-96301-000

   (актуальный код замены) Пыльник сальника трубки водяного насоса - Grommet, Water Pump Seal Tube

31 шт360 руб.
1617563-94400-000

Верхний пыльник водяной трубки - Grommet, Water Tube Upr (Grommet, water tube, upper; ) (Grommet, Water Tube Upr)

5 шт450 руб.
1717565-94400-000

Пыльник водяной трубки Middle - Grommet, Water Tube Middle (Grommet, water tube, middle; ) (Grommet, Water Tube Middle)

13 шт550 руб.
1817566-94400-000

Пыльник водяной трубки Lwr - Grommet, Water Tube Lwr (Grommet, water tube, lower; ) (Grommet, Water Tube Lwr)

под заказ340 руб.
1817566-94401-000

   (актуальный код замены) Пыльник водяной трубки Lwr - Grommet, Water Tube Lwr

19 шт370 руб.
1917400-96350-000

Ремкомплект водяного насоса - Kit, Water Pump Repair (Water pump kit; Opt) (Kit, Water Pump Repair)

под заказ3940 руб.
1917400-96354-000

   (актуальный код замены) Ремкомплект водяного насоса - Kit, Water Pump Repair

26 шт4650 руб.
1917400-96353-000

Ремкомплект водяного насоса - Kit, Water Pump Repair (Kit, Water Pump Repair)

под заказ5670 руб.
1917400-96354-000

   (актуальный код замены) Ремкомплект водяного насоса - Kit, Water Pump Repair

26 шт4650 руб.


Время выполнения запроса 6.0216431617737 сек.

 
 

данный сайт носит информационный характер и не является публичной офертой

склад запчастей для водомоторной техники