Оригинальные запчасти на подвесной лодочный двигатель Suzuki DT40CS/L/L2 модель 1984 года - Cylinder
вконтакте

Контактный телефон: +7 (981) 121-46-93, +7 (800) 200-90-76 , Email: parts-katalog@yandex.ru, где купить

 
 

  Логин:

Пароль:

Регистрация

www.partskatalog.ru Все каталоги Запчасти Mercury Запчасти Suzuki Запчасти Tohatsu Запчасти Honda Контакты



УВАЖАЕМЫЕ КЛИЕНТЫ!
C 19 ДЕКАБРЯ 2025 ПО 02 МАРТА 2026 ГОДА ОТДЕЛ ЗАПЧАСТЕЙ И СЕРВИС РАБОТАТЬ НЕ БУДУТ
ПРОДАЖА ЛОДОЧНЫХ МОТОРОВ В ШТАТНОМ РЕЖИМЕ
ОБ ИЗМЕНЕНИЯХ В ГРАФИКЕ РАБОТЫ ЧИТАЙТЕ НА САЙТА



Раздел:   вперёд

Вернуться к выбору узлов мотора


ДЕТАЛИРОВКА ДЛЯ МОДЕЛИ: SUZUKI DT40C VE/DT40RC VE

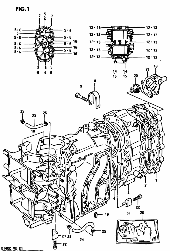
Цилиндр


Код модели двигателя: DT40CS/L/L2

Год выпуска двигателя: 1984

Регион: General Export No.1 ,Код региона: P01

Номер на
рисунке
АртикулНаименованиеQTYКол-во
на складе
Цена
111161-94400-02M

Крышка головки цилиндра - Cover, Cylinder Head (Cover, Cylinder Head)

под заказ0 руб.
111161-94400-0ED

   (актуальный код замены) Запчасть снята с производства - The Spare Part Is Laid Off

под заказ0 руб.
111161-94400-0ED

Крышка головки цилиндра - Cover, Cylinder Head (Cover, cylinder head (gray) ) (Cover, Cylinder Head)

под заказ0 руб.
211162-94400-000

Прокладка крышки головки блока цилиндра - Gasket, Cyl Head Cover (Gasket, Cyl Head Cover)

под заказ1200 руб.
211162-92L00-000

   (актуальный код замены) Прокладка крышки головки блока цилиндра - Gasket, Cyl Head Cover

10 шт1500 руб.
211162-92L00-000

Прокладка крышки головки блока цилиндра - Gasket, Cyl Head Cover (Gasket, Cyl Head Cover)

10 шт1500 руб.
311111-94400-02M

Головка цилиндра - Head, Cylinder (Head, Cylinder)

под заказ0 руб.
311111-94401-0ED

   (актуальный код замены) Запчасть снята с производства - The Spare Part Is Laid Off

под заказ0 руб.
311111-94401-0ED

Головка цилиндра - Head, Cylinder (Head, cylinder (gray) ) (Head, Cylinder)

под заказ0 руб.
411141-94400-000

Прокладка головки блока цилиндра - Gasket, Cylinder Head (Gasket, Cylinder Head)

под заказ2880 руб.
411141-94450-000

   (актуальный код замены) Прокладка головки блока цилиндра - Gasket, Cylinder Head

17 шт3140 руб.
4SC-GS251

   (не оригинальный аналог) Прокладка под головку Suzuki SC-GS251

под заказ1190 руб.
411141-94450-000

Прокладка головки блока цилиндра - Gasket, Cylinder Head (Gasket, Cylinder Head)

17 шт3140 руб.
509100-08231-000

Болт (8x75) - Bolt (8x75) (Bolt (8x75))

под заказ1280 руб.
509118-08171-000

   (актуальный код замены) Болт (8x75) - Bolt (8x75)

под заказ1280 руб.
509118-08171-000

Болт (8x75) - Bolt (8x75) (Bolt (8x75))

под заказ1280 руб.
608322-11088-000

Шайба - Washer (Washer)

под заказ140 руб.
608322-01087-000

   (актуальный код замены) Шайба - Washer

под заказ140 руб.
608322-01087-000

Шайба - Washer (Lock washer ) (Washer)

под заказ140 руб.
709103-06044-000

Болт (6x28) - Bolt (6x28) (Bolt (6x28))

под заказ180 руб.
709103-06182-000

   (актуальный код замены) Болт (6x28) - Bolt (6x28)

под заказ180 руб.
709103-06182-000

Болт (6x28) - Bolt (6x28) (Bolt (6x28))

под заказ180 руб.
811291-94400-000

Крюк двигателя - Hook, Engine (Hook, Engine)

под заказ430 руб.
811291-94402-000

   (актуальный код замены) Крюк двигателя - Hook, Engine

под заказ430 руб.
811291-94402-000

Крюк двигателя - Hook, Engine (Hook, engine port ) (Hook, Engine)

под заказ430 руб.
901107-08358-000

Болт - Bolt (Bolt)

под заказ230 руб.
901500-0835B-000

   (актуальный код замены) Болт - Bolt

под заказ230 руб.
901500-0835B-000

Болт - Bolt (Bolt, muffler support ) (Bolt)

под заказ230 руб.
1011301-94410-02M

под заказ0 руб.
1104211-09109-000

Штифт - Pin (Knock pin ) (Pin)

под заказ120 руб.
1201107-10558-000

Болт - Bolt (Bolt)

под заказ260 руб.
1201500-1055A-000

   (актуальный код замены) Болт - Bolt

под заказ260 руб.
1201500-1055A-000

Болт - Bolt (Bolt)

под заказ260 руб.
1308322-11108-000

Шайба - Washer (Washer)

под заказ140 руб.
1308322-01107-000

   (актуальный код замены) Шайба - Washer

под заказ140 руб.
1308322-01107-000

Шайба - Washer (Washer, throttle drum ) (Washer)

под заказ140 руб.
1401107-06408-000

Болт - Bolt (Bolt)

под заказ190 руб.
1401500-0640B-000

   (актуальный код замены) Болт - Bolt

под заказ190 руб.
1401500-0640B-000

Болт - Bolt (Bolt)

под заказ190 руб.
1508321-21068-000

Шайба с блокировкой - Washer, Lock (Washer, Lock)

под заказ140 руб.
1508321-01067-000

   (актуальный код замены) Шайба с блокировкой - Washer, Lock

под заказ140 руб.
1508321-01067-000

Шайба с блокировкой - Washer, Lock (Washer, Lock)

под заказ140 руб.
1609103-06075-000

Болт (6x36) - Bolt (6x36) (Bolt (6x36))

под заказ280 руб.
1609103-06183-000

   (актуальный код замены) Болт (6x36) - Bolt (6x36)

под заказ280 руб.
1609103-06183-000

Болт (6x36) - Bolt (6x36) (Bolt (6x38) ) (Bolt (6x36))

под заказ280 руб.
1717685-94400-000

Прокладка крышки термостата - Gasket, Thermostat Cover (Gasket, Thermostat Cover)

под заказ420 руб.
1717685-94410-000

   (актуальный код замены) Прокладка крышки термостата - Gasket, Thermostat Cover

5 шт480 руб.
1717685-94410-000

Прокладка крышки термостата - Gasket, Thermostat Cover (Gasket, thermostat cover ) (Gasket, Thermostat Cover)

5 шт480 руб.
1817681-94400-000

Крышка термостата - Cover, Thermostat (Cover, Thermostat)

под заказ13830 руб.
1817681-94401-0ED

   (актуальный код замены) Крышка термостата - Cover, Thermostat

под заказ13830 руб.
1817681-94401-0ED

Крышка термостата - Cover, Thermostat (Cover, thermostat ) (Cover, Thermostat)

под заказ13830 руб.
1909205-06011-000

Стопор пружины (6x12) - Pin, Spring (6x12) (Pin, Spring (6x12))

под заказ120 руб.
2017670-94401-000

Термостат на 60 градусов - Thermostat, Water 60 Deg (Thermostat, Water 60 Deg)

под заказ5810 руб.
2017670-94404-000

   (актуальный код замены) Термостат на 60 градусов - Thermostat, Water 60 Deg

7 шт6330 руб.
2017670-94402-000

Термостат на 60 градусов - Thermostat, Water 60 Deg (Thermostat (60c) ) (Thermostat, Water 60 Deg)

под заказ6100 руб.
2017670-94404-000

   (актуальный код замены) Термостат на 60 градусов - Thermostat, Water 60 Deg

7 шт6330 руб.
2111281-94400-000

Защитный анод - Protection, Anode (Protection, anode ) (Protection, Anode)

под заказ390 руб.
2209126-06005-000

Винт (6x30) - Screw (6x30) (Screw (6x30))

под заказ160 руб.
2309344-02019-000

Шланг (2.5x7x600) - Hose (25x7x600) (Hose (2.5x7x600))

под заказ480 руб.
2309351-25703-600

   (актуальный код замены) Шланг (2.5x7x600) - Hose (2.5x7x600)

под заказ480 руб.
2309351-25703-600

Шланг (2.5x7x600) - Hose (25x7x600) (Hose, outlet no.1 ) (Hose (2.5x7x600))

под заказ480 руб.
2409344-02006-000

Шланг (2.5x7x600) - Hose (25x7x600) (Hose (2.5x7x600))

под заказ480 руб.
2409351-25703-600

   (актуальный код замены) Шланг (2.5x7x600) - Hose (2.5x7x600)

под заказ480 руб.
2409351-25703-600

Шланг (2.5x7x600) - Hose (25x7x600) (Hose, outlet no.1 ) (Hose (2.5x7x600))

под заказ480 руб.
2509401-06405-000

Зажим - Clip (Clip)

под заказ160 руб.
2611400-94850-000

(OPT)

под заказ0 руб.
2611410-94826-000

Комплект прокладок - Gasket Set (Gasket Set)

под заказ14400 руб.
2611410-94827-000

   (актуальный код замены) Комплект прокладок - Gasket Set

1 шт17590 руб.


Время выполнения запроса 7.7143712043762 сек.

 
 

данный сайт носит информационный характер и не является публичной офертой

склад запчастей для водомоторной техники