Комплектующие на лодочный мотор Suzuki DT40CS/L/L2 - Барабанный стартер / Recoil starter
вконтакте

Контактный телефон: +7 (981) 121-46-93, +7 (800) 200-90-76 , Email: parts-katalog@yandex.ru, где купить

 
 

  Логин:

Пароль:

Регистрация

www.partskatalog.ru Все каталоги Запчасти Mercury Запчасти Suzuki Запчасти Tohatsu Запчасти Honda Контакты



УВАЖАЕМЫЕ КЛИЕНТЫ!
C 19 ДЕКАБРЯ 2025 ПО 02 МАРТА 2026 ГОДА ОТДЕЛ ЗАПЧАСТЕЙ И СЕРВИС РАБОТАТЬ НЕ БУДУТ
ПРОДАЖА ЛОДОЧНЫХ МОТОРОВ В ШТАТНОМ РЕЖИМЕ
ОБ ИЗМЕНЕНИЯХ В ГРАФИКЕ РАБОТЫ ЧИТАЙТЕ НА САЙТА



назад Раздел:   вперёд

Вернуться к выбору узлов мотора


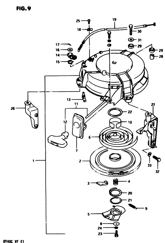
ДЕТАЛИРОВКА ДЛЯ МОДЕЛИ: SUZUKI DT40C VE/DT40RC VE

Барабанный стартер


Код модели двигателя: DT40CS/L/L2

Год выпуска двигателя: 1984

Регион: General Export No.1 ,Код региона: P01

Номер на
рисунке
АртикулНаименованиеQTYКол-во
на складе
Цена
118100-94410-000

под заказ0 руб.
118100-94430-000

Барабанный стартер в сборе - Starter Assy, Recoil (Starter assy, recoil ) (Starter Assy, Recoil)

1 шт65760 руб.
161622-95500-000

Сальник барабанного стартера - Seal, Recoil Starter (Rubber, recoil starter seal ) (Seal, Recoil Starter)

1 шт870 руб.
218121-95200-000

Запчасть снята с производства - The Spare Part Is Laid Off (The Spare Part Is Laid Off)

под заказ0 руб.
318130-95200-000

Запчасть снята с производства - The Spare Part Is Laid Off (The Spare Part Is Laid Off)

под заказ0 руб.
418153-95200-000

Фрикционная пружина - Spring, Friction (Spring, friction ) (Spring, Friction)

под заказ0 руб.
518151-95201-000

под заказ0 руб.
518150-95200-000

Пластина трения - Plate, Friction (Plate, Friction)

под заказ0 руб.
618142-95210-000

Пружина - Spring (Spring)

под заказ9510 руб.
718191-94400-000

Запчасть снята с производства - The Spare Part Is Laid Off (The Spare Part Is Laid Off)

под заказ0 руб.
818335-93000-000

Запчасть снята с производства - The Spare Part Is Laid Off (The Spare Part Is Laid Off)

под заказ0 руб.
918155-95200-000

Запчасть снята с производства - The Spare Part Is Laid Off (The Spare Part Is Laid Off)

под заказ0 руб.
918155-95203-000

   (актуальный код замены) Запчасть снята с производства - The Spare Part Is Laid Off

под заказ0 руб.
1018124-95210-000

Запчасть снята с производства - The Spare Part Is Laid Off (The Spare Part Is Laid Off)

под заказ0 руб.
1118200-95203-000

под заказ0 руб.
1118210-93002-000

Рукоятка в сборе - Grip Assy (Grip Assy)

1 шт1150 руб.
1218210-93001-000

Рукоятка в сборе - Grip Assy (Grip Assy)

под заказ1150 руб.
1218210-93002-000

   (актуальный код замены) Рукоятка в сборе - Grip Assy

1 шт1150 руб.
1218210-93002-000

Рукоятка в сборе - Grip Assy (Grip Assy)

1 шт1150 руб.
1318281-96300-000

Барабан, Стопор - Reel, Stopper (Reel, stopper ) (Reel, Stopper)

под заказ620 руб.
1418282-96300-000

Запчасть снята с производства - The Spare Part Is Laid Off (The Spare Part Is Laid Off)

под заказ0 руб.
1518284-96300-000

Пружина - Spring (Spring)

под заказ0 руб.
1618335-96300-000

Шайба - Washer (Washer)

под заказ140 руб.
1718348-96300-000

Штифт - Pin (Pin)

под заказ150 руб.
1709204-01006-000

   (актуальный код замены) Штифт - Pin

14 шт150 руб.
1709204-01006-000

Штифт - Pin (Pin, cotter ) (Pin)

14 шт150 руб.
1818291-96300-000

Запчасть снята с производства - The Spare Part Is Laid Off (The Spare Part Is Laid Off)

под заказ0 руб.
1918290-94400-000

Тросик NSI - Cable Assy, Nsi (Cable Assy, Nsi)

под заказ2180 руб.
2018157-95200-000

Запчасть снята с производства - The Spare Part Is Laid Off (The Spare Part Is Laid Off)

под заказ0 руб.
2118127-95200-000

Запчасть снята с производства - The Spare Part Is Laid Off (The Spare Part Is Laid Off)

под заказ0 руб.
2218144-95200-000

Запчасть снята с производства - The Spare Part Is Laid Off (The Spare Part Is Laid Off)

под заказ0 руб.
2301107-06168-000

Болт - Bolt (Bolt)

под заказ150 руб.
2301500-06167-000

   (актуальный код замены) Болт - Bolt

под заказ150 руб.
2301500-06167-000

Болт - Bolt (Bolt, fuel cooler ) (Bolt)

под заказ150 руб.
2408321-21068-000

Шайба с блокировкой - Washer, Lock (Washer, Lock)

под заказ140 руб.
2408321-01067-000

   (актуальный код замены) Шайба с блокировкой - Washer, Lock

под заказ140 руб.
2408321-01067-000

Шайба с блокировкой - Washer, Lock (Washer, Lock)

под заказ140 руб.
2518342-96300-000

Винт - Screw (Screw)

под заказ120 руб.
2502112-05107-000

   (актуальный код замены) Винт - Screw

под заказ120 руб.
2502112-05107-000

Винт - Screw (Screw, bracket ) (Screw)

под заказ120 руб.
2618711-94401-02M

Правая скоба барабанного стартера - Brace, Recoil Starter Stbd (Brace, Recoil Starter Stbd)

под заказ0 руб.
2618711-94402-0ED

   (актуальный код замены) Запчасть снята с производства - The Spare Part Is Laid Off

под заказ0 руб.
2618711-94402-0ED

Правая скоба барабанного стартера - Brace, Recoil Starter Stbd (Brace, recoil starter stbd ) (Brace, Recoil Starter Stbd)

под заказ0 руб.
2718721-94401-02M

Левая скоба барабанного стартера - Brace, Recoil Starter Port (Brace, Recoil Starter Port)

под заказ0 руб.
2718721-94402-0ED

   (актуальный код замены) Запчасть снята с производства - The Spare Part Is Laid Off

под заказ0 руб.
2718721-94402-0ED

Левая скоба барабанного стартера - Brace, Recoil Starter Port (Brace, recoil starter port ) (Brace, Recoil Starter Port)

под заказ0 руб.
2809180-08085-000

Запчасть снята с производства - The Spare Part Is Laid Off (The Spare Part Is Laid Off)

под заказ0 руб.
2809180-08203-000

   (актуальный код замены) Запчасть снята с производства - The Spare Part Is Laid Off

под заказ0 руб.
2809180-08203-000

Запчасть снята с производства - The Spare Part Is Laid Off (The Spare Part Is Laid Off)

под заказ0 руб.
2909320-14011-000

Подушка - Cushion (Cushion)

под заказ0 руб.
2909320-14028-000

   (актуальный код замены) Запчасть снята с производства - The Spare Part Is Laid Off

под заказ0 руб.
3001107-08358-000

Болт - Bolt (Bolt)

под заказ230 руб.
3001500-0835B-000

   (актуальный код замены) Болт - Bolt

под заказ230 руб.
3001500-0835B-000

Болт - Bolt (Bolt, muffler support ) (Bolt)

под заказ230 руб.
3109160-08054-000

Шайба (8.5x20x1.6) - Washer (85x20x16) (Washer (8.5x20x1.6))

под заказ120 руб.
3201107-06258-000

Болт - Bolt (Bolt)

под заказ150 руб.
3201500-06257-000

   (актуальный код замены) Болт - Bolt

под заказ150 руб.
3201500-06257-000

Болт - Bolt (Bolt)

под заказ150 руб.
3308322-21068-000

Шайба - Washer (Washer)

под заказ140 руб.
3308322-01067-000

   (актуальный код замены) Шайба - Washer

10 шт160 руб.
3308322-01067-000

Шайба - Washer (Washer)

10 шт160 руб.


Время выполнения запроса 1.854238986969 сек.

 
 

данный сайт носит информационный характер и не является публичной офертой

склад запчастей для водомоторной техники